| Passwort vergessen?
Sie sind nicht angemeldet. |  Anmelden

Sprache auswählen:

Wumpus Gollum Forum von
Wumpus Welt der (alten) Radios
Sie sind nicht angemeldet.
 Anmelden

Recycling vom tragbaren SW-TV tele STAR 4004
  •  
 1 .. 5 6 7 8 9
 1 .. 5 6 7 8 9
23.07.20 18:42
Berni98 

0-49 Punkte

23.07.20 18:42
Berni98 

0-49 Punkte

Re: Recycling vom tragbaren SW-TV tele STAR 4004

Hallo det,

wieso parallel zum Eingangstrimmer?
Ich dachte zwischen Wandler und Schaltung

VG
Berni

!
!!! Fotos, Grafiken nur über die Upload-Option des Forums, KEINE FREMD-LINKS auf externe Fotos.    

!!! Keine Komplett-Schaltbilder, keine Fotos, keine Grafiken, auf denen Urheberrechte Anderer (auch WEB-Seiten oder Foren) liegen!
Solche Uploads werden wegen der Rechtslage kommentarlos gelöscht!

Keine Fotos, auf denen Personen erkennbar sind, ohne deren schriftliche Zustimmung.

Den Beitrag-Betreff bei Antworten auf Threads nicht verändern!
24.07.20 06:50
det 

250-499 Punkte

24.07.20 06:50
det 

250-499 Punkte

Re: Recycling vom tragbaren SW-TV tele STAR 4004

Moin Bernie

Anstatt Eingangstrimmer!

dadurch zwischen Wandler und Schaltung.

Ein Bild sagt mehr...:

javascript:$.markItUp( { replaceWith:''});

VG det.

Datei-Anhänge
75Ohm Input.jpg 75Ohm Input.jpg (242x)

Mime-Type: image/jpeg, 35 kB

24.07.20 13:44
Reflex-Kalle 

500 und mehr Punkte

24.07.20 13:44
Reflex-Kalle 

500 und mehr Punkte

Re: Recycling vom tragbaren SW-TV tele STAR 4004

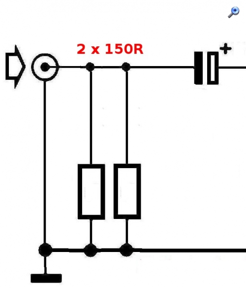
Die dem 75 Ohm Abschlusswiderstand parallel geschalteten 470 Ohm des Pegeleinstellers machen nicht viel aus und ergibt knapp 65 Ohm Gesamtwiderstand der Parallelschaltung.

24.07.20 17:07
Berni98 

0-49 Punkte

24.07.20 17:07
Berni98 

0-49 Punkte

Re: Recycling vom tragbaren SW-TV tele STAR 4004

So einen?

https://www.antennenland.net/TZU-3-01

24.07.20 17:13
Reflex-Kalle 

500 und mehr Punkte

24.07.20 17:13
Reflex-Kalle 

500 und mehr Punkte

Re: Recycling vom tragbaren SW-TV tele STAR 4004

Da reicht ein ganz normaler Widerstand. Die speziellen Abschlusswiderstände der Sat-Technik sind DC-entkoppelt und könnten die Erkennung ob ein TV an dem HDMI-Wandler angeschlossen ist, verhindern.

22.08.20 12:21
det 

250-499 Punkte

22.08.20 12:21
det 

250-499 Punkte

Re: Recycling vom tragbaren SW-TV tele STAR 4004

Hallo Berni,

öffne doch mal die 3 "Blechdosen" UHF, VHF und ZF.
Da sind jede Menge Widerstände und auch ein paar Trimmer verbaut.

Um auf einen Ersatzwiderstand von ca. 75R zu kommen, muß parallel zum 500R Trimmer ein Widerstand von ca. 90R liegen.

Falls die Formel nicht bekannt ist:

R1 * R2
--------------- = Rersatz
R1 + R2


Vg
det

14.11.20 08:53
ripper121 

0-49 Punkte

14.11.20 08:53
ripper121 

0-49 Punkte

Re: Recycling vom tragbaren SW-TV tele STAR 4004

Wo soll denn der R5 Widerstand von 4.7k hin, den kann man in keinem Schaltbild finden?
Und was is mit der LED gemeint?

14.11.20 09:11
det 

250-499 Punkte

14.11.20 09:11
det 

250-499 Punkte

Re: Recycling vom tragbaren SW-TV tele STAR 4004

Moin,
hatte ich im Text erwähnt:
R5 nur nötig, wenn eine (low current) Led angeschlossen wird.

Ich hatte in meinen 4004 eine Led als "ON"-Anzeige eingebaut.

VG
det.

14.11.20 15:46
ripper121 

0-49 Punkte

14.11.20 15:46
ripper121 

0-49 Punkte

Re: Recycling vom tragbaren SW-TV tele STAR 4004

Und von wo nach wo?

15.11.20 07:43
det 

250-499 Punkte

15.11.20 07:43
det 

250-499 Punkte

Re: Recycling vom tragbaren SW-TV tele STAR 4004

Moin,
die Anschlüsse für die LED sind im Bestückungsplan angegeben.
VG
det.

 1 .. 5 6 7 8 9
 1 .. 5 6 7 8 9
Buck-Boost-Converter   Komponentenübersicht   Abschlusswiderstände   Basisspannungsteiler   Abschlusswiderstand   Zuletzt   Koppelkondensator   Videoverstärker   Schaltung   bearbeitet   Videosignalverstärker   Recycling   Gleichspannungsmessungen   tragbaren   Hochspannungskaskade   1µF-Koppelkondensatoren   kombinationsstärkler   Superduper-Digitaloszi   Impedanzwandlerstufe   Videoverstärker-Platine