| Passwort vergessen?
Sie sind nicht angemeldet. |  Anmelden

Sprache auswählen:

Wumpus Gollum Forum von
Wumpus Welt der (alten) Radios
Sie sind nicht angemeldet.
 Anmelden

Selbstgebautes Mischpult Version 1
  •  
 1 .. 7 .. 11 12 13 14 15 .. 18
 1 .. 7 .. 11 12 13 14 15 .. 18
29.04.11 19:47
Wolle 

500 und mehr Punkte

29.04.11 19:47
Wolle 

500 und mehr Punkte

Re: selbstgebautes Mischpult

Hallo Technikfreund.

Ich habe Deine Ergänzung nicht gelesen, nur den Hinweis auf Brummen im Gedächtnis gehabt und dann dazu etwas geschrieben.
Schön, daß jetzt alles klappt.

Viele Grüße.
Wolle

!
!!! Fotos, Grafiken nur über die Upload-Option des Forums, KEINE FREMD-LINKS auf externe Fotos.    

!!! Keine Komplett-Schaltbilder, keine Fotos, keine Grafiken, auf denen Urheberrechte Anderer (auch WEB-Seiten oder Foren) liegen!
Solche Uploads werden wegen der Rechtslage kommentarlos gelöscht!

Keine Fotos, auf denen Personen erkennbar sind, ohne deren schriftliche Zustimmung.

Den Beitrag-Betreff bei Antworten auf Threads nicht verändern!
29.04.11 20:27
technikfreund 

500 und mehr Punkte

29.04.11 20:27
technikfreund 

500 und mehr Punkte

Re: selbstgebautes Mischpult

Hallo Zusammen!

Erstmal noch einmal vielen Dank für eure Unterstützung!
Ohne eure Hilfe hätte ich niemals gewagt überhaupt das
Pult anzufangen.
Mal eben die von Wolle genannte Schaltung nachgebaut und
sie funktionierte auch sofort. Ich bin begeistert, das hätte ich vorher
nicht mal eben so hinbekommen.

Wie ihr sicherlich noch wisst, habe ich über einen Mikroschalter
am Fader die "Achtung Mikro" Schaltung realisiert.
Da mich das so sehr fasziniert, möchte ich das ganze noch etwas spannender
machen. Und zwar soll die Lampe "Achtung" blinken.
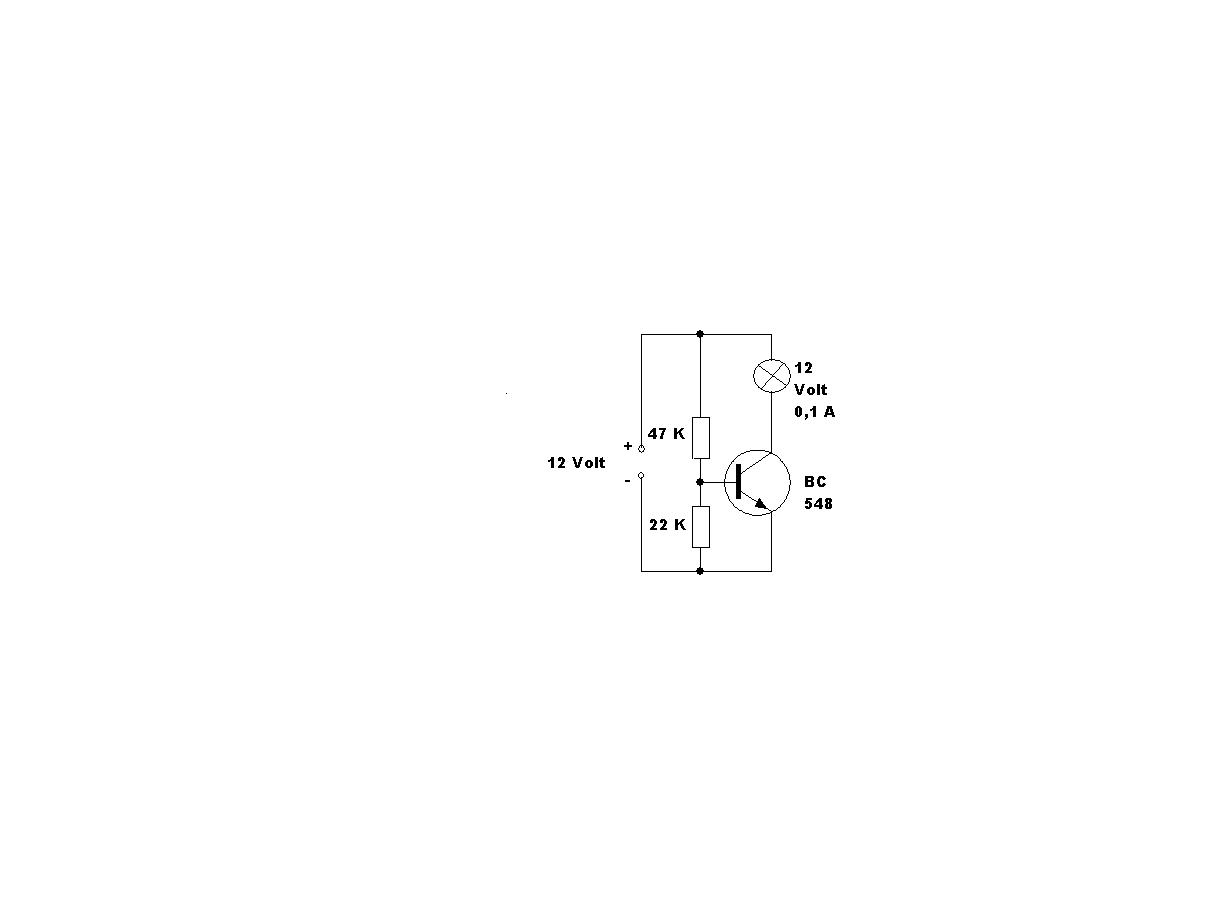
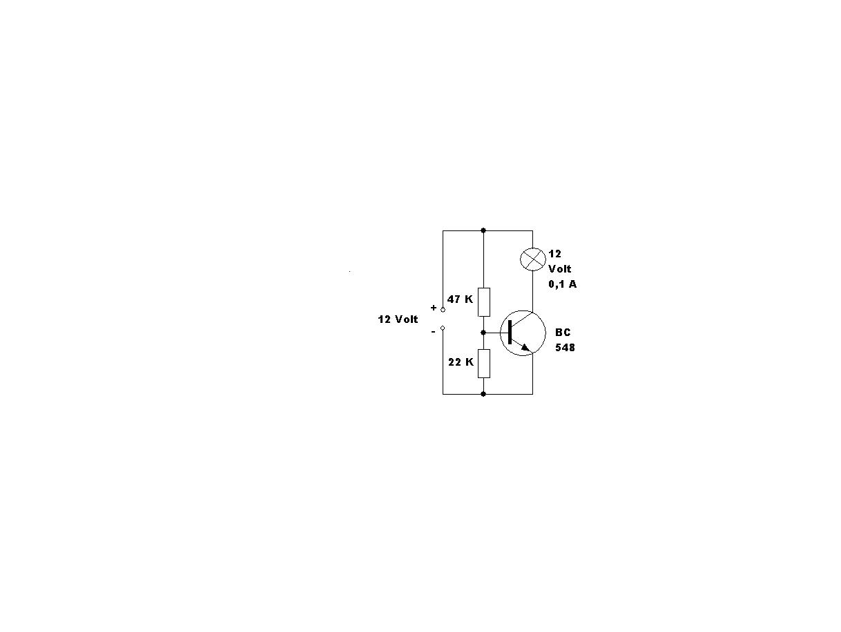
Dafür habe ich mir eine LED Blinkschaltung umgezeichnet, da ich kleine 12 Volt
Birnchen mit 0,1 A Leistung verwende.

Ich habe die LED und deren Vorwiderstand entfernt und stattdessen die 12 Volt Birne eingezeichnet.
Kann man die Schaltung auch mit 12 Volt betreiben und funktioniert das mit der
12 V Birne so wie ich mir das vorstelle? Es sollen max. 2 dieser 12 Volt Birnchen angeschlossen werden.

Viele Grüße Technikfreund.

Datei-Anhänge
Blinker.jpg Blinker.jpg (412x)

Mime-Type: image/jpeg, 26 kB

29.04.11 20:48
Roeki59 

250-499 Punkte

29.04.11 20:48
Roeki59 

250-499 Punkte

Re: selbstgebautes Mischpult

Hallo!

Die gezeigte Schaltung ist noch lange keine Blinkschaltung.
Glühlämpchen leben kürzer als LED und brauchen mehr Strom.
Ich würde bei den LED bleiben. Es gibt fertige Blink-LED (mit eingebauten Chip) für 5 und 12V.
So brauchst du nichts zu ändern. Ist aber nur meine Meinung.

MfG Volkmar

Alle Stufen schwingen, nur der Oszillator nicht !

29.04.11 20:55
Klaus 

500 und mehr Punkte

29.04.11 20:55
Klaus 

500 und mehr Punkte

Re: selbstgebautes Mischpult

Hallo Technikfreund,

deine Schaltung sieht nett aus - besitzt aber leider keine weitere Funktion, als dass die Lampe beim Anlegen der 12 V mit geringerer Spannung als vorgesehen (reduziert um Uce) leuchtet . Keinesfalls wird sie selbständig blicken, dazu bedarf es eines astabilen Multivibrators (-> Wiki).

Bei deiner Variante könntest du genau so gut den Transistor sowie die beiden Widerstände einsparen und die Lampe direkt betreiben.

Viele Grüße
Klaus

29.04.11 20:55
Wolle 

500 und mehr Punkte

29.04.11 20:55
Wolle 

500 und mehr Punkte

Re: selbstgebautes Mischpult

Hallo Technikfreund.

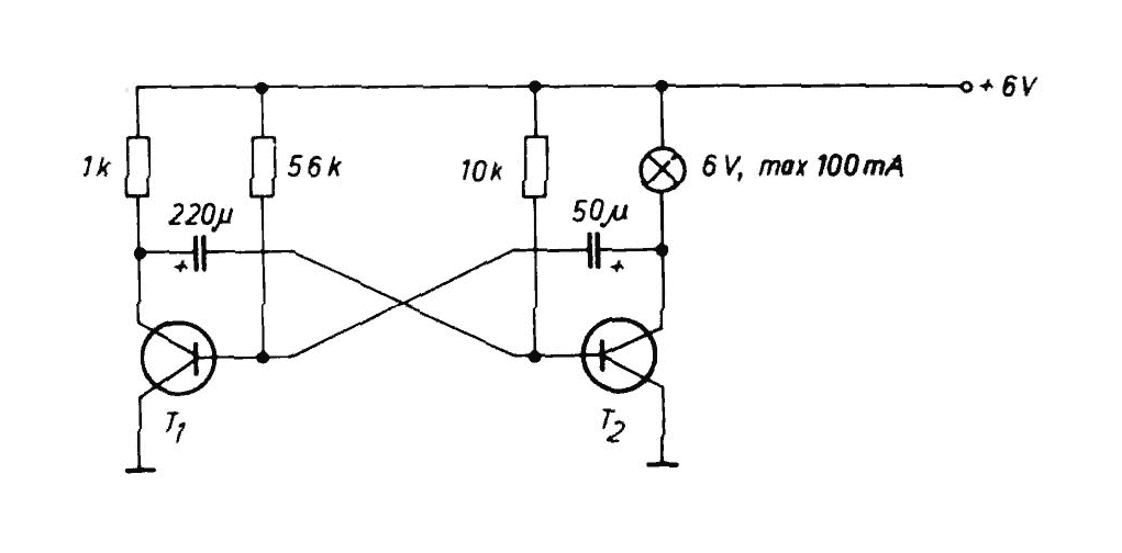
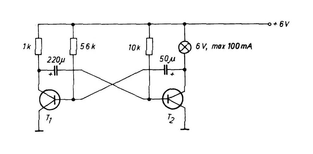
Diese Schaltung kann nicht blinken. Sie ist an eine spezielle selbständig blinkende LED gebunden und funktioniert deshalb auch nicht mit einer normalen LED. Was Du brauchst, ist ein astabiler Multivibrator. Mit entsprechender Bemessung der Kondensatoren und der Widerstände ist dann die gewünschte Blinkfrequenz einstellbar.



Als Transistor läßt sich alles in NPN insetzen, BC547 bis 550, Emitter an Masse, Betriebsspannung bei entsprechender Lampe 12 Volt.

Mit vielen Grüßen.
Wolle

Zuletzt bearbeitet am 29.04.11 22:05

Datei-Anhänge
multi_sch1.png multi_sch1.png (463x)

Mime-Type: image/x-png, 17 kB

29.04.11 21:01
Klaus 

500 und mehr Punkte

29.04.11 21:01
Klaus 

500 und mehr Punkte

Re: selbstgebautes Mischpult

Hallo Wolfgang,

mir ging es lediglich um die Bezeichnung der Schaltung; bei der Funktionsweise sind wir sowieso einer Meinung.
Offenbar gibt es auch im Netz dazu unterschiedliche Sichtweisen.

Viele Grüße
Klaus

29.04.11 21:23
ingodergute 

Moderator

29.04.11 21:23
ingodergute 

Moderator

Re: selbstgebautes Mischpult

Hallo Technikfreund,

das mit dem Blinken würde ich mir überlegen. Wenn Du die (blinkende) Anzeige nicht von einer separaten Stromversorgung mit ALLEN Leitungen separat (auch Masse!) betreibst (geht auch vom gleichen Trafo vor der Regelung aber mit separater Leitungsführung), dann riskierst Du, dass Du im Takt des Blinkens Geräusche (z.B. Knacken) auf Deinem Ausgangssignal hast. Das Risiko würde ich nicht eingehen.
Ein Beispiel aus der Industrie: Beim hochwerigen Tonbandgerzät A77 gibt es eine Übersteuerungsanzeige (rotes Lämpchen) in den Pegelinstrumenten. Jedesmal, wenn ein Lämpchen aufleuchtet, wird ein Knacks aufgezeichnet. Ursache ist die Leitungsführung!

Gruß Ingo.
_______________________
Schwertfische zu Flugenten!

29.04.11 22:14
Wolle 

500 und mehr Punkte

29.04.11 22:14
Wolle 

500 und mehr Punkte

Re: selbstgebautes Mischpult

Hallo Klaus.

In der Anlage findest Du die Funktionsbeschreibung und die Schaltung einer Bootstrapschaltung, etwa 1973. Mir wird immer mehr die Vernichtung alter Unterlagen zum Verhängnis.

Mit lieben Grüßen.
Wolfgang

Zuletzt bearbeitet am 29.04.11 22:16

Datei-Anhänge
nf_beschr1a.png nf_beschr1a.png (451x)

Mime-Type: image/x-png, 45 kB

NF_beschr1b.png NF_beschr1b.png (464x)

Mime-Type: image/x-png, 31 kB

29.04.11 23:09
Klaus 

500 und mehr Punkte

29.04.11 23:09
Klaus 

500 und mehr Punkte

Re: selbstgebautes Mischpult

Hallo Wolfgang,

deine Funktionsbeschreibung spiegelt doch genau das wider, was ich beschrieben habe: Die Bootstrapschaltung liefert das Signal verstärkt am Kollektor. Die nachfolgende Transistorstufe bildet einen Impedanzwandler mit Signalauskopplung am Emitter
.
In der von dir eingestellten Schaltung vor 10h wird aber ebenfalls am Emitter ausgekoppelt.
Das dort ebenfalls ein Bootstrapkondensator vorgesehen ist, lässt natürlich unterschiedliche Benennungen zu - mein Link weist aber bei Bootstrap ebenfalls eine Kollektorauskopplung auf.

Viele Grüße
Klaus

29.04.11 23:32
technikfreund 

500 und mehr Punkte

29.04.11 23:32
technikfreund 

500 und mehr Punkte

Re: selbstgebautes Mischpult

Hallo Zusammen!

Die Multivibrator Schaltung ist fertig.
Ich hatte im Netz einen Schaltplan gefunden,
für den ich alle Bauteile hatte.


In meinem Studio habe ich einen extra Trafo,
der meine 12 Volt Deckenbeleuchtung und die Signallampen
speist.



Die Schaltung ist von mir selbst gezeichnet.
Vielen Dank für eure Hilfe, Technikfreund.

Zuletzt bearbeitet am 30.04.11 11:25

Datei-Anhänge
Multivibrator Schaltung.jpg Multivibrator Schaltung.jpg (431x)

Mime-Type: image/jpeg, 62 kB

 1 .. 7 .. 11 12 13 14 15 .. 18
 1 .. 7 .. 11 12 13 14 15 .. 18
Zusammen   eingebaut   Verstärkung   Technikfreund   angeschlossen   Plattenspieler   Selbstgebautes   Winfried   Mischpult   Grüße   funktioniert   Schaltplan   Widerstände   Tonabnehmer   Schaltung   könnte   Zuletzt   bearbeitet   Vorverstärker   Spannung