| Passwort vergessen?
Sie sind nicht angemeldet. |  Anmelden

Sprache auswählen:

Wumpus Gollum Forum von
Wumpus Welt der (alten) Radios
Sie sind nicht angemeldet.
 Anmelden

Selbstgebautes Mischpult Version 1
  •  
 1 .. 8 9 10 11 12 .. 18
 1 .. 8 9 10 11 12 .. 18
24.04.11 23:02
MTG20 

500 und mehr Punkte

24.04.11 23:02
MTG20 

500 und mehr Punkte

Re: selbstgebautes Mischpult

Hallo Technikfreund,

Jürgen ist auch der Meinung, daß es ohne Relais geht. Die Achtung-Lampe kannst Du ja extra noch über einen Schalter legen. Wenn Du den Regler hochziehst schaltet der Mikroschalter ohnehin auf die Mikrolampe. Ich würde das nicht unnötig komplizierter machen. Was ich zu dem Relais gefunden habe hat nur 4 Anschlüsse. Müßte ja auch reichen. 2 für die Spule und 2 für den Schaltkontakt. War für mich aber unüblich dargestellt. Nochmal zum Aufbau. Das kleine Teil oben ist das Mikro und das schräge Teil darunter ist für die VU-Meter? Machen die Lampen nicht nur Sinn, wenn der Sprecher in einem anderen Raum ist, der durch eine Scheibe mit dem Aufnahmeraum verbunden ist.? So ist es allgemein in Tonstudios.

Viele Grüße

Winfried

!
!!! Fotos, Grafiken nur über die Upload-Option des Forums, KEINE FREMD-LINKS auf externe Fotos.    

!!! Keine Komplett-Schaltbilder, keine Fotos, keine Grafiken, auf denen Urheberrechte Anderer (auch WEB-Seiten oder Foren) liegen!
Solche Uploads werden wegen der Rechtslage kommentarlos gelöscht!

Keine Fotos, auf denen Personen erkennbar sind, ohne deren schriftliche Zustimmung.

Den Beitrag-Betreff bei Antworten auf Threads nicht verändern!
25.04.11 08:17
technikfreund 

500 und mehr Punkte

25.04.11 08:17
technikfreund 

500 und mehr Punkte

Re: selbstgebautes Mischpult

Hallo Winfried!

Zu deiner Frage mit dem "schrägen Teil", schaue doch mal bitte in deinem
E-Mail Postfach nach (nicht Forum Postfach).

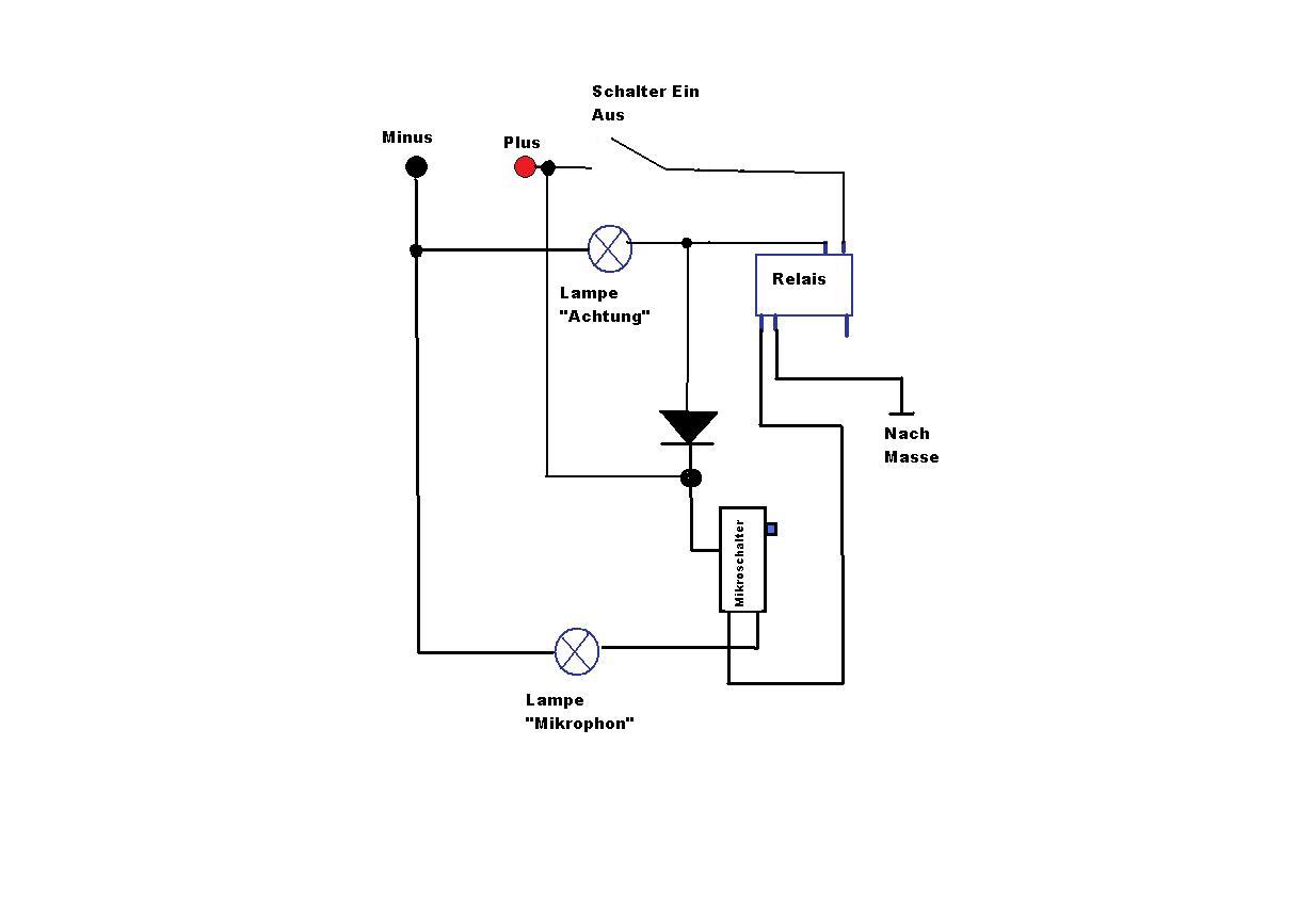
Die Schaltung mit dem Relais funktioniert. Hatte mir einen Schaltplan
einer Selbsthaltung mit Relais besorgt, die Kontakte am Relais herausgefunden
und das ganze zusammen gebaut.

Anbei habe ich mal einen Schaltplan, wie ich die Relaisschaltung aufgebaut habe.
Wenn ich den Schalter einschalte, kann ich zwischen der Achtung und der Mikrolampe
durch hoch und runterziehen des Faders (hierbei wird der Mikroschalter betätigt) wechseln.
Ist der Schalter in der "Aus" Stellung, kann ich beim Hochziehen des Faders nur die Lampe
"Mikrophon" einschalten.
Was natürlich am allerbesten wäre, wenn der Fader hochgezogen wird und die Mikrolampe leuchtet,
das die "Achtung" Lampe beim Runterziehen wieder aus ist. (Dieses wird zur Zeit Manuell über den Schalter
gemacht). Könnte man das irgendwie mit einem zweiten Relais oder so hinbekommen?
Es macht auf jeden Fall sehr viel Spaß, so eine Interessante Schaltung zu verwenden, auch wenn ich kein
professionelles Studio habe.

PS: Die von Jürgen genannten Bezeichnungen hat der Mikroschalter nicht.

Viele Grüße Technikfreund.

Zuletzt bearbeitet am 25.04.11 12:02

Datei-Anhänge
Achtung Mikro Schaltung.jpg Achtung Mikro Schaltung.jpg (426x)

Mime-Type: image/jpeg, 39 kB

25.04.11 16:59
MTG20 

500 und mehr Punkte

25.04.11 16:59
MTG20 

500 und mehr Punkte

Re: selbstgebautes Mischpult

Hallo Technikfreund,

nun ist es klar, warum Du es gerade so baust. Das ist für mich verständlich. Die Schaltung würde ich aber ohne Relais machen.
Einen Schalter vor dem Mikroschalter, der den Strom bei Bedarf auf den Schalter gibt. Achtung leuchtet. Beim Hochziehen des Reglers
geht Achtung aus und Mikro an. Beim Runterziehen ist es umgedreht.

Viele Grüße

Winfried

25.04.11 19:14
technikfreund 

500 und mehr Punkte

25.04.11 19:14
technikfreund 

500 und mehr Punkte

Re: selbstgebautes Mischpult

Hallo Winfried & alle Anderen

Im Grunde genommen hatte ich die gleiche Schaltungsart,
wie du sie beschreibst, schon vorher mit einem Ein/Aus Schalter
und einen Ein/Ein Schalter gebaut.
Jetzt ist der Ein/Ein Schalter durch den Mikroschalter ersetzt worden.
Diese Schaltung reicht völlig aus, ist einfach interessant, so etwas
mit ins Mischpult zu bauen.

Ich hätte noch einmal eine allgemeine Frage:
Als ich meinen Vorverstärker gebaut habe und mich vorher
bei euch über die versch. Tonabnehmer erkundigt habe,
hatte wir doch gesagt, das man bei einem Kristalltonabnehmer
keinen Entzerrer / Vorverstärker braucht.

Der Telefunken TW 509 (baugleich mit PE 2001) Plattenspieler,
den ich am Wochenende auf dem Flohmarkt erworben habe und
der für mein Studio gedacht ist, hat laut Internetsuche ein Kristallsystem
montiert. Der Nadelkopfträger heißt T 25. Die Nadel ist eine Wendenadel.

Am Vorverstärker hat der Plattenspieler einen mäßigen Klang, die Nadel
ist aber auch leicht verbogen und sieht nicht mehr so gut aus.
Könnte das Tonabnehmer System vielleicht ein Keramisches System sein?
Ich würde mir gerne einmal eine Liste machen, welche System Arten es gibt und wie sie angeschlossen
werden.

Meines Wissens gibt es folgende Systeme:

Magnetelektrische oder auch Magnetische Tonabnehmer, werden über einen Entzerrer - Vorverstärker angeschlossen.
Kermamische Tonabnehmer, Vorverstärker ?
Kristalltonabnehmer Systeme, können direkt an einen Hochpegeleingang (Tonbandeingang) angeschlossen werden.
(Kristalltonabnehmer haben keinen guten Klang)
Halbleiter Tonabnehmer, ? (findet man heute sehr selten)

Moving Magnet (MM) Systeme entsprechen Magnetischen Tonabnehmern.
Moving Coil (MC) ?

Sind meine Aussagen so richtig und kann jemand ggf. bei den Fragezeichen die Aussagen vervollständigen, dann
könnte ich mir das so notieren und wüsste besser über die verschiedenen Systemarten bescheid.

Viele Grüße Technikfreund.

Zuletzt bearbeitet am 25.04.11 20:54

25.04.11 21:20
MTG20 

500 und mehr Punkte

25.04.11 21:20
MTG20 

500 und mehr Punkte

Re: selbstgebautes Mischpult

Hallo Technikfreund,

der T25 hat ein Kristallsystem. Den Vorverstärker brauchst Du dafür nicht.

Viele Grüße

Winfried

25.04.11 22:01
technikfreund 

500 und mehr Punkte

25.04.11 22:01
technikfreund 

500 und mehr Punkte

Re: selbstgebautes Mischpult

Hallo Winfried!

Ich hatte den Plattenspieler zuerst an einen
Tonbandeingang angeschlossen. Dort kam der
Ton nur ganz leise raus. Beim Anschluss am
Vorverstärker klang er viel besser.

Gibt es vielleicht verschiedene Systeme mit Wendenadeln?

Grüße Technikfreund.

Zuletzt bearbeitet am 25.04.11 22:02

26.04.11 01:57
qw123 

500 und mehr Punkte

26.04.11 01:57
qw123 

500 und mehr Punkte

Re: selbstgebautes Mischpult

Hallo Technikfreund,


technikfreund:
Magnetelektrische oder auch Magnetische Tonabnehmer, werden über einen Entzerrer - Vorverstärker angeschlossen.
Richtig.

technikfreund:
Kermamische Tonabnehmer, Vorverstärker ?

Hier muß ich passen ...Meines Wissens gab es Tonabnehmersysteme, die wie Kristallsysteme im wesentlichen nach dem piezoelektrischen Effekt funktionierten, aber eine hochwertigere und plattenschonendere Wiedergabe ermöglichten als die 08/15-Kristallsysteme. Dies aber auf Kosten einer viel geringeren Ausgangsspannung. Hier wäre also ein Vorverstärker angebracht, aber ohne Entzerrung, also frequenzlinear.


technikfreund:
Kristalltonabnehmer Systeme, können direkt an einen Hochpegeleingang (Tonbandeingang) angeschlossen werden.
(Kristalltonabnehmer haben keinen guten Klang)
Die früher in einfachen Konsumer-Plattenspielern/wechslern eingebauten Systeme hatten tatsächlich keinen guten Klang und waren nie HiFi-tauglich. Schlimmer noch, sie beschädigten dauerhaft die Plattenrillen. Dafür benötigten sie keine Vorverstärkung und wurden in der Praxis auch ohne Entzerrung betrieben.

Heute sollte man mit Rücksicht auf die Schonung alter Schallplatten die Finger davon lassen. Gute MM-Tonabnehmer gibt es heute zu so niedrigen Preisen, daß es sich nicht lohnt, mit solchen Kristall-Systemen die Rillen weiter auszuhobeln.

technikfreund:
Halbleiter Tonabnehmer, ? (findet man heute sehr selten)

Richtig, wenn man sie überhaupt noch findet. Ebenso selten wie optische Abtaster.

technikfreund:
Moving Magnet (MM) Systeme entsprechen Magnetischen Tonabnehmern.
So könnte man sagen.



technikfreund:
Moving Coil (MC) ?
Entsprechen im Prinzip den MM-Systemen, mit dem Unterschied, daß hier nicht der Magnet sondern die Spule mit der Nadel mechanisch fest verbunden ist. Sie haben allerdings eine nochmal um den Faktor 10 geringere Ausgangsspannung, brauchen auch die gleiche Entzerrung.


Der wesentliche Unterschied zwischen Kristall-, keramischen (und optischen) Abtastern auf der einen Seite und MM/MC-Abtastern auf der anderen Seite ist, daß erstere Amplituden- und letztere Schnelle-Wandler sind.
Damit ist folgendes gemeint: bei Kristall-Tonabnehmern ist (im wesentlichen) die abgegebene Wechsel-Spannung proportional zur Amplitude der Nadelauslenkung aus der Ruhelage, bei MM/MC-Tonabnehmern ist die abgegebene Spannung proportional zur 'Schnelle', also der Geschwindigkeit, mit der die Nadel ausgelenkt wird.

Wegen der Physik (Induktionsgesetz U=L x d(phi)/dt) und der Art, wie Schallplatten geschnitten werden, führt der oben genannte Unterschied dazu, daß die von MM/MC-Abtastern abgegebene Spannung bei gleicher Rillen(flanken)amplitude proportional zur Frequenz ansteigt. Für diese Art Tonabnehmer ist daher eine Entzerrung nötig.


der langen Rede kurzer Sinn:
wenn es Dein Plattenspieler zuläßt, besorge Dir ein MM-System und betreibe es an Deinem Entzerrer-Vorverstärker.

Grüße

Heinz

26.04.11 06:01
technikfreund 

500 und mehr Punkte

26.04.11 06:01
technikfreund 

500 und mehr Punkte

Re: selbstgebautes Mischpult

Hallo Heinz!

Danke, jetzt weiß ich bescheid.

Habe herausgefunden, das es für den Nadelkopfträger
T 25 einmal ein Kristalltonabnehmer System und ein
Keramisches System gibt. Bezeichnung jeweils T25/2.

Ob es auch magnet. Tonabnehmer für den Plattenspieler
gibt habe ich noch nicht herausgefunden.

Allerdings ist mir eingefallen, das mein Mister Hit Plattenspieler
den gleichen Nadelkopfträger eingebaut habe.
Wenn ich den TW 509 mit dem Mister Hit System direkt an einen
Tonbandeingang anschließe, ist der Klang viel zu Leise
(Ähnlich wie bei einem Grammophon).
Schließe ich ihn an den Vorverstärker für magnt. Tonabnehmer an,
ist eine gute Lautstärke da, es treten aber Verzerrungen auf.
Werde nachher mal versuchen, den Plattenspieler an mein
kleines Monacor Mischpult anzuschließen, das hat einen Umschalter
für Magnetische / Keramische Systeme.

Viele Grüße und Dank, Technikfreund.

Zuletzt bearbeitet am 26.04.11 06:26

26.04.11 10:27
MTG20 

500 und mehr Punkte

26.04.11 10:27
MTG20 

500 und mehr Punkte

Re: selbstgebautes Mischpult

Hallo zusammen,

Kristalltonabnehmer und keramische Systeme lassen sich ohne Entzerrer (Vorverstärker) benutzen. Magnetische Systeme liefern aber einen besseren Frequenzgang. Alles was darüber liegt kann ich wegen der Preise nur als Geldschneiderei bezeichnen. Günstig sind Plattenspieler mit Tonarmen, die die Verwendung verschiedener genormter Systeme zulassen.

Viele Grüße

Winfried

26.04.11 16:08
technikfreund 

500 und mehr Punkte

26.04.11 16:08
technikfreund 

500 und mehr Punkte

Re: selbstgebautes Mischpult

Hallo Winfried!

Deine Aussage trifft zu!

In der BDA von meinem Vorverstärker (an dem die Aktivboxen angeschlossen sind) steht,
das Plattenspieler mit Kristall oder Keramiksystem an die Tonbandbuchsen anzuschließen sind.

Wenn ich den Plattenspieler dort anschließe, habe ich ein guten und lauten Klang. Schließe ich
ihn an den Tonband Eingang von meinem Mischpult an, ist das Signal sehr leise.
Kann man das etwas mit einem kleinen Vorverstärker ohne Entzerrer machen?
Ein magnetisches System habe ich für den Plattenspieler noch nicht gefunden.

Viele Grüße und Dank, Technikfreund.

 1 .. 8 9 10 11 12 .. 18
 1 .. 8 9 10 11 12 .. 18
bearbeitet   Verstärkung   angeschlossen   Grüße   Schaltung   eingebaut   Plattenspieler   Zuletzt   Widerstände   Mischpult   Spannung   könnte   Tonabnehmer   Zusammen   Vorverstärker   Schaltplan   Winfried   Selbstgebautes   Technikfreund   funktioniert