| Passwort vergessen?
Sie sind nicht angemeldet. |  Anmelden

Sprache auswählen:

Wumpus Gollum Forum von
Wumpus Welt der (alten) Radios
Sie sind nicht angemeldet.
 Anmelden

Grundig Yacht Boy - P 2000
  •  
 1
 1
19.01.18 14:48
reinhard 

500 und mehr Punkte

19.01.18 14:48
reinhard 

500 und mehr Punkte

Grundig Yacht Boy - P 2000

Grundig
Modell: Yacht Boy - P 2000
Herstellungsjahr: 1997

Beschreibung
Grundig erhielt für diesen Yacht Boy im "Porsche Design" 1998 beim Designwettbewerb "Design Innovationen 98" den begehrten
"Roten Punkt für hohe Designqualität". Der Yacht Boy P 2000 ist ein "optimaler" Reisebegleiter im schützenden Lederetui, der auch als Gerätestütze dient. Das Gerät wurde über mehrere Jahre gefertigt und vertrieben.

Technische Daten:
Schaltung: Superhet
Röhren/Transistoren: 19 Transistoren, 8 IC's, 13 Dioden
Wellenbereiche: UKW 87,5-108 MHz, KW I 2,3-7,4 MHz, KW II 9,4-26,1 MHz, MW 522-1620 kHz
Lautsprecher: permanent-dynamisch
Spannung: 4,5 Volt (3 Mignonzellen)
Gehäuse: Kunststoff
Skala: digitales Multifunktions-Display
Abstimmung: direkte Frequenzeingabe über 10er-Tastatur oder up/down-Tasten
Gewicht: 0,4 kg
Maße: Breite 14,2 cm,
Höhe 9,2 cm,
Tiefe 3,5 cm







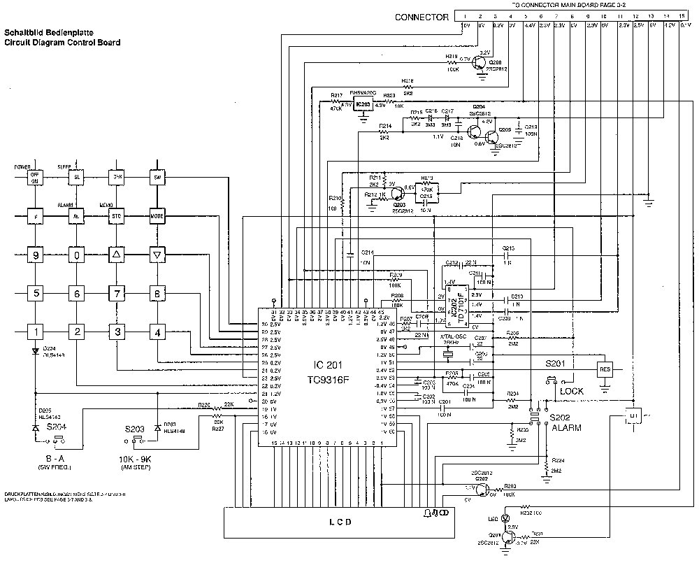
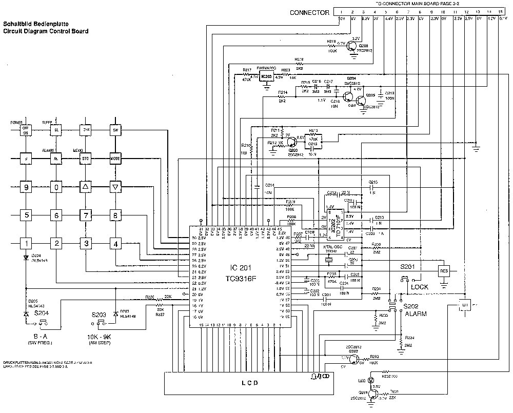
Nur Bedienplatte!

(Mein "Urlaublieblingsradio")
Reinhard

Datei-Anhänge
10435_gross.jpg 10435_gross.jpg (345x)

Mime-Type: image/jpeg, 77 kB

10435_2.jpg 10435_2.jpg (351x)

Mime-Type: image/jpeg, 172 kB

10435_3.jpg 10435_3.jpg (361x)

Mime-Type: image/jpeg, 156 kB

apollo gefällt der Beitrag.
!
!!! Fotos, Grafiken nur über die Upload-Option des Forums, KEINE FREMD-LINKS auf externe Fotos.    

!!! Keine Komplett-Schaltbilder, keine Fotos, keine Grafiken, auf denen Urheberrechte Anderer (auch WEB-Seiten oder Foren) liegen!
Solche Uploads werden wegen der Rechtslage kommentarlos gelöscht!

Keine Fotos, auf denen Personen erkennbar sind, ohne deren schriftliche Zustimmung.

Den Beitrag-Betreff bei Antworten auf Threads nicht verändern!
 1
 1
schützenden   Wellenbereiche   Abstimmung   Designqualität   Lautsprecher   Bedienplatte   Mignonzellen   Innovationen   Transistoren   Frequenzeingabe   Multifunktions-Display   Designwettbewerb   Reisebegleiter   permanent-dynamisch   down-Tasten   Urlaublieblingsradio   10er-Tastatur   Gerätestütze   Herstellungsjahr   Beschreibung