| Passwort vergessen?
Sie sind nicht angemeldet. |  Anmelden

Sprache auswählen:

Wumpus Gollum Forum von
Wumpus Welt der (alten) Radios
Sie sind nicht angemeldet.
 Anmelden

Schaltungsanalyse Regency
  •  
 1 2 3
 1 2 3
14.05.14 23:39
regency 

500 und mehr Punkte

14.05.14 23:39
regency 

500 und mehr Punkte

Re: Schaltungsanalyse Regency

Hallo Rainer,
habe noch eine Frage: Ist das nicht eine selbstschwingende ADDITIVE Mischstufe?



Schöne Grüße, Jan

Datei-Anhänge
TR1_part_schematic.gif TR1_part_schematic.gif (362x)

Mime-Type: image/gif, 9 kB

!
!!! Fotos, Grafiken nur über die Upload-Option des Forums, KEINE FREMD-LINKS auf externe Fotos.    

!!! Keine Komplett-Schaltbilder, keine Fotos, keine Grafiken, auf denen Urheberrechte Anderer (auch WEB-Seiten oder Foren) liegen!
Solche Uploads werden wegen der Rechtslage kommentarlos gelöscht!

Keine Fotos, auf denen Personen erkennbar sind, ohne deren schriftliche Zustimmung.

Den Beitrag-Betreff bei Antworten auf Threads nicht verändern!
15.05.14 07:01
wumpus 

Administrator

15.05.14 07:01
wumpus 

Administrator

Re: Schaltungsanalyse Regency

Hallo Jan,

genau so ist es: Selbstschwingende additive Mischstufe (so wie auch im Wumpus-Kompendium beschrieben: http://www.welt-der-alten-radios.de/komp...-2-253.html#132 )

Warum aber auf der Regency-Seite "multiplikative Mischstufe" stand, weiß ich nun auch nicht mehr. Ich habe das erste Textmodul (bei TR-1) kopiert und auch nach Umarbeitung bei den anderen Schaltbildern mitverwendet und somit auch den Fehler vervielfältigt.

Aber ich kann mich doch auf die Seitenbesucher verlassen, die "unerbittlich" Fehler aufspüren...

Also: Danke für den Hinweis.

Weiter habe ich bei den Texten zum Schaltbild auf den dort fehlenden Ohrhöreranschluß verwiesen. Man sieht, ich finde selbst auch noch Fehler .

Gruß von Haus zu Haus
Rainer (Forumbetreiber)

15.05.14 11:32
qw123 

500 und mehr Punkte

15.05.14 11:32
qw123 

500 und mehr Punkte

Re: Schaltungsanalyse Regency

Hallo zusammen,

wumpus:
genau so ist es: Selbstschwingende additive Mischstufe
bei Mischschaltungen mit nur einem bipolaren Transistor tippt man erst immer auf 'additive Mischung'.
In diesem Fall kann man aber auch anderer Meinung sein. Wahrscheinlich sollte man einfach nur von 'Mischschaltung' sprechen.

Kennzeichen der additiven Mischung sind
a) beide Signale werden der gleichen Steuerelektrode zugeführt. (Das ist hier nicht der Fall.)
b) die Summenspannung beider Signale steuert den Mischer, der zwingend eine (möglichst stark) gekrümmte Steuerkennlinie haben muß. D.h. Eingangs- und Ausgangssignal dürfen nicht proportional zueinander sein. Wären sie exakt proportional zueinander (= lineare Steuerkennlinie), so hätte man am Ausgang nur wieder die verstärkte Summenspannung beider Eingangssignale, also nur die beiden Eingangsfrequenzen, nicht aber Signal-Anteile mit der Frequenzdifferenz und der Frequenzsumme.

Kennzeichen der multiplikativen Mischung sind
a) beide Signale werden verschiedenen Eingängen des Mischers zugeführt.
b) die Steuerkennlinien sind (im wesentlichen) linear (= konstante Steigung im gesamten Aussteuerbereich).
c) die Steilheit der Steuerkennlinie für Signal A wird (als Ganzes) von dem Signal B verändert.

Für additive Mischung mit Röhren gibt es speziell dafür entworfene Typen mit starker Kennlinienkrümmung, z.B. ECC85.
Für multiplikative Mischung mit Röhren werden entsprechend Mehrgitterröhren verwendet, z.B. ECH81.

Bei bipolaren Transistoren findet man für additive Mischung Schaltungen ähnlich denen mit ECC85.
Für multiplikative Mischung mit Halbleitern kann man z.B. Dual-Gate-Mosfets entsprechend den Mehrgitterröhren verwenden.
Bei multiplikativer Mischung mit bipolaren Transistoren verwendet man (heute) meist Differenzverstärker (long tailed pair, in ICs), die emitterseitig mit einer Konstantstromquelle versorgt werden. Das Signal A wird dann den Basisanschlüssen zugeführt, das Signal B steuert die Konstantstromquelle.

Schaut man sich die 'Regency'-Schaltung an, findet man Ähnlichkeiten mit der multiplikativen Mischung.
Der Mischtransistor arbeitet als Oszillator in Basis-Grundschaltung, als Mischer in Emitter-Grundschaltung.
Die damals - Mitte der 1950er Jahre - verfügbaren Transistoren wären in Emitterschaltung möglicherweise garnicht zum Schwingen auf den hohen Oszillatorfrequenzen fähig gewesen.
Der relativ hochohmige Emitterwiderstand (10k) kann annähernd als Konstantstromquelle betrachtet werden, deren Strom von der Oszillatorspannung verändert wird. Dazu muß die Ankoppelwicklung vom Eingangskreis für die Oszillatorfrequenz eine niedrige Impedanz haben.
Um eine ausreichende Verstärkung der ZF zu erreichen, muß auch die Anzapfung der Oszillatorwicklung gegen Erde eine niedrige Impedanz für die ZF haben, damit sie den hochohmigen gegenkoppelnden Emitterwiderstand ausreichend gut überbrücken kann. Möglicherweise war sie mit dem Kondensator C4 als Saugkreis für die ZF abgestimmt.

Die Schaltung dürfte bei ihrer Entwicklung erheblichen Meßaufwand benötigt haben.
Auch ein Nachbau heute dürfte für optimales Ergebnis erheblichen Meßaufwand benötigen.

Gruß

Heinz

15.05.14 13:49
wumpus 

Administrator

15.05.14 13:49
wumpus 

Administrator

Re: Schaltungsanalyse Regency

Hallo Heinz,

Du siehst ja, wie die genaue Beschreibung der Unterschiede der additiven und multiplikativen Mischung über 30 Zeilen bei Dir lang geworden ist. Mit dem Ergebnis "sowie als auch".

Ein Beleg dafür, daß die Beschreibung nicht ganz einfach ist. Ich habe in Fachbüchern sowie die eine als auch die adere Variante als Erklärung gefunden.

Viele Fachbücher damals stellten auf Triodenröhre und Transistor als ähnlich zu einander. Und da meinte man hauptsächlich die Mischung erfolgte am Steuergitter.

Aber bei den selbstschwingenden Mischstufen nach dem Tridodenprinzip ist das auch nicht so einfach. Was passiert mit den Strömen in der Röhre, usw?

So habe ich darauf abgestellt, daß bei mehr als ein Steuergitter (mehr als eine Basis (Gate)) man halbwegs sicher von multiplikativer Mischung ausgehen kann.

Du hast Recht, wenn Du sagst: Lasse einfach "Additive" oder "Multiplikative" als Wortteil für Mischung weg.

Schon in meiner Berufsschulklasse gab es zwischen uns Lehrlingen und den beiden Lehrern Kunze und Krause Streit über die richtige Auslegung. Auch damals wurde sich widersprechendes "Beweismaterial" vorgelegt...

Ich denke, es wäre gut (um nicht auch 30 Zeilen auf der Regency-Seite zufügen zu müssen), "additiv" und "multiplikativ" zu entfernen.

Da in meinem geliebten Limann "Rundfunktechnik ohne Balast, Auflage 7, Seite 215 / 216 die im Regency in etwa angewandte Schaltung als additive selbstschwingende Mischstufe bezeichnet wird, lasse ich alles wie es ist...


Gruß von Haus zu Haus
Rainer (Forumbetreiber)

15.05.14 22:54
regency 

500 und mehr Punkte

15.05.14 22:54
regency 

500 und mehr Punkte

Re: Schaltungsanalyse Regency

Hallo zusammen,
mehr davon! Das macht Freude zu lesen und nachzuvollziehen.

@ Rainer: Genau den gleichen Limann, 7. Auflage aus dem Jahr 1963, habe ich auch. Für die additive Mischung sprechen auch Schaltbeispiele aus Lennartz/Taeger "Transistorschafltungstechnik" 1963 und Klemm RFT Service Rundfunkempfänger 1980.

@ Heinz: Die von dir beschrieben Kennzeichen der beiden Mischarten sind, soweit ich das beurteilen kann, völlig exakt.

Dehalb würde ich die Schaltung gern noch besser verstehen. Additive Mischung entsteht, wenn Lokalfrequenz fo und Oszillatorfrequenz fosz in Reihe liegen und das Summensignal dann nichtlinear verzerrt wird. Zum Beispiel an einer Diode.

Hier ist es so, dass die Oszillatorspannung (Schwingkreis-Anzapfung) über C4 zunächst zwischen Emitter und Masse liegt und von Masse über L2 - C1 mit vernachlässigbarer Impedanz an die Basis geführt wird. Deshalb schwingt das ganze in Basisschaltung.

Da fo über diese Ankopplung L2 eingespeist wird liegen Spannungen mit fo und fosz also immer in Reihe an der Basis-Emitter-Strecke an. Diese ist auch noch kurz oberhalb der Schwellenspannung gekrümmt. Wenn diese Nichtlinearität in erster Näherung quadratisch ist, so enstehen die beiden Mischfrequenzen fosz-fo und fosz+fo. Ansonsten auch weitere Mischfrequenzen. Ist an dieser Betrachtung etwas falsch?

Schöne Grüße, Jan

16.05.14 08:47
wumpus 

Administrator

16.05.14 08:47
wumpus 

Administrator

Re: Schaltungsanalyse Regency

Hallo Jan,

genau das ist ja für mich das Einschätzungsproblem.

Wenn es so ist, dass sozusagen der Oszillatorteil des Transistors in Basisschaltung arbeitet (also die Basis quasi den HF-Ruhepunkt darstellt), dann ist aber doch für die Eingangsfrequenz der Transistor in Emitterschaltung?

Gleichzeitig also Basis- und Emitterschaltung?

Oder liegt an der Basis (gegenüber Masse) nicht doch per Fakt gleichzeitig Fe und Fo an?

fe= Eingangsfrequenz
fo= Oszillatorfrequenz


Wenn nein, kann das aus meiner Sicht keine additive Mischung sein (so war damals (1964) beim Streitgespräch mit Berufsschullehrer Krause mein Standpunkt).


Gruß von Haus zu Haus
Rainer (Forumbetreiber)

16.05.14 13:55
qw123 

500 und mehr Punkte

16.05.14 13:55
qw123 

500 und mehr Punkte

Re: Schaltungsanalyse Regency

Hallo zusammen,

ich wollte in meinem vorangehenden Beitrag eigentlich keine große Diskussion auslösen oder gar Änderungen auf Rainers Webseite empfehlen.

Ich wollte eigentlich nur darauf hinweisen, daß es
a) wohl gelingt, die beiden Mechanismen der Oberwellenerzeugung - 'additiv' und 'multiplikativ' - klar zu definieren und gedanklich voneinander zu trennen, daß es
b) bei einer gegebenen Schaltung aber nicht immer möglich ist, diese Schaltung einer der beiden Kategorien klar zuzuteilen.

Wie im vorliegenden Fall sind manchmal eben gleichzeitig beide der genannten Mechanismen am Werk.

regency:
...Diese ist auch noch kurz oberhalb der Schwellenspannung gekrümmt. Wenn diese Nichtlinearität in erster Näherung quadratisch ist, so enstehen die beiden Mischfrequenzen fosz-fo und fosz+fo. Ansonsten auch weitere Mischfrequenzen.

Ist an dieser Betrachtung etwas falsch?
Nein.

Leider gibt es weder bei Röhren noch bei Halbleitern Kennlinien, die exakt quadratisch sind.
Praktisch entsteht deshalb außer der Summen- und Differenzfrequenz immer ein ganzes Spektrum an Oberwellen, die durch das ZF-Filter ausgefiltert werden müssen.
wumpus:
Gleichzeitig also Basis- und Emitterschaltung?
Ja.
wumpus:
Oder liegt an der Basis (gegenüber Masse) nicht doch per Fakt gleichzeitig Fe und Fo an?
Wenn Du "Basis (gegenüber Masse)" durch "Basis-Emitter-Strecke" ersetzt: ja.

Gruß

Heinz

17.05.14 07:33
wumpus 

Administrator

17.05.14 07:33
wumpus 

Administrator

Re: Schaltungsanalyse Regency

Hallo Heinz,

ich finde es gut, dass Du das "Additiv-Multiplikativ-Problem angesprochen hast. Mir ist die schon seit Jahrzehnten vergessene Diskussion mit meinen Berufsschullehren wieder ins Bewusstsein gekommen.

Interessant dabei finde ich insbesondere die Tatsache: Man findet in der Literatur der damaligen Zeit "additive Mischung" unterschiedlich - sich sogar widersprechende - Benennungen.

Haben wir es also bei der Regency-Schaltung mit einer Additiv-Multiplikativ-Mischung zu tun !?





Gruß von Haus zu Haus
Rainer (Forumbetreiber)

18.05.14 00:00
qw123 

500 und mehr Punkte

18.05.14 00:00
qw123 

500 und mehr Punkte

Re: Schaltungsanalyse Regency

Hallo Rainer und zusammen,

wumpus:
Hallo Heinz,
Haben wir es also bei der Regency-Schaltung mit einer Additiv-Multiplikativ-Mischung zu tun !?
so könnte man es formulieren.

Ohne genauere Kenntnis der Schaltung kann man nicht so viel darüber sagen.
Es hängt wohl von der Höhe der Oszillatorspannung ab - gemessen zwischen Emitter und Masse - ob hier additive oder multiplikative Mischung überwiegt.

Bei kleiner Oszillatorspannung - z.B <100mVss - könnte man wohl von einer überwiegend additiven Mischung sprechen. Je größer die Oszillatorspannung wird desto mehr wirkt der Transistor nur noch als Schalter, der die Verstärkung der Eingangsfrequenz ein- und ausschaltet. In diesem Fall würde man wohl eher von multiplikativer Mischung sprechen. Die Eingangsspannung wird dann wie bei einem Schaltermischer im Takt der Oszillatorfrequenz abwechselnd mit Null und Eins multipliziert.

Hier zeigt sich auch der Nachteil solch einfacher Mischschaltungen.
Eingangsspannungen von mehr als wenigen Millivolt werden wohl kaum noch sauber verarbeitet. Bei der kleinen Ferritantenne sind allerdings auch kaum größere Eingangsspannungen zu erwarten. Eine Regelung der Mischstufe ist auch nicht vorgesehen und dürfte auch schwierig hinzuzufügen sein.

Gruß

Heinz

19.05.14 20:34
regency 

500 und mehr Punkte

19.05.14 20:34
regency 

500 und mehr Punkte

Re: Schaltungsanalyse Regency

Hallo zusammen,
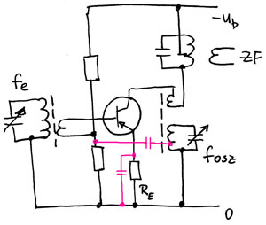
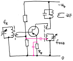
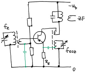
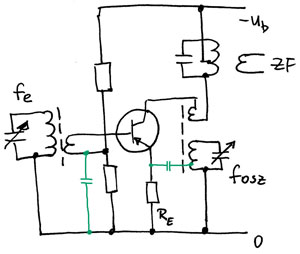
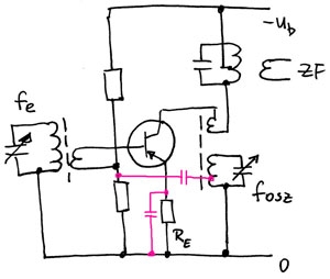
habe nochmal verschiedene Transistorradio-Schaltungen aus der Anfangszeit angesehen. Die notwendige Grenzfrequenz für den Oszillator schafften demnach die ersten Transistoren nicht in Emitterschaltung. Daher die Basisschaltung für den Oszillator mit Rückkopplung an den Emitter und gleichzeitig die Emitterschaltung für das Antennesignal.

Bei späteren selbstschwingenden Mischstufen mit Transistoren höherer Grenzfrequenz ging die Rückkopplung an die Basis. Der Emitterwiderstand wurde HF mäßig überbrückt.

Hier die Prinzipschaltbilder dazu.

Schöne Grüße, Jan

Datei-Anhänge
mischer1.jpg mischer1.jpg (407x)

Mime-Type: image/jpeg, 14 kB

mischer2.jpg mischer2.jpg (334x)

Mime-Type: image/jpeg, 14 kB

 1 2 3
 1 2 3
HF-Ströme-Verkopplungs-Sinn   Additiv-Multiplikativ-Mischung   Neutralisations-Kondensator   Schaltungsanalyse   Schwingkreis-Anzapfung   Modifizierungsvorschlag   1nF-Entkopplungskondensators   Transistorradio-Schaltungen   welt-der-alten-radios   Original-Service-Manual   Transistorstufen-Stabilität   Regency   Mischung   Funktechnik-Zeitschrift   Additiv-Multiplikativ-Problem   Transistorschafltungstechnik   Transistoren   Forumbetreiber   kOhm-Widerstand-Hinweis   Basis-Emitter-Strecke