| Passwort vergessen?
Sie sind nicht angemeldet. |  Anmelden

Sprache auswählen:

Wumpus Gollum Forum von
Wumpus Welt der (alten) Radios
Sie sind nicht angemeldet.
 Anmelden

Philips 476 und 996F. Was ist denn das für eine Schaltung?
  •  
 1 2
 1 2
31.08.19 11:56
wumpus 

Administrator

31.08.19 11:56
wumpus 

Administrator

Philips 476 und 996F. Was ist denn das für eine Schaltung?

Hallo zusammen,


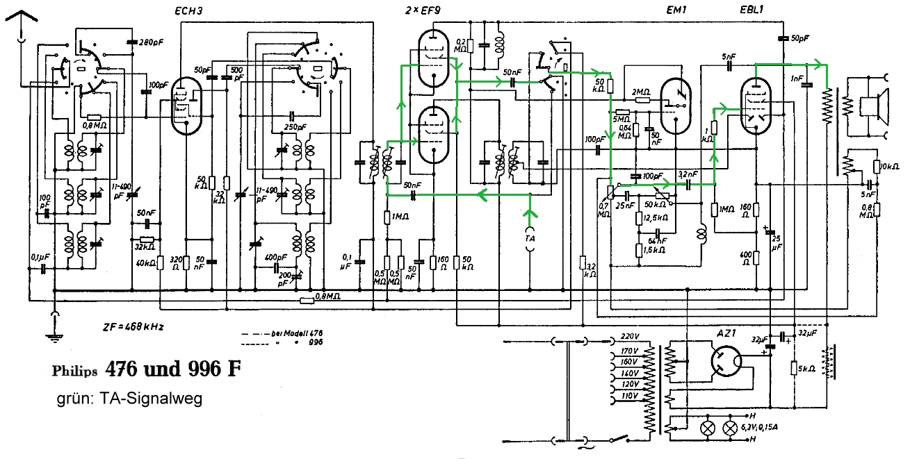
ich schaue mir immer gerne alten Radio-Schaltbilder an und spüre dabei hin und wieder besondere Schaltungskonzepte auf. Philips war damals für Trickschaltungen bekannt. So kam bald ein Philips 476 / 996F von 1940 in meinen Fokus.

Sofort beim ersten Blick fiel mir die ungewöhnliche Anordnung der ZF-Röhren (im Schaltbild übereinander) auf. Ich brauchte eine Weile, bis ich die HF / NF / Regelspannungs - Signalwege glaube erkannt zu haben. Die beiden ZF-Röhren wurden getrennt für ZF-NF und ZF-Regelspannung zu ebenfalls getrennten Gleichrichterstrecken verwendet. Habe ich so (glaube ich) noch nirgendwo anders so gesehen.

Dann, als ich dachte: Schaltung erkannt, alles gut, fiel mein Blick auf die TA-Buchse. Irgendwie war hier der Signalweg komisch. Beide ZF-Röhren "mußten" die NF verstärken und deren Schirmgitter wurden in Stellung TA zu Anoden.

Stimmen meine Vermutungen?







Grüße von Haus zu Haus
Rainer, DC7BJ (Forumbetreiber)

Welt der alten Radios:
http://www.welt-der-alten-radios.de

Wumpus-Gollum-Forum:
http://www.wumpus-gollum-forum.de/forum

Virtuelle Voxhaus-Gedenktafel:
http://www.voxhaus-gedenktafel.de

Wumpus bei youtube:
https://www.youtube.com/user/MyWumpus

Zuletzt bearbeitet am 31.08.19 12:03

Datei-Anhänge
476-996f-1.jpg 476-996f-1.jpg (376x)

Mime-Type: image/jpeg, 334 kB

476-996f-2.jpg 476-996f-2.jpg (365x)

Mime-Type: image/jpeg, 316 kB

Debo und ingodergute gefällt der Beitrag.
!
!!! Fotos, Grafiken nur über die Upload-Option des Forums, KEINE FREMD-LINKS auf externe Fotos.    

!!! Keine Komplett-Schaltbilder, keine Fotos, keine Grafiken, auf denen Urheberrechte Anderer (auch WEB-Seiten oder Foren) liegen!
Solche Uploads werden wegen der Rechtslage kommentarlos gelöscht!

Keine Fotos, auf denen Personen erkennbar sind, ohne deren schriftliche Zustimmung.

Den Beitrag-Betreff bei Antworten auf Threads nicht verändern!
01.09.19 19:55
wumpus 

Administrator

01.09.19 19:55
wumpus 

Administrator

Re: Philips 476 und 996F. Was ist denn das für eine Schaltung?

Hallo Rainer,

ich denke auch, dass das mit der TA -NF-Vorverstärkung über dann parallel geschaltete ZF-Röhren 2 x EF9 über die beiden Schirmgitter läuft. Der schirmgitterwiderstand 50 kOhm dürfte ausreichen.

Da hast Du tatsächlich eine Trickschaltung ausgegraben.


Grüße von Haus zu Haus
Rainer, DC7BJ (Forumbetreiber)

01.09.19 20:09
wumpus 

Administrator

01.09.19 20:09
wumpus 

Administrator

Re: Philips 476 und 996F. Was ist denn das für eine Schaltung?

Hallo Rainer,

freut mich, dass Du meine Ansicht zur TA-Verstärkung teilst. Mir ist noch eine weitere kleine Besonderheit bei der NF- Gegenkopplung aufgefallen:

Die Extragegenkopplungswicklung läuft wohl gegenphasig auf das heisse und kalte Ende des Lautstärkepotis. Die Wicklungsanzapfung führt zur Katode der Endröhre. Auch solche Gegenkopplungen könnte man sicher etwas einfacher gestalten. Aber Philips wird sich schon was dabei gedacht haben .


Grüße von Haus zu Haus
Rainer, DC7BJ (Forumbetreiber)

Welt der alten Radios:
http://www.welt-der-alten-radios.de

Wumpus-Gollum-Forum:
http://www.wumpus-gollum-forum.de/forum

Virtuelle Voxhaus-Gedenktafel:
http://www.voxhaus-gedenktafel.de

Wumpus bei youtube:
https://www.youtube.com/user/MyWumpus

01.09.19 21:34
wumpus 

Administrator

01.09.19 21:34
wumpus 

Administrator

Re: Philips 476 und 996F. Was ist denn das für eine Schaltung?

Hallo Rainer,

da sprichst Du gelassen ein großes Thema an. Ich bewundere immer wieder die teilweise unübersichtlichen Klangregelschaltungen, insbesondere von Nachkriegsschaltungen. Oft werden da Gegenkopplungen Bestandteil von Klangregelungen. Eine Gegenkopplung ist ja eigentlich primär für die Verbesserung des Klirrfaktors gedacht, wird aber immer wieder in die Klangregelung eingebunden. Da werden munter Hochpässe, Tiefpässe, Blenden, Schalter kombiniert. Manchmal denke ich, da spielten auch Patentfragen mit hinein.


Grüße von Haus zu Haus
Rainer, DC7BJ (Forumbetreiber)

02.09.19 11:38
wumpus 

Administrator

02.09.19 11:38
wumpus 

Administrator

Re: Philips 476 und 996F. Was ist denn das für eine Schaltung?

Hallo Rainer,

die Patentfrage hat bestimmt auch mit reingespielt. Ich habe auf meiner Klangregelung / Gegenkopplungs - Seite bei Wumpus Welt der Radios das Thema der komplexen Kombinationen von Klangregelung und Gegenkopplung angesprochen, aber das weißt Du ja .

Trotzdem hier noch mal der Link dorthin:

http://www.welt-der-alten-radios.de/h--p...gelung-505.html

Fast haben wir das Thema der doppelten ZF-Röhren-Trickschaltung beim Philips 476 aus den Auge verloren ...


Grüße von Haus zu Haus
Rainer, DC7BJ (Forumbetreiber)

Welt der alten Radios:
http://www.welt-der-alten-radios.de

Wumpus-Gollum-Forum:
http://www.wumpus-gollum-forum.de/forum

Virtuelle Voxhaus-Gedenktafel:
http://www.voxhaus-gedenktafel.de

Wumpus bei youtube:
https://www.youtube.com/user/MyWumpus

Zuletzt bearbeitet am 02.09.19 14:23

02.09.19 12:31
wumpus 

Administrator

02.09.19 12:31
wumpus 

Administrator

Re: Philips 476 und 996F. Was ist denn das für eine Schaltung?

Hallo Rainer,


ja gut, also nochmals die Doppel-ZF-Stufe: Hätte man mit zwei "normalen" hintereinander geschalteten ZF-Stufen und dann getrennter NF-Gleichrichtung-Röhrendiodenstrecke und weiterer Auskopplung des ZF-Signals zur Regelspannungs-Gleichrichtung-Röhrendiodenstrecke das selbe Ergebnis bekommen können?

Vielleicht konnte man mit den Doppel-Stufen den letzten AM-Kreis schmaler hinbekommen? War das Regelvolumen mit der Doppelstufe besser? Bleibt mir unklar.

Grüße von Haus zu Haus
Rainer, DC7BJ (Forumbetreiber)

Zuletzt bearbeitet am 02.09.19 14:18

02.09.19 19:26
ingodergute 

Moderator

02.09.19 19:26
ingodergute 

Moderator

Re: Philips 476 und 996F. Was ist denn das für eine Schaltung?

Hallo Rainer,

um Dein Selbstgespräch mal ein wenig zu unterbrechen/(hoffentlich) zu bereichern, hier meine Ansichten zum Schaltungsentwurf:

Die separate Verstärkung der HF für die Regelspannung könnte den Zweck haben, durch Verwendung eines einzelnen gedämpften Schwingkreises für die Regelung eine deutlich größere Bandbreite als für die Demodulation zu erreichen, was sich darin bemerkbar macht, daß das magische Auge beim Durchstimmen früher und länger reagiert und natüröich auch nicht so scharf (nebenbei, wäre eine ähnliche Schaltung beim Radio mit UKW-Flankendetektor geeignet, den abstimmenden Nutzer auf eine Flanke zu zwingen statt auf Feldstärkemaximum).

Die Parallelschaltung der ZF-Röhren zur NF-Verstärkung bei TA-Betrieb hätte evtl. den Vorteil, daß sich der Rauschanteil dieser Stufe verringert, falls das damals wirklich eine Rolle gespielt hat.

Die Klangregelung ist wirklich interessant. Ohne Regler bzw. im Mittelstellung selbigens könnten der aus den 5nF an der Endstufenanode und der masseseitigen Spule gebildete Serienschwingkreis evtl. eine 5kHz-Sperre bilden zur Unterdrückung des Pfefens bei benachberten Sendern im 5kHz-Raster auf Kurzwelle oder ein 9kHz-Sperre, zum Unterdrücken selbigen Effektes auf Mittelwelle. Wird der Klangregler in Richtung des 5nF verstellt, so werden die Höhen insgesamt beschnitten, wobei der Schwingkreis durch Überbrücken der Spule nicht mehr wirkt, Am anderen Ende des Klangregelpotis wird die Bassanhebung durch die gehörrichtige Lautstärkeregelung unwirksam, so daß es bei kleinen und mittleren Lautstärken weniger Bass gibt, bei gleichzeitig maximaler Wirkung des Serienschwingkreises, da dieser nun minimal bedämpft ist.

Insgesamt ist die Schaltung wirklich sehr interessant.

Viele Grüße

Ingo.


_____________
Analog bleiben!

02.09.19 20:07
ingodergute 

Moderator

02.09.19 20:07
ingodergute 

Moderator

Re: Philips 476 und 996F. Was ist denn das für eine Schaltung?

Hallo Rainer,

mir ist noch etwas aufgefallen:
Über die Gegenkopplungswicklung , den 0,8MOhm-Widerstand parallel zum 0,7MOhm Poti ist die Anode der Demodulationsdiode mit der Katodenspannung der Endröhre vorgespannt. Könnte das die Empfindlichkeit des Demodulators erhöhen - im Gegensatz zur Gleichrichtung der Regelspannung.

Viele Grüße

Ingo.


_____________
Analog bleiben!

03.09.19 15:41
wumpus 

Administrator

03.09.19 15:41
wumpus 

Administrator

Re: Philips 476 und 996F. Was ist denn das für eine Schaltung?

Hallo Ingo,


huch, doch doch eine Reaktion Hatte mich schon an das "Selbstgespräch" gewöhnt. Diese Verkopplung mit der Endstufenkatode hat mich auch etwas verwirrt, wobei diese Vorspannung wohl für beide Dioden wirkt.

Grüße von Haus zu Haus
Rainer, DC7BJ (Forumbetreiber)

Welt der alten Radios:
http://www.welt-der-alten-radios.de

Wumpus-Gollum-Forum:
http://www.wumpus-gollum-forum.de/forum

Virtuelle Voxhaus-Gedenktafel:
http://www.voxhaus-gedenktafel.de

Wumpus bei youtube:
https://www.youtube.com/user/MyWumpus

03.09.19 16:02
ingodergute 

Moderator

03.09.19 16:02
ingodergute 

Moderator

Re: Philips 476 und 996F. Was ist denn das für eine Schaltung?

Hallo Rainer,

jetzt, wo Du es schreibst, fällt mir noch eine Merkwürdigkeit auf:
Also erstmal wirkt die Vorspannung natürlich nur für die Regelung, was wohl eine verzögerte Regelung sorgt, denn die Anodenseite des Regelspannungsgleichrichters hat keinen Arbeitswiderstand irgendwo hin außer dem Gitter der Eingangsröhre! Für den Demodulationsgleichrichter wird die Wirkung der Katodenspannung aufgehoben dadurch, daß beide Enden der Diode gleichspannungsmäßig an der Katodenspannung liegen.

Viele Grüße

Ingo.
_____________
Analog bleiben!

Zuletzt bearbeitet am 03.09.19 16:04

 1 2
 1 2
gleichspannungsmäßig   NF-Gleichrichtung-Röhrendiodenstrecke   ZF-Röhren-Trickschaltung   Wumpus-Gollum-Forum   Serienschwingkreises   Schaltung   Regelspannungsgleichrichters   Gegenkopplungswicklung   gewöhnungsbedürftig   Demodulationsgleichrichter   Philips   Regelspannungs-Gleichrichtung-Röhrendiodenstrecke   Voxhaus-Gedenktafel   Extragegenkopplungswicklung   schirmgitterwiderstand   welt-der-alten-radios   Gleichrichterstrecken   Nachkriegsschaltungen   Forumbetreiber   Klangregelschaltungen