| Passwort vergessen?
Sie sind nicht angemeldet. |  Anmelden

Sprache auswählen:

Wumpus Gollum Forum von
Wumpus Welt der (alten) Radios
Sie sind nicht angemeldet.
 Anmelden

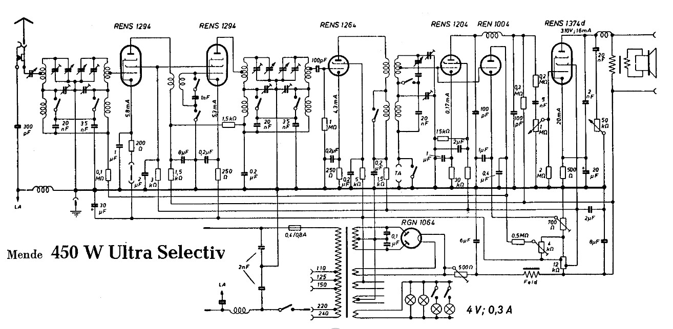
Mende 450W Ultra Selectiv
  •  
 1
 1
24.08.19 11:23
wumpus 

Administrator

24.08.19 11:23
wumpus 

Administrator

Mende 450W Ultra Selectiv

Hallo zusammen,

hin und wieder stoße ich beim "Blättern" in alten Radioschaltbildern auf gewisse Besonderheiten in Radios. Vielleicht haben ja auch andere Forum-Nutzer Freude an der Analyse solcher Schaltungen ...

Neben den üblichen Durchschnittsradios des Jahrgangs 1934 gab es auch das eine oder andere besondere Radio. Der Mende 450W Ultra Selectiv gehört sicher unbedingt dazu.

Es gibt mindest zwei Besonderheiten, die das Radio besonders macht.

Wer erkennt diese Features? (Ist aber kein Preisrätsel ).


-- anklicken --

Eine dieser Besonderheiten führte übrigens zu einer gewissen Instabilität der Empfängers.


Grüße von Haus zu Haus
Rainer, DC7BJ (Forumbetreiber)

Welt der alten Radios:
http://www.welt-der-alten-radios.de

Wumpus-Gollum-Forum:
http://www.wumpus-gollum-forum.de/forum

Virtuelle Voxhaus-Gedenktafel:
http://www.voxhaus-gedenktafel.de

Wumpus bei youtube:
https://www.youtube.com/user/MyWumpus

Zuletzt bearbeitet am 24.08.19 11:34

Datei-Anhänge
mende-450w-ultra-selectiv-besonderheiten.jpg mende-450w-ultra-selectiv-besonderheiten.jpg (357x)

Mime-Type: image/jpeg, 177 kB

Noch gefällt der Beitrag keinem Nutzer.
!
!!! Fotos, Grafiken nur über die Upload-Option des Forums, KEINE FREMD-LINKS auf externe Fotos.    

!!! Keine Komplett-Schaltbilder, keine Fotos, keine Grafiken, auf denen Urheberrechte Anderer (auch WEB-Seiten oder Foren) liegen!
Solche Uploads werden wegen der Rechtslage kommentarlos gelöscht!

Keine Fotos, auf denen Personen erkennbar sind, ohne deren schriftliche Zustimmung.

Den Beitrag-Betreff bei Antworten auf Threads nicht verändern!
24.08.19 11:42
WoHo 

500 und mehr Punkte

24.08.19 11:42
WoHo 

500 und mehr Punkte

Re: Mende 450W Ultra Selectiv

Hallo Radiofreunde

Ich erkenne als Besonderheiten:

a) 3fache HF Verstärkung vor dem Anodengleichrichter
b) 5fach abgestimmte Kreise
c) obwohl ein Geradeausempfänger, hat er doch eine automatische Schwundregelung

Zu b)
Das ist nur von Vorteil, wenn man Interesse in Fernempfang hat. Dies ist aber nur für einen kleinen Teil der Hörer der Fall !!
Die hohe Selektivität geht auf Kosten der Wiedergabe der hohen Klanganteile.

Gruß aus NL, Wolfgang

Zuletzt bearbeitet am 24.08.19 11:48

24.08.19 16:33
ingodergute 

Moderator

24.08.19 16:33
ingodergute 

Moderator

Re: Mende 450W Ultra Selectiv

Hallo Rainer,

eine der Besonderheiten könnte die bei Einstecken der externen Antenne abgeschaltete Rahmenantenne sein. Bei einem Geradeausempfänger mit hoher Selektion und hoher HF-Verstärkung könnte es bei Nutzung der Rahmenantenne erhöhte Schwingneigung geben.

Viele Grüße

Ingo.

_____________
Analog bleiben!

24.08.19 18:19
wumpus 

Administrator

24.08.19 18:19
wumpus 

Administrator

Re: Mende 450W Ultra Selectiv

Hallo zusammen,

ja, das Gerät hatte gar nicht so selten Probleme mit Eigenschwingen, der hohen Gesamtverstärkung über 4 Stufen zufolge. Oder aber der Gleichlauf der 5 Kreise machte Abgleichprobleme bezogen auf das gesamte Rundfunkband.

Genau, eine der Besonderheiten war die Fading-Regelung. Hier wurde sogar eine zusätzlich Triode spendiert, um hohe Regelwerte zu erhalten.

Der Mende gehörte zu den wenigen 5-Kreisern auf dem Markt. Er verwendete 2 Bandfilter und einen Einzelkreis. Wenn der gut abgeleichen wurden, frische Röhren und eine gute Antenne hatte, war das ein begnadeter Fernempfänger.

Mehr zum Mende 450W Ultra Selectiv auch hier:

http://www.welt-der-alten-radios.de/auss...detail-427.html



Grüße von Haus zu Haus
Rainer, DC7BJ (Forumbetreiber)

Welt der alten Radios:
http://www.welt-der-alten-radios.de

Wumpus-Gollum-Forum:
http://www.wumpus-gollum-forum.de/forum

Virtuelle Voxhaus-Gedenktafel:
http://www.voxhaus-gedenktafel.de

Wumpus bei youtube:
https://www.youtube.com/user/MyWumpus

Zuletzt bearbeitet am 24.08.19 18:29

24.08.19 19:45
WoHo 

500 und mehr Punkte

24.08.19 19:45
WoHo 

500 und mehr Punkte

Re: Mende 450W Ultra Selectiv

Ein Nachteil der hohen Kreiszahl sind die damit verbundenen Gleichlaufprobleme, wie schon erwähnt.

Da fällt mir ein , dass in der Vergangenheit im Radiomuseum eine theoretische Abhandlung präsentiert wurde.
https://www.radiomuseum.org/forum/nf_ver...m_superhet.html

Kurz gefasst bedeutet das, dass durch eine unsymmetrische Durchlasskurve ein Seitenband mehr oder weniger geschwächt an den Detektor gelangt, was zu zusätzlichen Verzerrungen führt. Dabei ist es egal, ob Superhet oder Geradeausempfänger mit hoher Selektion, wie der MENDE 450W...


Gruß aus NL, Wolfgang

25.08.19 08:58
WalterBar 

500 und mehr Punkte

25.08.19 08:58
WalterBar 

500 und mehr Punkte

Re: Mende 450W Ultra Selectiv

Hallo zusammen,

es ist eigentlich alles schon gesagt. Als Besonderheit möchte ich noch die Schirmgitterröhre RENS1204 anführen, die beim Erscheinen des Radios (1934!) schon nicht mehr aktuell war (1927-1931, 2,5 Millionen mal produziert) und von den Typen RENS1264 (ab 1931) und später RENS1284 (ab 1932) sowie AF7 (ab 1934) abgelöst wurde. Wahrscheinlich passt sie hier wegen der mässigen Steilheit ins Konzept.

Zufällig habe ich eine funktionierende RENS1204 von 1928 aus Frankreich erhalten:



Ein durchaus seltenes Stück mit 6cm Durchmesser, aber schon abgeschirmt. Offenbar hat jemand die Schirmung entfernt.

Gruss
Walter

Zuletzt bearbeitet am 25.08.19 09:12

Datei-Anhänge
RENS1204.jpg RENS1204.jpg (353x)

Mime-Type: image/jpeg, 204 kB

25.08.19 10:50
WoHo 

500 und mehr Punkte

25.08.19 10:50
WoHo 

500 und mehr Punkte

Re: Mende 450W Ultra Selectiv

@ Walter
Gratulation zur "alten" RENS 1204

Bekanntlich lässt die graue Abschirmschicht durch Alterung los. Daher wird der Rest auch noch entfernt.
Jedoch im MENDE 450W wird das mit Sicherheit zu Schwingneigungen führen....

Angenommen ich hätte damals(!) so ein Radio mein eigen nennen dürfen, dann könnte ich es nicht lassen, die Kiste zu verbasteln !!



Warum?
Um in den Genuss der optimalen Wiedergabe des Ortssenders zu kommen darf die Bandbreite nicht zu schmal sein. Weiterhin ist von einer Diodengleichrichtung ein verzerrungsarmerer Klang zu erwarten.
Bei einem bestimmten Typ "Ultramar" von Körting wurde das bereits praktiziert.

EDIT:
Ich denke, dass bei einem starken Ortsempfang die Antennenspannung hoch genug ist, um die HF für die Diodengleichrichtung an der Anode der 2. HF Vorstufe abzunehmen...

Gruß aus NL, Wolfgang

Zuletzt bearbeitet am 25.08.19 10:58

Datei-Anhänge
mende-450w-ultra-selectiv-Orstempfang.jpg mende-450w-ultra-selectiv-Orstempfang.jpg (333x)

Mime-Type: image/jpeg, 281 kB

25.08.19 10:52
wumpus 

Administrator

25.08.19 10:52
wumpus 

Administrator

Re: Mende 450W Ultra Selectiv

Hallo zusammen,

genau genommen gibt eine weitere kleine Besonderheit: Ein Drehkondensator am Antenneneingang kann von aussen vorn bedient werden, um damit die Antenne nach Wunsch ankoppeln zu können. Auf der Rechteckskala oben gibt es ein kleines Fenster, dass nach meiner Meinung den Grad der Ankopplung anzeigt, habe noch nirgendwo anders einen Hinweis darauf gefunden. Ist also noch nicht gesichert!? Warum? Weil:

Das Gerät sollte folgende Bedienelemente haben: 1) Lautstärke, 2) Frequenz, 3) Band, 4) Klangblende und (eben) 5) Antennenkopplung. Es gibt aber nur 4 Knöpfe. Ist also einer doppelt belegt??? An der Rückseite gibt es einen Bedienknopf , könnte das der erwähnte Drehko sein??? Gibt ja im Gerät noch andere Einsteller.

Das Thema habe ich auch im Wumpus-Online-Museum angesprochen:
http://www.welt-der-alten-radios.de/auss...detail-427.html



Noch eine Anmerkung zu der Durchlasskurve der HF-Kreise. Die soll so justiert worden sein, dass 4,5 KHz über das Band hinweg erreicht werden.

Man findet unterschiedliche Angaben zu der Zahl der HF-Stufen: 3 Stufen und 4 Stufen. Ich denke, hier kommt es daruf an, wie man rechnet.

Zählt man jede Stufe, wo am Steuergitter HF ansteht, dann sind es 4 HF-Stufen, zählt man die Anodengleichrichterstufe extra, sind es 3 HF-Stufen ...


Grüße von Haus zu Haus
Rainer, DC7BJ (Forumbetreiber)

Welt der alten Radios:
http://www.welt-der-alten-radios.de

Wumpus-Gollum-Forum:
http://www.wumpus-gollum-forum.de/forum

Virtuelle Voxhaus-Gedenktafel:
http://www.voxhaus-gedenktafel.de

Wumpus bei youtube:
https://www.youtube.com/user/MyWumpus

Zuletzt bearbeitet am 25.08.19 11:17

25.08.19 11:35
wumpus 

Administrator

25.08.19 11:35
wumpus 

Administrator

Re: Mende 450W Ultra Selectiv

Hallo zusammen,

noch eine kleine Ungereimtheit (siehe mein Vorbeitrag): Der Großhandelskatalog 1934/35 (von Radio-Fricke) nennt das Gerät mit drei Wellenbereichen: LW, MW, KW. Das obige (Startbeitrag) Schaltbild hat aber nur eine Umschaltung (LW / MW) und jeweils 2 Spulen.

-------------------

Nochmals zum kleinen Fenster auf der Skalenscheibe: Dort steht aber auch bei den Bedienelementen: Lautstärkeregler, Empfindlichkeitswähler, Tonblende. Wähler, das könnte tatsächlich auf eine andere Form der Bedienbarkeit hinweisen.


Grüße von Haus zu Haus
Rainer, DC7BJ (Forumbetreiber)

Welt der alten Radios:
http://www.welt-der-alten-radios.de

Wumpus-Gollum-Forum:
http://www.wumpus-gollum-forum.de/forum

Virtuelle Voxhaus-Gedenktafel:
http://www.voxhaus-gedenktafel.de

Wumpus bei youtube:
https://www.youtube.com/user/MyWumpus

Zuletzt bearbeitet am 25.08.19 14:36

 1
 1
Anodengleichrichterstufe   Forumbetreiber   Geradeausempfänger   Besonderheiten   Selectiv   Antennenkopplung   Gleichlaufprobleme   Radioschaltbildern   Schirmgitterröhre   verzerrungsarmerer   welt-der-alten-radios   Durchschnittsradios   Großhandelskatalog   Gesamtverstärkung   Wumpus-Gollum-Forum   Diodengleichrichtung   Anodengleichrichter   Voxhaus-Gedenktafel   Wumpus-Online-Museum   bearbeitet