| Passwort vergessen?
Sie sind nicht angemeldet. |  Anmelden

Sprache auswählen:

Wumpus Gollum Forum von
Wumpus Welt der (alten) Radios
Sie sind nicht angemeldet.
 Anmelden

Wechselspannungsheizung und Anodenspannungserzeugung
  •  
 1 2
 1 2
20.11.14 10:13
Matu 

500 und mehr Punkte

20.11.14 10:13
Matu 

500 und mehr Punkte

Wechselspannungsheizung und Anodenspannungserzeugung

Hallo

...Ich brauche ein paar Tipps....

Ich will eine Wechselspannungsheizung kombiniert mit einer Anodenspannungsversorgung benutzen.

Verwendet habe ich folgende Schaltung:



Der Versuchsaufbau von 2 Komponenten:
Der eine auf einem Steckbrett und der andere in einem Chassis.
Die Verbindung beider Komponenten fliegend.
Die Anodenspannung wird über einen Längstransistor stabilisiert (auf 24V). Ein separater Siebblock ist nicht vorgesehen.

Und es brummt......
Wird die Anodenspannung durch eine Batterie bereitgestellt ist das Brummen (logischerweise) verschwunden.

Was ist bei der Leitungsführung zu beachten?....und was sonst noch.....

Matu

Datei-Anhänge
delon.JPG delon.JPG (324x)

Mime-Type: image/jpeg, 15 kB

Noch gefällt der Beitrag keinem Nutzer.
!
!!! Fotos, Grafiken nur über die Upload-Option des Forums, KEINE FREMD-LINKS auf externe Fotos.    

!!! Keine Komplett-Schaltbilder, keine Fotos, keine Grafiken, auf denen Urheberrechte Anderer (auch WEB-Seiten oder Foren) liegen!
Solche Uploads werden wegen der Rechtslage kommentarlos gelöscht!

Keine Fotos, auf denen Personen erkennbar sind, ohne deren schriftliche Zustimmung.

Den Beitrag-Betreff bei Antworten auf Threads nicht verändern!
20.11.14 11:57
qw123 

500 und mehr Punkte

20.11.14 11:57
qw123 

500 und mehr Punkte

Re: Wechselspannungsheizung und Anodenspannungserzeugung

Hallo Matu,

Matu:
Und es brummt......
natürlich, Heizung und Anodenspannung haben keine gemeinsame Masse.
Matu:
Was ist bei der Leitungsführung zu beachten?....und was sonst noch.....
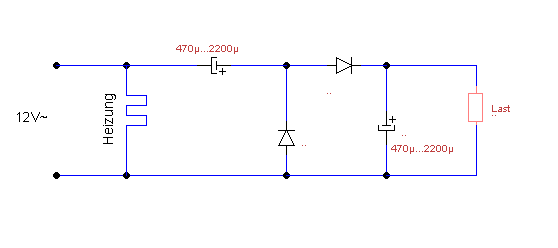
Vielleicht eine andere Schaltung für die Anodenspannung nehmen?

Kapazität der Elkos je nach Anodenstrombedarf.

Gruß

Heinz

Datei-Anhänge
Netzteil.png Netzteil.png (312x)

Mime-Type: image/png, 4 kB

20.11.14 12:08
Antennow

nicht registriert

20.11.14 12:08
Antennow

nicht registriert

Re: Wechselspannungsheizung und Anodenspannungserzeugung

Matu:
Hallo

...Ich brauche ein paar Tipps....

Ich will eine Wechselspannungsheizung kombiniert mit einer Anodenspannungsversorgung benutzen.

Verwendet habe ich folgende Schaltung:



Der Versuchsaufbau von 2 Komponenten:
Der eine auf einem Steckbrett und der andere in einem Chassis.
Die Verbindung beider Komponenten fliegend.
Die Anodenspannung wird über einen Längstransistor stabilisiert (auf 24V). Ein separater Siebblock ist nicht vorgesehen.

Und es brummt......
Wird die Anodenspannung durch eine Batterie bereitgestellt ist das Brummen (logischerweise) verschwunden.

Was ist bei der Leitungsführung zu beachten?....und was sonst noch.....

Matu

Grüß Dich Matu,

wenn die Röhren indirekt geheizt sind und keinen Isolationsfehler zwischen Heizfaden und Katode haben, ist das Brummen durch mangelhafte Glättung der Anodenspannung zu erklären.
Ich würde die Schaltung auch etwas umbauen, damit die Heizspannung nicht mit dem Pluspol der Anodenspannung zusammenhängt.



Eine Siebschaltung würde ich ebenfalls empfehlen, denn die Spannung an den Ladekondensatoren kann lastabhängig unter Deine angestrebte Anodenspannung absinken, so daß der Längstransistor diese nicht stabil halten kann.

Datei-Anhänge
Stromversorgung.JPG Stromversorgung.JPG (318x)

Mime-Type: image/pjpeg, 31 kB

20.11.14 17:45
technikfreund 

500 und mehr Punkte

20.11.14 17:45
technikfreund 

500 und mehr Punkte

Re: Wechselspannungsheizung und Anodenspannungserzeugung

Hallo Matu!

Kleiner Tipp noch von mir.

Falls es sich um Hochfrequenzschaltungen handelt, ggf. auch für andere Schaltungen interessant, habe ich die Erfahrung gemacht das

Brummprobleme erst zu lösen waren, nachdem ich den Netzeingang des Röhrengerätes komplett
(Anodenspannung, Masse + beide Leitungen zur Heizung) verdrosselt hatte.

Viele Grüße Technikfreund.

20.11.14 21:15
Matu 

500 und mehr Punkte

20.11.14 21:15
Matu 

500 und mehr Punkte

Re: Wechselspannungsheizung und Anodenspannungserzeugung

Hallo

Am Wochenende werde ich mal das ganze Teil komplett fest aufbauen, und die Leitungen kürzen bzw. fest verlegen.

@gw123: Die Schaltung werde ich auf jeden Fall ausprobieren , sowas hab ich schon mal bei Jogi in der Bude gesehen....


Das Phänomen ist ja das der stärkste Sender, brummfrei und klar reinkommt. Wenn ich die Rückkopplung stärker aufdrehe, hört es sich so an als ob die NF übersteuert und es fängt an zu brummen.....(Typisch 50Hz)...

Wie gesagt werde ich erst einmal die offensichtlichen Unzulänglichkeiten beseitigen.....

@Technikfreund

Was bedeutet "Verdrosseln"....????

Die Variante mit Durchführungskondensatoren ist mir klar.....

Meinst Du mit Verdrosseln ...solche kleinen hübsche Drosseln in die Zuleiteungen zu basteln?




Matu

Datei-Anhänge
Drossel.JPG Drossel.JPG (379x)

Mime-Type: image/jpeg, 11 kB

15.12.14 19:03
Herrmann 

500 und mehr Punkte

15.12.14 19:03
Herrmann 

500 und mehr Punkte

Re: Wechselspannungsheizung und Anodenspannungserzeugung

Hallo,

auch mit der von Heinz vorgeschlagenen Villardschaltung bleibt noch der Nachteil, daß keine erdsymmetrische Heizspannung zur Verfügung steht.

Da im Netzteil ohnehin Halbleiter erlaubt sind, würde ich jeden Heizfaden mit einer Einweg-Gleichrichtung, einem Elko und einem Längsregler mit DC versorgen. Dabei würde ich gleich viele negative wie positive Heizkreise aufbauen, so daß der Trafo möglichst wenig mit DC-Anteil beaufschlagt wird. Man kann alle Röhren auch in 2 Gruppen mit möglichst gleichem Heizstrom aufteilen, dann sinds nur 2 Heizkreise.

Gruß
Herrmann

15.12.14 19:49
Pluspol 

500 und mehr Punkte

15.12.14 19:49
Pluspol 

500 und mehr Punkte

Re: Wechselspannungsheizung und Anodenspannungserzeugung

Hallo Technikfreund


Wie sieht Deine Verdrosselung aus? Welche Spulen oder Sonstiges verwendest Du dabei? Eine Skizze mit Windungszahlen und Wickeldurchmesser wäre interessant.

Freundliche Grüße von Dietmar

15.12.14 22:53
technikfreund 

500 und mehr Punkte

15.12.14 22:53
technikfreund 

500 und mehr Punkte

Re: Wechselspannungsheizung und Anodenspannungserzeugung

Hallo Dietmar!

Ich verwende VK 200 Drosseln oder auch zur Zeit eine andere Ferritkerndrossel mit 13µH (habe davon eine ganze Kiste voll bekommen, funktionieren gut und sind isoliert.)

Aufbau siehe Foto, die Spannung wird über eine DIN Buchse zugeführt und dann sind dicht daran die Drosseln. Ggf. kann man auch eine Drossel weglassen, ist halt etwas zum ausprobieren bis der Brumm weg ist.

Viele Grüße Technikfreund.



Zuletzt bearbeitet am 15.12.14 23:01

Datei-Anhänge
Verdrosselung..jpg Verdrosselung..jpg (351x)

Mime-Type: image/jpeg, 212 kB

15.12.14 23:27
Antennow

nicht registriert

15.12.14 23:27
Antennow

nicht registriert

Re: Wechselspannungsheizung und Anodenspannungserzeugung

Grüß Dich Matu und die Runde,

wenn Deine Röhren in Ordnung sind, d.h. hier vor allem, diese haben eine einwandfreie Isolierung zwischen Heizfaden und Kathode,
dann gibt es im Wesentlichen folgende Möglichkeiten, die das Brummen bewirken können.

1. Anodenspannung ist nicht hinreichend geglättet.
2. ungünstige Verdrahtung Deiner Schaltung, dadurch Einkopplung von Störspannung (Netzspannung) in den Signalweg,
3. sogenanntes "abstimmbares Brummen" (Modulation der Antennenspannung durch den Netzgleichrichter),

Es gibt ein paar technische Regeln, die beachtet werden müssen, wenn man hohe Signalverstärkung, wie beim Audion, anstrebt:

1. möglichst Aufbau auf abschirmendem Chassis (kein Patch-Board),
2. die Fußpunkte aller Verstärkerstufen werden sternförmig an Masse / Chassis gelegt, über kürzeste und dicke Leitungsführung,
3. der Minuspol der Anodenspanng sollte an der Endstufe liegen, vor allem auch die Siebkondensatoren,
4. die Gitterkombination der Audionröhre sollte abgeschirmt sein (Abschirmblech an Masse legen), ebenfalls diese Röhre abschirmen,
5. die Dioden für die Anodenspannungsversorgung sollten für HF kurzgeschlossen sein (Überbrückung mit 10 nF),
6. die Anodenspannung für hoch verstärkende Vorstufen (Audion) wird besonders gut geglättet (extra Siebglied),

Bau Deine Schaltung doch mal sorgfältig nach diesen Kriterien auf. Ich kann mir nicht vorstellen, daß die Schaltung dann noch brummt.
Ich habe ein "Notradio" aus der Nachkriegszeit: Endstufe, NF-Vorstufe, Audionstufe. Das Radio hat ein Chassis aus Pertinax und ist nach diesen Regeln sauber verdrahtet. Ohne Antennensignal und bei voll aufgedrehtem Lautstärkeregler hört man das Röhrenrauschen aber kein Brummen.

Seid gegrüßt, Rainer

16.12.14 09:42
Matu 

500 und mehr Punkte

16.12.14 09:42
Matu 

500 und mehr Punkte

Re: Wechselspannungsheizung und Anodenspannungserzeugung

Hallo

@Technikfreund, Antennov, Pluspol, Herrmann

Danke für die Antworten.....

Die Spannungsversorgung war ja für den UKW Empfänger (Bastelwettbewerb) gedacht, allerdings habe ich jetzt einen
Radiomann- Nachbau in der "Mache" da kann ich die Stromversorgung einsetzen.
Das Problem ist aber auch , dass ich erst einmal einen Versuchsaufbau ( meist wild verdrahtet) aufbaue um zu testen....
Ich werde auf jeden Fall versuchen die Hinweise in der Schaltung umzusetzen.....


Matu

 1 2
 1 2
Anodenspannungsversorgung   Einweg-Gleichrichtung   Vervielfacherdioden   Leitungsführung   Wechselspannungsheizung   Ladekondensatoren   Anodenspannungserzeugung   Siebkondensatoren   Spannungsversorgung   Gitterkombination   Technikfreund   Unzulänglichkeiten   Anodenspannung   Lautsprecherausgabe   Schaltung   Standart-Superhetschaltung   Schaltkapazitäten   Wechselstromheizung   Durchführungskondensatoren   Hochfrequenzschaltungen