| Passwort vergessen?
Sie sind nicht angemeldet. |  Anmelden

Sprache auswählen:

Wumpus Gollum Forum von
Wumpus Welt der (alten) Radios
Sie sind nicht angemeldet.
 Anmelden

Röhre EF 86 heizt nicht richtig
  •  
 1 2 3 4 5
 1 2 3 4 5
07.12.09 17:30
InPe 

50-99 Punkte

07.12.09 17:30
InPe 

50-99 Punkte

Re: Röhre EF 86 heizt nicht richtig

Hallo Wolle,
danke für die Erklärung, jetzt weis ich wie das gemeint ist.
Ich muß nochmal wegen der negativen Spannung rückfragen. Pin 9 auch gegen Masse messen?

Vielen Dank, auch für die viele Geduld mit mir.
Liebe Grüße
Ingo

!
!!! Fotos, Grafiken nur über die Upload-Option des Forums, KEINE FREMD-LINKS auf externe Fotos.    

!!! Keine Komplett-Schaltbilder, keine Fotos, keine Grafiken, auf denen Urheberrechte Anderer (auch WEB-Seiten oder Foren) liegen!
Solche Uploads werden wegen der Rechtslage kommentarlos gelöscht!

Keine Fotos, auf denen Personen erkennbar sind, ohne deren schriftliche Zustimmung.

Den Beitrag-Betreff bei Antworten auf Threads nicht verändern!
07.12.09 17:44
Wolle 

500 und mehr Punkte

07.12.09 17:44
Wolle 

500 und mehr Punkte

Re: Röhre EF 86 heizt nicht richtig

Hallo Ingo.

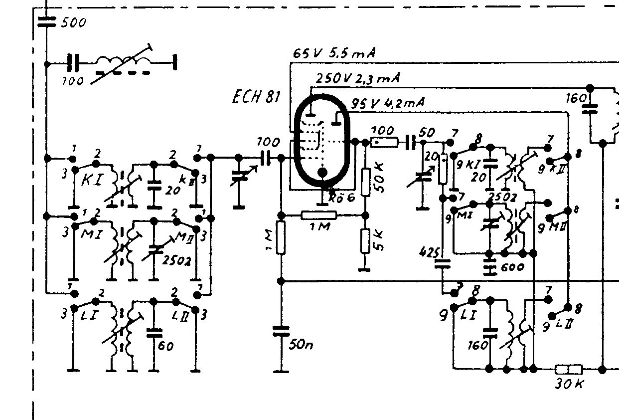
Wenn es nicht anders angegeben ist, werden Spannungsmessungen gegen Masse durchgeführt. Wenn der Oszillator schwingt und eine HF- Spannung erzeugt, wird durch Gleichrichtung eine negative Richtspannung aufgebaut, die sich mit einem hochohmigen Meßgerät messen läßt. Hier sind nach meiner Erinnerung etwa Minus 10 Volt zu erwarten. Ist diese Spannung vorhanden, so müssen wir uns weiter mit dem Drehko und seiner Zuschaltung zu der Spule des eingeschalteten Wellenbereiches befassen. Grundsätzlich muß schon Empfang möglich sein, wenn sich der Oszillator abstimmen läßt. Der Vorkreis ist nicht zwingend notwendig. Speist man hinter dem Kondensator 100 pF am Gitter 1 des H- Systems der ECH81 ein Antennensignal ein, sind also bereits Sender einstellbar.
Bitte auch kontrollieren, ob die Schieber K, M und L betätigt werden. Wie sehen die Spannungen an der Mischstufe aus, wenn keine Taste gedrücckt wird, das heißt wenn alle tasten ausgerastet sind?

Mit vielen Grüßen.
Wolle

Zuletzt bearbeitet am 08.12.09 08:24

Datei-Anhänge
ultra_misch.png ultra_misch.png (416x)

Mime-Type: image/x-png, 24 kB

09.12.09 19:36
InPe 

50-99 Punkte

09.12.09 19:36
InPe 

50-99 Punkte

Re: Röhre EF 86 heizt nicht richtig

Hallo Wolle,

entschuldige, das ich mich erst jetzt melde.
Musste gestern und heute Überstunden schrubben und bin nicht an mein Radio gekommen.
Nur zwei Sachen. Die Schieber von L, M, K gehen alle ordentlich.
Die negative Spannung hab ich gemessen mit Digi-Multimeter und gedr. MW Taste, beträgt -0,6 V, also fast 0.
Die Spannungen an der ECH 81 mit ausgerasteten Tasten muss ich morgen messen,

bis dahin liebe Grüße

Ingo

09.12.09 20:14
Wolle 

500 und mehr Punkte

09.12.09 20:14
Wolle 

500 und mehr Punkte

Re: Röhre EF 86 heizt nicht richtig

Hallo Ingo.

Kein Problem, man hat nicht jeden Tag die Zeit, sich mit einem Problem auseinanderzusetzen. Die Gitterspannung ist so niedrig, daß ich von einem nicht schwingenden Oszillator ausgehe. Ist die Spannung bei allen Wellenbereichen (L, M und K) so niedrig? Dann müßte ein genereller Fehler vorliegen, der ein Anschwingen verhindert.

Mit vielen Grüßen.
Wolle.

10.12.09 22:07
InPe 

50-99 Punkte

10.12.09 22:07
InPe 

50-99 Punkte

Re: Röhre EF 86 heizt nicht richtig

Hallo Wolle,

ja, zur Zeit ist bei uns sehr vielzu tun. Auch heute konnte ich nur ganz kurz zum Radio.

Ja, die Spannung ist bei allen drei Tasten gleich klein. Ausser bei "keine Taste" ist es etwas höher.

Habe mich warscheinlich gestern etwas vertan, deshalb schreibe ich mal genau die Ablesung auf.
gewälter Messbereich: 2000mV
Ablesung Taste gedr.: 048
Ablesung keine Taste: 491

Also müßte das 0,05 bzw 0,5 V sein. Das ist noch weniger.

Die Spannungen an der ECH81 steigen im Gegensatz dazu bei "keine Taste" etwas an. (3-5 V), ausser Pin 8, da geht die Spannung gegen 0, die kommt ja über die Tastenkontakte.

Bekommen wir den Oszilator zum schwingen? Die Röhre hab ich ja schon mal in einem anderen Radio getestet, i. O.
Also, es ist schon spät geworden heute.
Liebe Grüße, bis evtl. morgen,

Ingo

12.12.09 17:59
Volprager 

0-49 Punkte

12.12.09 17:59
Volprager 

0-49 Punkte

Re: Röhre EF 86 heizt nicht richtig

mußt malden sogel wo die röhre reingehört mit rein algehol seubern das kann schon helfen must aber wengsten 10min warten for den du das radio wieter in betrieb nimst wegen verdunsten

24.12.09 10:34
InPe 

50-99 Punkte

24.12.09 10:34
InPe 

50-99 Punkte

Re: Röhre EF 86 heizt nicht richtig

Hallo zusammen, hallo Wolle,

habe nochmal alles von Anfang an (M,L,K,) durchgegangen. Alle Schaltkontakte und Messwerte überprüft,
Röhrensockel vorsichtig gereinigt, (brachte leider nicht den erhofften Erfolg). Nach nachlöten einiger Lötstellen im Bereich ECH 81 konnte ich dann veränderte Spannungen Messen
Pin 8 82V
Pin 6 240 V
Pin 1 84 V
Pin 9 0,49 V(das kann mein Digi offenb. nicht besser)
Dann hab ich diesen pin 9 bei einem anderen funktionierenden Gerät vergleichsweise gemessen und hatte 0,33 V.
Demnach konnte also meine 0,49 V nicht so verkehrt sein.(natürlich nur im Vergleich betrachtet)
Dann einen Draht an die Pin 2 (Gitter 1) angeklemmt.
Jetzt hatte ich wieder ein starkes Brummgeräusch zu hören und bei 550 Mhz war es leiser und bei durchstimmen ist es lauter geworden bis 800 Mhz und dann lauter geblieben bis Ende der Skale.
Da dachte ich mir, es kann also auch nicht am Drehko liegen.
Davon ausgehend, das der Vorbesitzer warscheinlich auch dran rumgebaut hat (abgelötete Kat. an EM 80) hab ich mich getraut an
dieser abgeschirmten Spule vorsichtig zu drehen und habe Empfang auf MW.

Ich möchte mich an dieser Stelle nochmals vielmals bedanken bei allen, die mir geholfen haben mit Rat und Anleitungen zur Fehlersuche und letztlich zur Reparatur beigetragen haben. Ich hoffe, alles richtig gemacht zu haben (habe das erste mal in einem Forum geschrieben), durfte viel lernen, besonders das Kompendium ist überaus lehrreich.

Ich wünsche allen Nutzern und Betreibern frohe Weihnachtsfeiertage und ein gutes neues Jahr.

Liebe Grüße
Ingo

 1 2 3 4 5
 1 2 3 4 5
Gegenkopplungsschaltungen   Grüße   Betriebsanodenspannung   Stromversorgungsgerät   Anodenspannungsleitungen   Anodenspannung   richtig   Windungsschluß   Widerstand   Messgerätetypenfehler   Spannungen   Gitterableitwiderstand   Widerstandsverstärker   Röhren   abstimmungsabhängiges   Übersetzungsverhältnis   Halbleiterbauelementen   Spannung   Messwerkinnenwiderstand   Windungs-Schluß-Sache