| Anpassung einer Langdrahtantenne an ein Koaxkabel mittels Balun |
|
|
|
1 2 3
|
| 1 2 3
|
|
|
|
|
|
15.06.11 23:21
wumpus  Administrator
|
15.06.11 23:21
wumpus  Administrator

|
Re: Anpassung einer Langdrahtantenne an ein Koaxkabel mittels Balun
Hallo Joe,
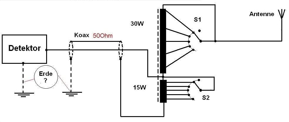
Du hast aber meinen Bauvorschlag (eine Standard Breitband-Schaltung 100 kHz- bis 30 MHz bei Amidon FT50-72) nicht 1:1 umgesetzt. Zum einen hast Du die 3 Leitungen nicht eng verdrillt, zum andern hast Du wohl 11 statt 9 Windungen genommen. Weiter ist wohl der Draht dicker als 0,25 - 0,3 mm Durchmesser ? Als Antenne ist ein Draht von ca. 10-15 Meter optimal. Sinn der Schaltung ist es ja gerade breitbandig zu sein, ohne Abstimm-Mittel. Natürlich ist eine resonante Antenne für einen Wellenbereich aber immer besser, als ein Breitband-Balun.
Hast Du beim Detektor die richtige Windungszahl zur Einkopplung ermittelt, sodass ca. 50 Ohm entstehen?
Die Schaltung braucht keinen Erdanschluß, geht sie mit Erde besser, stimmt was nicht.
Gruß von Haus zu Haus Rainer (Forum-Betreiber)
Rettet den analogen deutschen AM / FM - Rundfunk!: www.rettet-unsere-radios.de
|
|
|
|
|
16.06.11 00:06
joeberesf  500 und mehr Punkte
|
16.06.11 00:06
joeberesf  500 und mehr Punkte

|
Re: Anpassung einer Langdrahtantenne an ein Koaxkabel mittels Balun
Hallo Rainer,
ja ich habe 3x10 gewickelt und nicht verdrillt. Die drei Wicklungen liegen ineinander. Ich habe eher den Vorschlag aus dem Video umgesetzt. Die Verschaltung der drei Wicklungen ist aber identisch. Das größte Problem könnte auch der Ringkern sein. Ich habe den AL- Wert mit 1W bestimmt und auf 3W und 10W hochgerechnet und konnte den berechneten Wert auch messen. Allerdings nur mit 200kHz. Den AL von 6000nH fand ich sehr hoch. Ich glaube ich sollte versuchen exakt den von Dir beschriebenen Kern zu besorgen.
wumpus: Hast Du beim Detektor die richtige Windungszahl zur Einkopplung ermittelt, sodass ca. 50 Ohm entstehen? Die Schaltung braucht keinen Erdanschluß, geht sie mit Erde besser, stimmt was nicht.
Nur LW funktioniert ohne Erde vernünftig. Hier ist keine Erde notwendig. Die Einkopplung des Signals aus dem Koax erfolgt ohne jede weitere Anpassung direkt auf den Antennenkondensator. Wie kann ich die richtige Windungszahl ermitteln und wie wird das schaltungstechnisch umgesetzt? Da fehlt mir jetzt ein bisschen Wissen... Auweia. Kann auch ein Primärempfänger angepasst werden ?
Gruß
Joe
Zuletzt bearbeitet am 16.06.11 07:28
|
|
|
|
|
16.06.11 08:14
wumpus  Administrator
|
16.06.11 08:14
wumpus  Administrator

|
Re: Anpassung einer Langdrahtantenne an ein Koaxkabel mittels Balun
Hallo Joe,
ich habe zur weiteren Klarstellung die Beschreibung des Baluns mit Nachträgen ergänzt, lese doch bitte dort noch mal nach.
http://www.oldradioworld.de/gollum/hantenna.htm
Auch Primär-Empfänger lassen sich ankoppeln. Ein Ankoppeln an den normalen Antenneneingang geht nicht, die Impedanz ist nicht optimal.
Gruß von Haus zu Haus Rainer (Forum-Betreiber)
Rettet den analogen deutschen AM / FM - Rundfunk!: www.rettet-unsere-radios.de
Zuletzt bearbeitet am 16.06.11 08:14
|
|
|
|
|
16.06.11 08:56
joeberesf  500 und mehr Punkte
|
16.06.11 08:56
joeberesf  500 und mehr Punkte

|
Re: Anpassung einer Langdrahtantenne an ein Koaxkabel mittels Balun
Hallo Rainer,
danke für die Nachträge zur Anpassung. Die 10-15% für die Koppelspule werde ich erstmal berücksichtigen.
Habe noch diesen alten Beitrag im WGF gefunden. http://www.wumpus-gollum-forum.de/forum/...ohm-3_20_1.html.
Die Anpassung der 50 Ohm an den Antennenkreis, induktiv oder kapazitiv, ist aber dort nicht so richtig klar geworden. Die induktive Kopplung ist wohl eher erfolgreich. Ich könnte die Wicklung der Koppelspule auf ein ca. Z=50Ohm ,bei mittlerer Frequenz, berechnen. Also für LW mit 200kHz, MW mit 1000kHz und KW mit 5MHz ? (XL! )
Z²= R²+XL²
Das müsste dann aber ungefähr wieder die 10-15% für die Koppelspule ergeben...also Deinen Erfahrungswert.
Ich habe im www. gelesen, dass der imaginäre Anteil bei höheren Frequenzen immer kleiner wird. Könnte dann nicht auch ein ohmscher Abschlusswiderstand und eine kapazitive Ankopplung genügen? Ich habe auch noch eine Spule mit Schleiferabgriff mit ca. 50uH. Könnte ich diesen Abgriff nicht direkt kapazitiv anschließen und so die beste Anpassung bei unterschiedlichen Frequenzen ermitteln ?
Fragen über Fragen
Beste Grüße
Joe
Zuletzt bearbeitet am 16.06.11 09:04
|
|
|
|
|
16.06.11 11:20
wumpus  Administrator
|
16.06.11 11:20
wumpus  Administrator

|
Re: Anpassung einer Langdrahtantenne an ein Koaxkabel mittels Balun
Hallo Joe,
beim Detektorempfänger kommt es ja darauf an, über Leistungsanpassung das Antennensignal bis zum Kopfhörer zu bekommen. Deshalb ist es auch wichtig das Koax-Signal über eine gute Impedanz ("Leistungs")-Anpassung in den Schwingkreis zu koppeln. Dabei ist es sicher sinnvoll für jede Frequenz eine optimale 50 Ohm-Impedanzbedingung zu erreichen. So ist deshalb auch eine variable induktive Einkopplung gut, man hat nichts zu verschenken. Ich würde auch bei höhreren Frequenzen keine ohmsche / kapazitive Anpassung vornehmen, weil auch dieser Widerstand Energie vernichtet, Geiz ist hier g..l .
Gruß von Haus zu Haus Rainer (Forum-Betreiber)
Rettet den analogen deutschen AM / FM - Rundfunk!: www.rettet-unsere-radios.de
|
|
|
|
|
16.06.11 11:43
Pluspol  500 und mehr Punkte
|
16.06.11 11:43
Pluspol  500 und mehr Punkte
|
Re: Anpassung einer Langdrahtantenne an ein Koaxkabel mittels Balun
Hallo Joe
Der Langdrahtrantennenanschluß über Koaxkabel hat den Vorteil, daß man diesen ohne auf Isolationswirkung und zusätzliche kapazitive Einwirkung achten zu müssen, von außen durchs Mauerwerk und in dessen Nähe verlegen kann. Das ist bei der reinen Hochantenne so einfach nicht möglich oder sinnvoll. Der gewählte Ferritkern des Balungliedes muss in Deinem Fall schon speziell geeignet sein, mit relativ geringen Ummagnetisierungsverlusten. Diese ändern sich auch mit Zunahme der Frequenz und des Spektrums von Kurz-bis Langwelle. Ein Balunglied aus hochwertigem Koaxkabel statt des Balun mit Ferritkern ist auf jeden Fall verlustärmer. Hinzu kommt noch die vorhandene Dämpfung der Koaxableitung, die mit dessen Länge zunimmt. Das alles "saugt" dann evtl. an der möglichern HF-Antennespannung. Ich halte es für effektver die Langdrahtantenne über über einen Anpassungsdrehko und variable Spulenanzapfungen das Optimum zu suchen. Probieren geht über studieren, das Endergebnis ist der interessante Knackpunkt. Ich wünsche Dir im Interesse aller Forumsmitglieder und -leser weiter so viel Elan und Ideenreichtum wie bisher.
Freudliche Grüße von Dietmar
|
|
|
|
|
16.06.11 12:39
joeberesf  500 und mehr Punkte
|
16.06.11 12:39
joeberesf  500 und mehr Punkte

|
Re: Anpassung einer Langdrahtantenne an ein Koaxkabel mittels Balun
Pluspol: Der Langdrahtrantennenanschluß über Koaxkabel hat den Vorteil, daß man diesen ohne auf Isolationswirkung und zusätzliche kapazitive Einwirkung achten zu müssen, von außen durchs Mauerwerk und in dessen Nähe verlegen kann.
Hallo zusammen,
ja Dietmar, dass ist auch der Grund zum Befassen mit der Thematik. Ich muss meinen Antennenanschluss immer wieder demontieren und habe bei den Durchführungen und Aufhängungen der Zuleitung bestimmt auch Verluste. Ich denke auch darüber nach, den Anschluss in einen kleinen Kellerraum zu legen. Das wär klasse, dann könnte ich endlich einen Bastelplatz einrichten und müsste nicht immer wieder alles wegräumen.
Ich werde jetzt ersteinmal Rainers Tipps befolgen und mich dann wieder dem Balun zuwenden. Das Ferritmaterial muss ich bei meinem Kern ermitteln und auch die speziellen Ferrite als Ringkern besorgen.
Antennenbau und Anpassungen sind eine hochwissenschaftliche Disziplin.... da lerne ich jetzt wieder ordentlich dazu.
Ich bin halt von der DRAUFLOSBASTELFRAKTION. Machmal geht es aber ohne ausreichende Theorie nicht weiter. Ich finde es immer gut wenn man dem auch mathematisch nah kommt und die Ergebnisse sich dann praktisch bestätigen lassen.
Gruß
Joe
|
|
|
|
|
16.06.11 15:07
nobbyrad58  500 und mehr Punkte
|
16.06.11 15:07
nobbyrad58  500 und mehr Punkte

|
Re: Anpassung einer Langdrahtantenne an ein Koaxkabel mittels Balun
Hallo Joe !
Manchmal muss es eben ein bisschen Theorie mehr sein. Im Laufe der Zeit hab ich einen kleinen Fachbuchberg angehäuft. Formelsammlungen, theoretische Grundlagen sind bei Auktionen nicht so beliebt. Ein Formelsammlung für den Radio - Praktiker von Georg Rose (1965) gab es für 1€. Je höher der Anspruch, je ingenieurmäßger der Inhalt desto geringer das Interesse von wenigen Ausnahmen abgesehen. Natürlich ist Praxis entscheidend, aber man muss wissen welche Möglichkeiten man wie umsetzen könnte und das geht nur mit Fach - Theorie. Zur reinen Berechnung kann man dann Programme, spez. Rechner verwenden.
MFG Nobby
|
|
|
|
|
16.06.11 21:53
joeberesf  500 und mehr Punkte
|
16.06.11 21:53
joeberesf  500 und mehr Punkte

|
Re: Anpassung einer Langdrahtantenne an ein Koaxkabel mittels Balun
Hallo zusammen, hallo Nobby
nobbyrad58: Ein Formelsammlung für den Radio - Praktiker von Georg Rose (1965) gab es für 1€. Je höher der Anspruch, je ingenieurmäßger der Inhalt desto geringer das Interesse von wenigen Ausnahmen abgesehen.
Die reinen Formelsammlungen schrecken mich auch immer ab, da die Erlkärungen oft sehr dünn gehalten sind und einem dann die Vorstellungskraft fehlt, die Theorie überhaupt nachvollziehen zu können. Ein Fachbuch mit prakt. Beispielen und mathematischer Umsetzung würde ich auch immer bevorzugen. Eine alte Formelsammlung für nur 1€ würde ich allerdings auch nicht liegen lassen.
Ich habe mir das Datenblatt zum bevorzugten Ringkern FT50-72 angesehen und musste feststellen, dass mein benutzter blauer Kern, einen 5-6 fach höheren AL-Wert hat. Das ist schlecht, denn damit ist die Gesamtinduktivität auch 5-6 mal zu groß und es entsteht eine enorme Fehlanpassung. Ich brauche also unbedingt das von Rainer vorgeschlagene Material, oder muss mit den Windungszahlen auf 3-4 runter.
Ich habe im RM zu diesem Thema einen sehr interessanten Beitrag gefunden. Den Bauvorschlag von Hr. Gerhard Heigl will ich auch umsetzen. Hier ist eine komplette Aufbauskizze mit hochohmigen und niederohmigen Geräteanschluss vorhanden. Sehr lohnenswert der Beitrag. Bitte reinschauen.
http://www.radiomuseum.org/forum/hochant...lbst_bauen.html
Gruß
Joe
Zuletzt bearbeitet am 16.06.11 21:56
|
|
|
|
|
|
1 2 3
|
| 1 2 3
|