| Passwort vergessen?
Sie sind nicht angemeldet. |  Anmelden

Sprache auswählen:

Wumpus Gollum Forum von
Wumpus Welt der (alten) Radios
Sie sind nicht angemeldet.
 Anmelden

Antennenberechnung
  •  
 1 2 3 4 5
 1 2 3 4 5
27.11.10 20:37
NorbertWerner 

500 und mehr Punkte

27.11.10 20:37
NorbertWerner 

500 und mehr Punkte

Antennenberechnung

Hallo Forum,

ich habe da ein Problem, dass weitere Probleme auslöst.
Ich wohne ca 30kM südlich von München und sollte eigentlich den ORF über DVB-T empfangen können. Ca. 5kM entfernt ist das möglich, doch leider ist meine Lage etwas ungünstig. Eigentlich ist die Richtung zum Pfänder (Bregenz) ok, da ich, als es noch analog mölich war, den SRG aus fast der gleichen Richtung empfangen konnte.
Da ich nicht aufgeben möchte, versuche ich nun mit einer gut abgestimmten Antenne den Kanal 49 zu empfangen. Im Rothammels (bekanntlich das beste Buch über Antennen) habe ich sehr gute Anleitungen über Yagis gefunden. Leider finde ich keine gute Berechnung von Helix-Antennen. Diese Antennen wären ja viel besser für den Bereich um 600MHz.
Zur Abstimmung habe ich mir ein Grid-Dip-Meter mit einer PC900 gebaut. Hiermit komme ich bis etwa 800MHz, doch der 'Quetscher' ist recht ungenau. Diese Drehko's mit Plastikfolien zwischen den Platten haben keine gute Achs-Führung und ändern je nach seitlichen Druck auf die Achse ihre Kapazität. Bei diesen hohen Frequenzen und sehr kleinen Kapazitäten ist das doch sehr kritisch.
Meine Frage ist, wo findet man eine gute Bauanleitung über Helix-Antennen und wo bekommt man noch die guten alten Drehkos (etwa 0 bis ca 20pF) mit versilberten Stator- und Rotor-Platten?
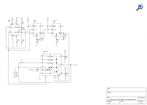
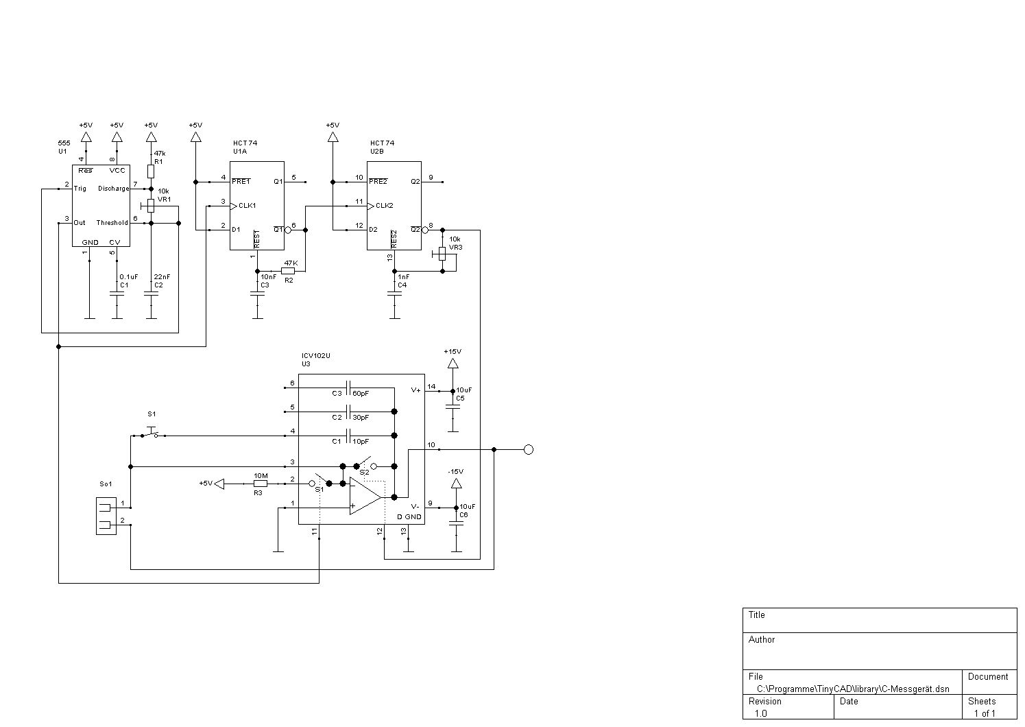
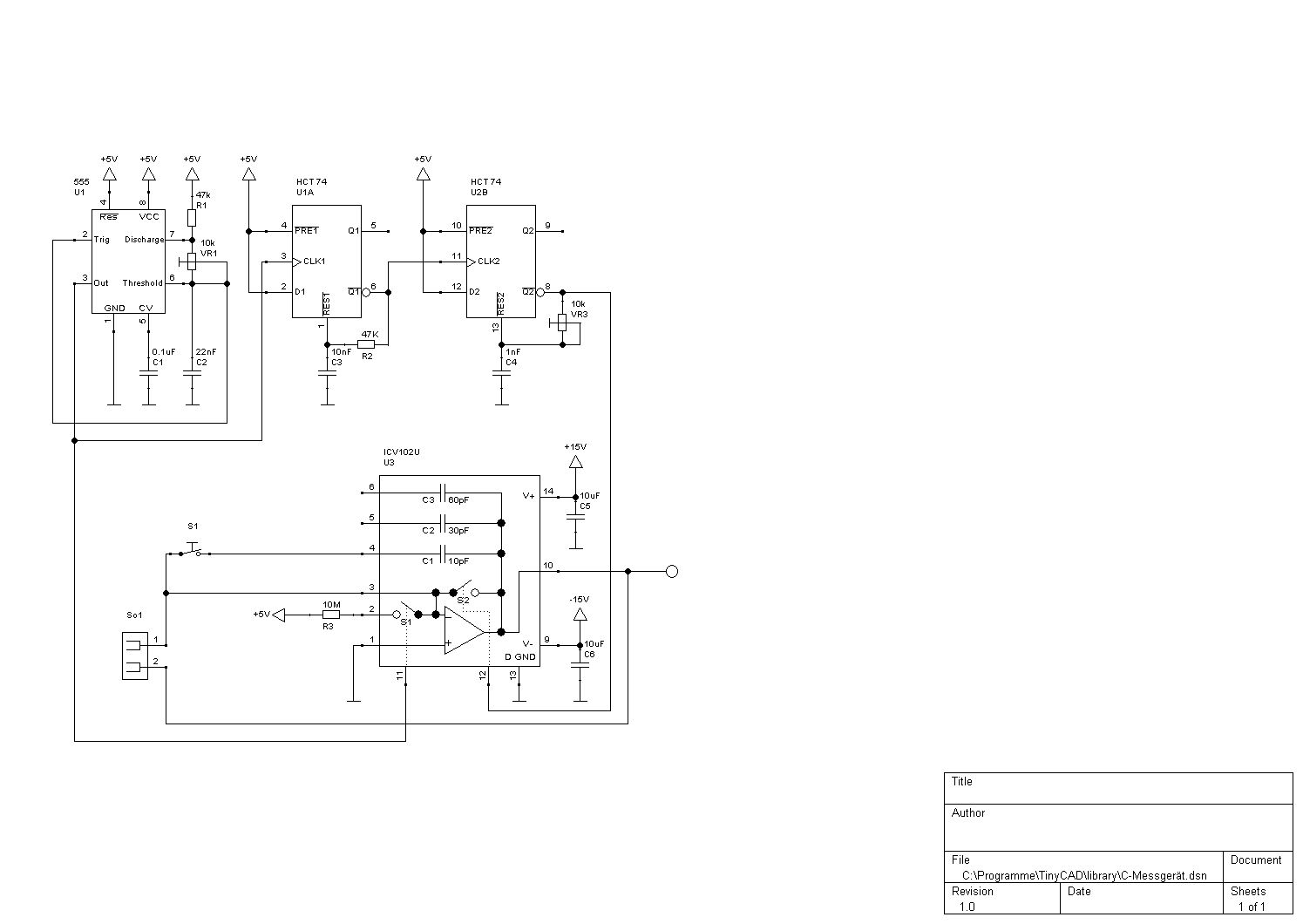
Übrigens, zum ausmessen der Kapazität der Drehhkos habe ich mir eine kleine Schaltung gebaut, mit der man auch Kapazitäten <1pF messen kann. Eigentlich handelt es sich hier um einen Integrator (siehe Anhang), aber durch den sehr geringen Offsetstrom im Eingang (ca 750fA) sind solche Messungen möglich.



Gruss
Norbert

Datei-Anhänge
C-Messgerät.jpg C-Messgerät.jpg (432x)

Mime-Type: image/jpeg, 63 kB

Noch gefällt der Beitrag keinem Nutzer.
!
!!! Fotos, Grafiken nur über die Upload-Option des Forums, KEINE FREMD-LINKS auf externe Fotos.    

!!! Keine Komplett-Schaltbilder, keine Fotos, keine Grafiken, auf denen Urheberrechte Anderer (auch WEB-Seiten oder Foren) liegen!
Solche Uploads werden wegen der Rechtslage kommentarlos gelöscht!

Keine Fotos, auf denen Personen erkennbar sind, ohne deren schriftliche Zustimmung.

Den Beitrag-Betreff bei Antworten auf Threads nicht verändern!
27.11.10 20:58
nobbyrad58 

500 und mehr Punkte

27.11.10 20:58
nobbyrad58 

500 und mehr Punkte

Re: Antennenberechnung

Hallo Norbert !

Wenn ich meinem Vornamensvetter einen Tip geben darf , ohne gegen die Werbefreiheit zu verstoßen , beim Amidon gibt es welche bestimmt gut ( Luftdrehko ) aber auch nicht billig . Es gibt natürlich auch andere Anbieter .

MFG Nobby

27.11.10 21:32
NorbertWerner 

500 und mehr Punkte

27.11.10 21:32
NorbertWerner 

500 und mehr Punkte

Re: Antennenberechnung

Hallo Nobby,

habe dort mal reingeschaut und unter Suche-->capacitor angefragt, aber ich hatte leider 0 Treffer.
Trotzdem, vielen Dank für die Info, denn das ist eine gute Adresse für mein Problem.

Norbert

27.11.10 21:43
nobbyrad58 

500 und mehr Punkte

27.11.10 21:43
nobbyrad58 

500 und mehr Punkte

Re: Antennenberechnung

Hallo Norbert !

Ich meine amidon.de . Es gibt wohl noch ein anderes Amidon . Dort gibt es die Rubrik Drehkos mit Luft und Folien Drehkos . Gerade noch reingeschaut .

MFG Nobby

27.11.10 22:07
NorbertWerner 

500 und mehr Punkte

27.11.10 22:07
NorbertWerner 

500 und mehr Punkte

Re: Antennenberechnung

Hallo Nobby,

Du hast Recht, ich war in Kalifornien gelandet. Nochmals vielen Dank, unter der 'richtigen' Adresse habe ich gefunden, was ich brauche.

Norbert

PS:Dein Synonym war mal mein Spitzname, als ich noch in (bei) Kassel wohnte.

28.11.10 08:38
roehrenfreak

nicht registriert

28.11.10 08:38
roehrenfreak

nicht registriert

Re: Antennenberechnung

Hallo zusammen,

wenn man in der Schlacht- und Bastelkiste noch ältere, ausgemusterte UKW-Röhrentuner hat, könnte man auch dort noch fündig werden. Die Drehkondensatoren haben Endkapazitäten von etwa 20 bis 40pF. Mechanisch sind sie recht stabil und dürften für solche Anforderungen gut geeignet sein.

Freundliche Grüsse,
Jürgen rf

Noli turbare circulos meos (Störe meine KREISE nicht! - Archimedes)

28.11.10 09:10
wumpus 

Administrator

28.11.10 09:10
wumpus 

Administrator

Re: Antennenberechnung

Hallo Norbert,

ich bin mir nicht sicher, ob der Aufbau einer Helix-Antenne gegenüber der klassischen Yagi beim Empfang eines Senders, der NICHT mit Helix sendet, einen signifikanten Vorteil bringt. Es sei denn, Du hast auf der Übertragungsstrecke ständige Polarisations-Drehungen (an variablen Reflexionsschichten). Eine gute Yagi oder Flächenantenne erreichen gute Ergebnisse.

Wenn Du im Nahfeld keine störenden HF-Felder hast, kannst Du auch durchaus mal eine Aktiv-Antenne testen. Die gibt es auch in Yagi-Form und auch als Kleinflächenantennen (z.B. Kathrein BZD40 DVB-T Outdoor-Antenne aktiv für BIII/ UHF-Bereich) mit durchaus brauchbaren Gewinn.

Gruß von Haus zu Haus Rainer (Forum-Admin)

Möge kein Mögel-Dellinger-Effekt auftreten.

Zuletzt bearbeitet am 28.11.10 09:13

28.11.10 10:23
Martin.M 

500 und mehr Punkte

28.11.10 10:23
Martin.M 

500 und mehr Punkte

Re: Antennenberechnung

hallo Norbert,

Kanal 49...

49 * 8 + 306 = 698MHz
du kannst ein simples Schmetterlingsdipol basteln oder eine alte UHF Dachantenne (Band V) dafür nutzen,
oft ist die sogar schon vorhanden. Wenn das immernochnicht reicht, im Antennenfuß einen kleinen UHF Verstärker, zB mit einem BFT66 reinlöten.

20pF Drehkos sind für den Bereich zu groß ! 0 -5pF schon besser.

nette Grüße
Martin

28.11.10 10:41
wumpus 

Administrator

28.11.10 10:41
wumpus 

Administrator

Re: Antennenberechnung

Hallo zusammen,
ich würde jedenfalls einer unidirektionalen Richtantenne, also keinem einfachen Dipol oder eine 360-Grad-empfangende Stabantenne, in Norberts Empfangssituation den Vorzug geben. Einfache selbstgebaute Antennen-Verstärker werden leider oft sehr schnell von Fremdsignalen im Nahfeld (Handy, Computer, Funkgeräte) zugestopft.

Die von mir empfohlene Flächenantenne ist bezüglich des Zustopfens garnicht schlecht und baut einen guten Gewinn unter Richtwirkung breitbandig auf (wäre dann aber kein Bastelprojekt mehr). Selbstbau-Yagis sind oft nicht gleichzeitig in Band III und IV/V durchgehend leistungsstark. Das gilt natürlich nicht, wenn es nur um ein Kanal geht.


Gruß von Haus zu Haus Rainer (Forum-Admin)

Möge kein Mögel-Dellinger-Effekt auftreten.

Zuletzt bearbeitet am 28.11.10 10:44

28.11.10 13:16
DL7RR 

500 und mehr Punkte

28.11.10 13:16
DL7RR 

500 und mehr Punkte

Re: Antennenberechnung

Für DVBT verwende ich im Keller eine Quadantenne ohne Direktor,bzw. Reflektor mit gutem Erfolg.Hier in Berlin sind aber die DVBT Signale ziemlich gut,und ansonsten würde ich eine Quadantenne mit Direktor sowie Reflektor bauen wenn sie fest ausgerichtet auf den Senderstandort angebracht werden soll.

Vorsicht ist bei den Bauvorschlägen von DM2ABK Rothammel angebracht denn sie sind in der Praxis nicht zutreffend!!!




Liebe Grüße Bernhard



Die Antenne ist der beste HF-Verstärker!!!

 1 2 3 4 5
 1 2 3 4 5
Sporadic-E-Ausbreitungen   Ganzwellenschmetterlingsdipol   Regional-Fernsehanbietern   Mehrebenen-Yagi-Antenne   Elemente   Stehwellenverhältnisse   290g-Champignons-Dosen   Rothammel   Ganzwellen-Gruppenantennen   Mögel-Dellinger-Effekt   Norbert   Antennen   öffentlich-rechtlichen   Umwegleitungsanpassung   Antennen-Verstärker   Antenne   Antennenverstärkerlein   Polarisations-Drehungen   Reflektions-Empfangsrichtung   Antennenberechnung