| Passwort vergessen?
Sie sind nicht angemeldet. |  Anmelden

Sprache auswählen:

Wumpus Gollum Forum von
Wumpus Welt der (alten) Radios

Ein 5-Röhren Superhet im Look der 20er Jahre von damals ..........
  •  
 1 2
 1 2
16.06.20 14:20
WoHo 

500 und mehr Punkte

16.06.20 14:20
WoHo 

500 und mehr Punkte

Ein 5-Röhren Superhet im Look der 20er Jahre von damals ..........

Leider ist erste Jahreshälfte von 2020 für uns alle -aus wohlbekannten Gründen- gänzlich anders verlaufen. Weil auch ich ans Haus gebunden bin, habe ich mir ein Bastelprojekt ausgedacht, welches mit schon vorhandenen Uraltbauteilen zusammengesetzt ist. Das war zu 90% möglich, der Rest wurde mit neuzeitlichen Material ergänzt, ist aber nicht so auffallend....







Von der Bedienung her, waren diese alten Radios sicherlich alles andere als einfach! So muss bei der Sendersuche zunächst am Oszillator gedreht werden. Getrennt davon zieht man den Vorkreis auf Maximum. Schwache Stationen erfordern obendrein eine genaue Einregelung der Antennenankopplung.

Als Vorgabe galt: Spannung der Anodenbatterie nur 18V !
Mit der ausschließlichen Verwendung von Doppelgitterröhren ist das zu realisieren...
Die Typen Telefunken RE074d und Valvo U409D sind als Raumladegitterröhren speziell für diesen Zweck entwickelt. Meine Erfahrungen haben jedoch gezeigt, dass die unkonventionelle Anwendung derselben erhebliche Vorteile bietet.
Zur Verdeutlichung:
Obwohl in den Vergleichstabellen beide als äquivalent vermerkt, sind die Kennlinien doch sehr unterschiedlich. Die RE074d ist auf optimale Funktion als Raumladegitterröhre gezüchtet, d.h. einen möglichst geringen Raumladegitterstrom (Ig1). Dazu ist die Stärke (nach Augenmaß) des g1 Wendels nur 1/3 des g2 Wendels. Damit ist dessen Einfluss auf den Anodenstrom viel geringer als bei der U409D. Letztere ist anders konstruiert, was sich in einer größeren g1 Steilheit manifestiert.

------------
Teil 2 folgt sogleich....

Datei-Anhänge
bild0.JPG bild0.JPG (310x)

Mime-Type: image/jpeg, 108 kB

bild1.JPG bild1.JPG (284x)

Mime-Type: image/jpeg, 168 kB

bild2.JPG bild2.JPG (284x)

Mime-Type: image/jpeg, 32 kB

apollo, HB9, WalterBar, laurel1, Vorkreis, RWA, Debo, Roehren-Lutz, wumpus, basteljero, regency und ELEK gefällt der Beitrag.
!
!!! Fotos, Grafiken nur über die Upload-Option des Forums, KEINE FREMD-LINKS auf externe Fotos.    

!!! Keine Komplett-Schaltbilder, keine Fotos, keine Grafiken, auf denen Urheberrechte Anderer (auch WEB-Seiten oder Foren) liegen!
Solche Uploads werden wegen der Rechtslage kommentarlos gelöscht!

Keine Fotos, auf denen Personen erkennbar sind, ohne deren schriftliche Zustimmung.

Den Beitrag-Betreff bei Antworten auf Threads nicht verändern!
16.06.20 14:28
WoHo 

500 und mehr Punkte

16.06.20 14:28
WoHo 

500 und mehr Punkte

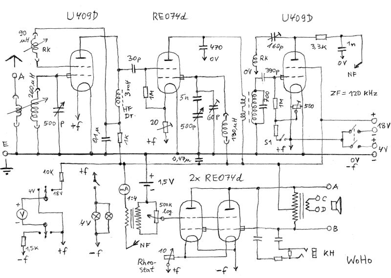
Re: Ein 5-Röhren Superhet im Look der 20er Jahre von damals (2. Teil) ..........



Funktionsbeschreibung

Wir beginnen links mit der HF-Vorstufe.
Das im Vorkreis selektierte Antennensignal gelangt auf g1 (Seitenschraube) der U409D. Aus oben genannten Gründen wird diese als Schirmgitterverstärker benutzt. Zusätzlich kann man mit der Rückkopplungsspule im g2 Zweig den Vorkreis entdämpfen, was nicht nur die Empfindlichkeit verbessert, sondern auch Pfeiftöne durch Spiegelempfang reduziert. Auf einen abstimmbaren Zwischenkreis habe ich verzichtet und dafür eine Drosselkopplung eingefügt.

Die Mischstufe ist von besonderer Art,
wie ich sie in kommerziellen Radios noch nicht gesehen habe. Es gab eine Menge an verschiedenen Oszillator-Mischschaltungen in jener Zeit, jedoch keine, die bei so niedrigen Betriebsspannungen noch brauchbar waren.
Da kam mir eine Erfindung von E.W.B. Gill in den Sinn. Er hatte entdeckt, dass bestimmte Doppelgitterröhren mit thoriertem Faden eine „fallende Kennlinie“ (neg. Widerstand) im Verhalten des Ig1 zur Ug1aufweisen. Genaueres kann man hier lesen:

https://www.radiomuseum.org/forum/superh...io_technik.html


Es genügt nur eine Spule, angeschlossen an g1, um stabile Oszillatorschwingungen anzufachen! Das verstärkte Antennensignal liegt jetzt an g2. Als ZF habe ich 120 kHz gewählt, die (hier) nicht durch andere Sender belegt ist. Diese wird an der Anode ausgekoppelt.

Um mehrere ZF-Stufen zu ersparen, folgt ein Audion mit fest eingestellter Rückkopplung. Auch hier keine Raumladegitter- sondern die U409D in der Schirmgitterschaltung. Ein NF-Trafo 1:4 liegt im Anodenkreis dazu ein mA-Meter in Serie, welches bei maximaler Abstimmung einen kleinen Rückgang des Ia anzeigt. Damit dann der Ausschlag des Zeigers auch nach rechts geschiet, habe ich des Messwerk manipuliert, d.h. der Nullpunkt liegt am rechten Skalenende. Ohne Sender lässt der Ruhestrom den Zeiger nach links ausschlagen....

Was die unvermeidlichen Verzerrungen einer Audionstufe betrifft, wird ein weiterer Trick angewendet, der allerdings nicht neu ist. Gemeint ist die Einstellung des Arbeitspunktes mit Hilfe eines Potentiometers parallel zum Heizfaden.



In einem Fachbuch von Pitsch wird die Abhänigkeit der Verzerrungen vom HF-Pegel dargestellt. In Anlehnung daran, habe ich das etwas erweitert.
Betrachtet man das NF-Ausgangssignal mit dem Scope bei stark unterschiedlichem HF-Eingangspegel, so wird deutlich, dass eine feste Einstellung nicht befriedigend ist. Regelt man z.B. auf minimale Verzerrungen bei schwachem Signal (A-B) ein, dann ist das nicht mehr tragbar für ein starkes Signal (B-C), wo eigentlich eine Korrektur wünschenswert ist. Mit S1 verändere ich den Arbeitspunkt und kann jetzt dazwischen wählen. Ortssender produzieren oftmals noch höhere Antennenspannungen (> C), die man mit der Schwenkspule absenken muss.

Eine weitere Besonderheit stellt die Endstufe dar!
Auf jeden Fall soll Lautsprecherwiedergabe möglich sein. Nicht sehr laut, jedoch ausreichend, um im stillen Hobbyraum eine Sendung anzuhören. Mit den Uraltröhren, bei nur geringer Versorgungsspannung, ist das normalerweise nicht machbar, wohl unter Ausnutzung der speziellen Eigenschaften, die nur die RE074d zu bieten hat. Zwei davon sind hier parallel in Betrieb.



Eine Monozelle stellt die neg. Vorspannung an g2 (=Steuergitter) von 1,5V bereit. Und weil kein Strom fließt, hält diese für lange Zeit die Spannung fest.
Die positive Halbwelle der NF z.B. lässt den Anodenstrom ansteigen, während gleichzeitig der Raumladegitterstrom abfällt! Dieses gegenläufige Verhalten und wird als Gegentaktverstärker mit Ausgangstrafo verwendet. Eine vorherige Phasendrehung ist nicht erforderlich.
Genaugenommen sind die beiden Steilheiten nicht gleich, Verzerrungen hierdurch fallen aber gehörmäßig nicht auf. Wichtiger ist die richtige Justierung der Heizspannung für beide Endröhren. Ein Verlauf durch Abnutzung der Heizbatterie, sowie der Monozelle, kann mit dem Rheostat kompensiert werden.

Man sollte noch erwähnen, dass obiges Prinzip nicht nur auf die NF-Anwendung beschränkt ist. Auch zur HF-Verstärkung unter den Namen „Isodyne“ und „Cryptadyne“ wurde sowas früher mal verwirklicht.


Gruß aus NL vom Bastelwoho

Zuletzt bearbeitet am 16.06.20 14:32

Datei-Anhänge
CORONADYNE-kl.jpg CORONADYNE-kl.jpg (291x)

Mime-Type: image/jpeg, 72 kB

Audion_Klirrfaktor.png Audion_Klirrfaktor.png (276x)

Mime-Type: image/png, 28 kB

RE074d kurven.jpg RE074d kurven.jpg (271x)

Mime-Type: image/jpeg, 109 kB

16.06.20 15:29
HB9 

500 und mehr Punkte

16.06.20 15:29
HB9 

500 und mehr Punkte

Re: Ein 5-Röhren Superhet im Look der 20er Jahre von damals ..........

Hallo Wolfgang,

ein hübsches Gerät, sozusagen ein Spitzensuper (HF-Vorstufe, Gegentakt-Endstufe) mit Minimalaufwand.
Die Schaltung des Mischers geht auch mit neuen Pentoden, wenn man Steuer- und Schirmgitter vertauscht, also Schwingkreis an Schirmgitter und Eingangssignal an Steuergitter, dabei natürlich das Schirmgitter über einen Widerstand auf positive Spannung bringen.

Die Gegentaktendstufe gefällt mir. Mit einer modernen Pentode müsste das grundsätzlich auch gehen, wenn man das Eingangssignal am Bremsgitter einspeist und den Ausgangstrafo zwischen Schirmgitter und Anode anschliesst. Die üblichen Zeilenendröhren (PL500, PL519) wären da Kandidaten für ein verregnetes Wochenende, da diese das Bremsgitter herausgeführt haben. Auf Grund der sehr grossen Kathode müssten sie auch bei niedrigen Spannungen noch ordentliche Ströme liefern können. Die Steilheit vom Bremsgitter ist natürlich sehr bescheiden, daher braucht es hohe Steuerspannungen.

An Stelle des Audions wäre auch eine Synchron-Demodulation denkbar mit derselben Schaltung wie für den Mischer, dann gibt es keine Verzerrungen und die Empfindlichkeit wird höher, da der Dioden-Schwelleneffekt wegfällt. Bei deiner Schaltung kannst du auch testweise die Rückkopplung des Audions bis zum leichten Schwingungseinsatz anziehen, das dürfte sehr ähnlich sein, falls der Rückkopplungseinsatz weich ist. Dabei ist aber zu beachten, dass dann der ZF-Schwingkreis (fast) nichts mehr zur Selektion beiträgt, somit sollte man in der Anodenleitung der Mischröhre einen Schwingkreis haben, der dann sehr lose an den Audion-Schwingkreis angekoppelt wird und für die Trennschärfe sorgt. Ein Tiefpassfilter im NF-Pfad bringt in diesem Fall eine weitere Verbesserung der Trennschärfe.

Gruss HB9

16.06.20 16:01
ELEK 

250-499 Punkte

16.06.20 16:01
ELEK 

250-499 Punkte

Re: Ein 5-Röhren Superhet im Look der 20er Jahre von damals ..........

Hallo,

ein wunderbarer Beitrag !! ich bastele auch gern mit Superhet-Schaltungen, aber so einen schönen Aufbau würde ich so schnell nicht hinbekommen, dazu auch noch so eine Super-Beschreibung,

Danke für diese tolle Vorstellung !

Gruß Ingo

16.06.20 18:03
Vorkreis 

500 und mehr Punkte

16.06.20 18:03
Vorkreis 

500 und mehr Punkte

Re: Ein 5-Röhren Superhet im Look der 20er Jahre von damals ..........

Hut ab,

ganz großes Kino, genau mein Geschmack. Bitte noch mehr Bilder mit Details der verbauten Technik.
Coronadyne

Gruß
Jürgen

16.06.20 18:43
MB-RADIO 

500 und mehr Punkte

16.06.20 18:43
MB-RADIO 

500 und mehr Punkte

Re: Ein 5-Röhren Superhet im Look der 20er Jahre von damals ..........

Oijoijoi, was für ein teueres Bastelprojekt.

Die Schaltung wäre auch was für einen richtigen Kofferempfänger.

Aber große Klasse aufgebaut, genau meine Kragenweite - nur der Name - ist sicherlich ansteckend

Viele Grüße
Bernd

Zwei Dinge sind unendlich, das Universum und die menschliche Dummheit, aber bei dem Universum bin ich mir noch nicht ganz sicher. (Albert Einstein)

16.06.20 18:44
WoHo 

500 und mehr Punkte

16.06.20 18:44
WoHo 

500 und mehr Punkte

Re: Ein 5-Röhren Superhet im Look der 20er Jahre von damals ..........

Auf allgemeinen Wunsch eines einzelnen Herrn,
hier noch ein Bild, wo der tolle 3-fach Spulenschwenker der Firma HUTH besser ins Bild kommt.



Dann hatte ich noch einen Spulensatz rumliegen, der jetzt im ZF-Audion seinen Dienst tut. Da aber die Frequenz bei 120 kHz liegt, musste mehr Induktivität her. Die Lösung war, zwei Löcher bohren und einfach einen Ferritstab mittig reinschieben....

Gruß aus NL, Wolfgang

Zuletzt bearbeitet am 16.06.20 21:50

Datei-Anhänge
DSCI0017.JPG DSCI0017.JPG (287x)

Mime-Type: image/jpeg, 208 kB

16.06.20 21:34
Roehren-Lutz 

100-249 Punkte

16.06.20 21:34
Roehren-Lutz 

100-249 Punkte

Re: Ein 5-Röhren Superhet im Look der 20er Jahre von damals ..........

Ein tolles Gerät!
Mich faszinieren nicht nur die Schaltung technische Kniffe, sondern auch Deine handwerklichen Fähigkeiten, die Schaltung auch noch wundervoll zu verpacken.

Viele Grüße
Lutz

17.06.20 11:59
wumpus 

Administrator

17.06.20 11:59
wumpus 

Administrator

Re: Ein 5-Röhren Superhet im Look der 20er Jahre von damals ..........

Hallo Wolfgang,

Du musst unbedingt mit Seibt in Kontakt treten, damit sie Dein Coronadyne in Serie bauen. Ich würde dann schon vorsorglich zwei Stück bestellen .

Die Gegentakt-Schaltung gefällt mir besonders!


rüße von Haus zu Haus
Rainer, DC7BJ (Forumbetreiber)

Welt der alten Radios:
http://www.welt-der-alten-radios.de

Wumpus-Gollum-Forum:
http://www.wumpus-gollum-forum.de/forum

Virtuelle Voxhaus-Gedenktafel:
http://www.voxhaus-gedenktafel.de

Wumpus bei youtube:
https://www.youtube.com/user/MyWumpus

17.06.20 20:08
MB-RADIO 

500 und mehr Punkte

17.06.20 20:08
MB-RADIO 

500 und mehr Punkte

Re: Ein 5-Röhren Superhet im Look der 20er Jahre von damals ..........

Hallo Rainer,

da mußt Du aber ganz schön tief in deine Tasche greifen - fünf Raumladegitterröhren und etliche uralte Bauelemente und dann die heutigen Lohnkosten für eine Kleinserie - Mann o Mann, dein Geld möchte ich haben ........

Viele Grüße
Bernd

Zwei Dinge sind unendlich, das Universum und die menschliche Dummheit, aber bei dem Universum bin ich mir noch nicht ganz sicher. (Albert Einstein)

 1 2
 1 2
Funktionsbeschreibung   Rückkopplungseinsatz   Lautsprecherwiedergabe   Synchron-Demodulation   Schirmgitterschaltung   Doppelgitterröhren   Raumladegitterröhren   Schirmgitterverstärker   Rückkopplungsspule   Raumladegitterstrom   Rückkopplungseinstellung   Gegentaktverstärker   Raumladegitterröhre   welt-der-alten-radios   Voxhaus-Gedenktafel   Wumpus-Gollum-Forum   Dioden-Schwelleneffekt   Oszillator-Mischschaltungen   Oszillatorschwingungen   Superhet-Schaltungen