| Passwort vergessen?
Sie sind nicht angemeldet. |  Anmelden

Sprache auswählen:

Wumpus Gollum Forum von
Wumpus Welt der (alten) Radios
Sie sind nicht angemeldet.
 Anmelden

Anodenspannung für tragbaren Röhrenempfänger erzeugen
  •  
 1 2
 1 2
01.09.13 13:24
ThomasW

nicht registriert

01.09.13 13:24
ThomasW

nicht registriert

Anodenspannung für tragbaren Röhrenempfänger erzeugen

Guten Tag,

wir planen unser Baukastenaudion in ein eigenes Gehäuse zu portieren. Der Endverstärker mit den EL84 Röhren soll in ein eigenes abgesetztes Gehäuse und universell auch für andere Experimente dienen. Das Audion ist mit Batterieröhren aufgebaut. Diese brauchen eine sehr kleine Heizspannung, die Anodenspannung ist viel höher. Das Audion soll tischgerecht und tragbar sein, für große Transformatoren ist also kein Platz im Gehäuse. Eine extra Anodenbatterie wollen wir aber auch nicht. Ein Akku 6V oder 7.8V soll Heizung als auch Anodenstrom liefern. Welche Möglichkeit gibt es da eine Gleichspannung um den Faktor 3-4 zu erhöhen. Wir haben im Netz etwas über mechanische Zerhacker gefunden, finden das Prinzip aber nicht wirklich praktisch und langlebig. Unsere Idee wäre ein Multivibrator mit Transitoren aufzubauen. Über den Kollektor wird eine Induktivität angeschlossen. Wenn der Taktgeber schnell genug schaltet müsste doch die Spule wie ein Speicher wirken. Die Induktionsspannung der Spule sich beim ausschalten zur Batteriespannung addieren! Geht das oder liegen wir falsch? Würde man diese gepulste Spannung soweit glätten können, dürfte sie doch als Anodenspannung genügen. Der Anodenstrom ist ja fast vernachlässigbar. Würde es durch den Taktgenerator zu starken Empfangsstörungen kommen? Die Schaltfrequenz liegt sicher im Radiobereich.

MfG
Thomas aus Berlin

Oldtimer_OM gefällt der Beitrag.
!
!!! Fotos, Grafiken nur über die Upload-Option des Forums, KEINE FREMD-LINKS auf externe Fotos.    

!!! Keine Komplett-Schaltbilder, keine Fotos, keine Grafiken, auf denen Urheberrechte Anderer (auch WEB-Seiten oder Foren) liegen!
Solche Uploads werden wegen der Rechtslage kommentarlos gelöscht!

Keine Fotos, auf denen Personen erkennbar sind, ohne deren schriftliche Zustimmung.

Den Beitrag-Betreff bei Antworten auf Threads nicht verändern!
01.09.13 15:21
Opa.Wolle 

500 und mehr Punkte

01.09.13 15:21
Opa.Wolle 

500 und mehr Punkte

Re: Anodenspannung für tragbaren Röhrenempfänger erzeugen

Hi,
Elek(tor) hat in 2/2005 einen Wandler vorgestellt, der aus 6VDC dann 12VDC und 90VDC liefert.
Ist das nicht für euer Projekt ausreichend?
Der Bauplan dazu besteht aus vier Seiten, hier darf ich ihn ja nicht komplett einstellen,
ihr könntet mir aber eure Mailadresse in mein Postfach senden, ich schicke ihn dann als Mail-Anhang.
Die Platine sieht dann so aus:



Hier noch ein paar Leistungsdaten:




Adm.: Bitte Urheberrechte beachten und keine Bilder aus Zeitschriften hier veröffentlichen.

01.09.13 15:36
Pluspol 

500 und mehr Punkte

01.09.13 15:36
Pluspol 

500 und mehr Punkte

Re: Anodenspannung für tragbaren Röhrenempfänger erzeugen

Hallo Thomas

In diesem Forum gab es schon mal ein ähnliches Thema, mittels eines Transverters die Anodenspannung zwischen 60 und 80 Volt aus einem Akku zu erzeugen.
Geht elektronisch passabel, das Problem ist leider die parasitären Störfrequenzen - bzw. Oberwellen vom Empfänger fernzuhalten.
So ein Röhrenkoffer hatte oder brauchte immer Platz für die Anoden- nebst Heizbatterie oder-akku.
In diesem Platz passen auch gut rund 8-9 Stck. 9V-Batterien ca. 80Volt. Dazu eine 1,5V Batterei oder zwei kleinere parallel, mit einem entsprechenden kleinen Vorwiderstand für die Heizung. Ein Zerhacker braucht auch Platz und dessen Spannung muss auch mit weiteren Komponenten brauchbar aufbereitet werden. Störfrei ist der auch nicht.
Viel Spass und Erfolg bei Deinen Aktivitäten.

Freudliche Grüße von Dietmar

01.09.13 16:08
Ronn 

500 und mehr Punkte

01.09.13 16:08
Ronn 

500 und mehr Punkte

Re: Anodenspannung für tragbaren Röhrenempfänger erzeugen

Hallo Thomas,

was Du suchst wird generell als Step-Up-Converter, Boost-Converter, Aufwärtsregler .... bezeichnet. Die Schaltung ist relativ einfach, die Funktionsweise hast Du ja schon geschildert. Suche mal nach MC34063A. Das ist ein Spannungswandler mit Auf- und Abwärtsregelung bis 1.5A 5-48V. Das IC kostet nur ein paar Cent, ist gut verfügbar und benötigt nur wenig Außenbeschaltung. Von den Abmessungen her lässt sich ein kompletter Konverter gut in der Größe einer 9V-Batterie herstellen, in SMD noch kleiner und passt somit wunderbar in alte Röhren-Kofferradios. Was die HF-Verträglichkeit angeht, damit hatte ich bisher keine Probleme.

Gruss Ronn

Zuletzt bearbeitet am 01.09.13 16:09

01.09.13 17:18
Tubefan 

0-49 Punkte

01.09.13 17:18
Tubefan 

0-49 Punkte

Re: Anodenspannung für tragbaren Röhrenempfänger erzeugen

Das kannst du relativ einfach mit einem Multivibrator, vielleicht mit IC z.b. NE555 realisieren.
Am besten mit veränderbarem Puls - Pausenverhältnis zum experimentieren aufbauen. Als Induktivität
nimmst du einfach einen kleinen Netztrafo und speist die Spannung an der Sekundärseite ein.
An der primären Seite die Spannung gleichrichten und mit Zenerdioden stabilisieren.

Gruß
Frank

01.09.13 19:56
Opa.Wolle 

500 und mehr Punkte

01.09.13 19:56
Opa.Wolle 

500 und mehr Punkte

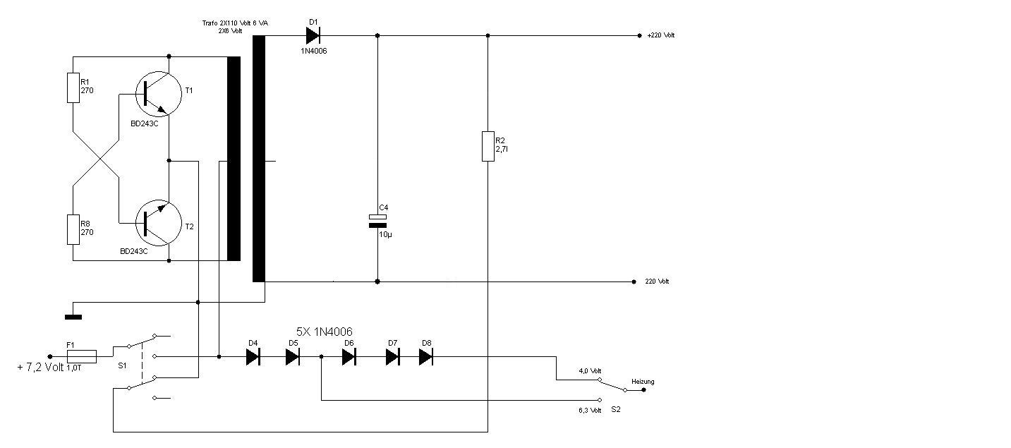
Re: Anodenspannung für tragbaren Röhrenempfänger erzeugen

So nach diesem Motto:

Datei-Anhänge
Spannungswandler für Röhren-klein.JPG Spannungswandler für Röhren-klein.JPG (547x)

Mime-Type: image/jpeg, 47 kB

01.09.13 20:09
ThomasW

nicht registriert

01.09.13 20:09
ThomasW

nicht registriert

Re: Anodenspannung für tragbaren Röhrenempfänger erzeugen

Guten Abend,

vielen Dank für die vielen Antworten und Lösungen. Wäre aus HF-Sicht die Nutzung einer Oszillatorschaltung mit Sinusausgang und Transformation die klügere Lösung? So würde man doch die vielen Oberwellen eines Multivibrators oder Rechteckgenerators vermeiden können.

MfG
Thomas.

02.09.13 00:56
roehrenfreak

nicht registriert

02.09.13 00:56
roehrenfreak

nicht registriert

Re: Anodenspannung für tragbaren Röhrenempfänger erzeugen

Hallo zusammen,

es ist irgendie verzwickt. Wandler mit gutem Wirkungsgrad arbeiten schaltend, erzeugen jedoch ein kaum zu bändigendes Oberwellenspektrum bis weit in den Rundfunkbereich hinauf. Wandler, die keine HF-Störungen erzeugen, arbeiten mit einer sauberen Sinusschwingung, besitzen jedoch nur etwa 60% Wirkungsgrad. Ein Bauprojekt vor wenigen Jahren hat mich deshalb fast in den Wahn getrieben, am Ende siegte wieder der Pragmatismus. Kein Wandler, sondern sieben 9-Volt-Blocks (später als NiMH-Akkus ausgeführt) versorgen den "Kleinen Süssen" seitdem mit bester Gleichspannung. Von Wandlerkonzepten bin ich mittlerweile komplett abgekommen.

04.09.13 19:07
ThomasW

nicht registriert

04.09.13 19:07
ThomasW

nicht registriert

Re: Anodenspannung für tragbaren Röhrenempfänger erzeugen

Guten Abend,

vielen Dank für die vielen Vorschläge. Wir haben uns einige Aufwärtswandler besorgt und werden damit und mit Rechteck- und Sinusgeneratoren am Wochenende experimentieren. Mit dem Polytronicbaukasten sind die Schaltungen schnell veränderbar. Sollte der Empfang der Mittel- und Kurzwellen
zu sehr gestört werden werden wir wohl auf eine Batterielösung ausweichen. Der Anodenstrom ist zwar gering aber die 9-Volt-Blöcke haben auch nur eine geringe Kapazität. Als Akku sind diese ja noch um einiges teurer! Jürgen wie lädst du deine Anodenbatterie? Jeden Block einzeln? Hast Du ein Ladegerät gebaut was eine Zellenspannung entsprechend der Anodenbatterie hat? Unkontrolliertes Laden (nach Uhr mit C/10) aus einem Trafo ist doch sicher nicht gut

MfG
Thomas Wust.

10.09.13 21:13
ThomasW

nicht registriert

10.09.13 21:13
ThomasW

nicht registriert

Re: Anodenspannung für tragbaren Röhrenempfänger erzeugen

Guten Abend,

wir haben einen Spannungswandler nach diesem Prinzip aufgebaut aber das Ergebnis ist nicht sehr gut. Ein offener Aufbau mit Polytronic scheidet aus. Die Störungen sind auf der Mittelwelle und Kurzwelle in allen Räumen hörbar. Auf Lochrasterplatine mit einer Abschirmung geht es besser, wir haben auch mit
Spannungsglättung ein starkes Brummen im Empfänger. Fast kann man den Sender nicht hören. Wie haben Sie das Problem gelöst? Wenn man die Flanken des Rechtecksignals abrundet (wie?) würde das Brummen dann verschwinden?

Opa.Wolle:


MfG
Thomas

 1 2
 1 2
Oszillatorschaltung   HF-Verträglichkeit   Röhrenempfänger   Magische-Augen-Tester   Röhren-Kofferradio   Leistungsoszillator   Sekundärwicklungen   HF-Rechteckschleudern   Anodenspannung   tragbaren   Spannungsglättung   plasmatron-high-voltage-supply   10ct-Brückengleichrichter   Gegentaktansteuerung   Röhren-Kofferradios   Halbleiterherstellern   erzeugen   Polytronicbaukasten   Hochspannungsbastelzeiten   Anodenbatterie