| Passwort vergessen?
Sie sind nicht angemeldet. |  Anmelden

Sprache auswählen:

Wumpus Gollum Forum von
Wumpus Welt der (alten) Radios
Sie sind nicht angemeldet.
 Anmelden

Faderstart elektronisch lösen
  •  
 1
 1
24.08.12 10:34
technikfreund 

500 und mehr Punkte

24.08.12 10:34
technikfreund 

500 und mehr Punkte

Faderstart elektronisch lösen

Hallo Zusammen!

Bei einem Mischpult gibt es versch. Möglichkeiten, ein angeschlossenes
Gerät vom Pult aus Fernzusteuern.

1. den sog. "Hotstart" über Taster am Pult

2. Faderstart über Mikroschalter od. Lichtschranke

3. Faderstart durch eine Elektronik

Ich möchte mich dem 3. Punkt widmen:

Bei einem Mono Weg, z.B. Mikrofon kann man einfach
ein Stereo Poti einbauen, über die unbenutzte Seite des Stereopotis
wird eine Spannung geschickt, durch die dann ein Schmitt-Trigger angesteuert wird.

Nun bin ich am überlegen, wie ich das gleiche mit einem Stereo Weg hinbekommen könnte,
da die Plattenspieler in Stereo abspielen sollen.

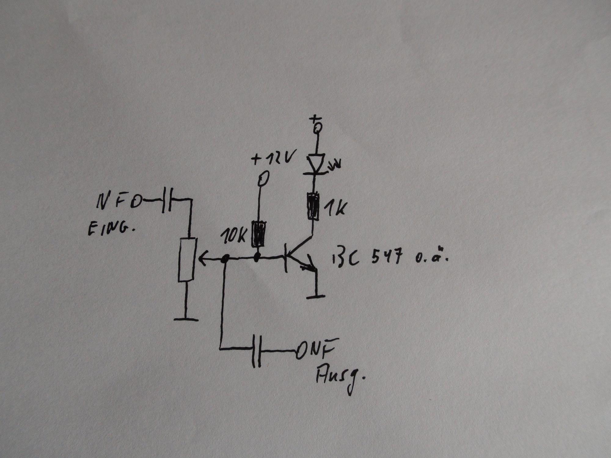
Eine selbstüberlegte Schaltung liegt vor:

Das NF Signal wird über Kondensatoren eingekoppelt, das Poti liegt unten an Masse.
Wird der Flachbahnregler hochgeschoben, wird der Transistor, dessen Basis am Schleifer angeschlossen
ist, durchgesteuert.


Nun ist die Frage ob das Funktionieren könnte, (werde es ggf. Nachher mal Probehalber aufbauen) und welche
beeinträchtigungen es geben könnten. Frequenzgang o.ä.

Ich suche halt nach einer Lösung, die ohne Mechanische Bearbeitung auskommt, also keine Lichtschranken,
Mikroschalter kleben.

Viele Grüße Technikfreund.

Zuletzt bearbeitet am 24.08.12 10:35

Datei-Anhänge
Schaltplan.JPG Schaltplan.JPG (434x)

Mime-Type: image/jpeg, 279 kB

Noch gefällt der Beitrag keinem Nutzer.
!
!!! Fotos, Grafiken nur über die Upload-Option des Forums, KEINE FREMD-LINKS auf externe Fotos.    

!!! Keine Komplett-Schaltbilder, keine Fotos, keine Grafiken, auf denen Urheberrechte Anderer (auch WEB-Seiten oder Foren) liegen!
Solche Uploads werden wegen der Rechtslage kommentarlos gelöscht!

Keine Fotos, auf denen Personen erkennbar sind, ohne deren schriftliche Zustimmung.

Den Beitrag-Betreff bei Antworten auf Threads nicht verändern!
24.08.12 12:16
ingodergute 

Moderator

24.08.12 12:16
ingodergute 

Moderator

Re: Faderstart elektronisch lösen

Hallo technikfreund,

so wie Deine Schaltung jetzt aufgebaut ist, funktioniert sie nicht. Wenn ein Basisstrom in den Transistor fließt, liegt der differentielle Widerstand der Basisemitterdiode parallel zum NF-Signal und schließt dieses kurz. Man müsste also direkt vor die Basis einen möglichst hochohmigen Widerstand in Reihe schalten. Dann müsstest Du am besten einen Darlingtontransistor oder einen zweiten Transistor einsetzen, um genügend Verstärkung zum Schalten eines Relais/Optokopplers o.ä. zu haben.

Ich würde Dir trotzdem vom Prinzip abraten. Liegt am Schleifer des Potis eine Gleichspannung, so erzeugst Du beim Betätigen des Potis ein nicht unerhebliches Rauschsignal. Zudem verstärkst Du alle Stör-/Restbrummanteile Deiner Betriebsspannung. Eher würde ich eine Lichtschranke oder einen Hallschalter (dann mit Magnet auf den Schleifer geklebt) einsetzen.

Alternativ könntest Du, wenn es sich um einen Monoregler handelt auch einen Doppelregler einbauen und die 2. Widerstandsbahn nutzen, um die von Dir erdachte Schaltung zu realisieren.

Viele Grüße

Ingo.

24.08.12 13:38
technikfreund 

500 und mehr Punkte

24.08.12 13:38
technikfreund 

500 und mehr Punkte

Re: Faderstart elektronisch lösen

Hi Ingo!

Ich bin gerade dabei das Pult mechanisch zu verbessern, da meine Flachbahnregler
ja unter der Frontplatte aufgehängt sind und diese Aufhängung dort, wo Mikroschalter
eingesetzt wurden, unterbrochen werden musste und so die mechanische Stabilität
nicht mehr so hoch war.

Die beiden Mono Mikrofonkanäle werden nun mit Stereo Flachbahnreglern
aufgebaut, auf die unbenutzte Widerstandsbahn wird eine Spannung von 15 Volt DC
gegeben, welche dann auf einen Schmitt-Trigger geht. Dazu noch ein Mono-Flop
und eine Astabile Kippstufe, und eine Rotlicht Schaltung mit Achtung Blinklampe ist fertig.

Die Plattenspieler werde ich wieder mit Mikroschaltern schalten, wenn alles fertig ist
gibt es an der mechanischen Aufhängung nur noch eine Unterbrechung.

Viele Grüße Technikfreund.

24.08.12 13:49
ingodergute 

Moderator

24.08.12 13:49
ingodergute 

Moderator

Re: Faderstart elektronisch lösen

Hallo Technikfreund,

ein kleiner Magnet und ein kleiner Reedkontakt würden auch gehen. Ist vielleicht einfacher zu montieren als ein Mikroschalter.

Gruß Ingo.

24.08.12 14:11
technikfreund 

500 und mehr Punkte

24.08.12 14:11
technikfreund 

500 und mehr Punkte

Re: Faderstart elektronisch lösen

Hi Ingo!

Im Grunde genommen ist die Idee mit dem Mikroschalter genial,
einer der Anschluss-Stifte am Mikroschalter wurde gekürzt,
der so gewonnene Rest aufgefeilt, gebogen und auf den Schleiferblock gelebt. (2 Komponenten
Kleber.)

Der Mikroschalter seitlich an den Flachbahnregler und fertig - alles leider sehr viel Fummelarbeit.

Einen Magneten hätte ich gar nicht an der Schleiferblock bekommen - viel zu dick.





Ein Nachteil ist natürlich das der Schleiferblock dadurch höher geworden ist, und so sind am Ende auch die
Reglerknöpfe unterschiedlich hoch.

Viele Grüße Technikfreund.

Zuletzt bearbeitet am 24.08.12 14:13

Datei-Anhänge
DSC00541.JPG DSC00541.JPG (445x)

Mime-Type: image/jpeg, 159 kB

DSC00542.JPG DSC00542.JPG (462x)

Mime-Type: image/jpeg, 165 kB

 1
 1
Schleiferblock   Basisemitterdiode   Flachbahnreglern   Anschluss-Stifte   Betriebsspannung   angeschlossenes   Plattenspieler   Schmitt-Trigger   Widerstandsbahn   Faderstart   beeinträchtigungen   Mikroschalter   Technikfreund   elektronisch   Lichtschranke   Darlingtontransistor   unterschiedlich   Restbrummanteile   selbstüberlegte   Flachbahnregler