| Baubericht Röhren-Mittelwellen-Audion im Holzgehäuse (viele Bilder) |
|
|
|
1 .. 3 4 5 6 7 .. 9
|
| 1 .. 3 4 5 6 7 .. 9
|
|
24.11.11 12:37
joeberesf  500 und mehr Punkte
|
24.11.11 12:37
joeberesf  500 und mehr Punkte

|
Re: Baubericht Röhren-Mittelwellen-Audion im Holzgehäuse (viele Bilder)
Hallo Volker,
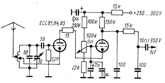
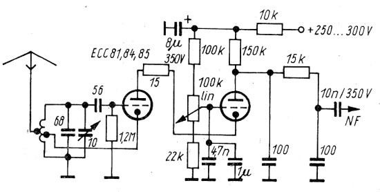
welche Funktion hat der Widerstand R3 mit 10k am Gitter der Endröhre?
Gruß
Joe
|
|
|
|
|
|
|
24.11.11 12:53
nobbyrad58  500 und mehr Punkte
|
24.11.11 12:53
nobbyrad58  500 und mehr Punkte

|
Re: Baubericht Röhren-Mittelwellen-Audion im Holzgehäuse (viele Bilder)
Hallo Zusammen!
Manchmal findet man an Punkt B - R2 auch eine Reihenschaltung von einer HF Drossel und einem kleineren Anodenwiderstand. So ist die Anodenspannung höher und damit auch die Arbeitssteilheit der Röhre. Bei Trioden bestimmt noch wichtiger als bei Pentoden. Die Kombi R1 und 330pF ist bestimmt experimentell optimiert worden, der niedrige Gitterableitwiderstand des Audion verringert die Verzerrungen, bei einer 30m Antenne bestimmt nicht verkehrt da können schell Übersteuerungen auftreten. Bei geringeren Antennenspannungen könnte dieser R größer sein. Interessant ist die Rückkopplung über die Katode, damit ist die von Rainer angesprochene Feinreglung über ein eine Poti in der Anodenzuführung genau richtig.
MFG Nobby
|
|
|
|
|
24.11.11 13:00
Volker  500 und mehr Punkte
|
24.11.11 13:00
Volker  500 und mehr Punkte

|
Re: Baubericht Röhren-Mittelwellen-Audion im Holzgehäuse (viele Bilder)
Hallo zusammen,
vielen Dank. Mit den Tipps von Euch wird man ja wohl fast jedes Trioden-Pentoden-System verwenden können. Die PCL84 wurde nach meinen Recherchen als Videoverstärker eingesetzt. Eine kurze Suche im Netz ergab auch, dass viele Bastler damit NF-Verstärker gebaut haben.
Ich werde bei der PCL86 bleiben. Das Radio dudelt heute damit den ganzen Tag und schlägt sich wacker beim Empfang der Deutschen Welle. Der Empfang und der Klang ist nicht viel schlechter als mit meinem Röhrensuperhet. Da aber so viele gebrauchte PCL84 ungenutzt in den Bastelkisten schlummern, macht es schon Sinn auch mit dieser und ähnlichen Röhren zu experimentieren.
Interessant ist noch, dass sowohl bei meinen PCL84 als auch bei meinen PCL86 die besten Exemplare von Telefunken waren. Vielleicht ist das reiner Zufall oder Röhren von Telefunken wurden bevurzugt als Ersatzteil verwendet, womit diese Röhren eine geringere Betriebsdauer zum Zeitpunkt der Verschrottung der Fernseher hätten.
Nachtrag.: R3 am Gitter der Pentode habe ich nur zur Sicherheit eingebaut, und soll eventuelle wilde UKW-Schwingungen unterbinden. Solche Widerstände sieht man in vielen NF-Endstufen. Ich hatte mal ein geregeltes Netzgerät mit einem MOS-FET als Längsregler aufgebaut. Die Schaltung fing an auf UKW zu schwingen. Es ist dasselbe Problem. Auch in diesem Falle hatte ein Widerstand in die Leitung zum Gate (was ja dem Steuergitter entspricht) Abhilfe geleistet. Ein FET oder eine Elektronenröhre hat ja eine kleine Kapazität zwischen dem Steuergitter bzw. dem Gate und den anderen Elektroden. Dadurch fließt bei UKW ein Wechselstrom durch das Gate bzw. Gitter. Dieser Strom wird durch den Vorwiderstand begrenzt, wodurch das System hoffentlich nicht mehr schwingen kann. So kann man sich das vorstellen. Oder anders gesagt. Der Vorwiderstand bildet zusammen mit der Eingangskapazität einen Tiefpass, wodurch die Verstärkung für eine UKW-Oszillation nicht mehr ausreicht.
Viele Grüße Volker
"Das Radio hat keine Zukunft." (Lord Kelvin, Mathematiker und Physiker (1824-1907))
Zuletzt bearbeitet am 24.11.11 13:14
|
|
|
|
|
24.11.11 13:39
Klaus  500 und mehr Punkte
|
24.11.11 13:39
Klaus  500 und mehr Punkte

|
Re: Baubericht Röhren-Mittelwellen-Audion im Holzgehäuse (viele Bilder)
joeberesf: welche Funktion hat der Widerstand R3 mit 10k am Gitter der Endröhre?
Hallo Joe,
in der Literatur wird dieser Widerstand manchmal als grid stopper bezeichnet, Funktion wie von Volker erläutert.
Viele Grüße Klaus
|
|
|
|
|
24.11.11 14:00
nobbyrad58  500 und mehr Punkte
|
24.11.11 14:00
nobbyrad58  500 und mehr Punkte

|
Re: Baubericht Röhren-Mittelwellen-Audion im Holzgehäuse (viele Bilder)
Hallo Zusammen!
Telefunken gibt in seinen Technischen Daten zur PCL84 an: Triode: getastete Schwundregelung , Synchronisierstufe. Pentode: Video - Endstufe für Fernsehempfänger, nicht für NF - Betrieb. Die PCL85 wäre besser geeignet, steilere Triode und stärkere Pentode: Na 7W 
MFG Nobby
|
|
|
|
|
24.11.11 15:10
wumpus  Administrator
|
24.11.11 15:10
wumpus  Administrator

|
Re: Baubericht Röhren-Mittelwellen-Audion im Holzgehäuse (viele Bilder)
Hallo zusammen,
die PCL84 ist im Penthodensystem von 0 Hz bis weit über 5,5 Mhz "hellwach" und neigt dadurch leichter zu wilden Schwingungen, sie ist eben eine klassische Video-Bandbreitenröhre mit Leistung. Deshalb ist der G1-Reihenwiderstand eine gute Sache. Es kann aber eben auch vorkommen, dass das System trotzdem ins Schwingen gerät. Kommt - ich wiederhole mich jetzt - dann immer auch darauf an, dass stabile Masseverhältnise im Radio herrschen. So kann eben auch eine HF-Drossel in der Kathode zusätzliche Stabilität bringen.
Gruß von Haus zu Haus Rainer (Forum-Betreiber)
Rettet den analogen deutschen AM / FM - Rundfunk!: www.rettet-unsere-radios.de Mach mit: Photos der letzten AM-Sender: http://www.wumpus-gollum-forum.de/forum/...e-am-sender.htm Besuche die WEB-Seite des Deutschen Rundfunk-Museum e.V. http://www.drm-berlin.de
|
|
|
|
|
|
|
24.11.11 19:22
Volker  500 und mehr Punkte
|
24.11.11 19:22
Volker  500 und mehr Punkte

|
Re: Baubericht Röhren-Mittelwellen-Audion im Holzgehäuse (viele Bilder)
Hallo zusammen,
wunderbare Diskussion. Da lernt man wirklich was dazu. Ich höre den ganzen Tag mit der PCL86 den Deutschlandfunk. Nur um die Mittagszeit hat der Empfang geschwächelt.
Mehr Radio brauche ich nicht. Superhet, Fernsehen, UKW - der ganze moderne Schnickschnack ist eigentlich überflüssig   .
Hat jemand eine Idee, wie man den 9-kHz-Interferenz-Pfeifton dämpfen kann? Geht das mit einem LC-Serienkreis zwischen dem Steuergitter der Pentode und Masse? Oder gibt es eine Möglichkeit über eine frequenzabhängige Gegenkopplung ein Kerbfilter aus RC-Gliedern aufzubauen?
Viele Grüße Volker
"Das Radio hat keine Zukunft." (Lord Kelvin, Mathematiker und Physiker (1824-1907))
|
|
|
|
|
24.11.11 20:37
nobbyrad58  500 und mehr Punkte
|
24.11.11 20:37
nobbyrad58  500 und mehr Punkte

|
Re: Baubericht Röhren-Mittelwellen-Audion im Holzgehäuse (viele Bilder)
Hallo Volker!
Solche Saugkreise wurden meist als sog. 9kHz Sperre am Anodenkreis der Endröhre angebracht. Von der Anode der Endrohre ein L C Serienkreis nach Masse. Das Problem ist durch die rel. Hochohmigkeit muss die Spule eine Menge Henry haben. Am Gitterkreis der noch hochohmiger ist noch mehr Henry. Das heißt einen Spulen.- Trafokern der dafür geeignet ist und viele viele Windungen wickeln, oder eine andere Induktivität Trafo o.ä. umstricken. Möglicherweise gibt es hier im Forum ein paar Tips oder Ideen dazu.
MFG Nobby
|
|
|
|
|
25.11.11 00:40
qw123  500 und mehr Punkte
|
25.11.11 00:40
qw123  500 und mehr Punkte
|
Re: Baubericht Röhren-Mittelwellen-Audion im Holzgehäuse (viele Bilder)
Hallo Volker,
Volker: Hat jemand eine Idee, wie man den 9-kHz-Interferenz-Pfeifton dämpfen kann? Geht das mit einem LC-Serienkreis zwischen dem Steuergitter der Pentode und Masse? Oder gibt es eine Möglichkeit über eine frequenzabhängige Gegenkopplung ein Kerbfilter aus RC-Gliedern aufzubauen?
das mit dem LC-Saugkreis dürfte daran scheitern, daß, wie 'Nobby' schon angemerkt hat, eine geeignete Induktivität mit ausreichender Güte nicht beschaffbar ist.
Wenn Du eine rein passive Lösung suchst, könntest Du mal mit einem sog. Doppel-T-Netzwerk zwischen Audion und Endstufe experimentieren. Rein passiv aufgebaut, ist das allerdings nicht sehr schmalbandig. Es dämpft auch noch etwas im Bereich der höchsten auf AM übertragenen Frequenzen von 4.5kHz.
Wenn es schmalbandiger sein soll, benötigt man Gegenkopplung. Da Du bei Deinem Empfänger aber keine Verstärkung für die Gegenkopplung zu verschenken hast, würde das den Einbau einer zusätzlichen NF-Stufe bedeuten.
Um zu sehen, ob man auch mit der rein passiven Version zurechtkommt, müßte man etwas experimentieren. Am einfachsten geht das mit einer Simulation. Ich empfehle deshalb bei jeder passenden und unpassenden Gelegenheit, sich mal mit einem Simulationsprogramm anzufreunden. (z.B. LTSpice, siehe Wikipedia).
Gruß
Heinz
Zuletzt bearbeitet am 25.11.11 00:41
|
|
|
|
|
|
1 .. 3 4 5 6 7 .. 9
|
| 1 .. 3 4 5 6 7 .. 9
|