| Passwort vergessen?
Sie sind nicht angemeldet. |  Anmelden

Sprache auswählen:

Wumpus Gollum Forum von
Wumpus Welt der (alten) Radios
Sie sind nicht angemeldet.
 Anmelden

UKW- Flankendetektor. Antennen, Flachbandkabel, Topfkreis
  •  
 1 .. 21 .. 39 40 41 42 43 .. 45
 1 .. 21 .. 39 40 41 42 43 .. 45
05.10.12 23:52
joeberesf 

500 und mehr Punkte

05.10.12 23:52
joeberesf 

500 und mehr Punkte

Re: UKW- Flankendetektor. Antennen, Flachbandkabel, Topfkreis

Hallo Bernd,

MB-RADIO:
ich kann mir das nur so erklären: Bei dieser µV-Jagerei muß eine Massestelle mit der anderen Massestelle auch wirklich dort und sehr massiv verbunden werden, wo auch wirklich Null Volt sind. Und da bei deinem Topf wüsste ich schon nicht wo genau das ist.

ja genau, wo ist eigentlich die Masse beim Cu- Kasten? Ich hatte in der ersten Versuchsreihe auf dem Hausberg, einen
Anschluss am offenen Ende des Cu Kastens gesetzt. Auf der Seite von R.W. kann man den Massepunkt nicht sehen. Was
mich etwas verwirrt hat, waren auf der Stellerseite mit Bleistift, auf den Holzkasten, gekennzeichnete + und - Symbole.
Warum hat er das gemacht? Deutet er hier einen Nullpunkt, oder auf eine Potentialverteilung im Kasten hin?
Eine Mail könnte es klären.

Gruß

Joe

!
!!! Fotos, Grafiken nur über die Upload-Option des Forums, KEINE FREMD-LINKS auf externe Fotos.    

!!! Keine Komplett-Schaltbilder, keine Fotos, keine Grafiken, auf denen Urheberrechte Anderer (auch WEB-Seiten oder Foren) liegen!
Solche Uploads werden wegen der Rechtslage kommentarlos gelöscht!

Keine Fotos, auf denen Personen erkennbar sind, ohne deren schriftliche Zustimmung.

Den Beitrag-Betreff bei Antworten auf Threads nicht verändern!
08.10.12 08:55
MB-RADIO 

500 und mehr Punkte

08.10.12 08:55
MB-RADIO 

500 und mehr Punkte

Re: UKW- Flankendetektor. Antennen, Flachbandkabel, Topfkreis

Hallo Joe,

nur so ein Gedanke zu der Lautstärkeminderung bei Masseanschluß.
Hast Du nach dem Masseanschluß mal nachgestimmt ? Eventuell wird dadurch nur der Schwingkreis leicht verstimmt und dadurch leiser.
Ansonsten müßtest Du doch den Massepunkt abtasten können, wo es nicht leiser wird.
Ich weiß , das ist leicht gesagt

Viele Grüße
Bernd

08.10.12 15:48
joeberesf 

500 und mehr Punkte

08.10.12 15:48
joeberesf 

500 und mehr Punkte

Re: UKW- Flankendetektor. Antennen, Flachbandkabel, Topfkreis

Hallo Bernd, hallo zusammen,

abgetastet habe ich nur den Bereich am offenen Ende des Kastens. Ich hatte eine Kupferklammer aus
dünnem Blech an verschiedene Positionen gesetzt. Hier konnte ich keinen Unterschied zwischen den
Positionen feststellen.
Nachgestimmt habe ich immer, also ich bin mir ziemlich sicher. Das gehört beim Detektor ja zur Routine.
Aber auf die Idee, mit einem langen Massedraht in das tiefe Innere hineinzugehen, bin ich nicht gekommen.

Ist ja eigentlich auch klar warum,... da sich das Innere und überhaupt die direkte Umgebung der Helix, sich für mich wie ein
Reinraum höchster Güte darstellt. Da einen Draht durchzustecken hätte ich gar nicht übers Herz gebracht und
ist ja beim R.W. - Vorbild, auch nicht zu sehen. Da ein Masseanschluss ja nicht von außen am Kupfer erfolgen kann,
bin ich mal auf die Antwort von R.W. gespannt. Vorgestern habe ich eine Anfrage dazu gestellt.

Ich bereite nun bald eine abschließende Zusammenfassung des UKW- Empfangsprojekts für Rainers Gollum- Gäste- Seite
vor. Das ist für mich ein guter Schlusspunkt für dieses Projekt. Obwohl..die Erfahrung zeigt, das sich häufig doch noch
einiges ändert.
Der Detektor soll noch einen Verstärker bekommen...und falls ich jemals meinen Bastelkeller hinbekomme und ich die Yagi
fest montieren kann, bekommt das Gerät die Aufgabe, mich mit dem typischen UKW Dudelradio beim Basteln zu unterhalten.
Die Yagi soll dann einen min. 6m Mast bekommen, um mehr Feldstärke zu gewinnen.

Hört sich gut an...oder? Aber schau mal in meinen Minnikeller....
Dieser steht voll mit Gerümpel aus 20 Jahren Familienleben. Da kann man nicht einfach alles wegschmeißen. Nein..

Gruß

Joe

10.10.12 18:36
joeberesf 

500 und mehr Punkte

10.10.12 18:36
joeberesf 

500 und mehr Punkte

Re: UKW- Flankendetektor. Antennen, Flachbandkabel, Topfkreis

Hallo zusammen,

ich habe bei meinem Diskriminatoraufbau einen Fehler gemacht.
Robert schickte mir eine Modifikation meiner Schaltung, ansonsten funktioniert der Aufbau nicht als Diskriminator,
sondern nur als Flankendetektor.
Nun wird wieder nachgebastelt...bin gespannt auf das Ergebnis. Ich habe natürlich wieder Fragen gestellt, da ich mir
unsicher bin.

1. kann ich die Verbindung zum Eingangsbalun mit einem zweiten autonomen Kern umsetzen?
2. Ist eine Masseverbindung zum Kupferkasten wirklich notwendig und wie hat er sie durchgeführt?
Diese Fragen stehen noch aus.


Hier seine aktuellen statements in blau und abschließend die Schaltung.

Gruß

Joe

Hi Joe,
Okay, I misunderstood. The ground point was the shield of the resonator. Any point on the shield is fine.


I hadn't seen your discriminator schematic until now. I believe that it is only acting as a normal detector, because the diodes need to combine two signals with a 90° phase difference and you only have one signal coming from the pickup loop. In my circuit (see attached) there is an additional winding on the toroid transformer which provides an in-phase signal which is connected to the common point between the two diodes. The signal that passes through the resonator is shifted 90° and connects to the other ends of the diodes, which act as a quadrature detector.

In my circuit I connected directly from the transformer to a tap on the resonator coil. Your method with the separate input loop should work too, but will still need an additional winding on the transformer. In the second attachment, I've modified your diagram to show a second winding on the transformer connected to the common point of the diodes. This should work as a discriminator. The best number of turns will have to be found experimentally.


Best Regards,
Bob




Zuletzt bearbeitet am 10.10.12 18:41

Datei-Anhänge
Dikriminator.PNG Dikriminator.PNG (292x)

Mime-Type: image/png, 33 kB

10.10.12 18:57
nobbyrad58 

500 und mehr Punkte

10.10.12 18:57
nobbyrad58 

500 und mehr Punkte

Re: UKW- Flankendetektor. Antennen, Flachbandkabel, Topfkreis

Hallo Joe!

Auch bei Robert's Schaltung handelt es sich um einen Flankendiskriminator. Er ist nur geschickt als Gegentaktschaltung ausgeführt. Die Dioden könnten auch gleichphasig liegen, nur dann müssten die Diskriminatorspulen gegenphasig gebaut werden was hier auf konstruktive Schwierigkeiten stößt. In der Theorie addieren sich beide Spannungen, aber auch die Dämpfung des Primärkreises wird stärker. Was jetzt besser ist wäre zu testen.

MFG Nobby

10.10.12 20:08
joeberesf 

500 und mehr Punkte

10.10.12 20:08
joeberesf 

500 und mehr Punkte

Re: UKW- Flankendetektor. Antennen, Flachbandkabel, Topfkreis

Hallo Nobby,

vielen Dank für Deine Beurteilung. Ich denke das die Resonatormasse (Cu-Kasten) unbedingt umzusetzen ist.
Hier wird der eigentliche 0- Punkt gebildet, um natürlich auch den korrekten Phasenwinkel zu bekommen
und eine wirkliche Gegentaktschaltung herzustellen. Bezüglich der Dämpfung könnte ich mir aber auch
vorstellen, eine Diode umzudrehen und den 0- Punkt am Spulenmittelabgriff zu bekommen. Dies würde bedeuten,
dass das Dämpfungsverhalten sich kaum ändert. Hier will ich aber ersteinmal Roberts Vorschlag genau
umsetzen. Das Ausblenden der KW- Stationen, mit der derzeitigen Schaltung, kann beim Umdrehen einer Diode wieder
auftreten. Dies will ich vermeiden.
Wichtig ist, den Fehler im Schaltungsaufbau zu erkennen. Wenn ich mir die Analyse genau ansehe, bedeutet es eigentlich
auch, dass nur der halbe Auskopplungsloop genutzt wird. Die zweite Hsms-2850 ist außer Betrieb. Dies konnte ich schon beim
ersten freien Aufbau, eigentlich schon durch Fingerprobe, feststellen.
Dann ist die geringfügige, subjektive Empfindlichkeitssteigerung meines jetzigen Aufbaus, eher der neuen mechanischen
Konstruktion zu schulden. Das find ich beruhigend.

Beste Grüße

joe

23.10.12 10:43
joeberesf 

500 und mehr Punkte

23.10.12 10:43
joeberesf 

500 und mehr Punkte

Re: UKW- Flankendetektor. Antennen, Flachbandkabel, Topfkreis

Hallo Resonatorfreunde,

ich habe nun den Diskriminator über 5W an T1 angeschlossen und konnte eine weitere
Empfindlichkeitssteigerung erreichen. Der Eingangsbalun (theo. 4:1) wurde mit versilberten Teflondraht
bewickelt. Die Drossel im 0V- Pfad (Masse) wurde entfernt.
Dies hatte zur folge, dass ich mit einem unangepassten,
offenen Dipol die 88.8MHz, an der Hörschwelle, am Basteltisch in der Wohnung hatte.
Die Yagi zeigte mir deutlich, wie sich das Abstimmverhalten mit dem Diskriminator verändert hat.
Bei der Flankendetektorschaltung ist ja immer links oder rechts an der Resonanzflanke
abzustimmen. Das heißt,.. es gibt auf jeder Frequenz zwei optimale Arbeitspunkte zur Demodulation.
Mit der neuen Schaltung ist dieser Effekt verschwunden. Es ist nur noch im Resonanzmaximum ein
Arbeitspunkt vorhanden. Also die Schaltung funktioniert ! Keine Einstreuungen der KW und ich habe
den subjektiven Eindruck, dass die Bandbreite eher etwas schmaler geworden ist. Ulkig, da die Belastung
des Kreises eher gestiegen ist und damit die Dämpfung zunimmt.

Über Recherchen im www. bin ich aber immer noch nicht auf eine genaue Funktionsbeschreibung
oder Bezeichnung dieser Schaltung gestoßen. Schade, denn diese arbeitet ja mit der Phasendifferenz
des Signals. Positive und negative Halbwelle werden mit eingebunden. Das Resonanzmaximum müsste bei 180 Grad
liegen. (0- Durchgang der Schwingung) Bei 90 Grad links und 90 Grad rechts würde sich, meiner Meinung nach,
die Arbeitskennlinie des Diskriminators ausbilden. (Spannungshub auf fallender oder steigender Phasenflanke).

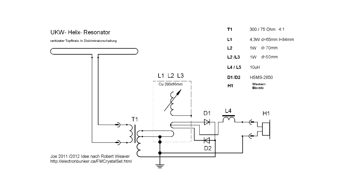
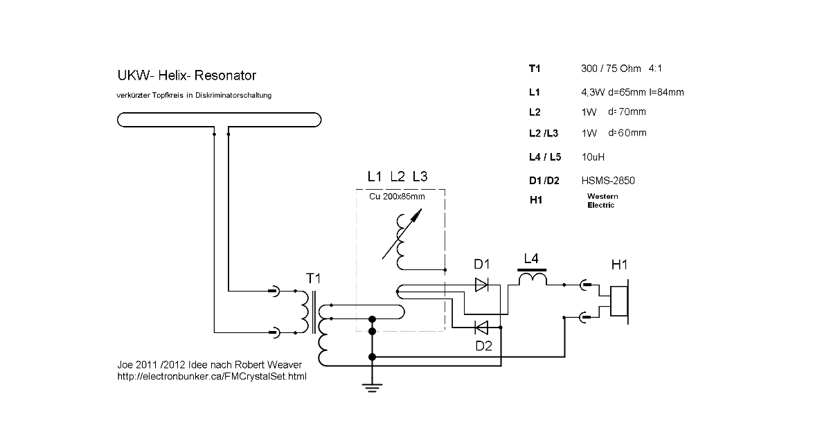
Hier der aktuelle Plan ohne Masseverbindung zum Topf! Diese habe ich wieder entfernt, da ein eindeutiger
Signalgewinn vorliegt. Unten mal eine Skizze zum ungefähren Arbeitspunkt und der Versuch die Schaltung
zu verstehen.

Gruß

joe

Skizze zum Arbeitspunkt gelöscht...ist eher verwirrend gewesen und noch in Klärung (joe 24.10)



Zuletzt bearbeitet am 24.10.12 21:25

Datei-Anhänge
joe Dikriminator ohne Masseverbindung zum Topf.png joe Dikriminator ohne Masseverbindung zum Topf.png (298x)

Mime-Type: image/png, 43 kB

24.10.12 12:12
MB-RADIO 

500 und mehr Punkte

24.10.12 12:12
MB-RADIO 

500 und mehr Punkte

Re: UKW- Flankendetektor. Antennen, Flachbandkabel, Topfkreis

Hallo Joe,

das wird immer interessanter.

Also meiner Meinung nach ist das kein Riegger-Kreis, sondern ein Verhältnisgleichricher(Ratiodetektor).
ließ dazu mal hier Seite 10 die Beschreibung zum Ratiodetektor
http://books.google.de/books?id=vYh8vEUy...eis&f=false

Ja und der Effekt der größeren Lautstärke bei höherer Belastung, wie Du oben schreibst, wird wohl wieder der Z-Anpassung der geschuldet sein.

Viele Grüße
Bernd

Zuletzt bearbeitet am 24.10.12 12:12

24.10.12 21:02
joeberesf 

500 und mehr Punkte

24.10.12 21:02
joeberesf 

500 und mehr Punkte

Re: UKW- Flankendetektor. Antennen, Flachbandkabel, Topfkreis

Hallo Bernd, hallo zusammen,

der R.W. Demodulator hat mich überzeugt, obwohl der Lautstärkegewinn minimaler ausgefallen ist, als
ich erhofft habe. Da ja auch der negative Bereich anscheinend mit einbezogen wird, hatte ich einen weit aus
besseren Spannungshub erwartet. Allerdings addieren sich nun auch zusätzliche Verluste an den Dioden
und der Wicklung auf T1.
Das der Demodulator ein Ratiodetektor ist, hatte ich anhand des http://www.elektroniktutor.de/signale/fm_demod.html auf Blatt 39
auch vermutet. Aber die R.W. Schaltung ist schon etwas abgewandelt. Nobby ist deswegen anderer Meinung
und schreibt es handelt sich um einen....

nobbyrad58:
Auch bei Robert's Schaltung handelt es sich um einen Flankendiskriminator. Er ist nur geschickt als Gegentaktschaltung ausgeführt. Die Dioden könnten auch gleichphasig liegen, nur dann müssten die Diskriminatorspulen gegenphasig gebaut werden was hier auf konstruktive Schwierigkeiten stößt. In der Theorie addieren sich beide Spannungen, aber auch die Dämpfung des Primärkreises wird stärker. Was jetzt besser ist wäre zu testen.

Das wird sich bestimmt noch klären lassen. Ich habe noch eine Anfrage diesbezüglich an meinen Radiofreund gestellt, ich
hoffe er kann mir den Vorgang, der abgespeckten R.W. Schaltung, genau erklären. R.W. hat mir übrigens noch eine
zweite mögliche Version geschickt (Anhang). Ist aber die gleiche Technik. Es geht dabei immer um die Verschiebung der Phasenlage..
und damit wohl um die Verschiebung des jeweiligen 0- Punktes. Die obige Skizze zum Arbeitspunkt habe ich gelöscht, da diese
so noch nicht richtig ist.

Ich werde als kleinen Vergleichstest noch einen Minni- Wendel-Topf aufbauen. Es kommt die gleiche Schaltung rein.
Hier ein Bild vom Wobbeln und die Innereien. Komplett versilbert und geschlossen. Güte weit über 1000. Die kleine
Wendel im Inneren der Helix simulierte wohl die Diskriminatorwicklung. Diese verschwindet wieder, da dadurch die Güte auf
500 gefallen ist.
Das Teil ist ausgemessen auf 80-120MHz. Kommt aus russischer Militärtechnik und ist ebenfalls ein Geschenk meines
Radiofreundes. (Anhang) Mit Glasdurchführungen geht es zu den Wendeln ins Innere. Abstimmung mit Schraubkeramiktrimmer.
Er versuchte das Teil zu betreiben,...aber hat einfach zu wenig Feldstärke am Standort.

Gruß

Joe

Zuletzt bearbeitet am 25.10.12 09:56

Datei-Anhänge
JB_detector2.PNG JB_detector2.PNG (353x)

Mime-Type: image/png, 23 kB

Wendeltopf 1.JPG Wendeltopf 1.JPG (345x)

Mime-Type: image/jpeg, 134 kB

Wendeltopf 2.JPG Wendeltopf 2.JPG (350x)

Mime-Type: image/jpeg, 129 kB

25.10.12 09:05
MB-RADIO 

500 und mehr Punkte

25.10.12 09:05
MB-RADIO 

500 und mehr Punkte

Re: UKW- Flankendetektor. Antennen, Flachbandkabel, Topfkreis

Hallo Joe,

bei einem Flankengleichrichter mußt Du aber immer jeden Sender zweimal kurz nebeneinander empfangen können. Jetzt hast Du aber doch nur noch Empfang auf dem Maximum, da kann es kein Flankengleichrichter sein.
Das was Nobby schreibt, trifft bei Dir doch aber nicht zu, da Du die Spule einfach in der Mitte angezapft hast, und dadurch die zwei Teile des Kreises im Gegentakt arbeiten.

Nachtrag: Sehe ich das richtig? - glaube auf einem Bild den FA-NWT zu erkennen - ist das Deiner oder deines Freundes. Das ist das ideale Meßgerät um HF-Schaltungen auszumessen.

Viele Grüße
Bernd

Zuletzt bearbeitet am 25.10.12 09:20

 1 .. 21 .. 39 40 41 42 43 .. 45
 1 .. 21 .. 39 40 41 42 43 .. 45
Flankendetektor   zwischen   Zuletzt   bearbeitet   Antenne   Topfkreis   Detektor   möglich   Übertrager   Schaltung   müsste   zusammen   eigentlich   Anpassung   Flachbandkabel   natürlich   könnte   Grüße   Antennen   Vielleicht