| Passwort vergessen?
Sie sind nicht angemeldet. |  Anmelden

Sprache auswählen:

Wumpus Gollum Forum von
Wumpus Welt der (alten) Radios
Sie sind nicht angemeldet.
 Anmelden

interessante FM-Schaltung gefunden
  •  
 1 2 3
 1 2 3
15.02.18 19:29
regency 

500 und mehr Punkte

15.02.18 19:29
regency 

500 und mehr Punkte

Re: interessante FM-Schaltung gefunden

Hallo Arno_Jeff,
ein wirklich gutes Ergebnis, das du erzielt hast! Ich hoffe, du hast durch mein "Fruity Theremin" nicht Zweifel an der Seriosität meiner Theremin-Experimente bekommen.

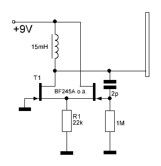
Ich habe mit 2 pnp Transistoren und emittergekoppeltem Oszillator (500 kHz) und anschließender jFET Puffer-Stufe Experimente am Start. Im Ergebnis komme ich auch auf ca. 10 kHz Frequenzänderung bei 0 bis 1 pf Handkapazität. Mit der Verlängerungsspule ergeben sich prinzipiell zwei Resonanzfrequenzen, der Oszilator schwingt sich auf eine davon bevorzugt ein, die tiefere ist die gewünschte. Bei den Simulationen muss unbedingt beachtet werden, dass die Spulen nicht vernachlässigbare Eigenkapazitäten haben und auch ohmsche Widerstände sind.

In deiner Schaltung vermute ich, dass die 100 mH Spule (Eigenkapazität rund 50 pF) weggelassen werden kann und die Antenne z.B. über 50 pF direkt an die 5 mH Spule gehen kann.

Viele Grüße,
Jan (regency)

P.S. Vielleicht spendiert uns der Wumpus ja doch noch irgendwann einmal eine eigene Theremin Rubrik. Ist ja doch alles nur Radio- und Audiotechnik.

!
!!! Fotos, Grafiken nur über die Upload-Option des Forums, KEINE FREMD-LINKS auf externe Fotos.    

!!! Keine Komplett-Schaltbilder, keine Fotos, keine Grafiken, auf denen Urheberrechte Anderer (auch WEB-Seiten oder Foren) liegen!
Solche Uploads werden wegen der Rechtslage kommentarlos gelöscht!

Keine Fotos, auf denen Personen erkennbar sind, ohne deren schriftliche Zustimmung.

Den Beitrag-Betreff bei Antworten auf Threads nicht verändern!
16.02.18 08:24
HB9 

500 und mehr Punkte

16.02.18 08:24
HB9 

500 und mehr Punkte

Re: interessante FM-Schaltung gefunden

Hallo zusammen,

ich habe noch eine Anmerkung zur simulierten Schaltung:

Statt am Schwingkreis würde ich das Oszillatorsignal am Emitter von Q2 auskoppeln, denn dieser Punkt ist sehr niederohmig und hat viel weniger Rückwirkung auf den Oszillator. Die Last sollte nicht kapazititv sein, da bei zu viel Kapazität Q2 mit dem Schwingkreis einen eigenen Oszillator bildet, was wohl nicht erwünscht ist.

Gruss HB9

17.02.18 10:56
regency 

500 und mehr Punkte

17.02.18 10:56
regency 

500 und mehr Punkte

Re: interessante FM-Schaltung gefunden

Hallo HB9,
nach meiner Erfahrung liegt an den gekoppelten Emittern Q1 und Q2 kein Sinussignal (verzerrte Halbwelle) an, obwohl das Signal am Kollektor von Q1 gut sinusförmig ausgesteuert ist. Man muss es dort halt hochohmig abnehmen.

Allerdings habe ich dieses verzerrte Signal an den Emittern schon bewusst genutzt, um im Audio Obertonspektrum (nach dem Mischer im Theremin) interessante Klänge zu erhalten.

VG Jan

23.02.18 12:15
HB9 

500 und mehr Punkte

23.02.18 12:15
HB9 

500 und mehr Punkte

Re: interessante FM-Schaltung gefunden

Hallo Jan,

wenn das Signal an den Emittern verzerrt ist, bedeutet das, dass Q2 übersteuert wird, also die Spannung am Schwingkreis zu gross wird. Das kann hier schnell passieren, da es keine echte Ampitudenregelung hat. Der Schwingkreis filtert natürlich die Oberwellen raus, daher sieht es dort recht gut aus. Zur Verhinderung von Übersteuerung und auch zur Stabilisierung der Amplitude (insbesondere wenn die Frequenz einstellbar sein soll) kann man zwei Dioden antiparallel zum Schwingkreis schalten (z.B. 1N4148), so bleibt alles schön sauber und die Amplitude stabil.

Eventuell ist auch noch eine Korrektur des Arbeitspunktes erforderlich, damit am Emitterwiderstand ausreichend Spannung abfällt.

Gruss HB9

23.02.18 13:41
Metabastler 

100-249 Punkte

23.02.18 13:41
Metabastler 

100-249 Punkte

Re: interessante FM-Schaltung gefunden

Moin,
ich erfreue mich auch an den HF - Diskussionen und besonders auch Theremin :)

Zum Thema:
Die zwei Dioden als Amplitudenbegrenzer sind aber ggf. temperaturabhängige Kapazitäten .. die möchte man in DEM Schwingkreis (Theremin) eher nicht haben.
evtl. R1 als spannungsgesteuerte Stromquelle , Steuerspannung aus gleichgerichtetem Ausgang? ...
(Wäre schön wenn man auch .asc Dateien von LT-Spice zulassen könnte .. Die Dateien sind kleiner als mancher Textbeitrag ;) )

Schönes Wochenende
Henrik

23.02.18 20:51
regency 

500 und mehr Punkte

23.02.18 20:51
regency 

500 und mehr Punkte

Re: interessante FM-Schaltung gefunden

Hallo Henrik und HB9,
ich habe mit dieser jFET Variante gearbeitet und mit der Standard Transistoren Variante Differenzverstärker Oszillator (https://de.wikipedia.org/wiki/Differenzv...rker-Oszillator). Sinusförmig an Source bzw. Emitter war es nur bei sehr geringen Betriebsspannungen. Selbst wenn R verkleinert wird.



VG, Jan

Zuletzt bearbeitet am 24.02.18 06:31

Datei-Anhänge
Oszi.GIF Oszi.GIF (296x)

Mime-Type: image/gif, 3 kB

24.02.18 16:08
regency 

500 und mehr Punkte

24.02.18 16:08
regency 

500 und mehr Punkte

Re: interessante FM-Schaltung gefunden

...hier noch ein Pspice-Befund. Grün= Kollektor, rot = Emitter.

Datei-Anhänge
Differenzoszillator.gif Differenzoszillator.gif (335x)

Mime-Type: image/gif, 12 kB

 1 2 3
 1 2 3
Resonanzüberhöhung   Synchrondemodulators   vierdollarfünfundneunzig   Voxhaus-Gedenktafel   Meißner-Oszillator   Theremin-Antennen-Serienkreis   Synchrondemodulator   Wumpus-Gollum-Forum   Meißner-Oszillatoren   Schwingkreisfrequenz   Theremin-Experimente   Differenzverstärker   interessante   Oszillator   ineinandergesteckten   Verbesserungsvorschläge   Synchron-AM-Demodulation   welt-der-alten-radios   FM-Schaltung   gefunden