| Passwort vergessen?
Sie sind nicht angemeldet. |  Anmelden

Sprache auswählen:

Wumpus Gollum Forum von
Wumpus Welt der (alten) Radios
Sie sind nicht angemeldet.
 Anmelden

Bau / Nachbau eines Antennentuners oder Antennenkoppler
  •  
 1 2 3 4 5
 1 2 3 4 5
20.02.16 18:35
BernhardWGF

nicht registriert

20.02.16 18:35
BernhardWGF

nicht registriert

Re: Bau / Nachbau eines Antennentuners oder Antennenkoppler

Guten Abend,

die Empfangsverbesserungen durch den Antennenkoppler habe ich in Bild und Ton festgehalten. Es werden nacheinander 3 Stationen zunächst in der Bypass-Stellung und dann im abgestimmten Zustand empfangen.


https://www.youtube.com/watch?v=qMd0wyeQV_8

Mit freundlichen Grüßen
Bernhard

Zuletzt bearbeitet am 20.02.16 18:36

!
!!! Fotos, Grafiken nur über die Upload-Option des Forums, KEINE FREMD-LINKS auf externe Fotos.    

!!! Keine Komplett-Schaltbilder, keine Fotos, keine Grafiken, auf denen Urheberrechte Anderer (auch WEB-Seiten oder Foren) liegen!
Solche Uploads werden wegen der Rechtslage kommentarlos gelöscht!

Keine Fotos, auf denen Personen erkennbar sind, ohne deren schriftliche Zustimmung.

Den Beitrag-Betreff bei Antworten auf Threads nicht verändern!
20.02.16 23:22
joeberesf 

500 und mehr Punkte

20.02.16 23:22
joeberesf 

500 und mehr Punkte

Re: Bau / Nachbau eines Antennentuners oder Antennenkoppler

Hallo Bernhard,

ja das Video ist schon beeindruckend. Diese Diskussion um die Vorwahl des Q- Selectors brauchst Du nur wenn zwei Stationen sehr eng aneinander liegen oder recht lange Antennen verwendet werden. Du hast dann zwar einen merklichen Lautstärkeverlust, aber dafür gewinnst Du zusätzliche Trennschärfe, wenn zusätzliche Kapazitäten zugeschaltet werden. Genau so wie schon im Manual beschrieben.. Ich weiß nicht ob man auf MW/ LW noch die Verlängerungsinduktivitäten braucht......als MW / LW - Freak schon...aber der KW gebe ich da mehr Zukunft.....das wird sich viel länger als attraktives und echtes weltumspannendes Medium erhalten. Also ein zusätzlicher Drehko am Antenneneingang mit einem einfachen Überbrückungsschalter wäre für KW die Wahl. So um 10- 100pF. Ich bin ja ein Freund elementarer Radioschaltungen und ein großer Detektorfreund. Der klassische Collins- Filter an einem induktiv gekoppelten KW- Detektorkreis bringt kaum Vorteile, da die Trennschärfe des klassischen Detektorkreises, sprich die Güte nicht ausreichend ist. Man müsste eigentlich einen KW- Topfkreis aufbauen, die Dimension wäre schon ziemlich gigantisch, und den Collins als Antennenanpasser vorschalten......das wäre aus meiner Sicht das Optimum.

Gib uns noch ein abschließendes Gesamtschaltbild deiner letztendlich umgesetzten Antennen- Filter- Schaltung. Das wäre für inspirierte Nachbauer immer ein wichtiges und abschließendes Ergebnis dieser Diskussion. Ein weiterer hilfreicher Baustein ist es die induktiven und kapazitiven Elemente einer Langdrahtantenne einzuordnen oder zu berechnen. Dies hat natürlich ggfs. Auswirkungen auf die Filterdimensionierung oder einer echten Direktanpassung des Schwingkreises.

Rechner: http://dl7ahw.bplaced.net/kapazitaet.htm

Gruß

Joerg

Zuletzt bearbeitet am 21.02.16 00:33

21.02.16 12:49
BernhardWGF

nicht registriert

21.02.16 12:49
BernhardWGF

nicht registriert

Re: Bau / Nachbau eines Antennentuners oder Antennenkoppler

Guten Tag,

Sie haben Recht, im Video ist ein alter Schaltplan zu sehen. Nach weiteren Optimierungen werde ich eine endgültige Version des Gerätes mit Schaltplan auf meiner Youtube-Seite und im WGF zeigen.

Für den Mittelwellenbereich besitzt der DE32 Koppler zudem eine induktive Radioankopplung mittels Ferritstab. Hier ist meinerseits noch Arbeit zu investieren, dies erache ich als notwendig da nicht alle meine Empfänger über einen Anschluß für eine externe Mittelwellenantenne verfügen. Die bisherigen Ergebnisse zeigen jedoch das eine fixe Resonanz der Koppeleinheit auf Bandmitte nicht befriedigend ist. Die Bandbreite der Auskopplungseinheit ist insgesamt zu gering um über den gesamten Mittelwellenbereich noch eine brauchbare Verstärkung zu erreichen. Auf den Produktseiten von Thieking und Koch sieht man lediglich einen Ferritstab mit überzogenem Schrumpfschlauch. Ein zusätzlicher Trimmer oder kleiner Drehkondensator scheint nicht verbaut zu sein. Wie eine breitbandige Radioankopplung für die Mittelwelle (ja auch die Langwelle soll darüber funktionieren - bei Kainka wird der Empfang der BBC auf 198 kHz demonstriert) realisiert wird, ist zumindest mir noch ein Rätsel. Es wird wohl noch einige Zeit und Arbeit kosten einen funktional vollständigen DE32 nachgebaut zu bekommen.

Mit freundlichen Grüßen
Bernhard

29.12.16 19:05
joeberesf 

500 und mehr Punkte

29.12.16 19:05
joeberesf 

500 und mehr Punkte

Re: Bau / Nachbau eines Antennentuners oder Antennenkoppler

Hallo Bernhard,

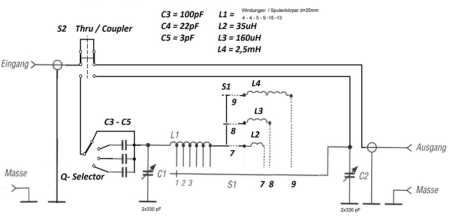
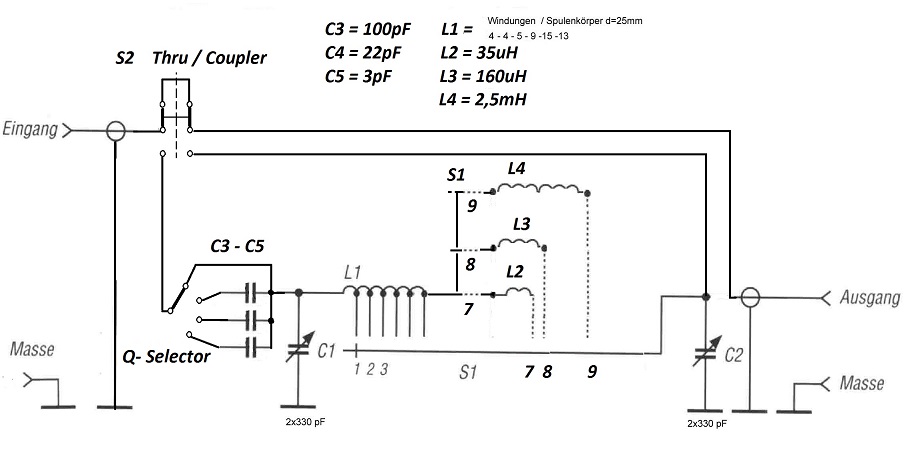
hier wie schon besprochen die Schaltung des T und K DE32 mit dem geheimnisvollen Q- Selector. Die Werte für die drei zusätzlichen Festinduktivitäten habe ich ausgemessen, da keine Bedruckung vorhanden ist. Deine abgelesenen Spulendaten waren richtig, außer das es keine 2x2Wdg.- Windungsabgriffe gibt. Es sind je 4Wdg. Siehe im Plan und damit sind auch nur 9 Schaltstufen vorhanden.. Die letztendliche Verschaltung ist tricky! Die Festinduktivitäten für 0.15-0.3MHz, 0.5-1MHz, 1-1,7MHz hängen beim Anwählen immer in Reihe zur großen Spule mit kommpletter Windungszahl (50Wdg.) Sie werden aber immer voneinander beidseitig getrennt und sind ab 1,7MHz nicht mit im Spiel. Ich habe versucht deine Ur- Skizze zu erweitern. Der verwendete Drehschalter S1 hat zwei unabhängige Kontaktreihen. Damit hat T und K dies realisieren können. Man wollte wohl die hohen Induktivitäten nicht einseitig an der Hauptspule anschließen um Einflüsse und Abstrahlungen zu vermeiden.

Gruß und viel Spaß mit den letzten Erkenntnissen. (anklicken, noch zu groß )

Joerg

P.S. die induktive Radioankopplung mittels Ferritstab kann ich noch ausmessen. Wird einfach angeklemmt und neben das Taschenradio gelegt.

Nachtrag 30.12.16
Die Messung am Ferritstab ergab 30uH. Zuleitung ca. 50cm verdrillt. Flachferritstab 50mm lang. Spule nicht sichtbar, da mit Schrumpfschlauch gesichert. Übergabe / Trennung mit Klinkenstecker. Bild unten...





Zuletzt bearbeitet am 30.12.16 11:19

Datei-Anhänge
DE32.jpg DE32.jpg (1171x)

Mime-Type: image/jpeg, 85 kB

Ferritankopplung.jpg Ferritankopplung.jpg (417x)

Mime-Type: image/jpeg, 132 kB

04.01.17 18:43
joeberesf 

500 und mehr Punkte

04.01.17 18:43
joeberesf 

500 und mehr Punkte

Re: Bau / Nachbau eines Antennentuners oder Antennenkoppler

Hallo Bernhard, hallo zusammen,

ich habe den DE-32 nun ausgiebig am R-311 und am KW- Detektor getestet und bin sehr zufrieden. Die in Deinem Video gezeigte Signalverbesserung kann ich bestätigen. Hier noch einige Anmerkungen zu meinen Tests. Außenantenne ca.20m Langdraht und 8m Zimmerantenne (Parterre).

1. Der Q- Selector

Es ist so, dass ohne den Selector in Stellung A (Bypass- Q-Selector) bestimmte Frequenzabschnitte nicht richtig abgestimmt werden können. Dies ist immer von der gerade verwendeten Antennenlänge abhängig. In der bekannten Kurzbeschreibung steht " Der Q- Selector erlaubt die Einsschaltung eines Resonanzkreises, um ein maximales Nutzsignal zu erhalten,- besonders wichtig um zu kurze Antennen für LW und MW nutzbar zu machen".

Ich konnte auf KW bis 15MHz ebenfalls diesen Effekt feststellen. Der Resonanzpeak wird schärfer, so mein Eindruck. Für lange Antennen ist die Stellung B-C gut (100pF, 22pF). D (3pF) weniger interessant, belohnt aber mit Erhöhung der gefühlten Trennschärfe bei gleichzeitigem Signalverlust.

Kurze Antennen, für LW- MW Wellenbereiche Stellung B. Bei KW A - C.

Also den Selector würde ich in jedem Fall in Deinem Gerät positionieren, auch wenn Du keine Zusatzinduktivitäten für LW/MW einbauen willst. Auch der Bypass / Thru, wie in der Schaltung gezeigt, sollte unbedingt vorhanden sein.

2. Die kleine induktive Radioankopplung mittels Ferritstab.

In Stellung B bis 1.7MHz funktioniert das wirklich gut. Man muss bei den Taschenempfängern die beste Position finden, je nachdem wie die Ferritantenne innen im Radio positioniert ist. Für KW ist das natürlich nicht gedacht....ohne eine ausgezogene Teleskopeantenne ist trotzdem eine sehr kräftige Signalsteigerung vorhanden. Allerdings keine Abstimmung möglich, man kann also auf Bypass/Thru stellen.

3. Der Antennentuner am Detektor.

Meistens hat ein mehrkreisiger Detektor schon ein Anpassungsglied und benötigt vielleicht keine weitere Anpassung. Dies ist auch wieder stark von der Konfiguration der gerade verwendeten Antenne abhängig. Dies kann dazu führen, dass eine größere Fehlanpassung besteht und genau das Gegenteil bewirkt wird. Die Signalstärke nimmt ab. Des Weiteren ist eine gelungene Signalsteigerung durch bessere Anpassung nicht unbedingt hörbar und man ist sehr entäuscht. Das Problem, wie immer beim unverstärktem Empfang, eine Fehlanpassung wird erst ab 1:4 hörbar. Das Gleiche gilt für die Steigerung der Hörerlautstärke, die geht ja immer quadratisch ein!

Beim Primärempfänger ist der Antenntuner in jedem Fall zu empfehlen. Selbst bei meiner Antennenkopplung am kalten Ende der Schwingkreisspule, also mit höchster Selektivität (KW- Detektor- Versuche 2015/2017), ist dieses mit kurzen Antennen eindeutig feststellbar (49m, 41m). Beim Langdraht war dies nicht so richtig im Hörer auszumachen, aber vielleicht ja messbar. Die stark schwankendene KW- Signale machen eine objektive Beurteilung oftmals sehr schwierig.

4. Fazit.

Der Selbstbau eines Antenntuners ist sehr empfehlenswert....wenn Zeit dafür vorhanden ist. Die Schaltermaterialien sollten eine hohe Qualität haben, ansonsten hat man nicht sehr lange Freude daran. Nimmt man beim DE-32 alles zusammen, Bauteile, Gehäuse, Bedienelemente, Antennenbuchsen und Klemmvorrichtungen so ist der Preis bei der geringen Stückzahl schon gerechtfertigt.

Gruß

Joerg

Zuletzt bearbeitet am 04.01.17 19:16

04.01.17 19:22
BernhardWGF

nicht registriert

04.01.17 19:22
BernhardWGF

nicht registriert

Re: Bau / Nachbau eines Antennentuners oder Antennenkoppler

Hallo Joerg,

vielen Dank fuer deine sehr wertvolle Hilfe bei der Entschluesselung des "Q-Selektors". Ich kann die Wirksamkeit des Antennentuners beim Empfang der KW-Baender nur bestaetigen, es lohnt sich ein Nachbau. Zur Induktiven Kopplung: die Einkopplung mit dem Ferritstab verlaeuft bei meinen Radios absolut tadellos und fuehrt zu erheblicher Empfangsverbesserung. Eine weitere "induktive" Kopplung habe ich auf der KW festgestellt.
Folgendes Szenario:

- Antennentuner an 20m Draht "outdoor"
- mehrere Radios mit KW-Empfang in 5m Entfernung zum Antennentuner, die Radios empfangen alle nur ueber die eingebaute Teleskopantenne haben also keinen Anschluss zum Tuner oder zur Aussenantenne.

Eines Abends absolut schlechter Empfang auf der KW auf allen vom Antennentuner getrennt aufgestellten Geraeten. Durch Zufall verstelle ich einen Drehkondensator am Antennentuner. Ab einer gewissen Einstellung des Antennentuners nun ploetzlich bester Empfang der zuvor kaum hoerbaren Statinen auf den entfernten Geraeten. Das Ganze ist reproduzierbar, der Empfang kann am Antennentuner auf ein Maximum abgestimmt werden, aber auch ein Minimum mit fast totaler Ausblendung/Abschwaechung von Baendern ist moeglich. Die Antenne samt Tuner scheinen auf dem eingestellten Resonanzpunkt so stark zu schwingen, dass selbst Radios in der Naehe davon profitieren koennen. Das gleiche Ergebnis habe ich auch mit einer 5m Drahtantenne "indoor" nachvollziegen koennen. Alles Hokus Pokus?

Gruss Bernhard

Zuletzt bearbeitet am 04.01.17 19:39

04.01.17 20:03
joeberesf 

500 und mehr Punkte

04.01.17 20:03
joeberesf 

500 und mehr Punkte

Re: Bau / Nachbau eines Antennentuners oder Antennenkoppler

Hallo Bernhard,

ja diesen Ausblendungseffekt habe ich auch beobachtet, aber nur bei menen Versuchen mit induktiver Einkopplung auf LW, MW....auf KW noch nicht und nur mit dem Taschenradio Philips Type D 1875/00.

Vielleicht kannst Du nochmal genau den Versuchsaufbau wiederholen und dann die aufgestellten Radios nacheinander abschalten. Immer wieder am Tuner die Veränderung beobachten. Es könnte sein, dass das ganze Konstrukt aus Radios und Tuner sich gegeseitigt beeinflusst.
Die Abstrahlung aus den Radios ist vielleicht nicht unerheblich auf nicht zu weitem Abstand. Nicht das Antenne und Schwingkreis am/im Tuner zusätzlich durch die Radios erregt werden und so der Effekt entsteht.


Gruß

Joerg

Zuletzt bearbeitet am 04.01.17 20:11

04.01.17 20:25
BernhardWGF

nicht registriert

04.01.17 20:25
BernhardWGF

nicht registriert

Re: Bau / Nachbau eines Antennentuners oder Antennenkoppler

Ich habe jetzt mal den Empfaenger vom Antennentuner absteckt und geschaut ob der Tuner immer noch Einfluss auf die anderen - entfernten- Radios hat, ... er hat (leicht). Nachdem ich die Erdleitung /Tunermasse angezogen habe ist der Effekt weg. Es scheint sich also der Tuner selbst "aufzuschaukeln" und ueber Antenne / Erde weiterzugeben. "Kosmische Energie" Nein hier wundert mich sowieso nichts mehr seit dem die Stadtwerke Ihre neuen LED-Stoersender direkt vor mein Grundstueck platziert hat. Auch der DARC und die BNetzA sind begeistert davon.

Zuletzt bearbeitet am 04.01.17 20:53

04.01.17 22:06
joeberesf 

500 und mehr Punkte

04.01.17 22:06
joeberesf 

500 und mehr Punkte

Re: Bau / Nachbau eines Antennentuners oder Antennenkoppler

Hallo Bernhard,

sehr interessant und ich werde am Freitag mal ein bisschen probieren um den Effekt zu verifizieren. Eigentlich ist ja unser Antennen- Tuner rein passiv und auch der Tuner dämpft externe, eingefangene HF- Schwingungen, sonst wär es ja ein Perpetuum mobile. Es geht ja eigentlich um beste Leistungsanpassung...also Quelle zur Last...nur halt komplex auf der HF- Ebene.

BernhardWGF:
"Kosmische Energie" Nein hier wundert mich sowieso nichts mehr seit dem die Stadtwerke Ihre neuen LED-Stoersender direkt vor mein Grundstueck platziert hat. Auch der DARC und die BNetzA sind begeistert davon.

Ich habe aufgrund der schlechten Stahlbetonverhältnisse in meiner Wohnung, meinem Sohn zu Weihnachten ein D- Lahn Adapter für seinen Computer geschenkt. W-Lan funktioniert in seinem Zimmer sehr schlecht. Gutes Teil, funktioniert prima.....am Computer! Mein Radioempfang, während seiner Aktivitäten, ist praktisch nicht mehr möglich. Das solch ein Gerät eine Zulassung erhält, ist mir ein Rätsel. Betroffen sind breitbandig, bis auf wenige Ausnahmen, alle KW- Frequenzen (z.B. 7-8MHz = ok). Das Schlimme...sogar im Detektor zu hören. Verseucht alle Steckdosen, Zentralheizung, Zimmerantennen usw. > 10MHz < FM alles breit...aber auch runter bis LW sind Störungen vorhanden.
Dagegen ist jeder Zerhacker, Energiesparlampe usw.....gar nichts. Meine Aktivitäten kann ich nur noch befriedigend durchführen, wenn er weg ist. Ganz, ganz schlimm! Nur die Erdleitung / Zentralheizung reicht....damit wir wieder beim Thema wären.

Erde ist halt nicht immer wirklich Erde, Masse..etc. Auch hier entstehen schnell kapazitive Verbindungswege...wenn der Erdpunkt nicht ganz kurz und mit ausreichendem Querschnitt direkt abgeleitet wird. Wie schon im KW- Beitrag berichtet, meine Erde (Zentralheizung oder Wasserleitung) hat auch eine Art Antennenverhalten und ist nicht wirklich Erde.

Ich überlege...ob es nicht sinnvoll sein könnte den Langdraht geschirmt über Koax in den Bastelraum zu führen und eine wirkliche Erde im Mietervorgarten einzugraben. (verzinktes Drahtnetz in ausreichender Tiefe) Langdraht an Balun,...mit 50Ohm Abgriff. Noch ist alles Freiluftverdrahtung damit so etwas auch schnell verschwinden kann.....ist ja kein Eigentum und Mitmieter könnten sich daran stören.

Gruß

Joerg

Zuletzt bearbeitet am 04.01.17 23:59

05.01.17 11:55
WalterBar 

500 und mehr Punkte

05.01.17 11:55
WalterBar 

500 und mehr Punkte

Re: Bau / Nachbau eines Antennentuners oder Antennenkoppler

Hallo Joerg,

mein Gott, wie kann man sich selbst Power-Line Adapter ins Haus holen, wenn man am Radioempfang interessiert ist?! Wenn WLAN nicht geht, dann muss man eben gute Kabel legen, auch wenn das Aufwand ist.

Du kannst es nach meiner Erfahrung auch vergessen, einen Langdraht geschirmt und mit einer abgesetzten Erde ins Haus zu holen. Einigermassen gut kommt man in einer solchen Störumgebung nur mit abolut symmetrischen Dipolsystemen zurecht, die aber auch mindestens 5m vom Haus oder Hausdach entfernt sein müssen. Will man breitbandig sein, dann kommt man an einem symmetrischen Antennenkoppler nicht vorbei. Ein Übergang zu einem Koaxkabel erfordert einen impedanzrichtigen Balun.

PLC Adapter verhalten sich aber auch sehr unterschiedlich. Ich habe mir einen von AVM angeschafft nur um zu sehen, wie die Störwirkung ist. Am Spektrumanalyser habe ich gesehen, dass er nur Frequenzen oberhalb etwa 6 MHz belegt. Die Devolo Adapter fallen immer wieder negativ auf. Mit dem Dipol höre ich die beiden AVM-Adapter (Verbindung EG zur Garage an gleicher Phase) nicht, allerdings habe ich im Hausanschlusskasten ein 100 kHz Tiefpassfilter von Schaffner für 3x25 Ampere eingebaut. Das dürfte die Adapter auf die oberen Frequenzbänder zwingen.

Warum PLC überhaupt zugelassen wurde, ist eine bereits Jahrzente lange Geschichte und hat mehr mit Politik und Lobbyismus als mit Technik zu tun.

Gruss
Walter

Zuletzt bearbeitet am 05.01.17 11:58

 1 2 3 4 5
 1 2 3 4 5
Schaltplan   Selector   Antennenkoppler   Zuletzt   Antenne   Verlängerungsinduktivitäten   bearbeitet   Internet-ueber-Stromkabel   Antennentuners   Keramikkondensatoren   Amateurgegenmaßnahmen   Überbrückungsschalter   Bernhard   vielleicht   Empfangsverbesserungen   AM-Heimsenderlandschaft   Foliendrehkondensatoren   Nachbau   Stahlbetonverhältnisse   Gebrauchtgerätebestellliste