| Passwort vergessen?
Sie sind nicht angemeldet. |  Anmelden

Sprache auswählen:

Wumpus Gollum Forum von
Wumpus Welt der (alten) Radios
Sie sind nicht angemeldet.
 Anmelden

Solarradio mit UKW und MW
  •  
 1 2 3
 1 2 3
14.04.11 17:21
joeberesf 

500 und mehr Punkte

14.04.11 17:21
joeberesf 

500 und mehr Punkte

Re: Solarradio mit UKW und MW

Hallo Ingo,

ingodergute:
Was hätte eigentlich dagegen gesprochen, den Rotor des Drehkos direkt an Masse zu legen.

Es handelt sich ja beim UKW- Anteil des Empfängers, um eine fertige Leiterplatte.
Ein alter Rest aus einer Elektronikschrottkiste.
Der Aufbau, mit dem Rotor an Plus, war ja schon vorgegeben. Das wollte ich nicht ändern.
Es hat mich auch gewundert...eigentlich gehört der Rotor immer an Masse...Dachte ich.
Ich hatte kurz überlegt, ob ich diese Restplatine ausschlachte und neu aufbaue. Meine Lösung war
die schnellere Variante. Zusägen, nicht benötigte Teile entfernen und zusätzliche Fläche gewinnen,
indem man ein kleines Stück Lochrasterplatine mit Sekundenkleber anklebt. Eigentlich ein neues Radio
aus E-Schrott und Fundusteilen.
Übrigens der von mir entfernte, nur reine UKW- Drehko, hatte auch den Rotor an Plus.

Schön, dass Dir das Radio gefällt.

Gruß

Joe

Zuletzt bearbeitet am 14.04.11 17:27

!
!!! Fotos, Grafiken nur über die Upload-Option des Forums, KEINE FREMD-LINKS auf externe Fotos.    

!!! Keine Komplett-Schaltbilder, keine Fotos, keine Grafiken, auf denen Urheberrechte Anderer (auch WEB-Seiten oder Foren) liegen!
Solche Uploads werden wegen der Rechtslage kommentarlos gelöscht!

Keine Fotos, auf denen Personen erkennbar sind, ohne deren schriftliche Zustimmung.

Den Beitrag-Betreff bei Antworten auf Threads nicht verändern!
14.04.11 18:04
wumpus 

Administrator

14.04.11 18:04
wumpus 

Administrator

Re: Solarradio mit UKW und MW

joeberesf:
Hallo Rainer,

das würde aber bedeuten, dass die 10nF einfach nur zwischen Plus und Minus
hängen.....also parallel zum Akku. Natürlich möglichst kurz am Rotor angebunden.
Der 20nF Keramikkondensator unterhalb des TA2003/P erfüllt ja eigentlich diese
Aufgabe schon. Er ist allerdings etwas weiter weg.

Gruß

Joe

Hallo Joe,
rein elektrisch ist das so wie Du sagst: Eine Parallelschaltung dieser erwähnten Kapazitäten. Hochfrequenzmäßig (UKW = ca. 95 MHz) ist es durchaus zur Abblockung der HF interessant, so dicht wie möglich am Drehko (HF-mässig) niederohmig nochmals abblocken zu können. Dabei ist es bei der verwendeten Schaltung eben auch möglich gegen + abzublocken. Das kann verbessern, muß aber nicht.

Selbstverständlich ist ein Schaltungsaufbau klassisch mit "echter" HF-Masse am Drehko-Rotor besser, ist hier aber eben nicht gegeben.


Gruß von Haus zu Haus Rainer (Forum-Betreiber)

Rettet den analogen deutschen AM / FM - Rundfunk!:
www.rettet-unsere-radios.de

Zuletzt bearbeitet am 14.04.11 18:04

14.04.11 18:54
joeberesf 

500 und mehr Punkte

14.04.11 18:54
joeberesf 

500 und mehr Punkte

Re: Solarradio mit UKW und MW

Hallo Rainer,

HF-Technik ist halt keine "normale Elektrotechnik"

Ich werde Deinen Tipp heute noch ausprobieren und berichten.
Übrigens ist das auch der Grund dafür, dass ich mich nicht für einen Neuaufbau entschieden habe. Ich habe
auch schon geforscht woher denn dieses UKW- Empfangsteil überhaupt stammen könnte. Beim Vergleich mit meinen
eigenen Stromlaufplanaufzeichnungen und dem Datenblatt des TA2003 bin ich auf einen interessanten Beitrag im RM
gestoßen.
Es könnte sich auch um einen Fertigradiobausatz, der vor langer Zeit bei einem bekannten Discounter angeboten wurde, handeln.

Gruß

Joe

14.04.11 20:15
Pluspol 

500 und mehr Punkte

14.04.11 20:15
Pluspol 

500 und mehr Punkte

Re: Solarradio mit UKW und MW

Hallo Joe

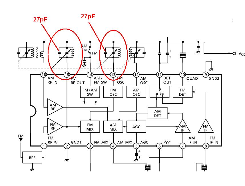
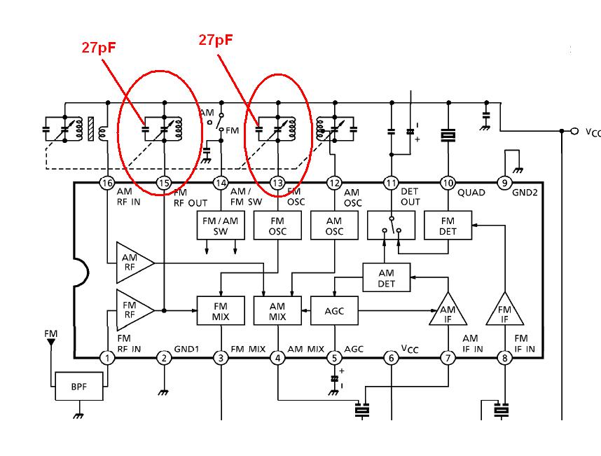
Kann es sein, daß die beiden Parallekapazitäten am UKW-Dehko eigentlich in Reihe liegen müssten?
Bei der Berechnung in passenden Formeln und auch aus Schaltplänen weiß ich eigentlich, das für das Überstreichen des UKW-Bandes kein so relativ großer Kapazitätshub vonnöten ist. Auch sind die üblichen wirksamen Kreiskapazitäten aus bekannten vorliegenden Schaltungen zwischen ca. 5 und maximal 20 pF variabel. Da liegen zu den UKW-Paketen immer Kondensatoren von um die 20 bis 27 pF in Reihe.
Ich will hier keine Änderungen herbeidiskutieren, sondern bin nur etwas verwundert.

Freundliche Grüße von Dietmar

Zuletzt bearbeitet am 14.04.11 20:18

14.04.11 21:00
joeberesf 

500 und mehr Punkte

14.04.11 21:00
joeberesf 

500 und mehr Punkte

Re: Solarradio mit UKW und MW

Hallo Dietmar,

das kann ich nicht beurteilen, hier ein Auszug aus dem Datenblatt. Ich hoffe das geht für Rainer i.O..
Ich habe die Stelle markiert. AM ist ja nicht beschaltet.

Das entspricht genau meiner Nachverfolgung auf den Leiterbahnen. Die Gesamtkapazität finde ich für
UKW auch etwas groß. Die beiden Schwingkreisspulen sind aber auch wirklich ganz winzig.

Am Oszillator hängen im Gegensatz zum TD- Blatt noch 15pF in Reihe. (Pin13)

Gruß

Joe

PS. Die orignale Kapazität des alten UKW Drehkos ist mir unbekannt. Ich habe nur die Werte meines Einbaus genommen....und funzt.
Leider nur bis 100Mhz...dann ist vorbei. Ich habe die Schwingkreisspulen noch etwas zusammengedrückt um auf ca. 88Mhz zu kommen.

Hier das Original:





Zuletzt bearbeitet am 14.04.11 21:26

Datei-Anhänge
Auszug aus TA2003.JPG Auszug aus TA2003.JPG (438x)

Mime-Type: image/pjpeg, 70 kB

UKW Drehko.JPG UKW Drehko.JPG (323x)

Mime-Type: image/pjpeg, 29 kB

14.04.11 21:14
ingodergute 

Moderator

14.04.11 21:14
ingodergute 

Moderator

Re: Solarradio mit UKW und MW

Pluspol:
Kann es sein, daß die beiden Parallekapazitäten am UKW-Dehko eigentlich in Reihe liegen müssten?
Bei der Berechnung in passenden Formeln und auch aus Schaltplänen weiß ich eigentlich, das für das Überstreichen des UKW-Bandes kein so relativ großer Kapazitätshub vonnöten ist. Auch sind die üblichen wirksamen Kreiskapazitäten aus bekannten vorliegenden Schaltungen zwischen ca. 5 und maximal 20 pF variabel. Da liegen zu den UKW-Paketen immer Kondensatoren von um die 20 bis 27 pF in Reihe.
Hallo Dietmar,

die Kapazität des Drehkos variiert von 20pF bis 35pF. Bei 27pF parallel ergibt sich ein Bereich von 47pF bis 62pF. Das Verhältnis der Kapazitäten ist 62/47=1,32. Die Kreisfrequenz verhält sich (umgekehrt) wie die Wurzel der Kapazitäten. fo/fu=wurzel(1,32). Bei fu=87,5MHz ergibt sich fo=100,5MHz also alles wie es sein soll. Würden statt 27pF 8,2pF eingesetzt, so ergäbe sich fo/fu=wurzel(43/28) was bei fu=87,5MHz zu fo=108,2MHz führt.


Gruß

Ingo.
_______________________
Schwertfische zu Flugenten!

Zuletzt bearbeitet am 14.04.11 21:35

15.04.11 08:42
Pluspol 

500 und mehr Punkte

15.04.11 08:42
Pluspol 

500 und mehr Punkte

Re: Solarradio mit UKW und MW

Hallo Ingo

Mathematisch stimmt Deine Berechnung, nur in praktischer Umsetzung wird das möglichst optmale L/C-Verhältnis und das gewünschte Frequenzspektrum angestrebt.
Bei den großen Kreiskapazitäten müssen dann auch die Drahtlängen zwischen den schon kleinen Spulen und Drehko zusätzlich konstruktiv sehr kurz bleiben. Die Schaltungskapazitäten kommen noch hinzu.
Viele mir bekannte UKW-Tuner aller möglichen Hersteller setzen den Kombi-Foliendrehko mit ca. 30 pF Endkapazität für den UKW-Bereich ein.
Dieser Wert wird dann noch mit einem Reihenkondensator um die 20 pF auf eine Varation von ca. 3pF bis ca. 13pF verkürzt. Joes Tuner ist nur bis 100 Mhz ausgelegt, vielleicht kommt das dann so hin.
Sicher spielt auch die realisierbare Konstruktion des Empfängers eine Rolle.

Freundliche Grüße von Dietmar

15.04.11 08:46
ingodergute 

Moderator

15.04.11 08:46
ingodergute 

Moderator

Re: Solarradio mit UKW und MW

Hallo Dietmar,

eine große Drehkokapazität hat aber den Vorteil, dass Schaltkapazitäten dann weniger Einfluss haben.

Gruß Ingo.

_______________________
Schwertfische zu Flugenten!

15.04.11 09:19
joeberesf 

500 und mehr Punkte

15.04.11 09:19
joeberesf 

500 und mehr Punkte

Re: Solarradio mit UKW und MW

Hallo zusammen,

Pluspol:
Joes Tuner ist nur bis 100 Mhz ausgelegt, vielleicht kommt das dann so hin.
Sicher spielt auch die realisierbare Konstruktion des Empfängers eine Rolle.

Der Tuner hat aber ursprünglich bis 108Mhz funktioniert. Ich habe mich mit den 100Mhz
zufrieden gegeben, und dies dem neuen 4-fach Drehko angelastet.(höhere Restkapazität).
Die 2x 27pF waren auch schon ausgelötet und durch 10pF ersetzt. Da war nur Rauschen zu hören und ich habe
die original 27pF wieder eingelötet.

Gruß

Joe

15.04.11 09:29
Pluspol 

500 und mehr Punkte

15.04.11 09:29
Pluspol 

500 und mehr Punkte

Re: Solarradio mit UKW und MW

Hallo Ingo

Auch hier hast Du Recht. Die Prämisse der Schaltungskonzeption liegt bei der Konstruktion eher beim optimalen L/C-Verhältnis.
Die Schaltungskapazität wird durch die Konstruktionsgestaltung entsprechend angepasst und bleibt dann in der Serienfertigung annähernd konstant.
Wünsche Dir heute einen angenehmen Tag und ein harmonisches Wochenende.
Etwas zu Deinem "Nachspann" ....
Sollte es durch die Unvernunft der Menschheit weiter zur dauerhaft steigenden radioaktiven Strahlungsintensität kommen, wird es in allen Lebensformen zu nicht voraussehbaren Mutationen kommen. Da kann man nur ahnen und vermuten, was weit nach unserer Zeit noch alles kommt und vergeht.
Polen baut z.B. dicht an der Grenze zu Deutschland ein neues AKW.
Wir müssen und werden abschalten, aber die Risiken bleiben gleich, wenn unsere nahen europäischen Nachbarn nicht mitmachen.
Da ist unsere zur Zeit so erfolgreiche Antiatompartei der "Grünen" leider auch machtlos.

Freundliche Grüße von Dietmar

Zuletzt bearbeitet am 15.04.11 09:31

 1 2 3
 1 2 3
Solarradio   Gehäuseverankerung   Elektronikschrottkiste   Parallekapazitäten   Allbereichs-Mehrfachsuper   Schaltungskonzeption   Stromlaufplanaufzeichnungen   Kombi-Foliendrehko   Schaltungskapazitäten   Keramikkondensator   eigentlich   Schwingkreisspulen   Handempfindlichkeit   Lochrasterplatine   Selbstverständlich   Konstruktionsgestaltung   Strahlungsintensität   Schaltungskapazität   Amateur-Kurzwellenempfänger   rettet-unsere-radios