| Passwort vergessen?
Sie sind nicht angemeldet. |  Anmelden

Sprache auswählen:

Wumpus Gollum Forum von
Wumpus Welt der (alten) Radios

DM-NF-Filter
  •  
 1 2 3 4
 1 2 3 4
29.08.21 11:55
HB9 

500 und mehr Punkte

29.08.21 11:55
HB9 

500 und mehr Punkte

Re: DM-NF-Filter

Hallo Hajo,

ob man OpAmps mit (MOS-)FET-Eingängen oder bipolare nimmt, hat hauptsächlich Einfluss auf die Offsetspannung am Ausgang, was nur bei Gleichspannungsverstärkung relevant ist. Auf die Funktion bei Wechselspannung hat es keinen Einfluss, da bei einem gegengekoppelten OpAmp der Eingangswiderstand für die NF-Signalspannung auch bei Bipolar-OpAmps (theoretisch) unendlich hoch ist, es fliesst lediglich ein kleiner Gleichstrom. Da bipolare OpAmps vor allem gegenüber CMOS-OpAmps weniger rauschen, sind sie hier natürlich im Vorteil. Wichtig ist eine ausreichende Bandbreite, die deutlich grösser als die Filter-Eckfrequenz sein muss, damit das Filter funktioniert. Audio-OpAmps (NE5532, TL074) sind hier eine gute Wahl und sehr preiswert.

Der Mischer darf ohne Weiteres mit einem Rechtecksignal gefüttert werden, er würde ein Sinus-Signal sowieso mehr oder weniger in ein Rechteck verwandeln, ausser die Amplitude ist sehr klein, aber dann ist der Mischer sehr ineffizient und produziert vor allem Rauschen. Für optimale Mischresultate, insbesondere die Unterdrückung der Eingangssignale (ZF-Durchschlag) soll das Rechtecksignal möglichst symmetrisch sein. Mit einem nachgeschalteten Flipflop (und der doppelten Oszillatorfrequenz) kann man das einfach realisieren. Da hier ZF-Durchschläge aber unkritisch sind, kann man es auch so lassen, es scheint ja gut zu funktionieren. Bis zur nächsten Aussendung (vermutlich am UN-Day im Oktober) ist ja noch Zeit...

Gruss HB9

!
!!! Fotos, Grafiken nur über die Upload-Option des Forums, KEINE FREMD-LINKS auf externe Fotos.    

!!! Keine Komplett-Schaltbilder, keine Fotos, keine Grafiken, auf denen Urheberrechte Anderer (auch WEB-Seiten oder Foren) liegen!
Solche Uploads werden wegen der Rechtslage kommentarlos gelöscht!

Keine Fotos, auf denen Personen erkennbar sind, ohne deren schriftliche Zustimmung.

Den Beitrag-Betreff bei Antworten auf Threads nicht verändern!
30.08.21 11:07
Hajo 

500 und mehr Punkte

30.08.21 11:07
Hajo 

500 und mehr Punkte

Re: DM-NF-Filter

Hallo HB9

In Ermangelung eines TL071, wie in der Ursprungsschaltung, hatte ich für den ersten Verstärker hinter dem Mischer einen einfachen µA741 versucht. Das funktioniert ebenso und man hört ohne Filter deutlich, daß das Rauschen geringer ist, als mit dem J-Fet-OPV. Da ein schmales Filter nachfolgt, welches das Rauschen eliminiert, ist es aber wohl nicht von Belang, wenn ich es richtig sehe.
Im Hinblick auf den Oberwellengehalt hatte ich etwas Hemmungen, den Mischer mit Rechtecken am Oszillator anzusteuern. Unter 0,8Vss sinkt die Empfindlichkeit zunehmend ab und das Rauschen steigt deutlich an, das kann man gut beobachten. Die Gilbert Zelle braucht ausreichend Oszillatorpegel, was mir einleuchtet, denn die Transistoren müssen voll durchgesteuert werden. Insofern müßte ein Rechteck Oszillatorsignal ja sogar vorteilhafter sein, als ein Sinus, denn der nichtlineare Bereich wird ja beim Durchsteuern der Transistoren viel schneller durchfahren.

Gruß in die Runde
Hajo

30.08.21 12:52
HB9 

500 und mehr Punkte

30.08.21 12:52
HB9 

500 und mehr Punkte

Re: DM-NF-Filter

Hallo Hajo,

der 741 ist gar nicht so schlecht, auch wenn er schon ein historisches Alter hat, und auf die Offsetspannung kommt es hier ja nicht an. Das Rauschen ist vor allem dann relevant, wenn entweder die Signale sehr schwach sind (Mikrofonverstärker) oder dann die Bandbreite hoch ist. Neben dem Rauschen des OpAmps ist auch das Rauschen der Widerstände relevant und bei rauscharmen OpAmps schnell dominant. Für sehr rauscharme Stufen müssen die Widerstände in der Gegenkopplung niederohmig sein, um das Widerstandsrauschen niedrig zu halten.

Im Prinzip ist ein Rechtecksignal für den Mischer optimal, damit die Gilbert-Zelle als Schalter optimal arbeitet. Allerdings haben Bipolartransistoren eine gewisse 'Erholzeit', bis sie nach Vollaussteuerung (Sättigung) wieder sperren, daher ist ein übersteuerter Sinus etwas günstiger, weil im Bereich der Nulldurchgänge die Transistoren Zeit zum Sperren haben. Das ist aber erst bei höheren Frequenzen ab dem MHz-Bereich relevant. Bei FETs gibt es diesen Effekt nicht.

Ein Rechteck hat natürlich ein höheres Störpotential als ein 'plattgedrückter' Sinus, aber diese Störungen stören nicht den eigenen Empfang, sondern höchstens andere Geräte in der Umgebung, was durch einen halbwegs HF-tauglichen Aufbau verhindert werden kann.

Gruss HB9

31.08.21 12:59
Hajo 

500 und mehr Punkte

31.08.21 12:59
Hajo 

500 und mehr Punkte

Re: DM-NF-Filter

Hallo Zusammen

@HB9
Vielen Dank für Deine vielen wertvollen Hinweise.
Ich denke auch, daß ein einfacher bipolarer OPV seinen Zweck erfüllen wird, will meinen Versuchsaufbau demnächst umbauen und nochmals alles durchtesten.
Ob die Lösung des Oszillators mit den NOR-Gattern wirklich praktikabel ist, muß noch untersucht werden, vielleicht fällt mir noch etwas besseres ein.
Die Schaltung ist jedenfalls sehr empfindlich. RBU auf 66,7 kam gestern Abend knapp über der Grasnarbe bei mir durch. Am SDR (SDR-IQ) war das Signal indoor an der Breitbandloop gerade so auszumachen, der DM bot an der Ferritantenne die deutlich bessere Hörbarkeit, das fand ich beeindruckend.

@Jens
Danke auch Dir für Dein Interesse
Der Lattenzaun ist vermutlich dem Generatorsignal auf 18kHz geschuldet. Ich hatte den Generator für 17,2kHz getaktet und den für 18kHz im Sweep mit +/- 100Hz betrieben, um die Signale akustisch auseinander halten zu können. Der Generator ist digital und der Sweep besteht aus Frequenzsprüngen.

Die -12dB Bandbreite des Filters beträgt rund 140Hz, das erreicht die Ferritantenne bei weitem nicht. Ihre -6dB Bandbreite beträgt rund 220Hz, bei -12dB rund 480Hz, also mit Abstand schlechter.
Dein Vorschlag mit dem Frequenztest ist interessant, werde ich demnächst umsetzen und berichten.
Bis dahin...


Gruß in die Runde
Hajo

Zuletzt bearbeitet am 01.09.21 11:15

01.09.21 14:06
Hajo 

500 und mehr Punkte

01.09.21 14:06
Hajo 

500 und mehr Punkte

Re: DM-NF-Filter

Hallo Jens

Habe den von Dir vorgeschlagenen Test durchgeführt, anbei das Audio File.
Von Sek. 0-5 steht der Oszillator auf 16,45kHz (das Filter hat 750Hz Mitte), die Ferritantenne auf 17,2kHz.
Sek. 5-19 wird der Oszillator auf 17,25kHz gezogen (ist im Verlauf etwas unpräzise gewesen).
Ab S. 19-28 wurde die Ferritantenne nachgestimmt auf 18kHz. Der Lattenzaun sollte nun kürzer sein, hatte mit +/-30Hz gewobbelt.
Bis S. 43 wird dann der Oszillator- und ab S. 48 die Ferritantenne wieder zurückgestimmt.

Das 18kHz Signal ist auf 17,2kHz vor und nach dem Abstimmen sehr leise mit rund 1,5kHz hörbar.
Im praktischen Betrieb sollte das beim Empfang von SAQ keine Rolle spielen, würde ich meinen.
Besser wäre aber vermutlich, SAQ mit 17,95kHz Oszillatorfrequenz zu empfangen. RDL sendet auf 18,1kHz, das ergibt 150Hz Differenz.
Das Filter hat laut Sim. bei 150Hz eine Dämpfung von 61dB, bei 1,5kHz aber nur 43dB (messen kann ich es mit meinen Mitteln leider nicht)
Akustisch sind 150Hz bei solcher Dämpfung praktisch unhörbar, 1,5kHz noch gerade so hörbar, wie der Test zeigt.

Gruß in die Runde
Hajo

Datei-Anhänge
DM-Frequenztest.mp3 DM-Frequenztest.mp3 (188x)

Mime-Type: audio/mpeg, 259 kB

02.09.21 11:59
Hajo 

500 und mehr Punkte

02.09.21 11:59
Hajo 

500 und mehr Punkte

Re: DM-NF-Filter

Hallo Jens

Danke für Deine Mühe mit der Darstellung das Audiofiles in Fldigi - sehr interessant.
Ob es sich bei dem Signal auf 16,8 wirklich um FTA handelt, wird je nach Quelle verschieden bewertet. Dachte bisher eigentlich auch, daß dem so wäre aber Genaues weiß man offenbar nicht. Verschiedentlich wird das Signal als "unid" deklariert und wirklich auf 16,8 scheint es nicht zu liegen. Am SDR sieht die Situation bei mir so aus:



Aber wie auch immer, wenn ich den DM für SAQ auf 17,95 abstimme (Ferrit auf 17,2), ist ein Signal gleicher Stärke auf 16,8 unhörbar, bei 16,45 leise im Hintergrund.
Das sollte kein wirkliches Problem hier am Ort sein. Vielleicht baue ich die Schaltung provisorisch auf und teste sie im Oktober, falls SAQ dann sendet.

Gruß in die Runde
Hajo

Datei-Anhänge
FTA-?.JPG FTA-?.JPG (178x)

Mime-Type: image/jpeg, 45 kB

02.09.21 12:29
aminox86 

100-249 Punkte

02.09.21 12:29
aminox86 

100-249 Punkte

Re: DM-NF-Filter

Hallo zusammen,
vor längerer Zeit habe ich einen Längstwellenempfänger aufgebaut, den ich seinerzeit im Nachbarforum beschrieben hatte.
https://radio-bastler.de/forum/showthread.php?tid=15056

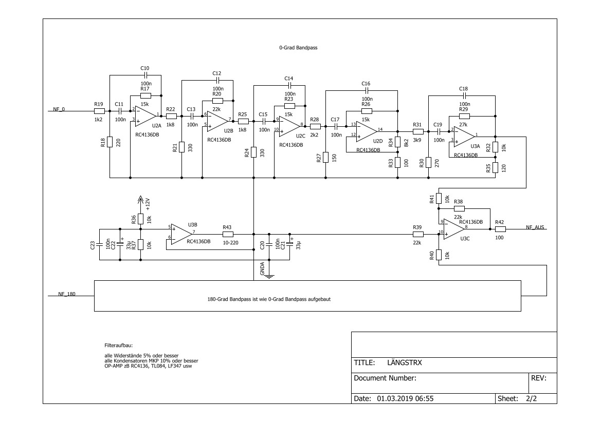
Um etwas zum Thema beizutragen möchte ich hier das NF-Filter des Radios vorstellen:

Das NF-Filter ist, wie in der Schaltung angedeutet, zweimal vorhanden denn der Mischer im Radio erzeugt Gegentaktsignale, die separat gefiltert werden.

Einen einzelnen Filterzweig habe ich mit Hilfe des Filter-Wizzards von ADI entworfen und das komplette Filter mit EWB simuliert.


Im oberen Teil der Simulation ist die Verstärkung linear dargestellt (bei logarithmischer Achsteilung ist sieht das Ganze wesentlich 'ziviler' aus), so dass sie besser mit der anschließenden Messung am aufgebauten Filter verglichen werden kann. Das Filter ist für eine Mittenfrequenz von 800Hz konzipiert und hat eine Bandbreite von ca 400Hz-500Hz. Mit etwas gutem Willen kann man die Tschebyscheffcharakteristik erkennen.


Simualtion und Messung stimmen erstaunlich gut überein, obwohl das Filter ausschließlich mit Standartbauteilen aufgebaut ist. Das Prüfsignal habe ich mit dem stark übersteuerten Mischer des Radios erzeugt. Die Lücken sind wohl auf das Vorhandensein von Schwebungen zurückzuführen (mir ist allerdings nicht klar, an welcher Stelle sie entehen sollten).

Die folgenden Abbildungen zeigen die Reaktion des Filters auf 'echte' Signale, die an verschiedenen Stellen der Durchlaßkurve des Filters liegen. Prüfsignal ist ein 20kHz-Burst, der in die NF-Lage heruntergemischt wird. In den Abbildungen ist die Frequenz des entstandenen NF-Signals angeben. Gelbe Spur Filterausgang , blaue Spur Eingangssignal



Die geringste Veränderung des zeitlichen Verlaufs des Prüfsignals zeigt sich bei 800Hz. Diese Frequenz bietet sich daher an, wenn eine auschließende 'maschinelle' Auswertung erfolgen soll.

Das Radio habe ich damals ziemlich spontan entworfen. Daher würde ich das NF-Filter heute nicht mehr so aufwendig gestalten. Ich denke, dass ein relativ schlichter Tiefpass (Grenzfrequenz ca 1000Hz) auch genügen würde. Allerdings würde ich das Konzept der zwei Filterzweige beibehalten wenn Gegentaktsignale zur Verfügung stehen. Es ergibt sich eine gute Gleichtaktunterdrückung, die Störsignale wie zB Netzbrumm eliminiert.

mfg

Datei-Anhänge
LÄNGSTRX_s2_2.jpg LÄNGSTRX_s2_2.jpg (186x)

Mime-Type: image/jpeg, 86 kB

EWB.jpg EWB.jpg (172x)

Mime-Type: image/jpeg, 107 kB

SCR77.jpg SCR77.jpg (170x)

Mime-Type: image/jpeg, 79 kB

SCR70.jpg SCR70.jpg (164x)

Mime-Type: image/jpeg, 115 kB

SCR71.jpg SCR71.jpg (180x)

Mime-Type: image/jpeg, 114 kB

SCR72.jpg SCR72.jpg (169x)

Mime-Type: image/jpeg, 117 kB

02.09.21 16:26
Hajo 

500 und mehr Punkte

02.09.21 16:26
Hajo 

500 und mehr Punkte

Re: DM-NF-Filter

Hallo aminox87

Ein interessantes Konzept, verrätst Du uns auch weitere Details der Schaltung, z.B. des Gegentaktmischers? Wie es ausschaut, ist er diskret aufgebaut.
Dein Beitrag im Nachbaruniversum ist interessant. Besonders beeindruckend ist die hohe Güte der Ferritantenne bei 17,2kHz - hätte ich angesichts der langen Spulenwicklung nicht vermutet. Wie in Deinem Video zu sehen ist, funktioniert der RX recht gut und das indoor. Von solchen Verhältnissen kann ich hier nur noch träumen.
Der Abstimmindikator ist das i-Tüpfelchen

Gruß in die Runde
Hajo

Zuletzt bearbeitet am 02.09.21 16:35

04.09.21 15:18
aminox86 

100-249 Punkte

04.09.21 15:18
aminox86 

100-249 Punkte

Re: DM-NF-Filter

Hallo Hajo,

ich war der Meinung, dass das Eingangsteil des Radios eher nichts mit dem Filterthema zu tun hat. Hier also die Schaltung:

Der Schaltplan enthält drei Blöcke: HF-Verstärker, Mischer und Oszillatorfrequenzaufbereitung.
Der HF-Verstärker besteht aus der Kombination von FET(hochohmiger Eingang) und bipolarem Transistor(hier wird verstärkt), den ich als gefaltete Kaskode ausgeführt habe. Ich gebe dieser Schaltungsart den Vorzug, weil ein Wechsel des HF-Bezugspotentials am Ausgang, im Gegensatz zur üblichen Kaskode, nicht stattfindet.
Es folgt der Mischer, ein einfacher Gegentaktmischer (Balancemischer), der sein Überlagerungssignal von einem Flipflop erhält. Wegen der hohen Amplitude des Ansteuersignals arbeiten die Mischtransistoren im Schaltbetrieb, die externen Dioden (Antisättigungsdioden) verbessern das (Aus)Schaltverhalten.
Ein einfaches D-Flipflop, das als Frequenzteiler beschaltet ist, erzeugt die gegenphasigen Überlagerungsspannungen. Der Transistor am Eingang des FFs sorgt für eine steilflankige Eingangsspannung ausreichender Amplitude, andernfalls geht die Verlustleistung des FFs durch die 'Decke'.

Die Funktion dieses Schaltungsteils des Radios habe ich am Mischerausgang überprüft.
Eingangsfrequenz 19,2kHz, Überlagerungsfrequenz 20kHz


Das Überlagerungssignal wird von der Differenzfrequenz (800Hz) eingehüllt, die Kollektorspannungen sind um 180 Grad gegeneinander verschoben. Allerdings ist auch die doppelte Überlagerungsfrequenz vorhanden, was wohl durch den Aufbau der Schaltung bedingt ist.

Da der Mischer nicht selektiv abgeschlossen ist, lohnt sich ein Blick in das Ausgangsspektrum - Eingangsbedingungen wie oben.


Das Spektrum zeigt das Amplitudenverhältnis der verschiedenen Frequenzen zueinander. Die stärksten Anteile, abgesehen von der Niederfrequenz, bilden die Oszillatorfrequenzen, was einerseits durch den mechanischen Aufbau des Radios und andererseits durch die ungünstige Beschaltung des Mischers(Oszillatordurchschlag) bedingt ist.

Der HF-Teil und somit das Radio funktioniert und erfüllt seinen Zweck. Die Beschaltung des Mischers ist der Einfachheit des Radios geschuldet, zB wird das Oszillatorsignal von aussen zugeführt, es hat keinen eigenen Oszillator. Möglicherweise wird das Radio durch eine 'bessere' Beschaltung des Mischers, Eingangssignal im Gegentakt und Oszillatorsignal im Gleichtakt, empfindlicher, allerdings auch komplexer. Diesen Aufwand habe ich mir gespart.

Ich hoffe, Hajo, deine Neugier gestillt und ein paar Anregungen gegeben zu haben.
mfg

Datei-Anhänge
LÄNGSTRX_s2_1.jpg LÄNGSTRX_s2_1.jpg (174x)

Mime-Type: image/jpeg, 82 kB

SCR73.jpg SCR73.jpg (171x)

Mime-Type: image/jpeg, 145 kB

SCR78.jpg SCR78.jpg (185x)

Mime-Type: image/jpeg, 102 kB

05.09.21 17:29
Hajo 

500 und mehr Punkte

05.09.21 17:29
Hajo 

500 und mehr Punkte

Re: DM-NF-Filter

aminox86:
ich war der Meinung, dass das Eingangsteil des Radios eher nichts mit dem Filterthema zu tun hat. Hier also die Schaltung:
Ich hoffe, Hajo, deine Neugier gestillt und ein paar Anregungen gegeben zu haben.
Hallo aminox86

Danke für Deine Offenheit, den Einblick in die gesamte Schaltung und die ausführlichen Erläuterungen dazu. Natürlich ist es so, das Eingangsteil hat nichts mit dem Filterthema zu tun aber der besondere Entwurf Deines Filters macht natürlich neugierig, wie es gespeist wird.
Ich gebe es offen zu, es ist die reine Neugierde

Mein theoretisches Elektronikwissen hält sich in Grenzen, es ist rein autodidaktisch erworben und ich bin eher Bastler, als Theoretiker und darum immer interessiert, wie andere Lösungen aussehen. Balancemischer ist natürlich bekannt aber der Begriff "gefaltete Kaskode" war mir neu, danke für die Aufklärung.
Dein Konzept ist also eine Art Schaltmischer plus nachfolgender analoger Verstärkung und Filterung mit 180° Phasenversatz, sozusagen ein analoger SDR, nur ohne Software, wenn ich das richtig sehe.
Jedenfalls eine interessante Schaltung, habe ich so noch nirgends gesehen. Vermutlich bist Du vom Fach und es handelt sich um eine Eigenentwicklung.

freundlicher Gruß zurück und in die Runde
Hajo

Zuletzt bearbeitet am 08.09.21 01:08

 1 2 3 4
 1 2 3 4
Zuletzt   Gleichspannungsverstärkung   Oszillatorfrequenzaufbereitung   Differenzsignal-Verstärker   QuadratureSampleDemodulatoren   Rückkopplungswiderstand   Ferritantenne   bearbeitet   Schaltung   Tschebyscheffcharakteristik   Längstwellenempfänger   Instrumentenverstärkerschaltung   Sperrkreis-Induktivitäten   Differenzverstärker   Gleichtaktunterdrückung   Bandbreitenverstellung   DM-NF-Filter   Überlagerungsspannungen   Differenzsignalverarbeitung   Überlagerungsfrequenz