| Passwort vergessen?
Sie sind nicht angemeldet. |  Anmelden

Sprache auswählen:

Wumpus Gollum Forum von
Wumpus Welt der (alten) Radios
Sie sind nicht angemeldet.
 Anmelden

Baubericht: Empfindlicher Einröhren-Einkreiser mit ECL11 im 30er-Jahre-Chassis
  •  
 1 2 3 4 5
 1 2 3 4 5
29.11.15 08:15
wumpus 

Administrator

29.11.15 08:15
wumpus 

Administrator

Re: Baubericht: Empfindlicher Einröhren-Einkreiser mit ECL11 im 30er-Jahre-Chassis

Hallo Herrmann,

so schlecht finde ich den 1 - 4,7 nf-Kondensator über die Primärwicklung des Ausgangstrafo nicht. Das war damals gerade bei Rückkopplungsempfängern fast Standard. Geriet das Gerät in die Rückkopplung entstand ja bekanntlich leicht der Pfeifton. Der wiederum konnte schon eine hohe Wechselspannung auf der Primärseite generieren.

Weiter war es bei einem MW-Radio doch so, dass NF-Frequenzen über 4,5 kHz kaum anfielen, also ein 1- 4,5 nF kaum was wirklich wegnahm.

Klar, der Starter ist ganz interessant, aber würde ein Kondensator nicht auch reichen?

Gruß von Haus zu Haus
Rainer (Forumbetreiber)

"Vom Mund zum Ohr auf dem Strahle der elektrischen Kraft!"
Als MP3-Datei: http://www.welt-der-alten-radios.de/files/auf-dem-strahl.mp3

!
!!! Fotos, Grafiken nur über die Upload-Option des Forums, KEINE FREMD-LINKS auf externe Fotos.    

!!! Keine Komplett-Schaltbilder, keine Fotos, keine Grafiken, auf denen Urheberrechte Anderer (auch WEB-Seiten oder Foren) liegen!
Solche Uploads werden wegen der Rechtslage kommentarlos gelöscht!

Keine Fotos, auf denen Personen erkennbar sind, ohne deren schriftliche Zustimmung.

Den Beitrag-Betreff bei Antworten auf Threads nicht verändern!
29.11.15 09:59
Herrmann 

500 und mehr Punkte

29.11.15 09:59
Herrmann 

500 und mehr Punkte

Re: Baubericht: Empfindlicher Einröhren-Einkreiser mit ECL11 im 30er-Jahre-Chassis

Hallo Rainer,
im Original-Schaltplan lagen tatsächlich ein 1nF-Kondensator und ein zuschaltbarer 14nF (zur Höhenabsenkung) parallel zum Ausgang. Der Schalter auf der Chassis-Rückseite ist noch vorhanden, ich werde ihn wieder nutzen. Den 1nF-Kondensator werde ich als RC-Kombination schalten.
Noch etwas zu den 4,5kHz Audio-Frequenzgang: Optional speise ich das Gerät mit einem "HiFi"-Meßsender mit 30kHz Bandbreite und 50% max. Modulationsgrad.
Gruß
Herrmann

Datei-Anhänge
hoehenabsenkung_512-wl.jpg hoehenabsenkung_512-wl.jpg (245x)

Mime-Type: image/jpeg, 24 kB

29.11.15 16:49
WalterBar 

500 und mehr Punkte

29.11.15 16:49
WalterBar 

500 und mehr Punkte

Re: Baubericht: Empfindlicher Einröhren-Einkreiser mit ECL11 im 30er-Jahre-Chassis

Hallo Herrmann,

die Spartrafo-Anordnung finde ich recht geschickt. Ich frage mich aber, woher du den genommen hast, TBT Troisdorf? Der Frequenzgang müsste auch top sein (vor allem beim Synchron-, Homodyne Empfang bei angezogener Rückkopplung). Um wieviel ist die Empfindlichkeit höher als beim DKE (VCL11)?

Gruss
Walter

Zuletzt bearbeitet am 29.11.15 19:14

29.11.15 18:12
Herrmann 

500 und mehr Punkte

29.11.15 18:12
Herrmann 

500 und mehr Punkte

Re: Baubericht: Empfindlicher Einröhren-Einkreiser mit ECL11 im 30er-Jahre-Chassis

Hallo Walter,

nein, er ist nicht von TBT.

@Forenleitung: Ist es ausnahmsweise erlaubt, die Bezugsquelle von exotischen, sehr schwer beschaffbaren Teilen (wie eben dieser Zwischenübertrager) zu nennen? (ohne Link). Diese spezielle Situation wird in der Hausordnung nicht erwähnt.

Gruß
Herrmann

29.11.15 20:23
Herrmann 

500 und mehr Punkte

29.11.15 20:23
Herrmann 

500 und mehr Punkte

Re: Baubericht: Empfindlicher Einröhren-Einkreiser mit ECL11 im 30er-Jahre-Chassis

Hallo zusammen,

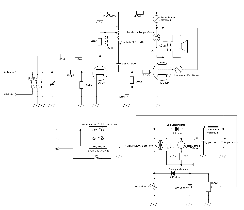
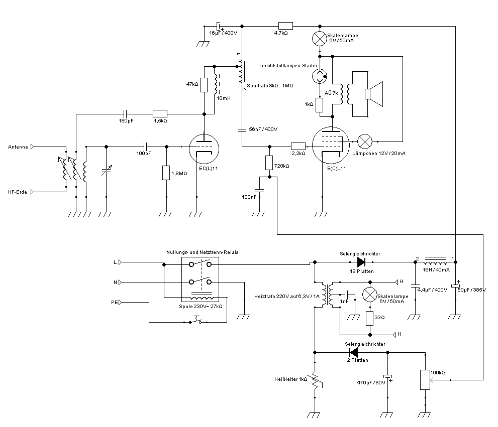
ich habe lange über Ingos Vorschlag mit der üblichen halbautomatischen Gittervorspannungserzeugung nachgedacht. Mit einer potentialfreien Anodenspannungs-Trafowicklung wäre dagegen nichts einzuwenden. Allerdings entfällt der Trafo aus Energiespar- und Platzgründen. Zudem gehen Einweggleichrichtung + Trafo sehr schwer zusammen, man bekommt dann immer einen schlechteren Gesamtwirkungsgrad da der Trafo anders dimensioniert werden muß.
Mit der um 6V hochgelegten Masse konnte ich mich nicht anfreunden, da der Drehko fest mit dem Chassis verbunden ist. Das Chassis soll kein anderes Potential als das lokale Erdpotential bekommen. Der Audion-Gitterkondensator soll auch nicht mit den 6V vorgespannt werden (durch verschiedene "Massen" im Gerät). Das sind alles Fehlerquellen.

Da das Gerät ein reines Wechselstromgerät ist, kam mir eine andere Idee: Die negativen Netz-Halbwellen blieben zur Gleichspannungserzeugung bislang ungenutzt. Warum sollte man sie nicht einfach nutzen? Ein kompletter 2. Selenplattenstapel wäre allerdings ein unverhältnismäßiger Aufwand. Da aber praktisch keine Leistung, sondern nur eine niedrige Spannung erzeugt werden soll, kann man doch die Netzspannung vorher durch einen Spannungsteiler herunterteilen. Dann kommt man mit einer kleinen Selenplatte aus, um die negative Gittervorspannung zu erzeugen! Der Spannungsteiler existiert sogar schon im Gerät, er bestand aus den Skalenlämpchen und der Heiztrafo-Primärwicklung. Die Lämpchen sind lediglich am N-seitigen Trafoende anzuordnen.

Aber die Idee habe ich weiterentwickelt zu einer eleganten Möglichkeit, den Anodenstrom solange zu sperren, bis die Katode ordentlich aufgeheizt ist. Auslöser war das Durchbrenn-Problem der Lämpchen wegen des hohen Trafo-Einschaltstroms. Ein Heißleiter führt zur Kompensation oder sogar Überkompensation der Einschaltstromüberhöhung. Wenn über dem Heißleiter die Spannung für die Gittervorspannungserzeugung abgegriffen wird, hat das eine weitere, sehr interessante Folge: Im Einschaltmoment wird der Ladekondensator 470µF / 80V sehr zügig auf das Mehrfache der Normalspannung aufgeladen. Nehmen wir an, am Potentiometer 100kOhm stehen plötzlich -18V statt -6V an. Das bedeutet, daß die End-Tetrode solange total gesperrt ist, bis sich der Elko 470µF auf -14V entladen hat, und dann setzt nur sehr allmählich ein zunächst ganz schwacher Anodenstrom ein. Grob überschlagen braucht der Elko 50s, um sich auf Normalwert zu entladen (Sperrstrom des Se-Gleichrichters noch nicht berücksichtigt). Das genügt als Aufheizzeit. Weitere angenehme Folge: Das Radio beginnt ganz allmählich zu spielen, so wie wir es von einem indirekt geheiztem Röhrengerät gewohnt sind.
Aufgrund des hohen Anfangs-Spannungsabfalls über dem Heißleiter sind jetzt 2 Selen-Platten nötig. Die Glühlämpchen fallen an der Stelle weg und bekommen eine andere Aufgabe. Das untere Glühlämpchen im Heizkreis liefert die Referenz-Helligkeit bei 40mA. Das obere Glühlämpchen dient als visuelle Abgleichhilfe für den Anodenruhestrom sowie als Anodensicherung. Hintergrund: Bei einem von außen zugänglichen Anodenstrom-Potentiometer kann man zur Röhrenschonung den Anodenstrom drosseln, wenn man nur leise hören möchte.



Gruß
Herrmann

Datei-Anhänge
ecl11empfänger#3.png ecl11empfänger#3.png (268x)

Mime-Type: image/png, 23 kB

29.11.15 21:50
apollo 

Administrator

29.11.15 21:50
apollo 

Administrator

Re: Baubericht: Empfindlicher Einröhren-Einkreiser mit ECL11 im 30er-Jahre-Chassis

Herrmann:
@Forenleitung: Ist es ausnahmsweise erlaubt, die Bezugsquelle von exotischen, sehr schwer beschaffbaren Teilen (wie eben dieser Zwischenübertrager) zu nennen? (ohne Link).

Hallo Herrmann,
http://www.wumpus-gollum-forum.de/forum/werbefrei.htm
Abteilung 1: Ausnahmen, Punkt 4-6

Netten Gruß,
Alfred

30.11.15 21:57
joeberesf 

500 und mehr Punkte

30.11.15 21:57
joeberesf 

500 und mehr Punkte

Re: Baubericht: Empfindlicher Einröhren-Einkreiser mit ECL11 im 30er-Jahre-Chassis

Hallo Hermann,

ich finde dein Bauprojekt und die Umsetzung mit neuen Teilen....na ja fast... auch sehr sehr spannend und habe mal zwei Fragen zum Aufbau. Außerdem bin ich gespannt, wie das Ganze im Gehäuse aussehen wird. Hast Du denn das Originalgehäuse des 512WL oder ist nur das Cassis mit den wichtigsten Bauteilen vorhanden?

Hast Du vor die Schaltung im Vorfeld zu testen....also ich meine im freien Laboraufbau / Brett? Dies könnte ja z.B den Aufbau auf dem alten Chassis beeinflussen. Lage der Bauteile, Schaltungsvariationen...sprich elektrisches Design.

Herrmann:

- Gitterbatterie, dadurch Fortfall des Widertsandes in der Minusleitung, Chassis bekommt exakt N-Potential des Netzes

Herrmann

Diesen Punkt kann ich nicht so richtig nachvollziehen. Du hast doch den Nullbezug schon direkt hinter dem Netztrennschalter am Chassis. Die negative Gittervorspannung über eine extra Batterie herzustellen, finde ich bei der soliden Schaltung irgendwie kurios und nicht so recht passend für einen spartanischen Röhreneinkreiser, welcher ja gerade von der Einfachheit lebt. Was hast Du Dir dabei gedacht und gibt es für diese durchaus umsetzbare Variante historische Vorbilder?

P.S Sorry, gerade den zweiten Plan gesehen...da hast Du das ja schon geändert.


Gruß

Joerg

Zuletzt bearbeitet am 30.11.15 22:15

01.12.15 10:23
Herrmann 

500 und mehr Punkte

01.12.15 10:23
Herrmann 

500 und mehr Punkte

Re: Baubericht: Empfindlicher Einröhren-Einkreiser mit ECL11 im 30er-Jahre-Chassis

Hallo zusammen,

@Alfred: Vielen Dank für den Tip.

Liebe Freunde historischer Rundfunktechnik, ich bekam jetzt schon 2 mal Anfragen bezüglich der Beschaffungsquelle meines Zwischenübertragers 8kOhm : 1MOhm. Zwischenübertrager für Trioden-Audione sind wirklich schon schwer zu beschaffen, ich habe ein geeignetes Exemplar bei roehrentechnik.de in der Abteilung Bastel-AÜ entdeckt

@Joerg: Ja, ich habe das Original-Gehäuse und habe den defekten elektrodynamischen Lautsprecher gegen ein neues Lautsprecherchassis mit speziellen Eigenschaften ersetzt. Das Chassis hat eine harte Aufhängung, einen Frequenzgang von ca. 100Hz - 7kHz und einen enormen Wirkungsgrad. Allerdings grenzt das optische Erscheinungsbild im Gehäuse an Frevel. Wenn ich den Lautsprecherkorb matt silbergrau spritze und ein historisches Phantasie-Typenschild draufklebe, tut der Anblick vielleicht nicht mehr so weh.
Mein Traum wäre ein Freischwinger-Lautsprecher, der mit modernsten Methoden und Materialien neu konstruiert und gefertigt wird.


Nein, es gibt keinen separaten Versuchsaufbau. Die Schaltung wird mit minimierten Verdrahtungskapazitäten direkt an die Stahlröhrenfassung angelötet. Deshalb verwende ich u.a. 1/10 Watt Subminiatur-Widerstände und radiale Keramikkondensatoren. Trotz allem sehen alle Bauelemente dezent und gediegen aus. Für abgeschirmte Leitungen verwende ich ein entmanteltes RG59-Koaxialkabel (das Cu-Geflecht ist kupferfarben und dick) und ersetze den Innenleiter durch 0,2mm Fädeldraht (Kapazitätsverringerung)

Bezüglich Vorspannungserzeugung: Es ging um den Konflikt zwischen Katoden- bzw. Massepotential der ECL11 gegenüber dem N-Leiter Stromnetz bzw. der lokalen Erde bei halbautomatischer Gittervorspannungserzeugung. Diesen Konflikt gibt es nur wegen des Verzichts auf einen Netztrafo. Der Konflikt ist lösbar durch eine Gitterbatterie oder durch separate Gleichrichtung der durch Spannungsteiler reduzierten negativen Netzhalbwelle, um eine separate negative Hilfsspannung zu erhalten.

Übrigens, eine Gitterbatterie ist schaltungstechnisch durchaus spartanisch (z.B. gegenüber Katodenkombination + Gitterableitwiderstand) und so etwas war zu de Forest's und v. Liebens Zeiten wohl noch üblich. Also 20 Jahre vor meinem Radio.

Gruß
Herrmann

Zuletzt bearbeitet am 01.12.15 18:00

Datei-Anhänge
512wl_beyma.jpg 512wl_beyma.jpg (267x)

Mime-Type: image/jpeg, 69 kB

01.12.15 10:55
Herrmann 

500 und mehr Punkte

01.12.15 10:55
Herrmann 

500 und mehr Punkte

Re: Baubericht: Empfindlicher Einröhren-Einkreiser mit ECL11 im 30er-Jahre-Chassis

Filigrane, aber dezente Bauelemente rund um die Stahlröhrenfassung: 1/10W-Kohleschichtwiderstände, 2 Heißleiter, 1 radialer Keramikkondensator (darunter der Audion-Gitterkondensator, dieser wird in das Abschirmgeflecht der Schwingkreisleitung mit eingezogen), offene Hochvolt-Folienkondensatoren, Lämpchen 12V / 20mA, Netztrenn- u. Nullungs-Relais.

Gruß
Herrmann

Zuletzt bearbeitet am 01.12.15 18:01

Datei-Anhänge
DSCI2255.JPG DSCI2255.JPG (250x)

Mime-Type: image/jpeg, 69 kB

02.12.15 07:57
Vorkreis 

500 und mehr Punkte

02.12.15 07:57
Vorkreis 

500 und mehr Punkte

Re: Baubericht: Empfindlicher Einröhren-Einkreiser mit ECL11 im 30er-Jahre-Chassis

Hallo Herrmann,

mich irritiert der Schwenkspulensatz. Meiner Meinung nach passt der nicht zur gestellten Aufgabe, möglichst viel an Empfangsleistung aus dieser Schaltung heraus zu holen.
Diese Art der Rückkopplungsregelung wirkt stark verstimmend und ist nicht sonderlich feinfühlig zu bedienen.
Die Rückkopplungseinstellung über Drehko ist zwar auch nicht optimal, wirkt hier weniger verstimmend und arbeitet stabiler.
Außerdem ist ein solcher Spulensatz für ein Gerät der 30iger Jahre doch eher ungewöhnlich, wo die Gehäuse in d. R. geschlossen waren.
Der einzige Vorteil, den ich sehe, ist die HF-Laustärkeregelung. Das könnte man auch konventionell mit Poti lösen. HF- wie NF-seitig.

Gruß
Jürgen

 1 2 3 4 5
 1 2 3 4 5
Leuchtstofflampen-Starter   Anodenruhestrom-Stelleinrichtung   Hochvolt-Folienkondensatoren   Gittervorspannungserzeugung   Einröhren-Einkreiser   Empfindlicher   Vorkriegs-Kofferempfängern   Herrmann   Anodenspannungsgleichrichter   Anodenspannungszuschaltung   Chassis   Netz-Polaritätsschutzschaltung   30er-Jahre-Chassis   Gittervorspannungsgleichrichters   10W-Kohleschichtwiderstände   Gittervorspannungsgleichrichter   Gittervorspannungsgleichrichtung   Schrumpfschlauch-Knickschutz   Anodenspannungs-Trafowicklung   Baubericht