| Passwort vergessen?
Sie sind nicht angemeldet. |  Anmelden

Sprache auswählen:

Wumpus Gollum Forum von
Wumpus Welt der (alten) Radios
Sie sind nicht angemeldet.
 Anmelden

Armstrong Rückkopplungs-Audion Retroradio.
  •  
 1 2 3
 1 2 3
25.05.14 17:15
friedrich-kutnik 

500 und mehr Punkte

25.05.14 17:15
friedrich-kutnik 

500 und mehr Punkte

Re: Armstrong Rückkopplungs-Audion Retroradio.

Hallo Heinz,

den HF-Teil der Schaltung habe ich selbst entworfen, aber als Basis habe ich eine sehr bekannter, in 30-er Jahre, Schaltplan genommen.





Das Schaltung habe ich schon getestet, und war zu frieden.






Aber das ist noch keine Endgültige Schema. Das wird noch alles angepasst, und sicher noch nicht ein mal.
Danke für deine Anweisungen, aber ich möchte sich an die Oktal-Röhren halten und EF85/89 ist schon mehr moderner.
Aber nach deine Empfehlung und Kommentare werde ich das noch mal überlegen mit die 6AC7.
Gibt es was passendes von Oktal-Röhre.

Ich habe die Netzteil und HF schon fertig. Heizspannung wird als Gleichspannung und stabilisiert. Anodenspannung hat ein so genannten Elektronischer Drossel.
Also die beide Teile funktionieren einwandfrei.











MfG Friedrich

Datei-Anhänge
??????? ?????.JPG ??????? ?????.JPG (331x)

Mime-Type: image/jpeg, 252 kB

maket-05.jpg maket-05.jpg (328x)

Mime-Type: image/jpeg, 292 kB

??????-3.35.jpg ??????-3.35.jpg (328x)

Mime-Type: image/jpeg, 205 kB

??????-3.36.jpg ??????-3.36.jpg (303x)

Mime-Type: image/jpeg, 203 kB

??????-3.33.jpg ??????-3.33.jpg (314x)

Mime-Type: image/jpeg, 210 kB

!
!!! Fotos, Grafiken nur über die Upload-Option des Forums, KEINE FREMD-LINKS auf externe Fotos.    

!!! Keine Komplett-Schaltbilder, keine Fotos, keine Grafiken, auf denen Urheberrechte Anderer (auch WEB-Seiten oder Foren) liegen!
Solche Uploads werden wegen der Rechtslage kommentarlos gelöscht!

Keine Fotos, auf denen Personen erkennbar sind, ohne deren schriftliche Zustimmung.

Den Beitrag-Betreff bei Antworten auf Threads nicht verändern!
25.05.14 18:06
friedrich-kutnik 

500 und mehr Punkte

25.05.14 18:06
friedrich-kutnik 

500 und mehr Punkte

Re: Armstrong Rückkopplungs-Audion Retroradio.

Hallo Wolfgang,

mit Alu-Lochblech ist interessante Kombination. Aber was ist das für ein Empfänger? Wie gut funktioniert er?
Besonders mit SSB?

Auch die Frage: die beide Trafos sind nicht abgeschirmt (ohne Metallgehäuse) und stehen ganz nah bei die Spulen.
Und wie wirkt das auf die Arbeit des Radios?


MfG Friedrich

26.05.14 12:31
Opa.Wolle 

500 und mehr Punkte

26.05.14 12:31
Opa.Wolle 

500 und mehr Punkte

Re: Armstrong Rückkopplungs-Audion Retroradio.

Hallo Friedrich,
das Gerät befindet sich noch im Rohbau und liegt im Augenblick auf Eis.
Wie sich die nicht abgeschirmten Trafos verhalten, kann ich noch nicht sagen.
(Außerdem wird das kein Empfänger sondern das Gegenteil.)

27.05.14 18:58
regency 

500 und mehr Punkte

27.05.14 18:58
regency 

500 und mehr Punkte

Re: Armstrong Rückkopplungs-Audion Retroradio.

Hallo Friedrich,
woraus besteht so ein Bauteil? Ersetzt das die Siebdrossel im Schaltplan des Netzteils?

friedrich-kutnik:
Anodenspannung hat ein so genannten Elektronischer Drossel.
Schöne Grüße, Jan

27.05.14 21:12
friedrich-kutnik 

500 und mehr Punkte

27.05.14 21:12
friedrich-kutnik 

500 und mehr Punkte

Re: Armstrong Rückkopplungs-Audion Retroradio.

Hallo Jan,

das ist noch besser als Siebdrossel und dazu verzögert die Zeit von Anoden Spannung.



Verzögerung stellt man mit C1 ein, 20 - 60 sek.

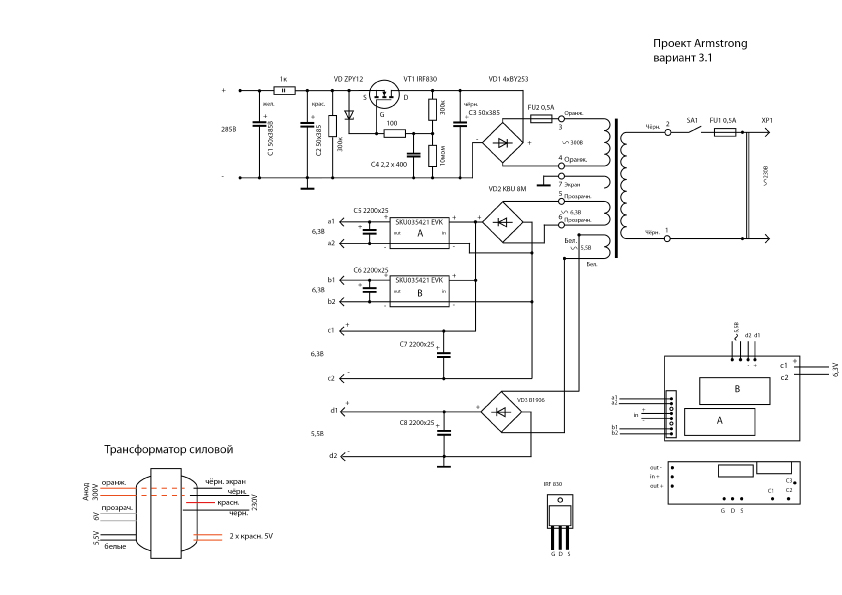
Mein NT momentan siet so aus:







MfG Friedrich

Datei-Anhänge
Stabilisator 2.gif Stabilisator 2.gif (316x)

Mime-Type: image/gif, 4 kB

Projekt-3.3-NTeil-01.jpg Projekt-3.3-NTeil-01.jpg (327x)

Mime-Type: image/jpeg, 115 kB

27.05.14 23:37
qw123 

500 und mehr Punkte

27.05.14 23:37
qw123 

500 und mehr Punkte

Re: Armstrong Rückkopplungs-Audion Retroradio.

Hallo Friedrich,

friedrich-kutnik:
.....werde ich das noch mal überlegen mit die 6AC7.
Gibt es was passendes von Oktal-Röhre.
da mußt Du jemand fragen, der sich besser mit den Röhren der 1930..40er Jahren auskennt als ich.
Oder selber in alten Katalogen stöbern nach Röhren, die in etwa mit der EF89 vergleichbare Daten haben.
Die Seite von Frank Philipse wirst Du sicher kennen.

andere Links, die mir gerade einfallen:
http://www.rainers-elektronikpage.de/ITT...endatenbuch.pdf

oder
http://oldradio.qrz.ru/tubes/

oder
http://www.tubebooks.org/tube_data.htm

Unter dem letzten Link gibt es auch viele Kataloge in pdf-Form z.B. von RCA, die man durchsuchen kann. Allerdings meist in Englisch.

Gruß

Heinz

28.05.14 12:04
Pluspol 

500 und mehr Punkte

28.05.14 12:04
Pluspol 

500 und mehr Punkte

Re: Armstrong Rückkopplungs-Audion Retroradio.

Hallo Friedrich

Für die 6AC7 einige passende Alternativen:
Oktalröhre 6SK7 (anschlussgleich mit der 6AC7), EF13 rauscharm und regelbar. Deren Steilheit liegt zwische 2mA/V und 3 mA/V.
Bei 12,6V statt 6,3 Volt Heizung die RV12P2000 bzw. deren russ. Variante 12SH1L.
Die konstruktive mechanische Umsetzung Deines Projektes ist wieder einsame Spitze.
Wie ich vermute, hast Du neben Deiner besonderen handwerklichen Begabung auch die erforderliche Zeit und gerätetechnischen Voraussetzungen für Deine Arbeiten.
Weiterhin beste Gesundheit und Schaffensfreude.

Freundliche Grüße von Dietmar

Zuletzt bearbeitet am 28.05.14 12:24

28.05.14 12:05
friedrich-kutnik 

500 und mehr Punkte

28.05.14 12:05
friedrich-kutnik 

500 und mehr Punkte

Re: Armstrong Rückkopplungs-Audion Retroradio.

Hallo Heinz,

ich bedanke mich herzlich für die Information. Das wird mir sehr helfen.

Ich beschäftige mich momentan mit dem Antrieb von Drehko.





















Und jetzt erste Probe:



















MfG Friedrich

Zuletzt bearbeitet am 28.05.14 12:14

Datei-Anhänge
??????-3.37.jpg ??????-3.37.jpg (290x)

Mime-Type: image/jpeg, 165 kB

??????-3.39.jpg ??????-3.39.jpg (296x)

Mime-Type: image/jpeg, 59 kB

??????-3.40.jpg ??????-3.40.jpg (295x)

Mime-Type: image/jpeg, 130 kB

??????-3.41.jpg ??????-3.41.jpg (307x)

Mime-Type: image/jpeg, 113 kB

??????-3.42.jpg ??????-3.42.jpg (280x)

Mime-Type: image/jpeg, 166 kB

??????-3.43.jpg ??????-3.43.jpg (282x)

Mime-Type: image/jpeg, 189 kB

??????-3.44.jpg ??????-3.44.jpg (310x)

Mime-Type: image/jpeg, 183 kB

??????-3.45.jpg ??????-3.45.jpg (290x)

Mime-Type: image/jpeg, 111 kB

28.05.14 12:18
Klaus 

500 und mehr Punkte

28.05.14 12:18
Klaus 

500 und mehr Punkte

Re: Armstrong Rückkopplungs-Audion Retroradio.

Pluspol:
...
Die konstruktive mechanische Umsetzung Deines Projektes ist wieder einsame Spitze.
Wie ich vermute, hast Du neben Deiner besonderen handwerklichen Begabung auch die erforderliche Zeit und gerätetechnischen Voraussetzungen für Deine Arbeiten.
...
Hallo,

dem kann ich mich nur anschließen und fast vor Neid erblassen.

Viele Grüße
Klaus

28.05.14 12:18
friedrich-kutnik 

500 und mehr Punkte

28.05.14 12:18
friedrich-kutnik 

500 und mehr Punkte

Re: Armstrong Rückkopplungs-Audion Retroradio.

Hallo Dietmar,

herzlicher Dank für Deine Anweisungen! Sehr wichtige Information.



MfG Frierich

 1 2 3
 1 2 3
gerätetechnischen   Gesamtkapazität   bearbeitet   Voraussetzungen   HF-Vorverstärkerstufe   Kurzwellenbereich   Regenerativempfänger   induktivitätsarmen   Friedrich   Küchenabteilung   Rückkopplungs-Audion   Drehkoschrumpfen   friedrich-kutnik   Arbeitswiderstand   Armstrong   Signal-Generator   Ingenieur-Konstrukteur   Retroradio   rainers-elektronikpage   Verstärkungsregelung