| Passwort vergessen?
Sie sind nicht angemeldet. |  Anmelden

Sprache auswählen:

Wumpus Gollum Forum von
Wumpus Welt der (alten) Radios
Sie sind nicht angemeldet.
 Anmelden

Ein Mittelwellen-Superhet mit Subminiatur-Röhren
  •  
 1 2 3 4 5 .. 9
 1 2 3 4 5 .. 9
07.02.10 22:15
roehrenfreak

nicht registriert

07.02.10 22:15
roehrenfreak

nicht registriert

Ein Mittelwellen-Superhet mit Subminiatur-Röhren

Liebe Radio-Selbstbaufreunde,

um eins gleich vorweg zu nehmen: Damit der Werdegang "in einem Guß" hier zusammenhängend für die geneigten Leser unterbrechungsfrei vorliegt werde ich das Thema sogleich schließen. Grössere Baufortschritte werde ich immer wieder einfügen und erst nach Vollendung den Thread für alle wieder freigeben. Ich hoffe, dass Ihr das so akzeptiert - Danke!

Erster Teil:
Zu Beginn des Projektes lief bei mir alles wunderbar. Das Schaltungskonzept war recht schnell entwickelt, ein erster Probeaufbau zeigte die Funktionstüchtigkeit aber auch ein paar Probleme. Das war mit einem weiteren Probeaufbau im Griff. Dann der erste "GAU": Drei Röhren starben auf einen Schlag weil durch eine kleine, aber fatale Unachtsamkeit, als die Anodenbatterie meinte, mit den Heizfäden Kontakt aufnehmen zu müssen. Erster Bohlen-Sch...! Das war Mitte des vergangenen Jahres.
Franz spendete mir außer Trost auch die eine oder andere russische Subminiaturröhre (Dickes Dankeschön!) und das Projekt gewann wieder an Schwung. Doch der Mischer wollte erst nach zähen Verhandlungen für mich zufriedenstellend arbeiten. Aber der nächste GAU lauerte schon in den Startlöchern. Ohne erkennbaren Grund verabschiedete sich eine weitere Röhre, die DF60 in der 1.ZF, Heizfaden platt. Nun ist der Austausch in der Lochrasterplatine an sich schon haarig, dann in Ermangelung einer neuen DF60 die Schaltung auch noch auf eine kleine Russin umgebaut. Wieder zufrieden sollte es weiter gehen. Im November schlug das Schicksal erneut zu, als eine Endröhre 1SH29b die Atmosphäre unseres Planeten einsog, einfach so, ohne erkennbaren Grund. Die Stimmung lag mittlerweile am Boden. Aber gut, die Röhre wurde ausgetauscht, der Empfänger lief wieder. So - nun aber Endspurt. Ein Spannungwandler von 4,5Volt auf 60Volt sollte die Anodenspannung erzeugen. Eine Schaltung mit 97%Wirkungsgrad war schnell gebaut. Leider entwickelten sich seine elektromagnetischen Störungen zu einem schier unlösbaren Problem im nur 150*128*51mm messenden Chassis, die Ferritantenne "auf Tuchfühlung". Schirmungen jedweder Art ausprobiert - nichts half. Das war der Zeitpunkt, an dem ich das Projekt am liebsten an den Nagel gehängt hätte. Nun habe ich also den ganzen Kasten ein weiteres Mal umkonstruiert und betreibe ihn mit sieben 9-Volt-Blocks und einer Monozelle. Er spielt sehr ordentlich, leider zu spät. Soweit gekommen werde ich das Projekt für mich zunächst einmal fertig stellen. Für´s Forum folgt dann später die genaue, bebilderte Beschreibung und auch ein Schaltplan.

Zweiter Teil:
Vorab eine Kurzbeschreibung der Schaltung:
Es handelt sich um eine echten Superhet, realisiert mit nur fünf Subminiatur-Röhren. Im Mischer und Oszillator arbeitet eine 1SH37b. Es wird multiplikativ gemischt, obwohl es sich um eine selbstschwingende Schaltung handelt.
Der ZF-Verstärker ist zweistufig mit den Röhren 1SH18b und DF60 aufgebaut und besitzt insgesamt sieben Bandfilter, davon ein Keramik-Resonator. Die Durchlaßkurve ist so schmal, dass benachbarte Kanäle sich nicht gegenseitig beeinträchtigen. Die Zwischenfrequenz beträgt 455kHz. Die Demodulation erfolgt mit einer Germanium-Diode. Hier wird auch die Regelspannung erzeugt, welche auf die Misch- und Oszillatorstufe sowie die erste ZF wirkt. Die zweite ZF-Stufe wird nicht geregelt, weil sie in Reflex-Schaltung auch als NF-Vorverstärker genutzt wird. Das NF-Signal gelangt über einen 1:4 Symetrier-Trafo zur Gegentakt-Endstufe mit zwei mal 1SH29b. Die damit erzielbare Lautstärke des mit einem weiteren Trafo angekoppelten 8-Ohm-Lautsprechers ist befriedigend hoch. Der Gesamt-Anodenstrom des Gerätes liegt bei 7-10mA, die Anodenspannung beträgt nominal 60Volt.

Dritter Teil:
Der Empfänger bekommt so langsam ein "Gesicht". Meine Designwünsche schwanken noch, tendierend zum klassisch-schlichten ohne Schnörkel, zeitlos und funktionell betont. Die ersten Gehäuseteile sind zurecht gesägt und verleimt. Nun muss ich erst mal warten...








(Fortsetztung folgt)


08.02.2010

Der Gehäusebau ist in vollem Gange. Die ersten Holzteile sind zugerichtet und verleimt. Eine erste Anprobe zeigt: "Passt"! Für die weitere Gestaltung ist nun etwas Fingerspitzengefühl und Phantasie gefragt. Aber ich habe da schon ein paar Ideen...






Vierter Teil

Das Drama Gehäusebau ist zu einem glücklichen Ende gekommen. Es geht in der Kiste so s..eng zu, dass am Chassis hier und dort noch etwas weggefeilt, geschnibbelt, versetzt werden musste. Nun aber ist das Radiochen fertig und spielt sehr ordentlich. Auch tagsüber sind damit hier mehrere Stationen gut zu empfangen, abends und nachts ist dann der Lucifer los...

Ff.

Freundliche Grüsse,
Jürgen rf

Noli turbare circulos meos (Störe meine KREISE nicht! - Archimedes)

Zuletzt bearbeitet am 23.08.10 23:12

Datei-Anhänge
r2905b_back.jpg r2905b_back.jpg (937x)

Mime-Type: image/jpeg, 137 kB

r2905b_front.jpg r2905b_front.jpg (923x)

Mime-Type: image/jpeg, 109 kB

r2905b_top.jpg r2905b_top.jpg (902x)

Mime-Type: image/jpeg, 103 kB

r2905b_case1.jpg r2905b_case1.jpg (853x)

Mime-Type: image/jpeg, 74 kB

r2905b_case2.jpg r2905b_case2.jpg (896x)

Mime-Type: image/jpeg, 81 kB

wumpus und Franz gefällt der Beitrag.
!
!!! Fotos, Grafiken nur über die Upload-Option des Forums, KEINE FREMD-LINKS auf externe Fotos.    

!!! Keine Komplett-Schaltbilder, keine Fotos, keine Grafiken, auf denen Urheberrechte Anderer (auch WEB-Seiten oder Foren) liegen!
Solche Uploads werden wegen der Rechtslage kommentarlos gelöscht!

Keine Fotos, auf denen Personen erkennbar sind, ohne deren schriftliche Zustimmung.

Den Beitrag-Betreff bei Antworten auf Threads nicht verändern!
12.02.10 13:34
roehrenfreak

nicht registriert

12.02.10 13:34
roehrenfreak

nicht registriert

Re: Ein Mittelwellen-Superhet mit Subminiatur-Röhren

...Fortsetzung vierter Teil:

Hier möchte ich Euch noch ein paar Bilder vom "Endspurt" zeigen. Der Schaltplan wird noch nachgereicht.



Auch der Skalenseilzug ist mittlerweile fertig, die Skala mittels Messsender kalibriert. Mit einiger Überlegung wurde nur eine Umlenkrolle benötigt. Passt haarscharf!







Abmessungen über alles: (B*H*T) 157*140*65 mm

Ff.

Freundliche Grüsse,
Jürgen rf

Noli turbare circulos meos (Störe meine KREISE nicht! - Archimedes)

Zuletzt bearbeitet am 20.07.10 23:32

Datei-Anhänge
r2905b_ZF.jpg r2905b_ZF.jpg (902x)

Mime-Type: image/jpeg, 100 kB

r2905b_gehäuse.jpg r2905b_gehäuse.jpg (870x)

Mime-Type: image/jpeg, 108 kB

r2905b_fertig1.jpg r2905b_fertig1.jpg (799x)

Mime-Type: image/jpeg, 84 kB

r2905b_fertig2.jpg r2905b_fertig2.jpg (836x)

Mime-Type: image/jpeg, 66 kB

20.02.10 17:35
roehrenfreak

nicht registriert

20.02.10 17:35
roehrenfreak

nicht registriert

Re: Ein Mittelwellen-Superhet mit Subminiatur-Röhren

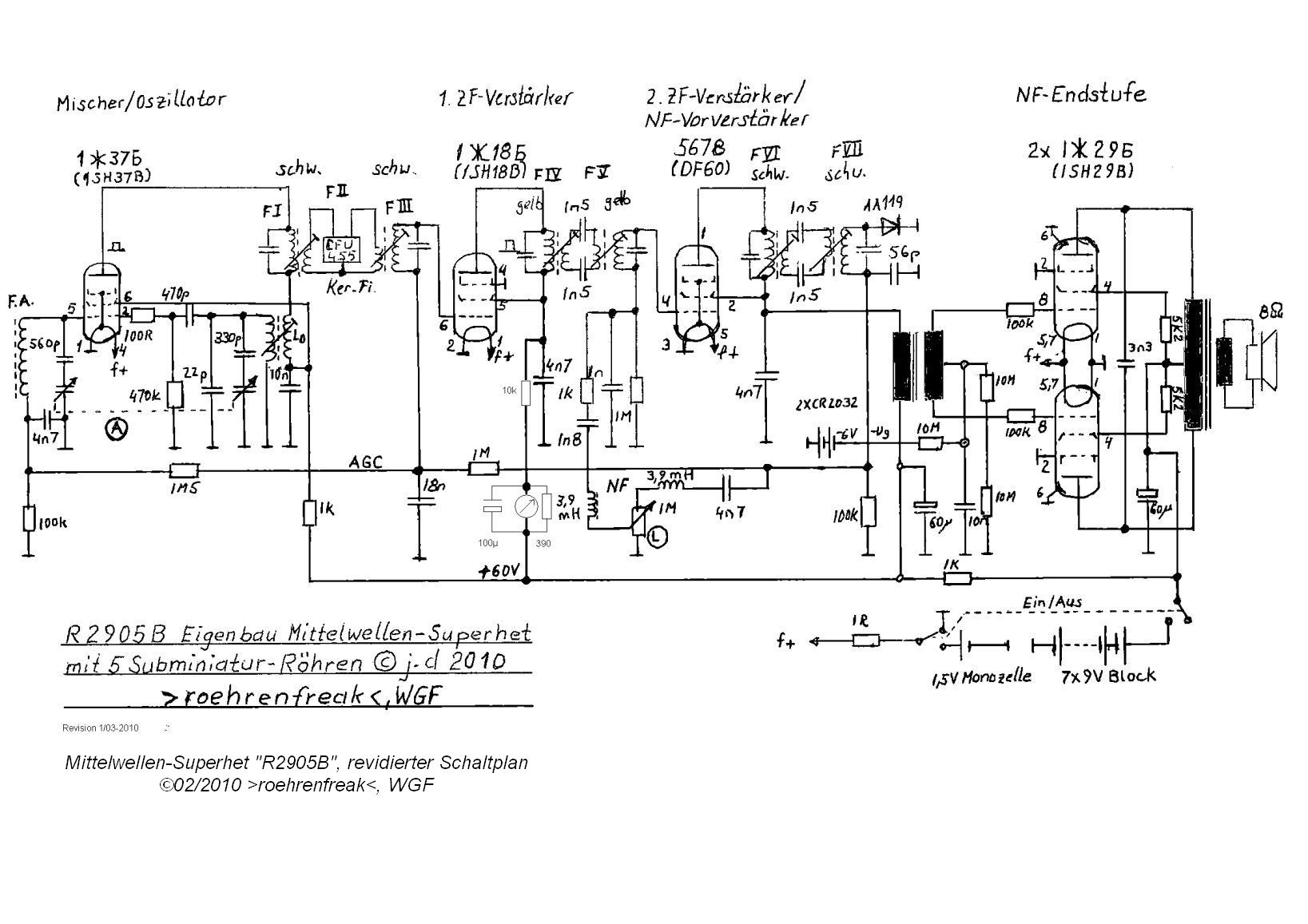
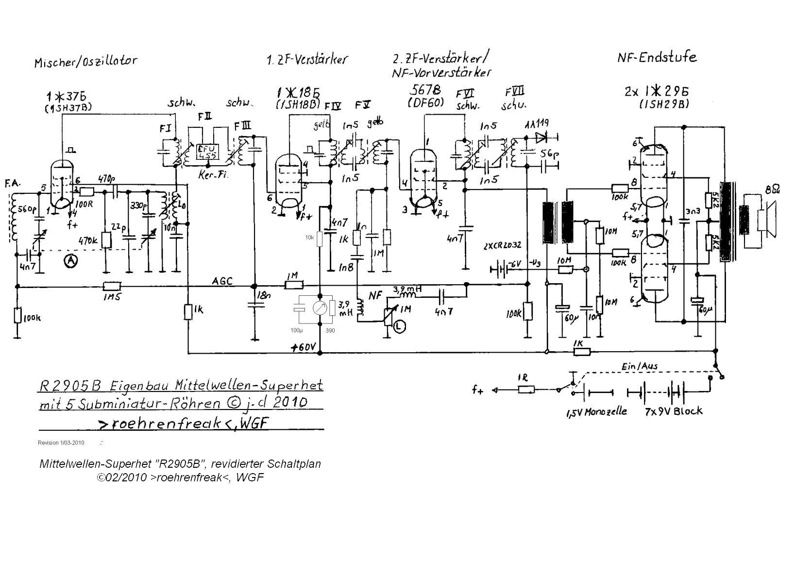
So, liebe Radio-Selbstbauer,

hier nun wie versprochen der Gesamtschaltplan des "R2905B", meinem kleinen Subminiatur-Röhrensuper. Die Beschreibung erfolgte weitestgehens bereits im ersten Abschnitt. Fragen sind selbstverständlich herzlich willkommen und werden prompt beantwortet.



Freundliche Grüsse,
Jürgen rf

Noli turbare circulos meos (Störe meine KREISE nicht! - Archimedes)

[i]Nachtrag: Dies ist nun der revidierte Schaltplan incl. Abstimmanzeige. Ist als neuer Scan vielleicht auch besser zu lesen

Zuletzt bearbeitet am 20.07.10 23:33

Datei-Anhänge
r2905b_plan70.jpg r2905b_plan70.jpg (1471x)

Mime-Type: image/jpeg, 257 kB

20.02.10 18:02
Klaus 

500 und mehr Punkte

20.02.10 18:02
Klaus 

500 und mehr Punkte

Re: Ein Mittelwellen-Superhet mit mit Subminiatur-Röhren

Hallo Jürgen,

Chapeau! Tolle Arbeit und Dokumentation.

Viele Grüße
Klaus

Zuletzt bearbeitet am 20.02.10 20:13

21.02.10 09:12
Franz 

0-49 Punkte

21.02.10 09:12
Franz 

0-49 Punkte

Re: Ein Mittelwellen-Superhet mit mit Subminiatur-Röhren

Hallo Forum,
Ich hatte das Vergnügen, das Gerätchen gestern auszuprobieren. Es ist ein "Meisterwerk" mit extremer Empfangsleistung.
! Gratulation !
Rainer, ich finde das Gerät , Dokumentation und seine Baugeschichte sollten in das Kompendium aufgenommen werden .
Grüsse Franz

21.02.10 11:29
DC1MF 

500 und mehr Punkte

21.02.10 11:29
DC1MF 

500 und mehr Punkte

Re: Ein Mittelwellen-Superhet mit mit Subminiatur-Röhren

Hallo Jürgen,
eine tolle Leistung, meine Hochachtung.
Und dann noch so klein!
Hatte 1969 ein W2 Taxifunkgerät Siemens W2 (mit EF732) umgebaut für 2m Amateurfunk. Daraus wurde ein Mamutprojekt, ca.12-14 Stk. wurden nach und nach umgebaut. Da dies Kanalgeräte waren, wurde der Wünsch nach einem durchstimmbaren Empfänger laut.
Wir haben es versucht, gedoch haben wir das Gerät nie frequenzstabil bekommen. Der VFO war ständig auf der Flucht. Die Temperaturkompensation war mangelhaft.


Mit freundlichen Grüßen aus Fraham
Helmut

21.02.10 12:02
wumpus 

Administrator

21.02.10 12:02
wumpus 

Administrator

Re: Ein Mittelwellen-Superhet mit mit Subminiatur-Röhren

Franz:
Hallo Forum,
Ich hatte das Vergnügen, das Gerätchen gestern auszuprobieren. Es ist ein "Meisterwerk" mit extremer Empfangsleistung.
! Gratulation !
Rainer, ich finde das Gerät , Dokumentation und seine Baugeschichte sollten in das Kompendium aufgenommen werden .
Grüsse Franz

Hallo Franz,
mir gefällt das Gerätchen vom Jürgen auch sehr gut - ich bin es von ihm auch garnicht anders gewohnt .
Ich kann im Kompendium gern einen Link auf diesen hier Thread setzen. Ich denke hier im Forum hat es den größeren Ansprechkreis und kommt leichter an die Interessenten. Im Kompendium lesen ja nur die Hardliner......


Mit freundlichen Grüssen Rainer (Forum-Admin)

Möge uns zumindest die analoge Welle erhalten bleiben.
Ich trauere um DAB.

21.02.10 22:49
roehrenfreak

nicht registriert

21.02.10 22:49
roehrenfreak

nicht registriert

Re: Ein Mittelwellen-Superhet mit mit Subminiatur-Röhren

Hallo liebe Selbstbaufreunde,

Euer Lob ehrt mich ausserordentlich. Dafür bedanke ich mich ganz herzlich! Der Wermutstropfen für mich war halt die zu späte Fertigstellung zum Wettbewerb. Das aber ist eben das wirkliche Leben. Wie bei Forest Gump: Shit happens und das Leben ist wie eine Schachtel Pralinen - man weiß nie, was man bekommt !
Aber was soll´s. Nun steht der "kleine Süsse" - so der offizielle Taufname - im Regal neben einem anderen, alten Bekannten...



Freundliche Grüsse,
Jürgen rf

Noli turbare circulos meos (Störe meine KREISE nicht! - Archimedes)

Datei-Anhänge
r2905b_im_museum.jpg r2905b_im_museum.jpg (815x)

Mime-Type: image/jpeg, 96 kB

22.02.10 15:35
uwe_thomas 

250-499 Punkte

22.02.10 15:35
uwe_thomas 

250-499 Punkte

Re: Ein Mittelwellen-Superhet mit mit Subminiatur-Röhren

Hallo alle zusammen,

Ich bin neu hier im Forum und möchte mich erst mal vorstellen.
Mein Name ist Uwe Thomas und ich bin 48 Jahre alt.
Hobbys: Radios basteln und Musik selbermachen (Keyboards).
Von mir sind das Einröhrenradio mit der PCF803 und der kleine Fünfröhrensuper, welche am Bastelwettbewerb teilgenommen hatten.

Hallo Jürgen,

Herzlichen Glückwunsch zu diesem wirklich gelungenen Radio.
Kann sich meines hinter verstecken, gestehe ich neidlos zu.
Hat mir sehr gut gefallen.

Mit freundlichen Grüssen,

Uwe Thomas

22.02.10 16:07
bleschi1977

nicht registriert

22.02.10 16:07
bleschi1977

nicht registriert

Re: Ein Mittelwellen-Superhet mit mit Subminiatur-Röhren

Hallo
Jürgen rf
Mit voller ehrfurcht sehe ich Dein Grossartiges Werk an und das ist was mich immer aufs neue Fasziniert,was ein Meister der alten Schule drauf hat,
es ist ein sehr schönes Radio und die Prtofessionelle Qualität die man auf den Bildern sieht ist unschlagbar.

Das Kompendium ist eine Sehr gut gelungende Sache vom Administratur,durchdacht und hillfreich,
das ist doch mal etwas brauchbares keine vermutungen sondern konkrete hilfe die auch zum Erfolg führen.
MEINE HOCH ACHTUNG (HUT AB)

LG Markus


Zuletzt bearbeitet am 22.02.10 16:09

 1 2 3 4 5 .. 9
 1 2 3 4 5 .. 9
Wumpus-Gollum-Kompendium   Zweipol-Kopfhörer-Klinkenbuchse   Archimedes   turbare   circulos   Subminiatur-Röhren   Gittervorspannungserzeugung   Gitterspannungsbatterieen   Freundliche   bearbeitet   Giitervorspannungsteiler   Gitter-Kathodenstrecken   Fingerspitzentemperatur   Verbesserungsvorschläge   g1-Vorspannungserzeugung   Heiz-Ladespannungsnetzteil   Klinken-Dreipol-Steckverbindung   Mittelwellen-Superhet   Gitterspannungsgewinnung   Zuletzt