| Passwort vergessen?
Sie sind nicht angemeldet. |  Anmelden

Sprache auswählen:

Wumpus Gollum Forum von
Wumpus Welt der (alten) Radios
Sie sind nicht angemeldet.
 Anmelden

Anodenspannung aus Kaskade erzeugen
  •  
 1 2
 1 2
16.06.14 20:13
technikfreund 

500 und mehr Punkte

16.06.14 20:13
technikfreund 

500 und mehr Punkte

Anodenspannung aus Kaskade erzeugen

Hallo Zusammen!

Heute ist es ja leider etwas schwieriger, geeignete Anodentrafos zu bekommen.

Bisher kenne ich drei Möglichkeiten, von denen ich schon zwei ausprobiert habe:

1. Ein alter Trafo mit Anodenwicklung und Heizwicklung

2. Zwei Trafos erzeugen durch runter- und rauf transformieren eine Anodenspannung,
galavnische Trennung wird auch erreicht. (Nachteil, die Trafos müssen viel Strom liefern können, da
dieser Aufbau verlustbehaftet ist.)

3. Man transformiert eine Spannung herunter und erzeugt aus einer Kaskade die Hochspannung.

Und in diesem Tread geht es mir um die dritte Möglichkeit.

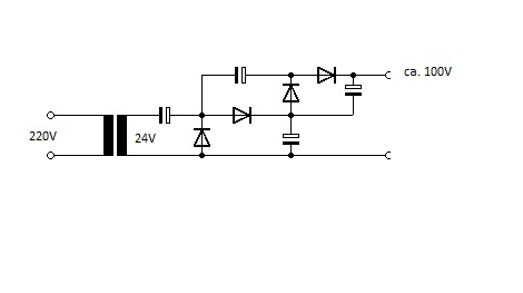
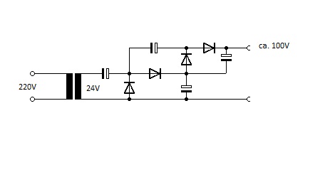
Zwei Schaltungen habe ich bisher gefunden, eine Vervierfachungsschaltung und ein Netzteil.

Hier die Vervierfachungsschaltung:


Und hier der Link zu dem Netzteil:

http: //www.b-kainka.de/roehren/gegentaktel95.htm

Achtung: Ganz runterscrollen, das eine Netzteil ist technisch nicht i.O., ist aber alles beschrieben)


Zur Verfügung stehen mir zwei Trafos 220V - 24V, 0,13A sowie Spannungsfeste Elkos 100µF/300V.


Welche Schaltung ist sinnvoller aufzubauen, wie kann ich auf dem einfachsten Wege, am besten mit
1 Trafo die Anodenspannung erzeugen?

Mir persönlich gefällt die Kaskade ganz gut, wie würde eine weitere Stufe davon aussehen und ist es richtig das nur
der letzte Elko mind. 300V Spannungsfestigkeit haben muss?
(Würde dann heißen, alle Elkos außer der letzte 63V Spannungfestigkeit, Dioden hätte ich 1N4007 da)

Viele Grüße Technikfreund.

Zuletzt bearbeitet am 16.06.14 20:19

Datei-Anhänge
Vervierfachungs Schaltung.jpg Vervierfachungs Schaltung.jpg (459x)

Mime-Type: image/jpeg, 11 kB

MIRAG gefällt der Beitrag.
!
!!! Fotos, Grafiken nur über die Upload-Option des Forums, KEINE FREMD-LINKS auf externe Fotos.    

!!! Keine Komplett-Schaltbilder, keine Fotos, keine Grafiken, auf denen Urheberrechte Anderer (auch WEB-Seiten oder Foren) liegen!
Solche Uploads werden wegen der Rechtslage kommentarlos gelöscht!

Keine Fotos, auf denen Personen erkennbar sind, ohne deren schriftliche Zustimmung.

Den Beitrag-Betreff bei Antworten auf Threads nicht verändern!
16.06.14 21:04
Ronn 

500 und mehr Punkte

16.06.14 21:04
Ronn 

500 und mehr Punkte

Re: Anodenspannung aus Kaskade erzeugen

Hallo Technikfreund,

vielleicht eine übersichtlichere Darlegung der Vervielfacherschaltung: http://www.rn-wissen.de/index.php/Spannungsverdoppler
Dort siehst du auch wie eine weitere Stufe geschaltet werden kann und weitere Möglichkeiten der Spannungsverdopplungen.
Die Spannungsfestigkeit der Dioden/Kondensatoren muss entsprechend der jeweiligen Stufe gewählt werden!

vy 73 de Ron

Zuletzt bearbeitet am 16.06.14 21:05

16.06.14 23:08
technikfreund 

500 und mehr Punkte

16.06.14 23:08
technikfreund 

500 und mehr Punkte

Re: Anodenspannung aus Kaskade erzeugen

Hallo Ronn!

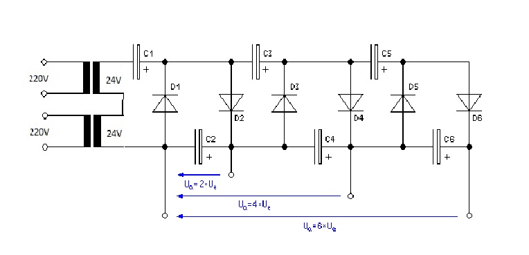
Ich habe mir überlegt mit der Villardkaskade zu arbeiten.

Habe mal aus zwei Schaltungen eine gebastelt, wie sie als Endversion
aussehen sollte.

Ist die Zusammenschaltung der Trafos so richtig?

Und wäre auch folgende Rechnung richtig:

Ua= 6xUe Ua=6x 48V Ua= 288V

Wenn ja, hätte ich theoretisch 288V am Ausgang anliegen, das reicht auf alle
Fälle.




Viele Grüße und Dank, Technikfreund.

Datei-Anhänge
Villard Kaskade 300V.jpg Villard Kaskade 300V.jpg (389x)

Mime-Type: image/jpeg, 35 kB

16.06.14 23:20
Uli 

500 und mehr Punkte

16.06.14 23:20
Uli 

500 und mehr Punkte

Re: Anodenspannung aus Kaskade erzeugen

Verstehe ich das richtig - aus Deinen Trafos kriegst Du 130mA raus? Dann wirst Du aber mit der erzeugten Spannung nix "dickes" betreiben können.

16.06.14 23:26
technikfreund 

500 und mehr Punkte

16.06.14 23:26
technikfreund 

500 und mehr Punkte

Re: Anodenspannung aus Kaskade erzeugen

Hallo Uli!

Bei mir ist noch die Frage offen, ob sich durch die Villard Kaskade der
max. lieferbare Ausgangstrom der Trafos stark verringert?

Wenn ich am Ende 100mA zur Verfügung habe reicht das, da damit höchstens
eine EL 84 versorgt wird.

Mehr liefert der gekaufte Netzgleichrichter eines Bekannten auch nicht. (300V, 100mA)

Viele Grüße Technikfreund.

16.06.14 23:34
Uli 

500 und mehr Punkte

16.06.14 23:34
Uli 

500 und mehr Punkte

Re: Anodenspannung aus Kaskade erzeugen

Na DIE Antwort ist aber einfach.
Der Trafo bringt eine gewisse Leistung (24V*130mA).
Da (leider) noch keine Schaltung erfunden ist, die diese Leistung vergrößert, kannst Du davon ausgehen, daß Du mit jeder Verdopplungsstufe den Strom halbierst. Unter idealen Voraussetzungen (= keine Verluste), die auch unerreichbar sind.
Das dürfte Deine Fragen erstmal beantworten ;)
WENN Du das so machen willst, dann würde ich mindestens zu alten Trafos aus Auto-Batterieladegeräten tendieren. Findet sich gelegentlich auf dem Schrott, die bringen wenigstens ein paar Ampere bei 12V.

17.06.14 00:31
MB-RADIO 

500 und mehr Punkte

17.06.14 00:31
MB-RADIO 

500 und mehr Punkte

Re: Anodenspannung aus Kaskade erzeugen

Hallo Technikfreund,

besser kämst Du, wenn Du die 24V-Wicklung des 2.Trafos an die 24V-Wicklung des ersten Trafos schaltest und dan per Graetzschaltung gleichrichtest - weniger Verluste.

Viele Grüße
Bernd

17.06.14 00:50
Uli 

500 und mehr Punkte

17.06.14 00:50
Uli 

500 und mehr Punkte

Re: Anodenspannung aus Kaskade erzeugen

Stimmt, gute Idee!
Leider auch nicht genug "Saft" für ein mittleres Röhrenprojekt. Dieses Prinzip mit Trafo aus alten Ladegeräten könnte hinhauen. Und wenn Trafo#1 noch etwas "dicker" als #2 ist, dann kann der auch gleich noch die Heizspannung liefern :)

Aber wo war denn eigentlich das Problem bei "Möglichkeit 1"?
Ich weiß, das klingt jetzt wieder nach Frevel - aber bitte mal ehrlich Kollegen - es gibt wirklich noch unendlich viele Röhrenradios, die kein Sammler geschenkt haben möchte. Und WENN er sie geschenkt bekommt... Nunja - entweder man endet als "Radio-Messi" oder beschließt, die Teile zu retten, die andere Radios dringend brauchen und entsorgt den Rest. Also zumindest Trafos, die einem "standard-bestückten" Radio reichen, sollte es zuhauf geben.

Just my 5 cents, steinigt mich jetzt nicht virtuell...

17.06.14 10:16
technikfreund 

500 und mehr Punkte

17.06.14 10:16
technikfreund 

500 und mehr Punkte

Re: Anodenspannung aus Kaskade erzeugen

Hallo Zusammen!

Ich habe noch mal ein wenig gerechnet und geschaut,
was für Trafos ich noch da habe.

@ Uli: Ich könnte auch einen alten Trafo nehmen, aber so viele
habe ich nicht davon und beware die lieber auf für ein Projekt, wo
z.b. der Trafo hinten auf dem Chassis sitzt.
Bei dem was ich jetzt vor habe soll alles als Universal Netzteil in
ein großes Gehäuse, da gibt es keine Platzprobleme.


Ich habe jetzt folgende überlegungen angestellt:

Trafo: Pri. 220V Sek. 24 V, 84 VA (3,5A).

Wenn ich jetzt die Formel Ua = 2 * n * Ue anwende und als Werte n=4 (4-stufige Kaskade)
und Ue = 24V annehme, wäre das Ergebnis doch:

Ua= 2*4*24 Ua=192

Heißt die Ausgangsspannung wäre 192 Volt, das reicht.

Das wäre die Formel für den Laststrom: Ia = Ie / n le=3,5A n=4

Wenn ich nun für le nur 3 Ampere rechne, wegen Verlusten, wäre die Rechnung: la=3/4 oder auch la=3000mA/4 ergibt la=750mA.


Wäre das so richtig gerechnet, dass bei diesem Trafo der Ausgangsstrom unter Last 750mA beträgt?

Viele Grüße, Technikfreund.

Zuletzt bearbeitet am 17.06.14 10:17

17.06.14 10:49
MB-RADIO 

500 und mehr Punkte

17.06.14 10:49
MB-RADIO 

500 und mehr Punkte

Re: Anodenspannung aus Kaskade erzeugen

Hallo Technikfreund,

ein weiterer Einwand: Bedenke, daß die Elkos diese hohen Ströme auch vertragen müssen - da sind schon gefühlsmäßig die 100µF viel zu klein.

Durch den hohen Innenwiderstand der Schaltung wird außerdem die Ausgangsspannung sehr lastabhängig.

Wenn Du die Bauteile schon hast, dann baue es einfach mal auf, so siehst Du praktisch , ob es Dir reicht. Und schaue Dir mit dem Oszi auch mal die Brummspannung an.

Viele Grüße
Bernd

 1 2
 1 2
standard-bestückten   Anodenspannungs-Kaskade   Technikfreund   Kaskade   Vervielfacherschaltung   Niedervolt-Zwischenkreis   Spannungstransformation   Auto-Batterieladegeräten   Halbleiterverbotes   Anodenspannung   erzeugen   Kaskadenstufenanzahlen   Spannungsverdoppler   Spannungsfestigkeit   höchstwahrscheinlich   Leistungsanforderung   Eingangswechselspannung   Vervierfachungsschaltung   Sperrwandler-Lösungen   Spannungsverdopplungen