| Passwort vergessen?
Sie sind nicht angemeldet. |  Anmelden

Sprache auswählen:

Wumpus Gollum Forum von
Wumpus Welt der (alten) Radios
Sie sind nicht angemeldet.
 Anmelden

Synchrondemodulation aus Funkschau 1950
  •  
 1 2
 1 2
23.02.19 11:10
WoHo 

500 und mehr Punkte

23.02.19 11:10
WoHo 

500 und mehr Punkte

Synchrondemodulation aus Funkschau 1950

Immer wieder findet man über die Jahre in den einschlägigen Radiozeitschriften im In- und Ausland Vorschläge, die einen besonders guten Empfang versprechen. Dabei werden oft die ausgetretenen Pfade verlassen und Schaltungen veröffentlicht, die ungewöhnlich sind.

Nun bin ich nicht so leichtgläubig, weil da Erinnerungen hochkommen: z.B. die Superregens für die Mittelwelle. Die sind zwar sehr empfindlich, aber eine Bandbreite wie ein Scheunentor haben und die pfeifen wie verrückt.
Anderes Beispiel: Der Cockaday 4-Circuit Tuner. Hat keine hohe Empfindlichkeit, dafür aber zwei Empfangsstellen, weil ein zweiter Resonanzkreis (de-Stabilizer genannt) fest mit dem Hauptkreis koppelt.

Im letzten Sommer hat mich der Wolfgang aus Bayern (WoSi) auf einen Artikel in der Funkschau, Heft 1 von 1950 aufmerksam gemacht. Die Überschrift lautet:

----------- Ein neues, aussichtsreiches Empfängerprinzip --------------


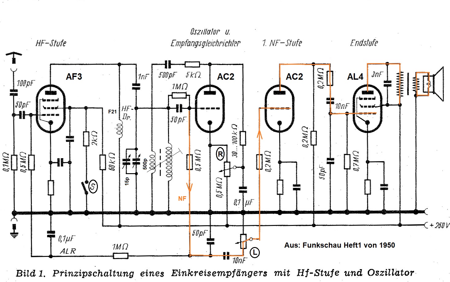
Auf den ersten Blick sieht man ein Audion mit HF-Vorstufe sowie NF-Verstärker mit nachgeschalteter Endröhre, also insgesamt vier Röhren.

Der Autor Dipl.-Physiker Norbert J. Müllbauer hat dazu eine recht ausfühliche Beschreibung seines Vorschlages gemacht, die mich neugierig machte und veranlasste, das mal selber genauer zu untersuchen bevor ich mir ein vorschnelles Urteil bilde.



Mit kleinen Anpassungen -wegen der verwendten Röhrentypen- funktionierte die Schaltung auf Anhieb! Das ist schonmal erfreulich...

Funktionsbeschreibung

Dazu hier Auszüge des erwähnten Artikels;



Abweichend von einer herkömmlichen Audionschaltung ist die Auskopplung der NF direkt am Gitter der ersten AC2. Die Gitter-Katodenstrecke wirkt wie eine Diode, jedoch die verstärkte NF an der Anode wird nicht verwendet! Nur die dort vorhandenen HF-Anteile werden über eine R/C Serienschaltung induktiv auf den Gitterkreis zurückgekoppelt. Mit der variabelen Anodenspannung (Poti R) kan man die Stärke davon einstellen, von keine Rückkopplung bis hin zur Selbsterregung. Im letzteren Fall haben wir es mit dem „Homodyn“ Empfangsprinzip zu tun, wie es schon 1924 von Colebrook angegeben wurde.

Kurzgefasst muss man sich das so vorstellen, dass bei ausreichender Antennenspannung, der schwingende Oszillator auf die Eingangsfrequenz „synchronisiert“ wird, d.h. darum auch kein Schwebungston entsteht. Das erfordert allerdings eine hohe Frequenzstabilität des Oszillators, sowie eine möglichst feinfühlige Einstellung desselben. Aus diesem Grund musste ich dem Drehko noch einen weiteren, mit kleiner Kapazitätsvariation, parallel schalten.

Der große Vorteil liegt darin, dass die Demodulation sehr verzerrungsarm verläuft. Bei dem normalen Audion (auch Anodengleichrichter) ist das leider nicht möglich. Das ist heutzutage um so wichtiger, weil die AM-Stationen -im Gegensatz zu früher- mit hohen Modulationsgraden aussenden.

Mit einer Testanordnung werde ich noch Bildschirmfotos machen, die das auch beweisen ….

Gruß aus NL, Wolfgang

Zuletzt bearbeitet am 23.02.19 11:26

Datei-Anhänge
FS Jan-1950 (2)-neu.jpg FS Jan-1950 (2)-neu.jpg (498x)

Mime-Type: image/jpeg, 325 kB

FS Jan-1950-1-auszug-800.png FS Jan-1950-1-auszug-800.png (472x)

Mime-Type: image/png, 462 kB

FS-aufbau-800.jpg FS-aufbau-800.jpg (469x)

Mime-Type: image/jpeg, 178 kB

WoSi, ELEK, wumpus, WalterBar, RWA, Airwaves, ingodergute, Roehren-Lutz und Oldtimer_OM gefällt der Beitrag.
!
!!! Fotos, Grafiken nur über die Upload-Option des Forums, KEINE FREMD-LINKS auf externe Fotos.    

!!! Keine Komplett-Schaltbilder, keine Fotos, keine Grafiken, auf denen Urheberrechte Anderer (auch WEB-Seiten oder Foren) liegen!
Solche Uploads werden wegen der Rechtslage kommentarlos gelöscht!

Keine Fotos, auf denen Personen erkennbar sind, ohne deren schriftliche Zustimmung.

Den Beitrag-Betreff bei Antworten auf Threads nicht verändern!
23.02.19 13:27
wumpus 

Administrator

23.02.19 13:27
wumpus 

Administrator

Re: Synchrondemodulation aus Funkschau 1950

Hallo zusammen, hallo Wolfgang,

es gibt bei radiomuseum.org einen interessanten Artikel von Berthold Bosch zum Thema "Homodyne":
https://www.radiomuseum.org/forumdata/us..._Bosch_1_RM.pdf

Einen Hinweis zum Homodyne gibt es auch bei Wumpus Welt der Radios:
http://www.welt-der-alten-radios.de/a--g-dyne-33.html

Auch in den frühen Funkbastlerheften wird der Homodyne angesprochen.

Jedenfalls eine interessante Schaltung. Bin gespannt auf weitere Fotos ...

Grüße von Haus zu Haus
Rainer, DC7BJ (Forumbetreiber)

Welt der alten Radios:
http://www.welt-der-alten-radios.de

Wumpus-Gollum-Forum:
http://www.wumpus-gollum-forum.de/forum

Virtuelle Voxhaus-Gedenktafel:
http://www.voxhaus-gedenktafel.de

Wumpus bei youtube:
https://www.youtube.com/user/MyWumpus

23.02.19 17:12
WoHo 

500 und mehr Punkte

23.02.19 17:12
WoHo 

500 und mehr Punkte

Re: Synchrondemodulation aus Funkschau 1950



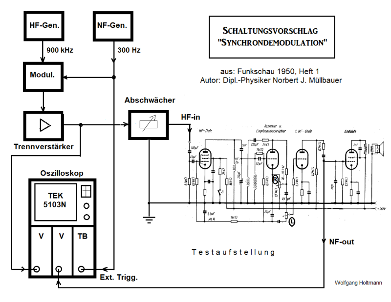
So sieht meine Testaufstellung aus, mit der ich untenstehende Oszillogramme aufgenommen habe.

Die Hf wird mit 300Hz wahlweise mit 30, 60 oder 90% moduliert. Über einen Trennverstärker und variablen Abschwächer geht’s dann zum Empfängereingang.
Die gewonnene NF nehme ich noch vor der Endstufe ab, um deren eventuelle Verzerrung zu eleminieren. Die modulierte HF, sowie die NF werden gemeinsam auf dem Scope dargestellt.

Warum ausgerechnet mit 300Hz modulieren?
Das ist mehr eine inviduelle Wahl meinerseits, rechnungtragend mit dem Umstand, dass mein Hörvermögen in den Jahren -was die hohen Töne betrifft- leider zurückgegangen ist. Die Leute mit einem musikalischen Gehör (wie ich z.B.) können im Lautsprecher nicht nur den Grundton, sondern auch die 2. und 3. Harmonische erkennen. Das bedeutet, sollten da noch 600Hz und/oder 900Hz Anteile zu hören sein, dann sind das ungewünschte „unlineare“ Verzerrungen. Hätte ich mit 1kHz moduliert, wären 2kHz oder 3kHz viel schwerer für mich zu unterscheiden....

Um nun die Linearität des Empfangsgleichrichters (das ist ja unser Hauptanliegen) einigermaßen(!) genau beurteilen zu können, mache ich einfach einen Vergleich der beiden Komponenten auf der Hüllkurve! Vorteil: selbst wenn die HF-Quelle nicht ganz sauber moduliert ist, macht das nichts aus, solange sich die NF mit der Hüllkurve deckt!

Messergebnisse

Zunächst drei Fotos mit der normalen Gittergleichrichtung ohne Rückkopplung!







Jetzt unter den gleichen Voraussetzungen, jedoch mit Synchrondemodulation.







Wir sehen vor allem, dass bei einer 90%igen Modulation letztere ein viel besseres, sauberes NF-Signal liefert, was zu beweisen war.....

Heute Abend wird die Antenne angeschlossen. Mal sehen, wie sich das so macht...

Gruß aus NL, Wolfgang

Datei-Anhänge
FS-n30.jpg FS-n30.jpg (462x)

Mime-Type: image/jpeg, 49 kB

FS-n60.jpg FS-n60.jpg (483x)

Mime-Type: image/jpeg, 52 kB

FS-n90.jpg FS-n90.jpg (480x)

Mime-Type: image/jpeg, 55 kB

FS-sync30.jpg FS-sync30.jpg (480x)

Mime-Type: image/jpeg, 49 kB

FS-sync60.jpg FS-sync60.jpg (463x)

Mime-Type: image/jpeg, 53 kB

FS-sync90.jpg FS-sync90.jpg (434x)

Mime-Type: image/jpeg, 53 kB

FS-Block-Schltg.png FS-Block-Schltg.png (476x)

Mime-Type: image/png, 109 kB

24.02.19 12:38
WoHo 

500 und mehr Punkte

24.02.19 12:38
WoHo 

500 und mehr Punkte

Re: Synchrondemodulation aus Funkschau 1950

Gestern Abend war es dann soweit,
meine 12m Unterdachantenne wurde mit dem Empfänger verbunden.

Ab 22 Uhr suchte ich nach den Stationen im oberen MW-Band, weil dort die Feldstärken am höchsten sind. Kleiner Trick so nebenbei, wenn ich meinen Frequenzzähler an die Anode der ersten AC2 hänge, habe ich im Synchronbetrieb (= schwingender Zustand) auch direkt die genaue Frequenzanzeige....

Bericht:
Sehr stark kommt Lyco-Radio (London) auf der 1458kHz rein. Diese Station ist sehr agressiv hoch und zudem breitbandig moduliert. Ohne Sync verzerrt, mit Sync viel besser, jedoch ab und zu rastet die aus.

Plötzlich, um etwa 22:15 schaltet der Sender Monte-Carlo auf 1467kHz ein. Bombensignal, sodass die 9kHz tiefere 1458kHz komplett weggedrückt wurde. Die 1467kHz wird glücklicherweise „normal“ moduliert, sodass es keinen Unterschied macht, ob ich nun mit oder ohne Sync empfange.

Dann weiter nach unten gedreht auf 1413kHz. Gut zu nehmen mit Sync, ohne Sync kommt immer noch die 1467kHz durch. Das bestätigt die Aussage, dass sich die Selektion im Synchronbetrieb verbessert!

Als nächstes der Russe auf 1386kHz. Hoch moduliert, ohne Sync leicht verzerrt, mit Sync viel besser.

Radio-Dechovka auf 1233kHz mit Sync guter Empfang, regelmäßig „out of Sync“ weil es zu periodischen Auslöschungen kommt, die im Gleichwellenbetrieb ihre Ursache hat. Wenn ohne Sync, dann im Hintergrund die Modulation von Absolute Radio auf 1215kHz.

Die fünf Sender im Gleichwellenbetrieb von Absolute Radio auf 1215kHz sind schon seit langem ein Problem, wenn über die Raumwelle empfangen. Die Laufzeitunterschiede verursachen die Verzerrungen. Die Zielgruppe der Hörer in Großbritannien werden jedoch über die Bodenwelle versorgt, haben also kein Problem damit...

Anmerkungen:
Etwas zweifelhaft ist die Rückführung der Richtspannung über 1MOhm zum Regelgitter der AF3. Mit ALR ist normalerweise eine „autom. Lautstärkeregelung“ gemeint. Das konnte ich nicht feststellen. Die Höhe der erzeugten neg. Spannung ist bei weitem nicht ausreichend, um die sowieso schon vorhandene Vorspannung von ca. -3V (durch Katodenwiderstand) zu überschreiten. Selbst im schwingenden Zustand (Sync-Betrieb) nicht. Ich könnte mir wohl vorstellen, dass damit verhindert wird, dass ein Ortssender den Empfangsgleichrichter übersteuert.

Zur Trennschärfe:
Dazu habe ich zwei Prüfsender angeschlossen, welche in der Frequenz nur 9kHz auseinanderliegen, aber mit unterschiedlicher Modulation. Sind beide Signale etwa gleich stark, sodass diese sich in Sync-Mode einstellen lassen, dann ist eine saubere Trennung gegeben !!!! Erstaunlich, nicht wahr?

Mein Gesamturteil zu dem Schaltungsvorschlag aus der Funkschau von 1950:
Empfehlenswert für Leute die als Hobby die Radiotechnik haben.


Gruß aus NL, Wolfgang

24.02.19 15:41
MB-RADIO 

500 und mehr Punkte

24.02.19 15:41
MB-RADIO 

500 und mehr Punkte

Re: Synchrondemodulation aus Funkschau 1950

Hallo Wolfgang,

eine hervorragende Arbeit schon wieder. Ich bewundere immer wieder deinen Forscherdrang und vor Allem die verständliche Beschreibung.

Was meinst Du damit:"HF-Quelle nicht ganz sauber moduliert" -Eine nicht sinusförmige HF ???

Falls dein Meßaufbau noch steht, dann gib doch einfach mal etwas mehr Spannung auf die Antennenbuchse. Beim Hochdrehen siehst Du doch , wie sich die Regelspannung ändert.

Verschnupfte Grüße
Bernd


Zwei Dinge sind unendlich, das Universum und die menschliche Dummheit, aber bei dem Universum bin ich mir noch nicht ganz sicher. (Albert Einstein)

24.02.19 17:39
WoHo 

500 und mehr Punkte

24.02.19 17:39
WoHo 

500 und mehr Punkte

Re: Synchrondemodulation aus Funkschau 1950

Danke, Bernd

Mit "HF-Quelle nicht ganz sauber moduliert", meine ich die Modulation des Trägers.

Das ist bei höheren Modulationsgraden (z.B. 90%) nicht ganz einfach, die Hüllkurve exakt sinusförmig zu bekommen. Wenn man genau hinschaut, sieht man in den positiven und negativen Spitzen leichte Rundungen, die da nicht sein sollten. Würde ich das mit einem Distortion-Analyzer untersuchen, dann führt das zu einem höheren Klirrfaktor.
Es ist mir schon deutlich, dass es Modulationsverfahren gibt, die bis zu 100% sauber modulieren. Diesen Mehraufwand wollte ich jedoch bewusst vermeiden.

Wie ich schon ausführte, diese kleine Unvollkommenheit fällt beim Vergleich Hüllkurve gegenüber der gewonnenen NF nicht ins Gewicht. Selbst wenn's ganz schlecht wäre, Hauptsache die NF folgt der Hüllkurve! So ist es ja auch in Wirklichkeit bei der Modulation der Sender mit Sprache oder Musik, da ist nix sinusförmig....

Was die AVR betrifft, die erzeugte neg. Richtspannung am Gitter der ersten AC2 ist einfach zu niedrig beim Empfang der Sender. Es fehlt einfach eine ausreichende Verstärkung der Antennenspannung, sodass auch die Fernsender mit Fading die Regelpentode weit in den flachen Bereich (weniger Steilheit) der Ia/Ug Kennlinie steuern.

Gruß aus NL, Wolfgang

24.02.19 17:44
wumpus 

Administrator

24.02.19 17:44
wumpus 

Administrator

Re: Synchrondemodulation aus Funkschau 1950

Hallo wolfgang,

sehr interessante Ausführungen! Wie gestaltet sich das Durchdrehen der Abstimmung übers Band? Ist zwischen den Sendern ein Pfeifen oder Eigenschwingungsgeräusch zu hören oder erst bei Aufdrehen auf einen Senderkanal? In alten Berichten las ich von "Zwitschern"...


Grüße von Haus zu Haus
Rainer, DC7BJ (Forumbetreiber)

Welt der alten Radios:
http://www.welt-der-alten-radios.de

Wumpus-Gollum-Forum:
http://www.wumpus-gollum-forum.de/forum

Virtuelle Voxhaus-Gedenktafel:
http://www.voxhaus-gedenktafel.de

Wumpus bei youtube:
https://www.youtube.com/user/MyWumpus

24.02.19 18:20
WoHo 

500 und mehr Punkte

24.02.19 18:20
WoHo 

500 und mehr Punkte

Re: Synchrondemodulation aus Funkschau 1950

Hallo Rainer

In der Beschreibung der Schaltung wird schon geschrieben:
"Als Nachteil muß das Pfeifen beim Durchdrehen angesehen werden"

Und so ist das auch. Mit dem Poti R kann ich selbst wählen, ob ich ganz ohne Rückkopplung über's Band drehe. Dann gibt es natürlich keine Einpfeiftöne. Nachteil, nur die starken Stationen werden gefunden.

Besser ist es, die Rückkopplung in den schwingenden Zustand zu bringen und dann auf Sendersuche zu gehen. Das ist mit den bekannten Pfeif-und Schwebungstönen verbunden. Ist der so gefundene Sender stark genug, um den Oszillator (erste AC2) zu synchronisieren, dann gebe ich mit dem Poti R etwas mehr Gas, um einen stabilen Zustand zu erhalten. Ist das Fading zu tief, dann rastet die Synchronisation aus (= out of Sync.), kommt aber wieder, sobald das Signal ansteigt.

Gruß aus NL, Wolfgang

24.02.19 22:27
wumpus 

Administrator

24.02.19 22:27
wumpus 

Administrator

Re: Synchrondemodulation aus Funkschau 1950

Hallo Wolfgang,

wenn das fading zum Abreissen der Synchronisation führt und dann wieder einrastet, gibt das einen hörbaren Effekt?

Ich denke da an das Verhalten meines Sony ICF2001D bei dessen Synchrondemodulator (zumindest sinngemäß), wenn er einrastet.


Grüße von Haus zu Haus
Rainer, DC7BJ (Forumbetreiber)

Welt der alten Radios:
http://www.welt-der-alten-radios.de

Wumpus-Gollum-Forum:
http://www.wumpus-gollum-forum.de/forum

Virtuelle Voxhaus-Gedenktafel:
http://www.voxhaus-gedenktafel.de

Wumpus bei youtube:
https://www.youtube.com/user/MyWumpus

Zuletzt bearbeitet am 24.02.19 22:30

24.02.19 22:45
WoHo 

500 und mehr Punkte

24.02.19 22:45
WoHo 

500 und mehr Punkte

Re: Synchrondemodulation aus Funkschau 1950

Zitieren:
wenn das fading zum Abreissen der Synchronisation führt und dann wieder einrastet, gibt das einen hörbaren Effekt?

Ja, Rainer,
dann läuft der Oszillator eben frei und das könnte man als "Zwitschern" umschreiben.... Das verschwindet wieder, sobald er einrastet.

Gruß aus NL

 1 2
 1 2
Synchrondemodulator   Gittergleichrichtung   Gitter-Katodenstrecke   Synchronisations-Aussetzer   Lautstärkeregelung“   Bodenwellenausbreitung   welt-der-alten-radios   Wolfgang   Voxhaus-Gedenktafel   Wumpus-Gollum-Forum   Funkschau   Phasenverschiebungen-   Empfangsgleichrichter   Empfangsgleichrichters   Synchrondemodulation   Gleichwellenstörungen   Nachbarsender-Träger   Bodenwellen-Einzugsbereich   Eigenschwingungsgeräusch   Mindest-Trägeramplitude