| Passwort vergessen?
Sie sind nicht angemeldet. |  Anmelden

Sprache auswählen:

Wumpus Gollum Forum von
Wumpus Welt der (alten) Radios
Sie sind nicht angemeldet.
 Anmelden

Radios aus Hamburg
  •  
 1
 1
04.01.19 18:01
reinhard 

500 und mehr Punkte

04.01.19 18:01
reinhard 

500 und mehr Punkte

Radios aus Hamburg

Zahlreiche bekannte große Hersteller von Radioapparaten und Zubehör hatten Anfang der 1920er Jahre ihren Sitz in Berlin, da sind wir ja auch stolz drauf! Aber auch in anderen Städten gab es Hersteller, die sich mit dem neuen Medium "Rundfunk" beschäftigten und Empfangsapparate konstruierten und vertrieben, so auch in Hamburg.
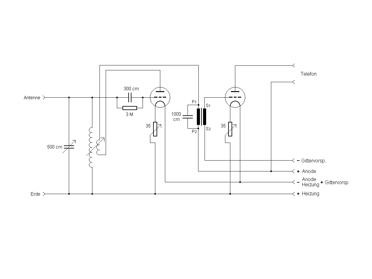
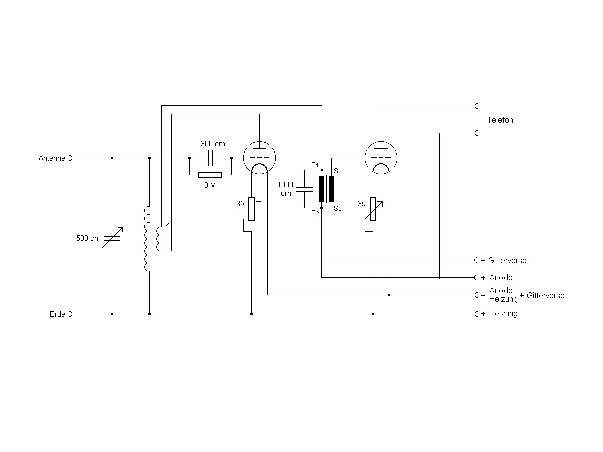
Am 27. August 1924 wurden die geprüften Muster des Audion-Primärempfängers mit "Einrohrverstärkung" Type PL 2 und des Einrohr-Niederfrequenzverstärkers Type EV 1 vom T.R.A. zum Verkauf in Deutschland freigegeben. Den Empfänger Type PL 2 stellte die Zeitschrift "DIE FUNKWELT" in einem Kurzbericht vor: "Ein neuer Lautsprecher-Empfänger von Gierner & Sohn, Hamburg. Arbeitsteilung auch in Empfängertypen! Das Gerät arbeitet mit Audion und Endverstärker-Röhre derart sauber, daß wir den Fernhörer während der Aufführung von 'Orpheus in der Unterwelt' entbehren konnten. Der Empfänger bringt den Lautsprecher wieder zu Ehren. Selbst bei größter Lautstärke, die für Säle ausreicht, bleibt die Wiedergabe völlig rein." (H. 22/1924)
Die hier gezeigte Ausführung trägt ein Typenschild mit der Herstellerangabe "Johann Lichtenfeld, Hamburg 1 (Liha)?. Ob Gierner & Sohn eine Auflage des PL 2 exklusiv für Lichtenfeld gefertigt oder Lichtenfeld die Produktion des Geräts übernommen hatte, ist nicht bekannt.

Schaltung: Geradeaus
Röhren: 2 (z.B. LA 75, LA 101)
Kreise: 1
Wellenbereiche: MW ca. 250-500 m
Lautsprecher: Anschluss für Kopfhörer oder Verstärker
Spannung: 4-Volt-Heiz-, 60-Volt-Anodenbatterie
Gehäuse: Holz
Skala: Zahleneinteilung 0-180
Abstimmung: direkte Drehkoabstimmung
Gewicht: 2 kg
Maße: Breite 21,5 cm, Höhe 27 cm, Tiefe 12 cm








(Quelle: "Archiv des Deutschen Rundfunk-Museum")

Reinhard

Zuletzt bearbeitet am 04.01.19 18:07

Datei-Anhänge
11203_2.jpg 11203_2.jpg (465x)

Mime-Type: image/jpeg, 20 kB

11203_1.jpg 11203_1.jpg (426x)

Mime-Type: image/jpeg, 13 kB

LihaPL2.jpg LihaPL2.jpg (454x)

Mime-Type: image/jpeg, 63 kB

apollo und regency gefällt der Beitrag.
!
!!! Fotos, Grafiken nur über die Upload-Option des Forums, KEINE FREMD-LINKS auf externe Fotos.    

!!! Keine Komplett-Schaltbilder, keine Fotos, keine Grafiken, auf denen Urheberrechte Anderer (auch WEB-Seiten oder Foren) liegen!
Solche Uploads werden wegen der Rechtslage kommentarlos gelöscht!

Keine Fotos, auf denen Personen erkennbar sind, ohne deren schriftliche Zustimmung.

Den Beitrag-Betreff bei Antworten auf Threads nicht verändern!
 1
 1
Einrohr-Niederfrequenzverstärkers   Empfangsapparate   beschäftigten   Endverstärker-Röhre   konstruierten   Rundfunk-Museum   Einrohrverstärkung   Wellenbereiche   Zahleneinteilung   Drehkoabstimmung   4-Volt-Heiz-   Lichtenfeld   Empfängertypen   Lautsprecher   60-Volt-Anodenbatterie   Arbeitsteilung   Audion-Primärempfängers   Radioapparaten   Herstellerangabe   Lautsprecher-Empfänger