| Passwort vergessen?
Sie sind nicht angemeldet. |  Anmelden

Sprache auswählen:

Wumpus Gollum Forum von
Wumpus Welt der (alten) Radios
Sie sind nicht angemeldet.
 Anmelden

Telefunkon N 1924
  •  
 1 2
 1 2
09.01.19 18:22
reinhard 

500 und mehr Punkte

09.01.19 18:22
reinhard 

500 und mehr Punkte

Telefunkon N 1924

„TELEFUNKON N”, EIN DETEKTOREMPFÄNGER IN REFLEXSCHALTUNG

Schaltung: Geradeaus
Röhren: 1 (z.B. RE 83 oder RE 84)
Kreise: 1
Wellenbereiche: MW 250-700m
Lautsprecher: Anschluß für Kopfhörer oder Verstärker
Betriebsspannung: 2- oder 4-Volt-Heiz-,
60-Volt-Anodenbatterie
Gehäuse: Holz
Skala: Zahleneinteilung 0-180
Abstimmung: Variometerabstimmung
Gewicht: 1,6 kg
Abmessung: Breite 17 cm
Höhe 21 cm
Tiefe 11 cm
24 TE 00 H
(c)DRM/AV

Die meisten Besitzer von Detektor-Empfangsanlagen empfanden es als unangenehm, nur Kopfhörer verwenden zu können. Alle waren sich aber einig, daß die Verwendung des Detektors eine klangreine Wiedergabe von Musik und Sprache bietet. Ihr Wunsch war daher Lautsprecherempfang mit einem Detektorempfänger. Mit dem „Telefunkon N“, das neben dem Detektor nur eine Röhre und zwar eine der Sparröhren (Thoriumröhre RE 83 oder Oxydfadenröhre RE 84) benutzte und diese gleichzeitig in Hochfrequenz- und Niederfrequenzschaltung (Reflexschaltung) verwendete, gab es eine Lösung für das Problem. Diese Reflexschaltung hatte den Vorteil, mit geringem finanziellen Aufwand einmal eine gesteigerte Empfangsempfindlichkeit des Detektorgerätes und zweitens die Anwendbarkeit eines Lautsprechers in den Sendestädten selbst und deren naher Umgebung bei guter Antenne zu gewährleisten. Zum Anschluß eines zweiten Niederfrequenz-
verstärkers war das Gerät aber nicht geeignet. Der Wellenbereich von 250 bis 700 m entsprach den Auflagen der damaligen Postverwaltung.
Rein äußerlich betrachtet, besteht das „Telefunkon N“ aus einem schwarz polierten Kasten, der auf seiner Vorderseite in zwei Reihen je 6 Klemmen trägt. In der Mitte befindet sich die Röhrenfassung mit dem Regulierwiderstand für die Heizspannung und dem darunter gelegenen Abstimmknopf. Die Bestimmung der Klemmenanschlüsse geht in genügender Klarheit aus nebenstehender Abbildung hervor. Um auch die Thoriumröhre RE 78 oder die Wolframröhre RE 11 verwenden zu können, ist ein grober Vorschaltwiderstand in das Gerät eingebaut, dessen gänzliches Ein- und Ausschalten zwei volle Umdrehungen seines Griffes erfordert. Zur Heizung muß bei den Thoriumröhren RE 78 und RE 83 ein 4 Volt-Akkumulator oder eine 4,5 Volt-Trockenbatterie angeschlossen werden. Für die Oxydfadenröhren (RE 84) genügt ein 2 Volt-Akkumulator oder eine 3 Volt-Trockenbatterie.
Als Anodenbatterie wurde die Telefunken-Trockenbatterie HB 418 mit den entsprechenden Anzapfungen für die Anoden- und Gitterspannung empfohlen.
„Bei der Einstellung des Gerätes auf den gewünschten Empfang ist folgendes zu beachten: Vorausgesetzt wird, daß die Schaltung richtig ist, die benutzte Anodenspannung der angegebenen Röhrenspannung entspricht, die Batterie die vorgeschriebene Spannung zeigt und der Detektor Kontakt besitzt. Unter Benutzung des Kopfhörers dreht man den Heizreglerknopf im Sinne des Uhrzeigers soweit, bis die Röhre zum Glühen gelangt – und zwar bei Wolframröhren bis zur Weißglut, bei Oxydfadenröhren bis zur schwachen Rotglut und bei Thoriumröhren nur bis zur schwachen Gelbglut (bei letzteren erkennt man trotz der Verspiegelung des Glaskolbens den Glühgrad an der Spitze der Röhre). Man beläßt die Heizung auf dem Punkt, bei dem schon ein geringes Rückwärtsdrehen des Heizreglers ein starkes Abfallen der Lautstärke veranlaßt, während ein weiteres Vorwärtsdrehen keinen merklichen Zuwachs an Lautstärke bringt. (Stärkere Heizung führt lediglich zur raschen Zerstörung der Röhren.) Dann sucht man mit dem Abstimmgriff den gewünschten Sender und, wenn nötig, eine günstigere Kontaktstelle des Detektors. Beim Suchen des Senders empfiehlt es sich, für den Fall, daß man an eine der Skalen-Endstellungen kommt, die bisher an der mittleren Antennenklemme liegende Antenne entweder an die obere oder die untere Antennenklemme zu legen, wodurch die Abstimmung mehr nach der Skalenmitte verlegt wird. Eine Empfangsverbesserung kann dann noch durch Änderung von Anoden- und Gitterspannung versucht werden. Man erzielt beim Erhöhen der Gittervorspannung eine größere Reinheit der Tonwiedergabe. Im Interesse der Röhrenlebensdauer soll man stets auf möglichst niedrige Heiz- und Anodenspannung bedacht sein. Werden diese leicht zu befolgenden Vorschriften genügend beobachtet, wird das Gerät im Rahmen seiner Leistungsfähigkeit jedem Besitzer ungetrübte Freude und Genuß am Rundfunk bereiten.“ (TELEFUNKEN-RUNDSCHAU, Nr. 7/8, Dezember 1924)

Admin: 3 Fotos mussten wegen bestehenden Urheberrechten Dritter und drohenden Rechtsfolgen gegen den Forumbetreiber und den Datenhochlader gelöscht werden.




(Quelle: "Archiv des Deutschen Rundfunk-Museum")

Es gab also auch schon 1924 preiswertere Radioapparate...

Reinhard

joeberesf, regency, WalterBar, apollo, Airwaves und ingodergute gefällt der Beitrag.
!
!!! Fotos, Grafiken nur über die Upload-Option des Forums, KEINE FREMD-LINKS auf externe Fotos.    

!!! Keine Komplett-Schaltbilder, keine Fotos, keine Grafiken, auf denen Urheberrechte Anderer (auch WEB-Seiten oder Foren) liegen!
Solche Uploads werden wegen der Rechtslage kommentarlos gelöscht!

Keine Fotos, auf denen Personen erkennbar sind, ohne deren schriftliche Zustimmung.

Den Beitrag-Betreff bei Antworten auf Threads nicht verändern!
12.01.19 17:57
Walterh 

100-249 Punkte

12.01.19 17:57
Walterh 

100-249 Punkte

Re: Telefunkon N 1924

Hallo

Seeehr schön.! Danke fürs Zeigen und die erläuternden Texte / Unterlagen!

Viele Grüsse, Walter

13.01.19 12:10
MB-RADIO 

500 und mehr Punkte

13.01.19 12:10
MB-RADIO 

500 und mehr Punkte

Re: Telefunkon N 1924

Hallo Reinhard,

danke fürs Vorstellen.

Lese ich das richtig, der Übertrager hat ein Übersetzungsverhältnis von 1:17,6 - sehr ungewöhnliche Angabe.

Viele Grüße
Bernd

Zwei Dinge sind unendlich, das Universum und die menschliche Dummheit, aber bei dem Universum bin ich mir noch nicht ganz sicher. (Albert Einstein)

13.01.19 13:12
ingodergute 

Moderator

13.01.19 13:12
ingodergute 

Moderator

Re: Telefunkon N 1924

Hallo Reinhard,

danke für die Vorstellung dieses interessanten Gerätes. Eine Frage habe ich zum Schaltplan. Kann es sein, daß im Primärkreis des NF-Trafos eine Verbindung fehlt? Die Detektordiode hat keinen Gleichstrompfad (außer der 1 µF Kondensator hätte gewollt einen parallen Verlustwiderstand), was dazu führen würde, daß sich der 1 µF Kondensator auf den Spitzenwert der HF aufläd und die Diode (der Detektor) anschließend sperrt. Vielleicht ist aber auch der Sperrstrom des Detektors ausreichend um den 1 µF Kondensator zu entladen(?). Kannst Du das am realen Objekt mal nachsehen?

Viele Grüße

Ingo.

_____________
Analog bleiben!

14.01.19 14:50
reinhard 

500 und mehr Punkte

14.01.19 14:50
reinhard 

500 und mehr Punkte

Re: Telefunkon N 1924

ingodergute:
Hallo Reinhard,

... Kannst Du das am realen Objekt mal nachsehen?

Viele Grüße

Ingo.

_____________
Analog bleiben!

Hallo Ingo,
würde ich ja gerne, dazu müsste ich aber im Besitz eines solchen Gerätes sein. Ist also nicht greifbar, leider. Daß fast zehn Jahre nach Veröffentlichung dieses Blattes im "Archiv des Deutschen Rundfunk-Museums" ein Hinweis auf ein evtl. fehlerhaftes Schaltbild kommt, ist schon komisch. Aber stimmt, ich bin selber über das SB gestolpert und seit zwei Tagen auf der Suche nach der Patentschrift...





Ein anderes SB zum Tfk N ist nicht zu finden. Ich habe das SB damals vom Originalgerät abgenommen. Kann sein, daß mir ein Fehler unterlaufen ist, oder an dem Gerät früher schon mal was geändert wurde... Mal sehen, ob jemand den Tfk N besitzt und wir an dem "realen Objekt" einen Vergleich machen können. Die Patentschrift zeigt ja auch schon Abweichungen im Detektorkreis. Also: Wer besitzt einen Telefunken N Reflexempfänger??????

Grüsse aus Berlin
Reinhard

Zuletzt bearbeitet am 14.01.19 14:51

Datei-Anhänge
PATENT.jpg PATENT.jpg (524x)

Mime-Type: image/jpeg, 299 kB

PATENT2.jpg PATENT2.jpg (524x)

Mime-Type: image/jpeg, 405 kB

PATENT3.jpg PATENT3.jpg (527x)

Mime-Type: image/jpeg, 206 kB

Reflex.pdf Reflex.pdf (514x)

Mime-Type: application/pdf, 247 kB

16.01.19 11:59
reinhard 

500 und mehr Punkte

16.01.19 11:59
reinhard 

500 und mehr Punkte

Re: Telefunkon N 1924

Hallo Ingo,

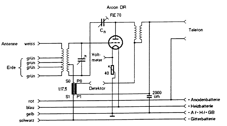
schau Dir mal das SB vom Arcon DR an, der hat eine fast gleiche Reflexstufe...



Ist aber auch vom Gerät abgenommen. Aber zweimal die gleiche Panne?
Ich will doch lieber warten, bis ich einen echten N mal in die Finger bekomme.

MfG
Reinhard

Zuletzt bearbeitet am 16.01.19 11:59

Datei-Anhänge
arconDR.jpg arconDR.jpg (1630x)

Mime-Type: image/jpeg, 78 kB

16.01.19 17:28
MB-RADIO 

500 und mehr Punkte

16.01.19 17:28
MB-RADIO 

500 und mehr Punkte

Re: Telefunkon N 1924

Hallo Reinhard,

nöö , hier ist der Fehler nicht vorhanden.

Der Ingo sieht aber auch alles - ist noch jung und hat gute Augen - bei uns helfen leider auch Möhren nicht mehr

Viele Grüße
Bernd

Zwei Dinge sind unendlich, das Universum und die menschliche Dummheit, aber bei dem Universum bin ich mir noch nicht ganz sicher. (Albert Einstein)

17.04.19 17:47
reinhard 

500 und mehr Punkte

17.04.19 17:47
reinhard 

500 und mehr Punkte

Re: Telefunkon N 1924

Oh Schreck, dachte ich gestern schon, dieses hervorragende Bilderrätselforum wird gelöscht! Oh nein, es ist noch alles da, und jetzt auch für Kinderspielzeug geeignet...
Bevor ich mich ganz und gänzlich aus diesem Forum verabschiede, noch der erste Versuch einer Korrektur zum Schaltbild des Telefunkon N. Ist ja schon schwierig, nach Fotos zu arbeiten, aber einen N hat ja hier wohl keiner??? Und die Fotos waren ja auch eins fix drei vom admin gelöscht...
Es scheint eine kleine Verbindung zu fehlen vom C nach plusAnode. Ist ja nicht so schlimm, heute kann man ja eh nix mehr hören auf MW...






Schöne alte Technik!


Aber vielleicht gibt es ja Ostersonntag ein Innenfoto von einem Nordmende Othello 57 wo wir "Kinder" Ostereier suchen dürfen....
Reinhard

Admin 18.09.2019: 2 Fotos mußten wegen einer Urheberrecht-Reklamation gelöscht werden.
Admin 18.09.2019: 1 Foto mußte wegen einer vom Admin erkannten Urheberrechtsverletzung gelöscht werden.

17.04.19 20:04
MB-RADIO 

500 und mehr Punkte

17.04.19 20:04
MB-RADIO 

500 und mehr Punkte

Re: Telefunkon N 1924

Hallo Reinhard,

nun hörst Du mit Dem wirklich nichts mehr.
Der 1µ liegt garantiert nicht parallel zum Hörer.

Viele Grüße
Bernd

Zwei Dinge sind unendlich, das Universum und die menschliche Dummheit, aber bei dem Universum bin ich mir noch nicht ganz sicher. (Albert Einstein)

18.04.19 10:04
reinhard 

500 und mehr Punkte

18.04.19 10:04
reinhard 

500 und mehr Punkte

Re: Telefunkon N 1924

Hallo Bernd, ja der 1 uF ist wirklich heftig.
Hab das SB gelöscht, da muss erst ein N im Original her. Die Fotos sind nett, helfen aber nicht wirklich weiter.
Frohe Ostern
Reinhard

Rettet die digitale Modelleisenbahn! Analog war gestern...

 1 2
 1 2
Niederfrequenzschaltung   Vorschaltwiderstand   Skalen-Endstellungen   Telefunkon   Leistungsfähigkeit   Detektor-Empfangsanlagen   Empfangsempfindlichkeit   TELEFUNKEN-RUNDSCHAU   Empfangsverbesserung   60-Volt-Anodenbatterie   Bilderrätselforum   Urheberrecht-Reklamation   Urheberrechtsverletzung   Übersetzungsverhältnis   Reinhard   Lautsprecherempfang   Variometerabstimmung   Röhrenlebensdauer   Telefunken-Trockenbatterie   Volt-Trockenbatterie