| Passwort vergessen?
Sie sind nicht angemeldet. |  Anmelden

Sprache auswählen:

Wumpus Gollum Forum von
Wumpus Welt der (alten) Radios
Sie sind nicht angemeldet.
 Anmelden

Euratele Meß u. Abgleichsender 412
  •  
 1 2
 1 2
08.04.12 15:44
Wolfgang2 

500 und mehr Punkte

08.04.12 15:44
Wolfgang2 

500 und mehr Punkte

Euratele Meß u. Abgleichsender 412

Hallo zusammen

Erst mal wünsch ich allen hier im Forum ein frohes Osterfest

Ich hab mir vom Flohmarkt einen kleinen Meßsender von Euratele mitgebracht. Der macht aber leider Probleme. Nachdem ich einen neuen Netzstecker angebracht hatte hab ich ihn eingeschaltet. Nachdem er ein paar minuten lief wurden die Elkos heiß. Beim nachsehen was da für ein Gleichrichter und Elkod drinn sind hatte ich natürlich sofort ein Kabel in der Hand was irgentwo am Elko drann war. Nun such ich einen Schaltplan damit ich die Elkos und den Gleichrichter tauschen kann und alles wieder richtig zu verkabeln. Hat zufällig jemand einen oder wieß wo ich dem her bekomm?

Wolfgang

Noch gefällt der Beitrag keinem Nutzer.
!
!!! Fotos, Grafiken nur über die Upload-Option des Forums, KEINE FREMD-LINKS auf externe Fotos.    

!!! Keine Komplett-Schaltbilder, keine Fotos, keine Grafiken, auf denen Urheberrechte Anderer (auch WEB-Seiten oder Foren) liegen!
Solche Uploads werden wegen der Rechtslage kommentarlos gelöscht!

Keine Fotos, auf denen Personen erkennbar sind, ohne deren schriftliche Zustimmung.

Den Beitrag-Betreff bei Antworten auf Threads nicht verändern!
08.04.12 18:30
nobbyrad58 

500 und mehr Punkte

08.04.12 18:30
nobbyrad58 

500 und mehr Punkte

Re: Euratele Meß u. Abgleichsender 412

Hallo Wolfgang!

Google mal nach euratele 412. In einer bestimmten Bude ist im dortigen Forum das gewünschte unter "Hier" zu finden. Bei der Beantwortung der gleichen Frage.

MFG Nobby

Zuletzt bearbeitet am 08.04.12 18:32

08.04.12 20:45
Wolfgang2 

500 und mehr Punkte

08.04.12 20:45
Wolfgang2 

500 und mehr Punkte

Re: Euratele Meß u. Abgleichsender 412

Hallo Nobby

Das bei *(I)* hab ich gefunden. Ich würde gern den Gleichrichter mit erzetzen. So wie ich das sehe ist da aber nur ein halber drinn. Kann man den durch einen normalen SI Brückengleichrichter ersetzen und wenn wie, oder soll ich da besser wieder einen halben reinbauen?

Wolfgang

08.04.12 22:19
nobbyrad58 

500 und mehr Punkte

08.04.12 22:19
nobbyrad58 

500 und mehr Punkte

Re: Euratele Meß u. Abgleichsender 412

Hallo Wolfgang!

Ich würde da nicht rumfummeln mit einem Brückengleichrichter, sondern einfach eine geeignete Diode nehmen z.b. 1N4007 oder eine andere. Bei P..... aus Bayern sind immer genügend Dioden zu bekommen. Der halbe Gleichrichter wird auch Einweggleichrichtung genannt, es wird nur eine Halbwelle der Wechselspannung ausgenutzt. Bei Geräten mit geringer Stromaufnahme wurde aus Sparsamkeitsgründen früher oft diese Einweggleichrichtung verwendet. Bei nur Röhrengeräten die als Allstromgeräte gebaut wurden ist die Einweggleichrichtung praktisch die einzige Möglichkeit, eine Brückenschaltung (Graetzbrücke) hätte statt einer Gleichrichterröhre oder genauer einem Diodensystem 4 getrennte benötigt. Einen solchen Aufwand gab es nur in der Industrieelektronik und professionellen Anlagen.
Der Original GL in dem Euratele scheint ein SelenGL zu sein, bei Ersatz mit einer Si Diode einen Widerstand grob geschätzt 50 - 150 zwischen Diode und ersten Elko schalten, oder noch besser R 108 zu erhöhen bis die richtige Spannung erreicht ist an C 10.

MFG Nobby

09.04.12 01:09
Wolfgang2 

500 und mehr Punkte

09.04.12 01:09
Wolfgang2 

500 und mehr Punkte

Re: Euratele Meß u. Abgleichsender 412

Hallo Nobby

Kann ich nicht einen Brückengleichrichter SE o. SI zur hälfte nutzen? Ich kann welche haben die bis zum Ausbau gingen. Einzelne Dioden hab ich noch welche. Da müßte ich mir aber extra noch eine Halterung aus Pertinax machen um die einzubauen.

Wolfgang

09.04.12 11:24
nobbyrad58 

500 und mehr Punkte

09.04.12 11:24
nobbyrad58 

500 und mehr Punkte

Re: Euratele Meß u. Abgleichsender 412

Hallo Wolfgang!

Das kannst Du natürlich auch machen. Aber dann würde ich die Brücke voll nutzen und R108 anpassen also erhöhen auch die Wattzahl des Widerstand. Das Problem mit den fehlenden Lötstützpunkten hab ich so gelöst das ich die modernen Bauteile die ja viel kleiner und leichter sind direkt an den Netztrafo gelötet habe. Wenn da keine Lötösen am Trafo sind, dann die Diode direkt an den ersten Elko löten, wenn nötig ein Stück Isolierschlauch drüber. Es sind nur meine Vorschläge, ich kenne von dem Gerät auch nur die Fotos vom RM, oft hat man ja während der Arbeit erst die gute Idee.

MFG Nobby

09.04.12 12:04
Klaus 

500 und mehr Punkte

09.04.12 12:04
Klaus 

500 und mehr Punkte

Re: Euratele Meß u. Abgleichsender 412

Hallo Wolfgang,

zuerst würde ich prüfen, ob der Austausch des Gleichrichters überhaupt erforderlich ist (zu geringe Spannung).
Falls ja, käme für mich aus Gründen der Originalität nur ein Einweggleichrichter in Frage, dann bräuchte auch kein Vorwiderstand angepasst werden.

Viele Grüße,
Klaus

09.04.12 12:08
Pluspol 

500 und mehr Punkte

09.04.12 12:08
Pluspol 

500 und mehr Punkte

Re: Euratele Meß u. Abgleichsender 412

Hallo Wolfgang2

Ich würde die Anodenspannungsversorgung als Einweggleichrichtung lassen, nur eine spannungsfeste Diode mit einem zusätzlichen Vorwiderstand von einigen 10 Ohm. Die Elkos dann auch noch überprüfen und bei Bedarf wechseln. Statt der konstruktiv und schaltungstechnisch bedachten Einweggleichrichtung eine Graetzbrücke verwenden, ist bei solch einem Fertiggerät der falsche Weg.
Mit der Vollwegbrücke steigt automatisch die Höhe der Anodenspannung erheblich an, da nun beide Sinushalbwellen genutzt werden. Gerade bei Deinem Abgleichsender hätte das unerwünschte Folgen nicht nur in Hinsicht auf die Spannungsfestigkeit der Bauteile sondern auch auf die Frequenzgenauigkeit zwischen Anzeige und dem tatsächlichen Wert.
Ich wünsche Dir mit dem Gerät weiterhin nutzbaren Erfolg.

Freundliche Grüße von Dietmar

09.04.12 12:54
nobbyrad58 

500 und mehr Punkte

09.04.12 12:54
nobbyrad58 

500 und mehr Punkte

Re: Euratele Meß u. Abgleichsender 412

Hallo Zusammen!

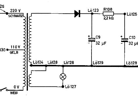
Habe den Schaltplan vom Netzteil. Also es ist so das die aus Siebkette C - R - C besteht. Die Anodenspannung wird nur am letzten C abgenommen. Der "Ladeelko" wird nur für die Siebkette verwendet. Bei einer Vollweggleichrichtung müsste R erhöht werden auch dessen Leistung, Wattzahl.
Besser wäre eine Einweggleichrichtung mit einer kleinen Anpassung von R wenn eine Si Diode verwendet wird. Eine Erhöhung von R erhöht auch den Siebfaktor und ob ich die Wärme nutzlos im Gl. verheize oder im R wo noch ein Nutzen entsteht, dann lieber letzteres.
So wie ich Wolfgang verstanden habe ist die gesamte Siebkette kaputt, also muss alles neu.
Hab noch einen Schaltplanausschnitt eigefügt.

MFG Nobby

Zuletzt bearbeitet am 09.04.12 14:47

Datei-Anhänge
Netzteil.jpg Netzteil.jpg (579x)

Mime-Type: image/jpeg, 23 kB

09.04.12 14:30
Wolfgang2 

500 und mehr Punkte

09.04.12 14:30
Wolfgang2 

500 und mehr Punkte

Re: Euratele Meß u. Abgleichsender 412

Hallo zusammen

Zunächst noch mal die Fehlerbeschreibung. Ich hab das Gerät eingeschaltet und dann mal mit einem Radio versucht was passiert. Hab ja noch nie so ein Gerät benutzt. Nach etwa 20 Minuten viel mir auf das die Gerätefront warm wurde. Nach dem öffnen wahren die beiden Elkos heiß. Und beim nachsehen was für welche drinn sind hatte ich prommt ein Kabel in der Hand.
So wie ich das verstanden habe was ihr geschrieben habt wär es besser wieder einen Einweggleichrichter oder einen halben Brückengleichrichter einzubauen weil sonnst das ganze Gerät nicht mehr stimmt.
Ich werd mir erst mal neue Elkos besorgen und einbauen. Ich hab auf dem Schaltplan keine Spannungsangaben finden können. Hab ich die übersehen oder stehen die in den restlichen Blättern?

Noch eine frage zum benutzen des Gerätes. Seh ich das richtig das man die Stecker in die Antennenbuchse steckt, die Frequenz wählt und dann guckt ob's am Radio richtig ist? Mal ganz simpel ausgedrückt

Wolfgang

 1 2
 1 2
Vollweggleichrichtung   Einweggleichrichtung   schaltungstechnisch   Spannungsfestigkeit   Gleichrichterröhre   Gleichrichter   Sparsamkeitsgründen   Originalschaltung   Frequenzgenauigkeit   Einweggleichrichter   Fehlerbeschreibung   Euratele   Abgleichsender   Schaltplanausschnitt   Anodenspannungsversorgung   Brückenschaltung   Industrieelektronik   Wolfgang   Brückengleichrichter   Lötstützpunkten