| Passwort vergessen?
Sie sind nicht angemeldet. |  Anmelden

Sprache auswählen:

Wumpus Gollum Forum von
Wumpus Welt der (alten) Radios
Sie sind nicht angemeldet.
 Anmelden

Messung von Impedanzen
  •  
 1
 1
30.08.20 16:42
HB9 

500 und mehr Punkte

30.08.20 16:42
HB9 

500 und mehr Punkte

Messung von Impedanzen

Hallo zusammen,

hier eine Beschreibung, wie man mit einem Oszi und einem HF-Generator Impedanzen messen kann. Anwendungen dafür gibt es ja, z.B. die Messung der Impedanz einer Antenne, wenn das SWR nicht stimmt und man keine Ahnung hat, wie man korrigieren muss, oder auch die Eingangsimpedanz von Empfängern.

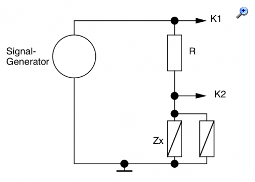
Das Prinzip ist sehr einfach, man misst die Spannung an der unbekannten Impedanz und der durch die Impedanz fliessende Strom, siehe Schema:



R ist der Messwiderstand, für genaue Messungen sollte der Wert ähnlich gross sein wie die zu messende Impedanz, die hier mit Zx bezeichnet ist. Gemessen werden mit dem Oszi die Spannungen K1 (Generatorspannung) und K2 (Spannung an der unbekannten Impedanz. Der Strom ist dabei (K1-K2)/R. Die Differenzbildung macht dabei das Oszi, das können so gut wie alle Zweikanal-Oszis. Dabei ist wichtig, dass zwei identische Sonden verwendet werden, damit die Laufzeiten in beiden Kanälen gleich sind. Wer eine Differenz-Sonde hat, kann die Spannung über R natürlich auch damit messen, dabei muss aber die Laufzeit beachtet werden, sie muss entweder gleich sein wie die für K2 oder dann muss man sie in der Phasenbestimmung berücksichtigen.

Die Impedanz berechnet sich bekanntlich nach dem ohmschen Gesetz:

Z = U/I,

wobei hier U und I komplexe Grössen sind. U ist die Spannung an Kanal K2, I ist die Spannung an R dividiert durch R. Somit gilt:

Z = K2 * R / (K1 - K2)

Am einfachsten bestimmt man die Spitze-Spitze-Werte von K2 und (K1 - K2), bei Digital-Oszis geht das automatisch, bei den analogen muss man die Werte auf dem Schirm ablesen. (K1 - K2) wird bei analogen Oszis durch Invertierung von K2 und der Additionsfunktion gebildet, bei den digitalen durch einen Mathematik-Kanal. Auf keinen Fall einfach den Spitzenwert von K1 bestimmen und dann den Spitzenwert von K2 subtrahieren, das wird wegen der Phasenverschiebung falsch.

Für die folgenden Erläuterungen gilt:

U2 = Spitze-Spitze-Wert von K2
UR = Spitze-Spitze-Wert von (K1 - K2)
Phi = Phasenwinkel zwischen U2 und UR

Damit ist der Betrag von Zx = U2 * R / UR und der Phasenwinkel entspricht Phi. Ist UR (also der Strom) gegenüber U2 nacheilend, ist Zx induktiv, ist UR voreilend, ist Zx kapazitiv.
Der Realteil (ohmscher Anteil) von Zx ist:

Rx = Zx * cos(Phi)

und der induktive oder kapazitive Anteil:

Xx = Zx * sin(Phi)

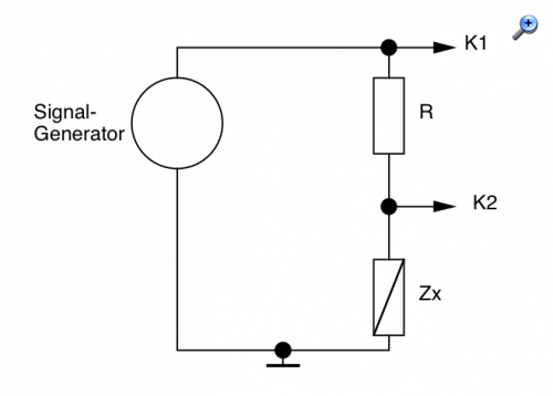
Sobald die Frequenzen höher werden, muss die Kapazität der Sonde von K2 berücksichtigt werden, die liegt parallel zu Zx und wird folglich mitgemessen:



Bei einer Sondenkapazität von 10pF und 5MHz Messfrequenz beträgt Z etwa 2.5kOhm, was sehr viel weniger ist als der Gleichstromwiderstand von 10MOhm. Da man diese Impedanz als rein kapazitiv ansehen kann, kann sie wie folgt berechnet werden:

Zs = -j / (2 * Pi * f * Cs),

dabei ist Cs die Sondenkapazität und f die Messfrequenz und j = sqrt(-1)

Aus der gemessenen Impedanz Z kann mit Hilfe von Zs die korrekte Impedanz Zx berechnet werden, dabei muss der Imaginärteil von Z bei kapazitiver Impedanz negativ sein, bei induktiver positiv:

Zx = Z * Zs / (Zs - Z),

dabei muss komplex gerechnet werden.

Hier noch zwei Beispiele, einmal eine 10uH-Drossel allein und einmal mit einem 47Ohm-Widerstand in Reihe, Messfrequenz ist 5MHz.

Drossel alleine:
Z = 320 Ohm, Phi = 83° (induktiv), daraus ergibt sich
L = 10.1uH und R = 39 Ohm

Drossel mit 47 Ohm in Serie:
Z = 330 Ohm, Phi = 77° (induktiv), somit
L = 10.2uH und R = 74 Ohm
Hier sieht man bereits einen Fehler, denn nach Abzug der 47 Ohm bleibt für R 27 Ohm statt 36 Ohm. Da aber ohne Zusatzwiderstand Phi nahe bei 90° liegt, wird die Messunsicherheit recht gross. Nimmt man für die Drossel alleine Phi = 85°, ergibt sich R = 27 Ohm, und diese 2° liegen im Bereich der Ablesengenauigkeit.

Hier noch die Oszi-Bilder, gelb ist K2, blau ist K1 und rot ist K1-K2.
Messung der Sonden-Impedanz, hier sollte man R vergrössern, da die Differenzspannung sehr klein wird.



Messung der Drossel allein:



Drossel mit Seriewiderstand:



Das geht natürlich auch mit einem Analog-Oszi. Für die Messung der Phasenverschiebung ist es am einfachsten, wenn man die Horizontalablenkung so einstellt, dass genau eine Periode dargestellt wird. In diesem Fall entspricht ein horizontaler Teilstrich 36°.


Hier wird die Phasenverschiebung abgelesen: 1.6 horizontale Teilstriche, das ergibt 1.6*36° = 57.6°


Hat man eine Readout-Funktion, geht es einfacher:


Noch ein Hinweis für die Generatorspannung: Die muss so gross sein, dass man vernünftig messen kann, bei aktiven Schaltungen (Empfängereingang) darf man diesen natürlich nicht übersteuern.

Gruss HB9

Zuletzt bearbeitet am 30.08.20 16:44

Datei-Anhänge
Differenz.jpg Differenz.jpg (301x)

Mime-Type: image/jpeg, 280 kB

readout.jpg readout.jpg (293x)

Mime-Type: image/jpeg, 302 kB

Referenz.jpg Referenz.jpg (309x)

Mime-Type: image/jpeg, 322 kB

Schema1.png Schema1.png (358x)

Mime-Type: image/png, 21 kB

Schema2.png Schema2.png (308x)

Mime-Type: image/png, 22 kB

Sonde.PNG Sonde.PNG (315x)

Mime-Type: image/png, 13 kB

Spule mit R.PNG Spule mit R.PNG (304x)

Mime-Type: image/png, 13 kB

Spule.PNG Spule.PNG (307x)

Mime-Type: image/png, 14 kB

ELEK, RWA, Martin.M, Debo und Hajo gefällt der Beitrag.
!
!!! Fotos, Grafiken nur über die Upload-Option des Forums, KEINE FREMD-LINKS auf externe Fotos.    

!!! Keine Komplett-Schaltbilder, keine Fotos, keine Grafiken, auf denen Urheberrechte Anderer (auch WEB-Seiten oder Foren) liegen!
Solche Uploads werden wegen der Rechtslage kommentarlos gelöscht!

Keine Fotos, auf denen Personen erkennbar sind, ohne deren schriftliche Zustimmung.

Den Beitrag-Betreff bei Antworten auf Threads nicht verändern!
30.08.20 19:36
MB-RADIO 

500 und mehr Punkte

30.08.20 19:36
MB-RADIO 

500 und mehr Punkte

Re: Messung von Impedanzen

Hallo ,

sehr schön von HB9 dargestellt.

Aber bei HF mißt man sehr schnell Mist. Ganz wichtig ein stabiler Meßaufbau mit HF-gerechtem Design. Die Sonden mit möglichst hochohmigen und kapazitäsarmen Eingang und kürzeste Verbindungen. Das wird um so wichtiger, je höher die Frequenz.

Viele Grüße
Bernd

Zwei Dinge sind unendlich, das Universum und die menschliche Dummheit, aber bei dem Universum bin ich mir noch nicht ganz sicher. (Albert Einstein)

30.08.20 20:08
HB9 

500 und mehr Punkte

30.08.20 20:08
HB9 

500 und mehr Punkte

Re: Messung von Impedanzen

Hallo Bernd,

ein saiberer Aufbau ist natürlich nötig. Der Messwiderstand muss induktivitäts- und kapazitätsarm sein, gut geeignet sind Metallfilmwiderstände.
Weiter soll man sich auch nicht von 'Schein-Genauigkeit' blenden lassen. Die Digital-Oszis zeigen zwar scheinbar genaue Werte mit vielen Dezimalstellen an, und der Taschenrechner liefert bei der Berechnung noch viel mehr. Das soll aber nicht darüber hinwegtäuschen, dass schon bei 1MHz Messfrequenz mit Amateur-Mitteln die Genauigkeit nicht besser als 10% ist, bei höheren Frequenzen entsprechend schlechter. Andererseits braucht man in den meisten Fällen auch keine höhere Genauigkeit. Ob der Eingangswiderstand des Empfängers 40, 50 oder 60 Ohm ist, spielt in der Praxis auch bei UHF keine Rolle (ausgenommen präzise Messempfänger).

In der Praxis gibt es 'beliebte' Stolperfallen:
Verstärkereingangsimpedanzen werden häufig mit zu hohen Pegeln gemessen. Durch die Übersteuerung verändert sich dabei die Impedanz stark. Weiter ist bei abgestimmten Eingangsstufen zu beachten, dass die Impedanz von der eingestellten Empfangsfrequenz abhängt und man deshalb die Messfrequenz auf die eingestellte Empfangsfrequenz einstellen muss.
Bei der Messung von Antennen kann man je nach Situation nicht direkt an der Antenne messen, weil man mit dem Gerätepark nicht herankommt. Misst man am anderen Ende des Ableitkabels, müssen die Transformationseffekte des Kabels beachtet werden. Ein 4m langes Kabel (das ist noch sehr kurz) ist für das 20m-Band etwa ein Lamda/4-Trafo, der die Impedanz stark verändert, und auch auf dem 40m-Band gibt es noch recht starke Verfälschungen. Sind die Kabelparameter bekannt (Länge, Verkürzungsfaktor, Wellenwiderstand), kann die gemessene Impedanz auf die Impedanz am Antennenanschluss umgerechnet werden. Weiter ist bei Antennen auch der Einfluss der Umgebung zu beachten. Auf dem Dach kann die Impedanz stark von den Werten abweichen, die man bei der Messung in Bodennähe gemacht hat.

Gruss HB9

30.08.20 22:56
MB-RADIO 

500 und mehr Punkte

30.08.20 22:56
MB-RADIO 

500 und mehr Punkte

Re: Messung von Impedanzen

Hallo HB9,

mißt man bei längeren Kabeln nicht mit einen impedanzrichtigen Abschluß ? Damit sollte die Messung doch wieder gelingen.

Empfindliche Eingangsstufen zu messen ist das Schwierigste. Man braucht halt auch hochempfindliche Meßgeräte. Und selbst eine gute Schirmung kann noch Pegel durchlassen, was man nicht gleich bemerkt.

Es wäre mal interessant, wie man das bewerkstelligt. Minus 100dBm ist weniger als ein Fliegenfurz. So eine kleine Leistung zur Verfügung zu stellen, stelle ich mir sehr kompliziert vor.

Viele Grüße
Bernd

Zwei Dinge sind unendlich, das Universum und die menschliche Dummheit, aber bei dem Universum bin ich mir noch nicht ganz sicher. (Albert Einstein)

31.08.20 07:53
HB9 

500 und mehr Punkte

31.08.20 07:53
HB9 

500 und mehr Punkte

Re: Messung von Impedanzen

Hallo Bernd,

bei längeren Kabeln ist natürlich die Idee, dass sie mit der Wellenimpedanz abgeschlossen sind, dann findet keine Impedanztransformation statt, dann muss man aber auch nichts messen, weil die Impedanz der Kabelimpedanz entspricht. Messen muss man ja dann, wenn die Impedanz der Antenne nicht bekannt ist. Wenn man aber nicht an der Antenne selber messen kann, misst man das Kabel mit und muss es danach wieder herausrechnen, weil man die Impedanz der Antenne haben will.

Bei der Messung der Eingangsimpedanz eines Empfängers oder Verstärkers spielt nicht die Empfindlichkeit eine Rolle, sondern die Grossignalfestigkeit. Wesentlich ist ja nicht der kleinste Signalpegel, welcher noch nicht im Rauschen untergeht, sondern der grösste, der den Verstärker noch nicht übersteuert und damit die Impedanz verändert. Gute Eingangsstufen schaffen locker 100mV, was gut messbar ist. Ist dagegen schon bei 10mV Schluss, wird es mit den üblichen passiven Tastköpfen schwierig, da man dann nur noch 1mV am Oszi-Eingang hat, was auch bei guten Geräten eine Amplitude von nur noch einer Skalenteilung auf dem Schirm gibt. Passive 1:1-Tastköpfe haben viel zu viel Kapazität, so dass in diesem Fall wohl ein aktiver (Eigenbau-) 1:1-Tastkopf nötig wird.

Gruss HB9

 1
 1
Additionsfunktion   Schein-Genauigkeit   Verstärkereingangsimpedanzen   Verkürzungsfaktor   Transformationseffekte   Impedanz   Eingangsimpedanz   Messung   Sondenkapazität   Generatorspannung   Metallfilmwiderstände   Grossignalfestigkeit   Eingangswiderstand   Spitze-Spitze-Werte   Spitze-Spitze-Wert   Horizontalablenkung   Ablesengenauigkeit   Impedanztransformation   Gleichstromwiderstand   Phasenverschiebung