| Passwort vergessen?
Sie sind nicht angemeldet. |  Anmelden

Sprache auswählen:

Wumpus Gollum Forum von
Wumpus Welt der (alten) Radios
Sie sind nicht angemeldet.
 Anmelden

Netzteile oft nicht für HF geeignet
  •  
 1 2
 1 2
02.08.14 07:48
technikfreund 

500 und mehr Punkte

02.08.14 07:48
technikfreund 

500 und mehr Punkte

Netzteile oft nicht für HF geeignet

Hallo Zusammen!

Oft schon habe ich festgestellt, das viele Netzteil auch für einfache HF - Schaltungen als
Spannungsversorgung überhaupt nicht taugen.

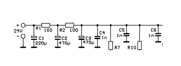
Anbei mal ein Schaltbild Ausschnitt, die weitere nicht gezeigte Schaltung soll laut Beschreibung mit einem einfachen Netzteil 220V - 24V, unstabilisiert, funktionieren.



Meine Erfahrung: Netzteil Marke Eigenbau, Spannungsstabilisierung mit 78xx Festspannungsreglern
brummt ohne Ende.
Steckernetzteil, vermutl. Schaltnetzteil auch. (Mehrere schon durchprobiert)

Brummfrei geht nur an meinem Monacor Labornetzgerät oder an einer 9 Volt Transistorbatterie, heißt
also, an der Schaltung selbst kann es nicht liegen, die ja auch schon eine sehr gute Siebkette eingebaut hat.

Nun werde ich nachher versuchen ein Netzteil mit Trafo, Gleichrichter und dickem Elko (1000µF) zu bauen
und schauen was passiert.

Sonst würde mir nur noch Spannungsstabilisierung mit Z-Diode oder Längstransistor einfallen.

Wer hätte noch Tipps, wie baut Ihr eure Netzteile.

PS. Für NF Anwendungen funktionieren mein Netzteil Marke Eigenbau usw... bestens.

Viele Grüße Technikfreund.

Zuletzt bearbeitet am 02.08.14 07:52

Datei-Anhänge
Siebkette.jpg Siebkette.jpg (398x)

Mime-Type: image/jpeg, 21 kB

Noch gefällt der Beitrag keinem Nutzer.
!
!!! Fotos, Grafiken nur über die Upload-Option des Forums, KEINE FREMD-LINKS auf externe Fotos.    

!!! Keine Komplett-Schaltbilder, keine Fotos, keine Grafiken, auf denen Urheberrechte Anderer (auch WEB-Seiten oder Foren) liegen!
Solche Uploads werden wegen der Rechtslage kommentarlos gelöscht!

Keine Fotos, auf denen Personen erkennbar sind, ohne deren schriftliche Zustimmung.

Den Beitrag-Betreff bei Antworten auf Threads nicht verändern!
02.08.14 09:31
Holzradio 

500 und mehr Punkte

02.08.14 09:31
Holzradio 

500 und mehr Punkte

Re: Netzteile oft nicht für HF geeignet

Hallo Technikfreund,
78xx gehen eigentlich super. Wichtig ist bei denen dass die Rohspannung abzüglich Brummspannung immer einige Volt über der stabilisierten Ausgangsspannung bleibt. Bei HF Schaltungen mit Leistung (Funkgeräte) kann es nützlich sein den 78xx mit Keramik Cs an Ein- und Ausgang abzublocken und zu verdrosseln. 78xx reagieren allergisch auf Sendeleistung auf der Leitung.

Bei Empfängerschaltumgen helfen Keramik Cs über die Gleichrichterdioden geschaltet gegen Brummstellen im Empfang.

VG Björn

Es strahlen die Sender Bild, Ton und Wort elektromagnetisch an jeden Ort
-Kraftwerk-

02.08.14 09:36
technikfreund 

500 und mehr Punkte

02.08.14 09:36
technikfreund 

500 und mehr Punkte

Re: Netzteile oft nicht für HF geeignet

Hallo Björn!

Ich hatte nun das ganze mal Trafo mit Gleichrichter, Elko und Drossel aufgebaut, es brummt
ohne Ende.

Werde mal schauen ob ich noch einen 7815 da habe und werde ihm mal 24 Volt geben.
Den 7815 mit Keramikondensatoren am Ausgang und Eingang nach Masse abblocken und Drosseln bekommt er auch.

Viele Grüße Technikfreund.

Zuletzt bearbeitet am 02.08.14 09:38

02.08.14 11:03
Martin.M 

500 und mehr Punkte

02.08.14 11:03
Martin.M 

500 und mehr Punkte

Re: Netzteile oft nicht für HF geeignet

auch wenn es nicht die feine Art ist,

prüf bitte mal ob sich das Brummen ändert wenn der Nullleiter abgetrennt ist. Und bitte VORSICHT.
Wenn ja liegts nicht am Netzteil sondern Masseschleifchen etc





nette Grüße
Martin

02.08.14 11:38
Pluspol 

500 und mehr Punkte

02.08.14 11:38
Pluspol 

500 und mehr Punkte

Re: Netzteile oft nicht für HF geeignet

Hallo Technikfreund

Am Brummen sind die Festspannungsregler nicht schuld, egal welcher Typ.
Die Maßnahme beginnt bei den 2 Vollweg- bzw. den 4 Graetzdioden. Diese sollten mit 10 bis 30 nF Keramik-C überbrückt sein.
Neben ausreichend großen Siebelkos empfiehlt sich zu jedem noch ein 0,1µF-Keramik-C parrallelzuschalten.
Martins Hinweis auf die richtige Masseführung ist ebenso wichtig. Die Masse muss weitgehend sternförmig auf einen Punkt führen. Die Massebahn auch etwas breiter ausführen. Bei den Steckernetzteilen mit Trafo sind die Dioden kaum oder nicht mit C`s überbrückt und der Siebelko auch meist knapp bemessen. Netzteile ohne Trafo sind für Radios ungeeignet, keine ausreichend sichere Netztrennung und der "Oszillator" strahlt deutlich oberwellenhaltige Störfrequenzen in alle Richtungen.

Freundliche Grüße von Dietmar

Zuletzt bearbeitet am 02.08.14 15:08

02.08.14 13:11
Holzradio 

500 und mehr Punkte

02.08.14 13:11
Holzradio 

500 und mehr Punkte

Re: Netzteile oft nicht für HF geeignet

Hallo Technikfreund,
hat deine "HF-Schaltung" eigentlich eine Antenne? Ob das Brummen vielleicht doch über die Antenne eingefangen wird kannst du auch folgendermaßen schnell klären: Schaltung betreiben mit Batterie 9V --> brummt nicht wie du schreibst. Dann zusätzlich dein Netzteil mit dem die HF-Schaltung brummt mit dem Netz verbinden und nur einseitig, also nur Masse anklemmen. Die Schaltung wird also weiter aus der Batterie versorgt aber die Masseverbindung zum Netzteil besteht schon und Netzteil ist am Netz. Wenn das Brummen dann wieder da ist liegt es nicht an der Restwelligkeit deiner Betriebsspannung. Kannst du gehörmäßig eigentlich ein 50Hz-Brummen von einem 100Hz-Brummen unterscheiden? Das ist schon oft ein eindeutiger Hinweis auf die Ursache.

@Dietmar: werden meine Beiträge bei dir eigentlich angezeigt?

VG Björn

Es strahlen die Sender Bild, Ton und Wort elektromagnetisch an jeden Ort
-Kraftwerk-

02.08.14 13:30
Frank

nicht registriert

02.08.14 13:30
Frank

nicht registriert

Re: Netzteile oft nicht für HF geeignet

Hallo Technikfreund,

ein brummfreies Netzteil ohne Stabilisierung ist nicht ganz einfach. Ich habe so was immer mal probiert aber so richtig funktioniert hat das nur bei sehr kleinen Strömen, sobald man etwas mehr Last dran hängt fingen meine immer wieder an zu brummen.
Einfacher geht es mit den 78xx oder 317, der heizt die Brummspannung weg. Aber auch da sollte man den Elko und Trafo groß genug dimensionieren...

Gruß Frank

02.08.14 13:32
SmdSchubser 

250-499 Punkte

02.08.14 13:32
SmdSchubser 

250-499 Punkte

Re: Netzteile oft nicht für HF geeignet

Hallo Björn, hallo Dietmar,

worauf genau beruht eigentlich die Wirkung der kleinen Kondensatoren parallel zu den Dioden? Ich konnte bei Versuchen, allerdings im NF-Bereich, noch keinen Unterschied mit/ohne Parallel-Cs beobachten.

Gruß Martin

02.08.14 14:44
Martin.M 

500 und mehr Punkte

02.08.14 14:44
Martin.M 

500 und mehr Punkte

Re: Netzteile oft nicht für HF geeignet

Siliziumdioden haben ihre Schwellspannung bei ca 0,6V. Wenn die Welle unterhalb davon ist sperren sie also auch in Durchgangsrichtung.
Sind sie schnell genug kann der Übergang von nicht zu vollem Durchgang so schnell erfolgen daß er einen Störimpuls erzeugt. Um den gehts, der Effekt läßt sich mit diesen C unterbinden.

Nachweisführung bitte mit dem Oszi. Die zu suchende Störung besteht aus kleinen Peaks mit einer f von 100Hz.

nette Grüße
Martin

Zuletzt bearbeitet am 02.08.14 14:46

02.08.14 15:02
wumpus 

Administrator

02.08.14 15:02
wumpus 

Administrator

Re: Netzteile oft nicht für HF geeignet

Hallo zusammen,

wenn an die Diode eingeschleppte HF herankommt, kann AM-HF-Demodulation an diesen Netzdioden auftreten, die dann über die Betriebsspannung in das Gerät weitergereicht wird, z.B. in AM-Empfangsteile.

Wenn man Brummen wahrnimmt, bei Doppelweggleichrichter-Netzteile, sollte immer geprüft werden , ob das Brummen 50 oder 100 Hz hat, weil davon die Brummgeneratorquellen-Ermittlung abhängt.



Gruß von Haus zu Haus
Rainer (Forumbetreiber)

 1 2
 1 2
Festspannungsreglern   Keramikondensatoren   Netzteil   Brummen   Technikfreund   Gleichrichterdioden   Leitungsinduktivität   Brummgeneratorquellen-Ermittlung   geeignet   Doppelweggleichrichter-Netzteile   Spannungsstabilisierung   Spannungsversorgung   Schaltungsvorschlag   Netzteile   Röhrengleichrichter   parrallelzuschalten   Kurzschlusswicklung   Empfängerschaltumgen   Bauteileplatzierung   Aufsteckklappdrosseln