| Passwort vergessen?
Sie sind nicht angemeldet. |  Anmelden

Sprache auswählen:

Wumpus Gollum Forum von
Wumpus Welt der (alten) Radios
Sie sind nicht angemeldet.
 Anmelden

Ultron Antennentestgerät
  •  
 1 2 3 4 5 6
 1 2 3 4 5 6
30.08.15 13:56
nobbyrad58 

500 und mehr Punkte

30.08.15 13:56
nobbyrad58 

500 und mehr Punkte

Re: Ultron Antennentestgerät

Hallo Zusammen!

Meine Überlegung zum Originalmesswerk: Es könnte 100µA gehabt haben. Der Grund ist, ich schätze das ca.3 V am Punkt Diode OA 159, C 2,2 n max. sind. Trimmer 50 k + R 4,7 K ergiebt bei Mittenstellung des Trimmers ~ 30 K bei 3 V.
Den Rest kann sich jeder selber ausrechnen.
Bemerkenswert ist nicht lineare Skalierung des Messwerks.

MFG Nobby

!
!!! Fotos, Grafiken nur über die Upload-Option des Forums, KEINE FREMD-LINKS auf externe Fotos.    

!!! Keine Komplett-Schaltbilder, keine Fotos, keine Grafiken, auf denen Urheberrechte Anderer (auch WEB-Seiten oder Foren) liegen!
Solche Uploads werden wegen der Rechtslage kommentarlos gelöscht!

Keine Fotos, auf denen Personen erkennbar sind, ohne deren schriftliche Zustimmung.

Den Beitrag-Betreff bei Antworten auf Threads nicht verändern!
31.08.15 18:30
qw123 

500 und mehr Punkte

31.08.15 18:30
qw123 

500 und mehr Punkte

Re: Ultron Antennentestgerät

Hallo Jan,

regency:
Jetzt muss ich sehen, ob ein passendes Messwerk aufzutreiben ist.
ein passendes Meßwerk wäre natürlich die beste Lösung. Allerdings kann es etwas dauern, bevor man etwas findet, das sowohl von den elektrischen wie von den mechanischen Daten so gut passt, daß auch die Original-Skala wieder verwendbar ist. Auch die Kosten dafür könnten nicht unerheblich sein.

Als Zwischenlösung (oder auch als Endlösung) wäre die schon weiter oben einmal angedachte Lösung mit einem Stromverstärker unter Verwendung des vorhandenen Meßwerks zu überdenken. Platz sollte bei platzsparendem Aufbau noch vorhanden sein. Auf kurze Verdrahtung kommt es nicht an.

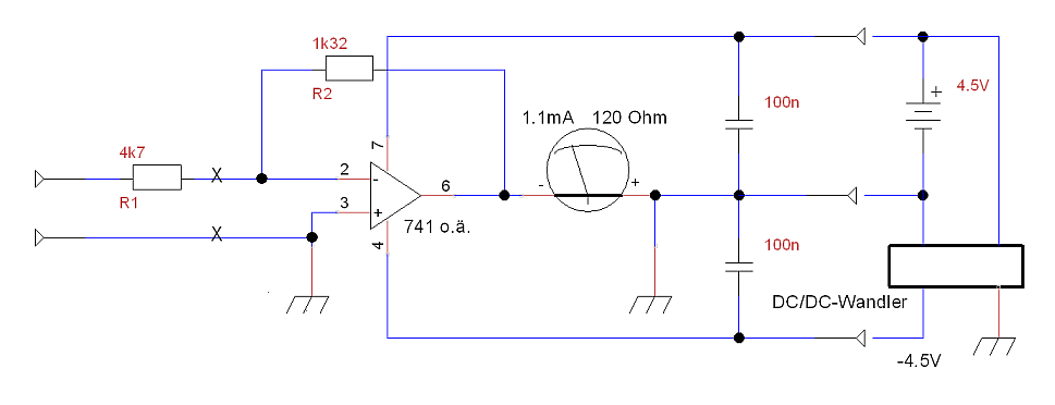
Eine Standardschaltung sähe etwa so aus:



Der 4.7k-Widerstand R1 im Eingang ist in Deiner Schaltung schon enthalten. Als Operationsverstärker kann fast jeder Typ mit Bipolar-Eingang verwendet werden. z.B. 741, OP08, OP27 und ähnliche. Mit dem Widerstand R2 kann man die Stromverstärkung anpassen. Wenn Dein vorhandenes Meßwerk einen Widerstand von 150 Ohm hat und einen Vollausschlag von 1.1mA sollte der Widerstand R2 etwa den angegebenen Wert haben.
Die Schaltung ersetzt ab den mit x markierten Punkten das Original-Meßwerk. Es sollten also keine weiteren Änderungen notwendig sein.

Die negative Versorgungsspannung müßte man in diesem Fall aus einem zusätzlichen kleinen Spannungswandler beziehen. Diese sind nicht viel größer als ein TTL-IC. Es gibt sie für 4..6 Euro im einschlägigen Handel, z.B. aus Sande.

Meiner ist ein älteres Modell und sieht so aus.



Gruß

Heinz

Datei-Anhänge
JanCad2.png JanCad2.png (324x)

Mime-Type: image/png, 24 kB

JanCad4a.jpg JanCad4a.jpg (309x)

Mime-Type: image/jpeg, 34 kB

31.08.15 19:22
nobbyrad58 

500 und mehr Punkte

31.08.15 19:22
nobbyrad58 

500 und mehr Punkte

Re: Ultron Antennentestgerät

Hallo Jan, Hallo an Alle!

Messwerke mit 100 µA sind aber noch gut zu bekommen. Einmal guurgeln und schon findet man was. Ich hoffe auch in der richtigen Größe. Die in der gezeichneten Schaltung paralelle Diode mit dem 270 R wird für die nichtlineare Anzeige des Messwerks sein. Eine Ersatzschaltung müsste das auch berücksichtigen, oder man skaliert neu.

MFG Nobby

31.08.15 23:13
regency 

500 und mehr Punkte

31.08.15 23:13
regency 

500 und mehr Punkte

Re: Ultron Antennentestgerät

Hallo Joe, Nobby, Heinz und alle,

ziemlich lange habe ich ja gebraucht, wenn man den Beginn des Threats sieht. Die Hoffnung nach Unterlagen zum Gerät haben sich zwar nicht erfüllt. Nachdem ich mich dann doch aufgerafft hatte, die Schaltung zu ergründen, bin ich aber auch an Erfahrung reicher geworden. Das das Problem bis zum Schluss ungelöst blieb, ist wirklich ein bißchen wie im Krimi, Jörg.

Nie im Leben hätte ich gedacht, dass bereits die Diode nach dem Eingangsfilter der Mischer ist, die ZF Stufe ohne Schwingkreise auskommt, der FM Empfang sogar recht ordentlich möglich ist, wenn die richtig ausgewählte Stelle einer Flanke für ausreichenden Hub sorgt, obwohl die ZF Kurven selbst schmalbandig sind. Das kriegt man nicht so leicht auf die Reihe.

Nun zum Messwerk. Ich greife mal deine Ableitung auf, Nobby. Am Ausgang der ZF ist die maximale Spitzenspannung etwas unter der doppelten Batteriespannung. Dann kommt die Gleichrichtung, die eine Art Verdopplerschaltung ist. Klemmt man die Diode die über den 270 Ohm nach Masse geht, ab, geht durch das Messwerk ein Strom von rund 150 µA, entsprechend mehr, wenn man den 50 k Drehwiderstand kleiner einstellt. Der Zeigerausschlag des Messwerks ist ja proportional zum Strom. Da jedoch Wechselspannung gleichgerichtet wird, folgt die Anzeige nicht linear der Höhe der HF-Spannung.

Zudem kommt die zum Messwerk über 270 Ohm parallele Diode ins Spiel. Sie begrenzt den Stromfluss derart, so dass der logarithmisch anmutende Skalenverlauf entsteht (Heinz hatte das auch angemerkt). Ab etwa 0,3 Volt Durchlassspannung wird die Begrenzung sehr stark. Duch das Messwerk fließen dann etwa 0,3V/6kOhm=50 µA. Daher vermute ich eher ein Instrument in diesem Vollausschlag-Bereich als Original.

Den Stromverstärker nach deiner Schaltungsidee, Heinz, werde ich evtl. ausprobieren. Schon Interesse halber. Einen µA741 habe ich da. Da ja nur eine ca 20 fache Stromverstärkung erforderlich ist, müsste das stabil funktionieren. Mit DC/DC Wandlern kenne ich mich nicht aus, vielleicht tut es auch ein zweite Flachbatterie.

Fürs Gerät hätte ich aber schon lieber ein passendes Messwerk. Meine handwerklichen Möglichkeiten bei Feinmechanik halten sich doch sehr in Grenzen.

Grüße, Jan

01.09.15 00:35
nobbyrad58 

500 und mehr Punkte

01.09.15 00:35
nobbyrad58 

500 und mehr Punkte

Re: Ultron Antennentestgerät

Hallo Jan!

Hab leider meine schlauen Bücher nicht griffbereit, zumindest nicht alle. Meine Berechnungen bei einen gängigen 100 µV Messwerk mit 1 K Ri (Monacor) zeigen schon bei 0,1 V eigentlich Vollausschlag.
Mit den Einbau eines neuen Messwerk, ist die Schwierigkeit; es muss genau passen, die Größe ist wichtig sonst stimmt die Skala hinte und vorne nicht, wörtlich.
Alte Skala ausbauen und dann vom neuen die entfernen oder drüberkleben, klar für so was braucht man Richtig guten Tag. Evtl. eine Kopie von der originalen machen und eine Papp.- oder Papierskala über die vom neuen Messwerk kleben.

MFG Nobby

01.09.15 22:12
regency 

500 und mehr Punkte

01.09.15 22:12
regency 

500 und mehr Punkte

Re: Ultron Antennentestgerät

Hallo Nobby,
wenn du mit deinem Messwerk 100µA Vollausschlag hast, 1kOhm Innenwiderstand, dann liegen nach Georg Simon Ohm IxR=0,1 Volt an. Das passt.

Die maximalen ca. 0,3 Volt liegen bei mir über dem Messwerk in Reihe mit 4,7 k. Mit deinem Gerät wäre der maximale Ausschlag dann bei 0,3Volt/5,7kOhm=53µA, ginge also nur bis ca. zur Hälfte. Man müsste dann, wie du schon geschrieben hast, die Reihenwiderstände zum Messwerk und zur Diode geeignet anpassen. Das könnte wahrscheinlich sogar gehen, ohne die Skale ändern zu müssen.
Gruß, Jan

02.09.15 15:41
nobbyrad58 

500 und mehr Punkte

02.09.15 15:41
nobbyrad58 

500 und mehr Punkte

Re: Ultron Antennentestgerät

Hallo Jan!

Hab noch mal bei einem 50 µA Messwerk gerechnet (hoffentlich richtig) bei Ri 3 K komm ich auf 0,015 V Vollausschlag. Nun wie Du schreibst kommt wohl alles bei dem Messwerk auf den Spannungsteiler R 4,7 K, R 270 und der Ge Diode an. Vor allem auf die GE Diode, deren Kennlinie ist Entscheidend für den Spannungsverlauf am Messwerk. Das ist das wichtige Bauteil.

MFG Nobby

02.09.15 18:27
qw123 

500 und mehr Punkte

02.09.15 18:27
qw123 

500 und mehr Punkte

Re: Ultron Antennentestgerät

Hallo Jan,

nobbyrad58:
Vor allem auf die GE Diode, deren Kennlinie ist Entscheidend für den Spannungsverlauf am Messwerk. Das ist das wichtige Bauteil.
damit hat 'Nobby' wohl recht.

regency:
Man müsste dann, wie du schon geschrieben hast, die Reihenwiderstände zum Messwerk und zur Diode geeignet anpassen.
das wäre dann der falsche Weg. Die Originalskala stimmt nur, wenn das Netzwerk mit der Diode gleich bleibt und der Strom durch die Anschlußpunkte des Meßwerks den Originalwert hat. Wohl irgendwo im Bereich 50....100µA.

Mit der oben vorgeschlagenen Stromverstärkerschaltung könntest Du praktisch jedes vorhandene Meßwerk anpassen, allein durch entsprechende Wahl von R2.
Mir erscheint das als der bei weitem einfachste Weg. Aber ich bin auch einer, der solche Probleme möglichst mit Hilfe von Elektronik löst und weniger mit Hilfe von mechanischen Maßnahmen. Andere sehen das auch anders.

Wenn Dein vorhandenes Meßwerk einen Innenwiderstand Ri von 120 Ohm hat und einen Strom Im von 1.1mA für Vollausschlag braucht, dann benötigt es eine Spannung Ua von Ua = Ri x Im = 120V/A x 0.0011A = 132mV.
Um ein Meßwerk mit dem Vollausschlag-Strom von Im zu simulieren, sollte der Widerstand R2 dann den Wert R2 = Ua/Im haben.
z.B. für ein 60µA-Meßwerk: R2 = 132mV/60µA = 2200 Ohm.

Falls Dir ein DC/DC-Wandler zuwider ist, taugt natürlich auch eine zweite Batterie. Es kann auch eine 9V-Blockbatterie sein. Positive und negative Betriebsspannung müssen nicht gleich groß sein, sollten aber möglichst nicht kleiner als 4.5V sein.

Gruß

Heinz

02.09.15 19:20
nobbyrad58 

500 und mehr Punkte

02.09.15 19:20
nobbyrad58 

500 und mehr Punkte

Re: Ultron Antennentestgerät

Halo Jan, Hallo Heinz!

Die Kennlinie U I einer Germaniumdiode ist flacher im Bereich über der Schwellspannung, eher wie Die einer Röhrendiode. Um ganz sicher zu gehen über das Messwerk, müsste man das Datenblatt dieser Diode haben, oder eine Messung der Diodenkennlinie im Durchlassbereich machen. Letzteres ist natürlich mit einem Risiko behaftet, wenn die Diode dabei kaputt geht.
Man sieht das solche scheinbaren Nebensächlichkeiten fast zur Hauptsache und zum Diskussionsgegenstand werden können.

MFG Nobby

03.09.15 19:25
regency 

500 und mehr Punkte

03.09.15 19:25
regency 

500 und mehr Punkte

Re: Ultron Antennentestgerät

Hallo Heinz, Nobby, und alle,
welches Messwerk war drin? Habe die Skale gescannt und eine lineare per Photoshop dazu kopiert. Man erkennt, dass die Markierung für die Batteriespannung bei 77,5 % des Vollausschlags liegt. Die Batteriespannung 4,5 V wurde original über einen Widerstand 107 kOhm, 1 %, abgenommen, d.h. 106 bis 108 kOhm. Geht man davon aus, dass das Messwerk 1 bis 2 kOhm gehabt hat, so liegt der Vollausschlag zwischen 53 und 55 µA. Es ist zu Vermuten, dass das Gerät bis ca. 90% Ladezustand noch als betriebsbereit angezeigt wurde, bei frischer Batterie der Zeiger also über der Markierung lag. Daher liegt für mich nahe, dass das Messwerk original 50 µA hatte.



Heinz, was hältst du von einer Wette (ohne materiellen Einsatz), dass man (im Rahmen der Fehlertoleranz der Anzeige des Geräts) und Beibehaltung der Originalskale auch ein 100 µA Messwerk anstelle eines 50 µA einbauen kann, wenn die Widerstände zum Messwerk bzw. der Diode geeignet angepasst werden?

qw123:
...Die Originalskala stimmt nur, wenn das Netzwerk mit der Diode gleich bleibt und der Strom durch die Anschlußpunkte des Meßwerks den Originalwert hat.
Ich stimme dem grundsätzlich voll zu. Aber wenn was nicht passt, wird es eben passend gemacht! Wer hat schon passende Teile beim Ersatz? Bevor ich an die elektronische Messverstärker-Variante gehe, will ich das noch wissen. Wird nicht einfach, aber der Spaß ist es Wert. Bietet noch jemand dafür oder dagegen?

Gruß, Jan

Datei-Anhänge
SkaleMesswerk.gif SkaleMesswerk.gif (287x)

Mime-Type: image/gif, 20 kB

 1 2 3 4 5 6
 1 2 3 4 5 6
Vollausschlag   Drehspul-Messinstrument   Schaltung   Spiegelfrequenzunterdrückung   Messverstärker-Variante   Signal-Rauschverhältnis   Vollausschlag-Bereich   Schaltungssimulations-Programm   Batteriespannungsanzeige   Fehlertoleranz   Meßwerk-Innenwiderstand   Spannungsverhältnisse   Zeigerausschlag-Unterschied   Grüße   Diskussionsgegenstand   Messwerk   Schwellspannungsbereich   Antennentestgerät   Batteriespannung   Stromverstärkerschaltung