| Passwort vergessen?
Sie sind nicht angemeldet. |  Anmelden

Sprache auswählen:

Wumpus Gollum Forum von
Wumpus Welt der (alten) Radios
Sie sind nicht angemeldet.
 Anmelden

Meine Analogies
  •  
 1 2 3 4 5 .. 7
 1 2 3 4 5 .. 7
08.11.15 20:59
klaus65555 

500 und mehr Punkte

08.11.15 20:59
klaus65555 

500 und mehr Punkte

Meine Analogies

Moin,
vor ca. 55 Jahren lernte ich als Lehrling im Elektroniklabor auch einige Rohde+Schwarz Meßgeräte kennen und durfte auch damit arbeiten.
Eines der Geräte faszinierte mich besonders. Es war ein Universal-Spannungs-Strom-Widerstandsmeßgerät: das URI
Nach langer Zeit ist es mir gelungen eines zu bekommen.
Hier ist es.

Lieber Gruß
Klaus


Rohde+Schwarz Röhrenvoltmeter URI Ser. Nr.: M 449/47
Röhren: ECC40, EB41, StV100/60, im Tastkopf: VR92 (EA50)
Meßbereiche:
U= 1V - 300V in 6 Bereichen ±2% Ri= 10 MOhm;
U= 10V - 1000V in 6 Bereichen ±3% Ri= 100 MOhm
U= 100V - 30kV in 6 Bereichen ±6% Ri= 1000 MOhm
U~ 1V - 1000V in 7 Bereichen ± 3% 30Hz - 20 MHz Ri= 3 MOhm bei 30 Hz - 30 kHz
U~ 100V - 1000V ±4% 40 Hz - 100 Hz Ri= 40 MOhm
I= 0,1µA - 1A in 12 Bereichen ±3% Uabfall= 1V=
I~ 1mA - 1A in 7 Bereichen ±4% 30 Hz - 2 MHz (600kHz) Uabfall= 1V~
Widerstand: 100 Ohm - 100 MOhm (Skalenmitte) in 6 Bereichen ±5% (±10%)

Besonderheit: es können Wechselspannung, Gleichspannung, Wechselstrom, Gleichstrom und Widerstand gleichzeitig angeschlossen werden und durch Umschalten des Meßkanals angezeigt werden. Die Meßkanäle sind voneinander unabhängig und voneinander isoliert.

Gewicht: 10 kg, Leistungsaufnahme:18 VA









Datei-Anhänge
vorn.jpg vorn.jpg (399x)

Mime-Type: image/jpeg, 209 kB

hinten-oben.jpg hinten-oben.jpg (386x)

Mime-Type: image/jpeg, 289 kB

hinten-unten.jpg hinten-unten.jpg (376x)

Mime-Type: image/jpeg, 253 kB

oben.jpg oben.jpg (357x)

Mime-Type: image/jpeg, 256 kB

Zubehör.jpg Zubehör.jpg (366x)

Mime-Type: image/jpeg, 234 kB

Martin.M, Debo und joeberesf gefällt der Beitrag.
!
!!! Fotos, Grafiken nur über die Upload-Option des Forums, KEINE FREMD-LINKS auf externe Fotos.    

!!! Keine Komplett-Schaltbilder, keine Fotos, keine Grafiken, auf denen Urheberrechte Anderer (auch WEB-Seiten oder Foren) liegen!
Solche Uploads werden wegen der Rechtslage kommentarlos gelöscht!

Keine Fotos, auf denen Personen erkennbar sind, ohne deren schriftliche Zustimmung.

Den Beitrag-Betreff bei Antworten auf Threads nicht verändern!
09.11.15 17:26
Martin.M 

500 und mehr Punkte

09.11.15 17:26
Martin.M 

500 und mehr Punkte

Re: Meine Analogies

hallo Klaus,

na Glückwunsch, das URI sieht nichtnur gepflegt aus, das ist sogar komplett.
Die werden sehr oft ohne den Deckel und die Tastköpfe verscherbelt.

leg dir eine Röhrendiode für den warmen Tastkopf in Reserve.

lG Martin

09.11.15 17:30
Uli 

500 und mehr Punkte

09.11.15 17:30
Uli 

500 und mehr Punkte

Re: Meine Analogies

Sehr schön!
Ich bin ja auch so ein kleiner R&S-Fan :)

09.11.15 19:10
wumpus 

Administrator

09.11.15 19:10
wumpus 

Administrator

Re: Meine Analogies

Hallo Klaus,


da geht Einem das Herz auf, wenn man den Aufbau sieht.


Gruß von Haus zu Haus
Rainer (Forumbetreiber)

"Vom Mund zum Ohr auf dem Strahle der elektrischen Kraft!"
Als MP3-Datei: http://www.welt-der-alten-radios.de/files/auf-dem-strahl.mp3

09.11.15 20:03
klaus65555 

500 und mehr Punkte

09.11.15 20:03
klaus65555 

500 und mehr Punkte

Re: Meine Analogies

Danke Euch Dreien für Euren Kommentar.
Wenn man frühere R+S Geräte öffnet bietet sich immer ein Augenschmaus.
So sorgfältig sind sie gearbeitet - waren ja auch teuer genug.

Danke auch Martin für die Erinnerung an die Tastkopf-Röhre.
Ich habe noch 4 - 5 Stück EA50 bzw. VR92 rumliegen.
Das müßte wohl reichen.
Laut Anleitung soll die Röhre fast ewig halten. Sie wird ja nur mit ca. 5V geheizt.
Beim evtl. Austausch muß laut Handbuch die Eingangskapazität auf 5,3 pF abgeglichen werden, damit die kapazitive Spannungsteilung klappt.

Gruß
Klaus

Zuletzt bearbeitet am 09.11.15 20:04

09.11.15 21:12
Uli 

500 und mehr Punkte

09.11.15 21:12
Uli 

500 und mehr Punkte

Re: Meine Analogies

klaus65555:
Laut Anleitung soll die Röhre fast ewig halten. Sie wird ja nur mit ca. 5V geheizt.

Nach meiner Information sterben Röhren an Unterheizung schneller als an Überheizung... 5V sind schon 20% - finde ich arg wenig. Aber R&S werden sich schon was dabei gedacht haben - evtl, daß man auf diese Art gut Ersatzröhren verkaufen kann ;)

10.11.15 09:43
klaus65555 

500 und mehr Punkte

10.11.15 09:43
klaus65555 

500 und mehr Punkte

Re: Meine Analogies

Moin,
vielleicht wollte man durch die Unterheizung die Dioden-Anlaufströme gering halten.
Denn bei der EB41 hat man es auch so gemacht.
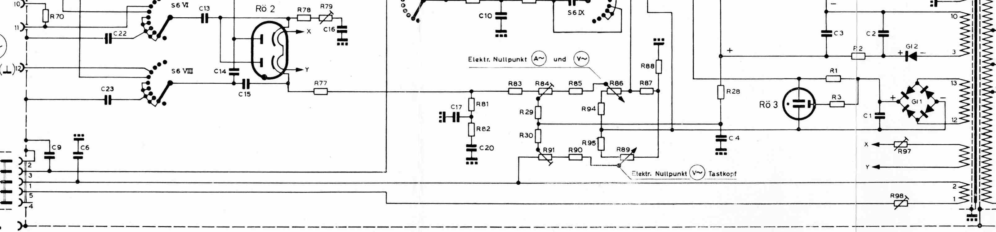
Als Anlage ein Auszug aus dem Handbuch und ein Schaltungsauszug mit den Widerständen für die Heizung der EA50/VR92 = R98 (50 Ohm) und der EB41 = R97 (10 Ohm).
Gruß
Klaus

Datei-Anhänge
EB41.jpg EB41.jpg (374x)

Mime-Type: image/jpeg, 320 kB

URI-Heizung1.jpg URI-Heizung1.jpg (363x)

Mime-Type: image/jpeg, 106 kB

10.11.15 18:19
Martin.M 

500 und mehr Punkte

10.11.15 18:19
Martin.M 

500 und mehr Punkte

Re: Meine Analogies

Ein Rauschgenerator funktioniert bekanntlich mit einer sehr hell geheizten, also quasi überheizten Röhre. (Damit die das aushält haben diese Dioden Wolframfädchen zum heizen). Und wenn es garnicht rauschen soll ...

(siehe auch alle möglichen Röhrenmikrofone)

Desweiteren läßt sich der Innenwiderstand der Diode damit in gewissen Grenzen einstellen. Eine externe Anpassung erfordert immer separate Bauteile, die sind aber in HF Tastköpfen nicht so gern gesehn an der Spitze.

lG Martin

Zuletzt bearbeitet am 10.11.15 18:21

10.11.15 23:02
nobbyrad58 

500 und mehr Punkte

10.11.15 23:02
nobbyrad58 

500 und mehr Punkte

Re: Meine Analogies

Hallo Zusammen!

Das mit Unterheizung der EB 41 könnte auch mit der geforderten Langzeitkonstanz der Parameter zusammen hängen. Ahnlich wie bei Elektrometerröhren, wo die geringe Katodentemperatur ein Niederschlag von Katodenmaterial auf die anderen Elektroden verringern soll. Bei Röhren kann es nicht nur zur Gitteremission, sondern auch zur "Anodenemission" kommen, wenn Katodenmaterial auf das Anodenblech gelangt. Das verringert die sog. Anodenverlustleistung.

MFG Nobby

Zuletzt bearbeitet am 10.11.15 23:03

11.11.15 10:03
WalterBar 

500 und mehr Punkte

11.11.15 10:03
WalterBar 

500 und mehr Punkte

Re: Meine Analogies

Hallo zusammen,
hallo Klaus,

es ist möglich, dass man sich bei den kleinen Röhren das Aufbringen von Thorium während der Produktion gespart hat und von vorne herein fertig gemischte Kathodenbleche eingebaut hat. Das hat man es in der Anfangszeit der Röhrentechnik oft gemacht, ehe der Kostendruck oder die Mangelwirtschaft zum Sparen zwang. Diese Kathoden sind auch problemlos "regenerierbar". Der Emissionsverlust durch Unterheizung wird sicherlich auch überschätzt, denn es betrifft eher den Bereich der Leistungsröhren. Als "Radiomann" der 60'er habe ich die EF98 mit 4,5 Volt Heizung betrieben und kann mich an keinen Röhrentausch erinnern.

Gruss
Walter

 1 2 3 4 5 .. 7
 1 2 3 4 5 .. 7
Nullpunkt-Kompensation   Analogies   Hartpapier-Halteplatte   Pt-PtRh-Thermoelemente   Thermoelement-Widerstand   Temperaturanzeigegerät   Scheinwiderstandsmessgerät   bearbeitet   Wechselstrom-Ohmmeter   Universal-Spannungs-Strom-Widerstandsmeßgerät   Tonausgangsübertragern   Lichtzeiger-Instrument   Zuletzt   Universalmesser   Glättungskondensatoren   welt-der-alten-radios   Elektronikschrottkiste   Übertrager-Anpassungen   Meßbereicheinstellung   Germaniumtransistoren