| Passwort vergessen?
Sie sind nicht angemeldet. |  Anmelden

Sprache auswählen:

Wumpus Gollum Forum von
Wumpus Welt der (alten) Radios
Sie sind nicht angemeldet.
 Anmelden

BTH Detektorempfänger Type C Form B
  •  
 1 2 3
 1 2 3
27.02.13 08:21
wumpus 

Administrator

27.02.13 08:21
wumpus 

Administrator

Re: BTH Detektorempfänger Type C Form B

Hallo zusammen,

fein mit dem Schaltbild sehen wir jetzt schon klarer. Die Variometerabstimmung ist (insbesondere wenn die Gesamtinduktivität auf gering gedreht ist) immer ein wenig schlechter.

Aber ich würde erst mal feststellen, ob bei Dir am Ort auch am Tage ein Mittelwellensender möglichst in Bandmitte (oder zumindest nicht an den Bandenden mit einem Radio gut zu hören ist. Dann kannst Du testen, ob dieser Sender auch im Detektor hörbar wird.

Das mit den beiden Sendern die nicht abstimmbar sind, können Kurzwellensender sein, die insbesondere nach Einbruch der Dämmerung "durchschlagen". Die sind dann aber zumeist am oberen Bandende zu hören.

Diese Art von Detektor braucht eine lange Antenne, das hast Du aber mit 20 Meter.

Der "Plattenkondensator" ist sicher der NF-Glättungskondensator oder der HF-Verkürzungskondensator für die Antenne.

Gruß von Haus zu Haus
Rainer (Forumbetreiber)

!
!!! Fotos, Grafiken nur über die Upload-Option des Forums, KEINE FREMD-LINKS auf externe Fotos.    

!!! Keine Komplett-Schaltbilder, keine Fotos, keine Grafiken, auf denen Urheberrechte Anderer (auch WEB-Seiten oder Foren) liegen!
Solche Uploads werden wegen der Rechtslage kommentarlos gelöscht!

Keine Fotos, auf denen Personen erkennbar sind, ohne deren schriftliche Zustimmung.

Den Beitrag-Betreff bei Antworten auf Threads nicht verändern!
27.02.13 09:42
joeberesf 

500 und mehr Punkte

27.02.13 09:42
joeberesf 

500 und mehr Punkte

Re: BTH Detektorempfänger Type C Form B

Hallo Andreas,

awr13:
Wenn ich den Kondensator in der Antennenleitung zu oder abschalte passiert gar nichts.
Die Platten die ich als Kondensatoren bezeichne werden mit den Metalllaschen zwischen den M4 Schrauvben festgehalten

es handelt sich ja um einen Primärempfänger. Diese Empfänger haben generell keine hohe Selektivität.
Das Variometer muss nicht i.O. sein, da nur eine Diode und ein Hörer ausreicht, Sender zu empfangen.
Wenn Du aber die Spule durchmessen kannst, müsste das Teil ok. sein.

Eine wichtige Frage wäre auch für welchen Wellenbereich Dein Gerät ausgelegt ist. LW oder MW?

Der Knackpunkt bei Deinem tollen Empfänger kann der Antennenverkürzungskondensator sein. Bei 20m Antennenlänge ist die
Dämpfung so groß, sodass die Resonanzkurve sehr breit wird. Eine lose Kopplung der Antenne wird über den
Verkürzungskondensator realisiert. Wenn der Kondensator noch i.O. wäre, müsste sich auf jeden Fall ein Unterschied
beim Öffnen des Schalters einstellen. Kannst Du den Kondensator nicht mal abklemmen und durch einen kleineren
Kondensator mit 50-100pF ersetzen? Kannst Du den Kondensator durchmessen?
Eine weitere Maßnahme wäre die Antennenlänge auf 10m zu begrenzen.

http://w ww.radiomuseum.org/forum/detektor_empfaenger_grundschaltungen.html * Leerzeichen eingefügt


Gruß

joe

Zuletzt bearbeitet am 27.02.13 09:54

27.02.13 15:32
awr13 

0-49 Punkte

27.02.13 15:32
awr13 

0-49 Punkte

Re: BTH Detektorempfänger Type C Form B

hallo Opa Wolle,
jo genau der ist es - nur ohne das "Einlegeblatt" im Deckel - und eben ohne Kristall.

Bin gerade hierdrauf gestossen - das ist er: http://www.wumpus-gollum-forum.de/forum/...1924-66_18.html



Andreas

Zuletzt bearbeitet am 27.02.13 15:38

27.02.13 16:07
Opa.Wolle 

500 und mehr Punkte

27.02.13 16:07
Opa.Wolle 

500 und mehr Punkte

Re: BTH Detektorempfänger Type C Form B

Hi Andreas, gestern gesehen, heute nicht mehr gewußt wo, habe dann wenigstens das Bild eingestellt.
Eventuell darfst Du ja das Einlegeblatt aus dem Beitrag benutzen, oder man bekommt einen guten Scan.
Es ist aber ein wunderschönes Gerät! Anfang der 60iger hatte ich auch einen Detektor, leider nur aus Plastik!

Zuletzt bearbeitet am 27.02.13 16:10

27.02.13 22:24
awr13 

0-49 Punkte

27.02.13 22:24
awr13 

0-49 Punkte

Re: BTH Detektorempfänger Type C Form B

hallo Joe, und alle Anderen

- Den Kondensator kann ich nicht prüfen
- ich habe versucht mal einen anderen Kondensator in die Antenne einzuschleifen - es war immer gleich laut und nicht abstimmbar
- Antenne verkürzen konnte ich heute abend nicht
- Ich habe 2-4 Sender übereinander recht laut
- Die Spule ist in ordnung - aber ich kann beim Drehen keine Änderung/Abstimmung feststellen.

und nun weiss ich nicht so recht weiter

Andreas

Zuletzt bearbeitet am 27.02.13 22:24

27.02.13 23:49
nobbyrad58 

500 und mehr Punkte

27.02.13 23:49
nobbyrad58 

500 und mehr Punkte

Re: BTH Detektorempfänger Type C Form B

Hallo Zusammen!

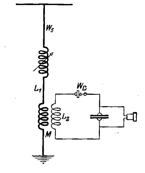
Die Schaltung erinnert an einen "Wellensucher". Er arbeitet aperiodisch, also fast ohne Selektivität. Der Vorteil ist ein schnelles Finden der Welle.
So steht es in einem Fachbuch von 1921. Die originale Schaltung nach Scheller, mit ein paar Änderungen, die aber prinzipiell nichts ändern entspricht dem Detektor von BTH.



MFG Nobby

Datei-Anhänge
Aperiodische Kopplung K.jpg Aperiodische Kopplung K.jpg (457x)

Mime-Type: image/jpeg, 28 kB

28.02.13 06:35
wumpus 

Administrator

28.02.13 06:35
wumpus 

Administrator

Re: BTH Detektorempfänger Type C Form B

Hallo Nobby,

bei Deiner Schaltung kommt es darauf an, ob die Induktivität (Summenbildung beider Induktivitäten) der linken beiden Spulen zusammen mit der Antennenkapazität eine Reihenresonanz im Ziel-Frequenz bilden können. Dann wäre es schon ein resonanz-abstimmbarer Schwingkreis, weil die obere Spule als variabel gezeichnet ist. Will sagen: Das Schaltbild selbst weist noch nicht zweifellos auf ein nicht resonantes Prinzip hin, es kann aber gut nicht resonant sein.


Liegt aber die Induktivität zusammen mit mit der Antennenkapazität außerhalb des Ziel-Frequenzbereichs, wird die Selektivität aperiodisch.


L2 bildet in jedem Fall zusammen mit der Diode nur ein aperiodisches Auskoppel- und Gleichrichter-System.




Gruß von Haus zu Haus
Rainer (Forumbetreiber)

28.02.13 07:37
joeberesf 

500 und mehr Punkte

28.02.13 07:37
joeberesf 

500 und mehr Punkte

Re: BTH Detektorempfänger Type C Form B

Hallo Andreas, hallo zusammen,

das Gerät ist definitiv für MW (660kHz - 1MHz) geeignet. Hier ein Ausschnitt
mit den Angaben zur Wellenlänge und der Schalterstellung. Das beim Drehen des Variometers
keinerlei Änderung eintritt ist komisch.

awr13:
- Antenne verkürzen konnte ich heute abend nicht

Brauchst Du nicht probieren, der Fehler muss woanders sein. Sind alle Induktivitäten des
Variometers wirklich in Reihe geschaltet? Wie schon gesagt,... Antenne, Diode, Erde in Reihe geschaltet
und einen Hörer angeschlossen und schon dudelt es unabgestimmt im Hörer. Aus meiner Sicht ist irgendwo
eine Unterbrechung in den Variometerspulen. Windungsschluss durch Beschädigung...oder irgendwas in der
Richtung.... noch mal überprüfen.


Gruß

joe

100 ft. Aerial sind so ca. 35m Antennenlänge. Also passt schon. Erde unbedingt Wasserleitung nutzen




Zuletzt bearbeitet am 28.02.13 12:43

Datei-Anhänge
Frequenzen.png Frequenzen.png (425x)

Mime-Type: image/png, 308 kB

28.02.13 09:45
wumpus 

Administrator

28.02.13 09:45
wumpus 

Administrator

Re: BTH Detektorempfänger Type C Form B

Hallo zusammen,

deshalb habe ich die Frage nach dem eventuellen Durchschlagen von Kurzwellensendern angesprochen. Einkreisdetektoren haben den Effekt, dass insbesondere in der oberen Bandhälfte Sekundär-Resonanzen in Verbindung mit der verwendeten Antenne entstehen können, die oberhalb des MW-Bereichs liegen. Oft lassen sich diese Phantom-Sender nicht oder nur wenig abstimmen.

Es sollte also bei dem hier besprochenen Detektor geprüft werden (am besten am Tag, wenn die Raumwelle weg ist), ob diese nicht abstimmbaren Sender tatsächlich in einem Referenz-MW-Radio gehört werden. Ist das nicht der Fall liegt Phantomempfang vor. Hier hilft dann ein oder mehrere Sperrkreise:
http://www.welt-der-alten-radios.de/detektor-hcoils-203.html (Dort Thema Sperrkreise, KW-Sperrkreise)

An einen außerhalb des MW-Bereichs liegenden Resonanzbereich will ich (noch) nicht glauben.



Gruß von Haus zu Haus
Rainer (Forumbetreiber)

01.03.13 07:25
awr13 

0-49 Punkte

01.03.13 07:25
awr13 

0-49 Punkte

Re: BTH Detektorempfänger Type C Form B

Hallo Wumpus,
danke für Deine vielen infos - da musste ich als Einstiger erstmal kräftig fachwörter nachschlagen. Mit einem Grundig Satellit 600 habe ich mal am Tag nach MW Sendern gesucht - da ist bei uns tote Hose - einen Sender aus Frankreich bekam ich rein. Und Abends war es nicht wirklich viel Besser. Viele Sender (ca. 8-12) aber alle schwach und verrauscht. Keiner kam so rein, dass ich ihn als stark bezeichnen kann. Ortssender in MW gibts hier nicht mehr.
Ich denke, dass MW Empfang mit dem Detektor bei uns schwierg ist.

Andreas

 1 2 3
 1 2 3
Detektorempfänger   Keramikkondensatoren   Schiebe-Abstimmspule   Verkürzungskondensator   welt-der-alten-radios   Detektor   HF-Verkürzungskondensator   Variometerabstimmung   Isolationswiderstand   NF-Glättungskondensator   Plattenkondenstatoren   Antennenverkürzungskondensator   Gleichrichter-System   Plattenkondensatoren   Onlineelektronikshop   Forumbetreiber   resonanz-abstimmbarer   MW-Rundfunksenderliste   Ziel-Frequenzbereichs   Andreas