| Passwort vergessen?
Sie sind nicht angemeldet. |  Anmelden

Sprache auswählen:

Wumpus Gollum Forum von
Wumpus Welt der (alten) Radios
Sie sind nicht angemeldet.
 Anmelden

Unbekannter Einkreiser
  •  
 1 2 3
 1 2 3
05.03.23 20:33
HB9 

500 und mehr Punkte

05.03.23 20:33
HB9 

500 und mehr Punkte

Unbekannter Einkreiser

Hallo zusammen,

mir ist ein Einkreiser aus den 20er-Jahren zugelaufen. Es ist weder ein Firmenname noch ein Modellname irgendwo angeschrieben, somit ein Unbekannter:


und mit hochgeklapptem Deckel:



Auf Grund des Aufbaus könnte es auch ein Bausatz sein, z.B. sind die Bauteile konsequent nur mit einer Schraube angeschraubt (teilweise mit unpassenden Schrauben), obwohl zwei Befestigungslöcher vorhanden sind. Die Fassung der RE034 wurde zudem schon anderweitig gebraucht, an den Lötanschlüssen war mal etwas angeschlossen.

Das Radio hat die 3 Röhren RE034 (Audion), RE084 (NF-Vorstufe) und RE134 (Endstufe). Der Lautsprecher muss extern angeschlossen werden (hochohmig) und die Speisung erfolgt mit Batterien, ebenfall von extern. Der Zustand war eigentlich sehr gut, wenn nicht jemand Klebe-Etiketten auf den Deckel und eine Seite geklebt hätte. Diese waren kaum wegzukriegen und hinterliessen Spuren, so dass ich mich auf die Suche nach passender Beize machen muss (der rötiliche Farbton ist recht speziell). Elektrisch war ein Widerstand defekt, der durch eine "Neubefüllung" repariert werden konnte, daneben gab es ein paar Wackelkontakte wegen gelöster Schrauben. Die Verdrahtung besteht aus Draht mit quadratischem Querschnitt und die Verbindungen sind geschraubt und nicht gelötet.

Das Radio empfängt Mittelwelle, durch Tauschen der Steckspulen wären auch andere Frequenzen möglich. Trotz Einkreiser ist die Trennschärfe bei richtig eingestellter Rückkopplung erstaunlich gut, und die Rückkopplung ist butterweich, auch Synchrondemodulation ist möglich und dank der Untersetzung beim Abstimm-Drehko kann die Frequenz sehr genau eingestellt werden. Die Lautstärke ist mehr als ausreichend bei 90V Anodenspannung.

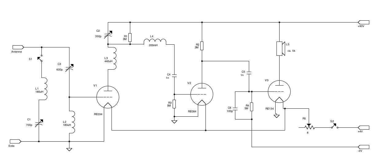
Die Schaltung weicht etwas vom Gewohnten ab:

L1 und C1 bilden einen Sperrkreis, der mit S1 zugeschaltet werden kann. L2 und C3 bilden den Schwingkreis, dabei liegt die Antenne in Serie und ist daher sehr entscheidend für die Eigenschaften des Schwingkreises. Insbesondere muss sie genügend lang sein, damit eine Rückkopplung möglich wird. L3 ist die schwenkbare Rückkopplungsspule, durch den Schwenker wird die Rückkopplung grob eingestellt, die Feineinstellung erfolgt mit dem Drehko C2. V1 ist das Audion, dabei fällt auf, dass das RC-Glied am Gitter fehlt, und für einen Anodengleichrichter müsste es eine negative Gittervorspannung haben, somit also eine "exotische" Schaltung. Die Gleichrichtung erfolgt im Anodenkreis, dabei wird die Asymmetrie des Anodenkreises ausgenutzt: bei der positiven Halbwelle am Gitter wird die Anode mit hohem Strom Richtung Masse gezogen, während bei der negativen Halbwelle am Gitter die Anode nur schwach über R1 Richtung Betriebsspannung gezogen wird. Somit sinkt bei höherer HF-Spannung am Gitter die mittlere Spannung an der Anode und damit hat man eine Demodulation. Das NF-Signal wird mit L4 von der HF befreit und über C4 zur NF-Vorstufe V2 geführt und von dort zur Endstufe V3. V3 bekommt über eine separate Batterie eine negative Gittervorspannung. Da ich keine Hinweise zu den angedachten Spannungen fand, hielt ich mich an die Datenblätter der Röhren und machte Versuche. Eine Gittervorspannung von -3V hat sich bei 90V Anodenspannung als gut erwiesen, bei höherer Anodenspannung müsste man sie vergrössern.
Die Heizspannung wird über den Schalter S2 zugeführt, der als Geräteschalter dient, die Gittervorspannung und die Anodenspannung werden nicht abgeschaltet. Mit S2 gekoppelt ist das Drahtpoti R6, das beim Drehen von "aus" nach "ein" niederohmiger wird und man so durch langsames Drehen beim Einschalten die Heizfäden schonend anheizen kann.
Der (externe) Lautsprecher muss hochohmig sein, so wie es damals üblich war. Da ich keinen solchen habe, habe ich einen normalen Lautsprecher mit einem Ausgangstrafo einer anderen Endstufe betrieben.

Hier noch ein paar Bilder:

Der Abstimm-Drehko (Hersteller SABA) mit dem Getriebe für den Feintrieb:


Die Kontakte der Fassung von der Audionröhre sind gummigelagert:


Einer der Widerstände im Glasrohr (Hersteller Loewe), rechts davon ein 1n-Kondensator von NSF (schwarzer Block):


Die Wabenspulen, hier die Schwinglreisspule und die schwenkbare Rückkopplungsspule:


Der defekte 3M-Widerstand in Einzelteilen:


Neben der Spurenbeseitigung auf dem Deckel muss ich noch ein Gehäuse für die Batterien machen (10*9V für Anodenspannung, 4*1.2V NiMH für die Heizung und 3V Li für die Gittervorspannung). Ein passender Trichterlautsprecher wäre natürlich auch noch schön, aber das hat Zeit...

Gruss HB9

Datei-Anhänge
Drehko.jpg Drehko.jpg (199x)

Mime-Type: image/jpeg, 155 kB

Fassung.jpg Fassung.jpg (191x)

Mime-Type: image/jpeg, 165 kB

Front.jpg Front.jpg (205x)

Mime-Type: image/jpeg, 130 kB

Glaswiderstand.jpg Glaswiderstand.jpg (193x)

Mime-Type: image/jpeg, 140 kB

offen.jpg offen.jpg (211x)

Mime-Type: image/jpeg, 154 kB

Schaltplan.png Schaltplan.png (203x)

Mime-Type: image/png, 43 kB

Spulen.jpg Spulen.jpg (205x)

Mime-Type: image/jpeg, 168 kB

(78x)

Mime-Type: image/jpeg, 148 kB

joeberesf, basteljero, Vorkreis, RWA, WalterBar, wumpus, WoHo, Airwaves, Hajo und Oldtimer_OM gefällt der Beitrag.
!
!!! Fotos, Grafiken nur über die Upload-Option des Forums, KEINE FREMD-LINKS auf externe Fotos.    

!!! Keine Komplett-Schaltbilder, keine Fotos, keine Grafiken, auf denen Urheberrechte Anderer (auch WEB-Seiten oder Foren) liegen!
Solche Uploads werden wegen der Rechtslage kommentarlos gelöscht!

Keine Fotos, auf denen Personen erkennbar sind, ohne deren schriftliche Zustimmung.

Den Beitrag-Betreff bei Antworten auf Threads nicht verändern!
05.03.23 20:49
joeberesf 

500 und mehr Punkte

05.03.23 20:49
joeberesf 

500 und mehr Punkte

Re: Unbekannter Einkreiser

Hallo HB9.

welch ein guter Gerätezustand.... das sieht sehr gut aus... trotz der Probleme mit den Klebchen. Das sind ja nur Kleinigkeiten! Sperrkreis... ? Ja das macht schon Sinn wenn zwei starke Ortssender dem Einkreiser auf die Pelle rücken und spricht für einen Eigenbau. Schaut man in Radioamateurbücher aus den goldenen Zwanzigern ist man erstaunt über die vielen Elektronik- Bauteile für die frühen Radioamateure und ganze Schaltungsvorschläge zum Nachbauen und experimentieren. Sehr schön verarbeitet ist das Gerät.... die Spulen sehen echt neuwertig aus. Was für ein Glücksfall so etwas noch zu bekommen.

VG
Jörg

Zuletzt bearbeitet am 05.03.23 20:56

05.03.23 21:03
HB9 

500 und mehr Punkte

05.03.23 21:03
HB9 

500 und mehr Punkte

Re: Unbekannter Einkreiser

Hallo Jörg,

das hier ist die Hässlichkeit



Ansonsten ist der Zustand wirklich sehr gut, nur etwas Staub und natürlich an den Ecken und Kanten leichte Gebrauchsspuren, was nach fast 100 Jahren ja klar ist.

Schön an diesen Geräten ist die überschaubare Schaltung, da kommt man noch ohne Schaltplan zurecht (oder man zeichnet ihn entsprechend der Verdrahtung, so wie hier). Die Empfangsqualität ist erstaunlich gut, die Röhrendaten sind ja nicht gerade das, was man von den Pentoden oder den modernen Trioden gewohnt ist. Es muss ja nicht immer ein 11-Röhren-Super sein

Gruss HB9

Datei-Anhänge
P1030229.jpg P1030229.jpg (209x)

Mime-Type: image/jpeg, 133 kB

05.03.23 21:10
joeberesf 

500 und mehr Punkte

05.03.23 21:10
joeberesf 

500 und mehr Punkte

Re: Unbekannter Einkreiser

Hallo HB9,

ja verstehe... sieht echt hässlich aus.... aber das ist kein Problem für Dich! Die Schaltungskombination bzw. Anordnung aus R1, C2, L3 mit HF- Blockung L4 habe ich noch nie gesehen... auch primär L2, C3 ist etwas ungewöhnlich. L2- L3,.. kann der Kopplungsgrad von außen gesteuert werden? Ich kann das auf dem ersten Foto nicht genau ausmachen... muss aber so sein! oder? Laut Plan sind sechs Bedienelemente vorhanden. S1, C1, C3, C2, R5, S2... ich kann nur fünf erkennen!
VG
Jörg

Zuletzt bearbeitet am 05.03.23 21:26

06.03.23 07:57
HB9 

500 und mehr Punkte

06.03.23 07:57
HB9 

500 und mehr Punkte

Re: Unbekannter Einkreiser

Hallo Jörg,

der Kopplungsgrad zwischen L2 und L3 kann von aussen mit dem mittleren Knopf eingestellt werden, dazu ist L3 schwenkbar. Neben dem unkonventionell geschalteten Schwingkreis fällt auch auf, dass es keine Abblock-Kondensatoren gibt. Neben den unerwünschten NF-Kopplungen über die Heizung gibt es ja noch den notwendigen HF-Pfad der Rückkopplung, der von C2 über die positive Betriebsspannung nach Masse fliessen muss, dazu gibt es nur den Weg über die (eher langen) Anschlusskabel und die Spannungsquelle. Auch der HF-Siebkondensator C6 am Gitter der Endstufe ist nicht auf Masse geschaltet, so dass die Verbindung nach Masse über das Anschlusskabel und die Batterie für die Gittervorspannung erfolgt. Aber es funktioniert...

Für die HF-Siebung der NF wird üblicherweise ein Widerstand an Stelle einer Drossel (L4) verwendet, aber die Drossel hat den Vorteil, dass man keine NF verliert. C2 ist wohl auf die Betriebsspannung statt auf Masse geschaltet, damit es keine Gleichspannung über dem Kondensator hat. Durch das Vertauschen der Reihenfolge von Kondensator und Rückkopplungsspule hat es auf dem Rotor und damit dem Gehäuse des Kondensators keine HF, das hatten auch ein paar andere so gemacht.

Weiter auffällig sind die sehr hohen Anodenwiderstände vom Audion und vor allem der NF-Vorstufe. Beim Audion ist ein hoher Widerstand für die Funktion nötig (Anodengleichrichtung durch die Asymmetrie), während bei der NF-Vorstufe durch den hohen Widerstand die Anodenspannung nur etwa 15V beträgt, was sehr niedrig ist. Wegen dem niedrigen Innenwiderstand der Triode bringt ein derart hoher Anodenwiderstand auch verstärkungsmässig nichts mehr. Die sehr niedrige Anodenspannung sorgt für zusätzliche Verzerrungen und die mögliche Ausgangsspannung reicht nicht für Vollaussteuerung der Endstufe.

Gruss HB9

06.03.23 09:27
WalterBar 

500 und mehr Punkte

06.03.23 09:27
WalterBar 

500 und mehr Punkte

Re: Unbekannter Einkreiser

HB9:

Wegen dem niedrigen Innenwiderstand der Triode bringt ein derart hoher Anodenwiderstand auch verstärkungsmässig nichts mehr.


Hallo zusammen,

das kommt drauf an. In der Zeit um 1930 hatten die Trioden auch schon mal Innenwiderstände zwischen
290 und 500kOhm. Steilheiten zwischen 0,07 bis 0,2mA/V und Durchgriffe zwischen 1,7 und 3%.

Den Eingangskreis habe ich so in sehr vielen Schaltungen, zumeist aus den USA, gesehen, beispielsweise:

https://www.wumpus-gollum-forum.de/forum...d=58&page=1

oder hier:

https://www.wumpus-gollum-forum.de/forum...d=44&page=1

oder hier:

https://www.wumpus-gollum-forum.de/forum...amp;thread=43#7

In meiner Antennenumgebung (2xL/T) funktioniert das sogar besser als ein Parallelschwingkreis. Mein Versuchsaudion
habe ich auch auf diese Schaltung geändert. Für kurze Antennen ist das natürlich keine Lösung.

Das Radio wird ein Selbstbau gewesen sein, wie 70% aller Radios damals. Orientiert hat man sich offenbar an
dem Loewe Konzept. Die Firma wurde oft für die Hochohmigkeit kritisiert. Es war aber mit den Mehrfachröhren
die einzige Möglichkeit, neben Telefunken zu bestehen.

Gruss
Walter

Nachtrag vom 09.03.2023:

Die RE054 brachte es sogar auf Ri=1M Ohm bei einer Steilheit von 0,16mA/V
Sie war im Blaupunkt B VII verbaut und nannte sich auch Heliodyn IV in blauem Glas.
Sie wird, wenn überhaupt, schwer zu beschaffen sein. Das blaue Glas sollte Hellglüher
etwas dunkler erscheinen lassen, obwohl die Heizfäden hier schon mit 60mA arbeiteten.

Die fehlende R/C-Kombination am Gitter des Audions findet man auch häufiger. Das
ist bei den Amis mit ihren "Soft-Tubes" und Argon oder Cäsium nicht verwunderlich.
Aber auch europäische alte Vakuumtrioden funktionieren in dieser Umgebung gut.
Ich habe die Erfahrung gemacht, dass andererseits eine mit 220pF/2,2MOhm nach-
bestückte Kombination direkt am Gitteranschluss nicht schadet, wenn man nicht nur
auf die Anodendemodulation setzen will. Röhren mit kleinem Durchgriff sind bestens
geeignet. Auf die Steilheit kommt es nur sekundär an.

Quadratischer Schaltdraht ist ein Indiz für eine Entstehung in den 1920-er Jahren.

Der Rheostat am positiven Heizungsanschluss verwundert etwas. Der ist ein Indiz
dafür, dass ursprünglich Hellglüher mit 3,2V Heizspannung eingesetzt waren.
Ich würde die Polarität der Heizspannung einmal umkehren und sehen, ob und wie
sich die Empfangseigenschaften ändern. Ich erinnere mich noch daran, wie ich
mit einer Umpolung plötzlich einer EVN171 zum Rückkopplungseinsatz verhalf.

Zuletzt bearbeitet am 11.03.23 11:10

06.03.23 09:47
HB9 

500 und mehr Punkte

06.03.23 09:47
HB9 

500 und mehr Punkte

Re: Unbekannter Einkreiser

Hallo Walter,

die RE084 hat nach Datenblatt einen Durchgriff von 6% und eine Steilheit von 2mA/V, das ergibt einen Innenwiderstand von 8kOhm, also recht niederohmig. Eigentlich wäre hier eine RE034 besser gewesen.

Mit der KW-Antenne funktioniert das Radio sehr gut, die ist ja auch sehr niederohmig für MW, damit bekommt der Schwingkreis eine hohe Güte (der Antennenwiderstand liegt ja direkt im Strompfad des Schwingkreises und dämpft diesen entsprechend).

Hochohmige NF-Stufen sind ja eigentlich eine gute Sache bei Batteriebetrieb, da einerseits der Anodenstromverbrauch sinkt und andererseits eine geringe Steilheit ausreicht, was den Heizstromverbrauch senkt. Einfach die Isolation (Kondesatorqualität) muss dann besser sein. Die hier verwendeten Kondensatoren machen in dieser Hinsicht einen hervorragenden Eindruck, vermutlich sind das Mehrschicht-Glimmerkondensatoren, sicher keine Papierkondensatoren.

Gruss HB9

Zuletzt bearbeitet am 06.03.23 09:49

06.03.23 12:57
WalterBar 

500 und mehr Punkte

06.03.23 12:57
WalterBar 

500 und mehr Punkte

Re: Unbekannter Einkreiser

HB9:

... die RE084 hat nach Datenblatt einen Durchgriff von 6% und eine Steilheit von 2mA/V, das ergibt einen Innenwiderstand von 8kOhm, also recht niederohmig. Eigentlich wäre hier eine RE034 besser gewesen.


Klar, das habe ich mir auch angesehen. Aber ich gehe nicht davon aus, dass die Röhre von Anfang an drin war.
Dafür spricht ja gerade die Dimensionierung. Hauptsache, das Radio läuft, und es müssen keine Röhren beschafft
werden, obwohl sie noch zahlreich und einfach zu beschaffen sind.

Gruss
Walter

Zuletzt bearbeitet am 06.03.23 14:53

06.03.23 15:27
HB9 

500 und mehr Punkte

06.03.23 15:27
HB9 

500 und mehr Punkte

Re: Unbekannter Einkreiser

Hallo zusammen,

wenn ich die Batterieversorgung fertig habe (und damit kein Gebastel mehr für die Stromversorgung), kann ich weitere Messungen machen. Ich habe aber bereits schön gesehen, wie die Anodenspannung an der RE034 mit steigender HF-Spannung absinkt, so wie es die Theorie vorhersagt.

Eine negative Gittervorspannung der RE034 würde natürlich auch bei grösseren HF-Spannungen den Gitterstrom beseitigen und damit den Schwingkreis nicht belasten. Da es aber eine direkt geheizte Triode ist und die Heizspannung mit 4V recht hoch ist, ist der allergrösste Teil der Gitter-Kathodenstrecke negativ vorgespannt (der Minuspol der Heizung liegt auf Masse und damit auf Gitterpotential), so dass der Gitterstrom bei realistischen HF-Spannungen sehr klein bleibt. Bei einer geschätzten Länge der Kathode vom 2cm gibt es ja immerhin 200mV/mm Kathodenlänge.

150V könnte durchaus angedacht gewesen sein, oder auch eine noch höhere Spannung. Mit Batterien sind da aber Grenzen gesetzt, ein Standardwert war damals 135V. Die hohen Anodenwiderstände rufen ja nach einer hohen Spannung. Für 90V könnte man die RE134 noch ohne negative Gittervorspannung betreiben, die Vorspannung reduziert aber die Stromaufnahme und auch den Klirrfaktor, weil kein Gitterstrom fliesst, den die RE084 nicht liefern kann.

Gruss HB9

Zuletzt bearbeitet am 06.03.23 15:30

06.03.23 16:38
WalterBar 

500 und mehr Punkte

06.03.23 16:38
WalterBar 

500 und mehr Punkte

Re: Unbekannter Einkreiser

Hallo HB9,

bei meinen kürzlich durchgeführten Audionversuchen mit RE034, aber auch 3NF hat sich gezeigt,
dass eine Abweichung der negativen Gittervorspannung zu positiveren Werte hin die Empfindlichkeit
erhöht. Aber durch die Heizspannung ist, wie von Dir beschrieben, ohnehin eine negative Vorspannung
vorhanden.

Die Erhöhung der Anodenspannung von 100 auf maximal 200 Volt erhöhte bei mir die Audiolautstärke
relativ wenig, aber die knapp vierfach aufgenommene DC-Leistung belastet die Batterie unverhältnismässig
hoch.

Beim Freed-Eisemann, der nur gelegentlich läuft, habe ich sogar auf eine Vorspannung für die Endröhre
verzichtet und die Anodenspannung auf nur 60 Volt gesetzt.

Gruss
Walter

 1 2 3
 1 2 3
Audion-Anodenwiderstände   Auna-Bluetooth-Trichter   Unbekannter   Schwingkreiskapazität   Qualitätsunterschiede   Rückkopplungsspule   Rückkopplungseinstellung   Mehrschicht-Glimmerkondensatoren   NF-Verstärkungsfaktor   Feeder-Serieinnduktivität   wumpus-gollum-forum   Lautsprecher-Lautstärke   Rückkopplung   Rückkopplungseinsatz   Gittervorspannung   Dimensionierungsangaben   Rückkopplungskondensator   Einkreiser   Übersteuerungsreserve   Anodenspannung