| Passwort vergessen?
Sie sind nicht angemeldet. |  Anmelden

Sprache auswählen:

Wumpus Gollum Forum von
Wumpus Welt der (alten) Radios
Sie sind nicht angemeldet.
 Anmelden

VE301Dyn von Schaleco
  •  
 1 .. 5 6 7 8 9 .. 14
 1 .. 5 6 7 8 9 .. 14
07.09.13 15:26
roehrenfreak

nicht registriert

07.09.13 15:26
roehrenfreak

nicht registriert

Re: VE301Dyn von Schaleco

MIRAG:
Hallo..
Es ist zum Mäuse melken

Die Widerstände, die ich bestellt habe, sind alle hochohmig geworden

Wieder Zeit verloren...

Mit Grüßen...

Dafür müsste es m.M.n. aber nachvollziehbare Gründe geben oder war's vielleicht doch nur ein Messfehler?

Es ist schon das eine oder andere Mal passiert, dass die Messleitung(en) direkt am Messspitzeneinlauf innerlich gebrochen waren, was man äusserlich nicht unbedingt gleich bemerken muss...

!
!!! Fotos, Grafiken nur über die Upload-Option des Forums, KEINE FREMD-LINKS auf externe Fotos.    

!!! Keine Komplett-Schaltbilder, keine Fotos, keine Grafiken, auf denen Urheberrechte Anderer (auch WEB-Seiten oder Foren) liegen!
Solche Uploads werden wegen der Rechtslage kommentarlos gelöscht!

Keine Fotos, auf denen Personen erkennbar sind, ohne deren schriftliche Zustimmung.

Den Beitrag-Betreff bei Antworten auf Threads nicht verändern!
07.09.13 16:07
MIRAG 

500 und mehr Punkte

07.09.13 16:07
MIRAG 

500 und mehr Punkte

Re: VE301Dyn von Schaleco

Nein, ich habs aber gelöst... der Stecker der Messstrippe war nicht richtig eingesteckt...

Nächstes Problem: Trafo bringt keine 360V

Mit leicht demoralisierten Grüßen :/

07.09.13 17:47
Andreas_P 

500 und mehr Punkte

07.09.13 17:47
Andreas_P 

500 und mehr Punkte

Re: VE301Dyn von Schaleco

Hallo Mark,

nur die Ruhe, Du bist schon soweit gekommen. Was für eine Spannung hast Du denn Sekundärseitig am Netztrafo? Meßgerät auf Wechselspannung gestellt? Mark, nichts für ungut, das weißt Du auch, aber wenn ich denke, was ich manchmal vergesse. So, die Spannung schreibst Du mal. Gleichrichterröhre erstmal rauslassen. Und Mut, das wird!

07.09.13 17:58
MIRAG 

500 und mehr Punkte

07.09.13 17:58
MIRAG 

500 und mehr Punkte

Re: VE301Dyn von Schaleco

Hallo, es ist fast (bis auf die Elkos, die müssen noch verpackt werden) alles eingelötet:


An Spannungen habe ich anzubieten: 280V, 316V, 311V, 5V und 20V (manche auch mehrmals). Ich habe alle Kombinationen von Windungen ausprobiert.

Gruß

Datei-Anhänge
rwska.jpg rwska.jpg (404x)

Mime-Type: image/jpeg, 354 kB

07.09.13 18:26
Andreas_P 

500 und mehr Punkte

07.09.13 18:26
Andreas_P 

500 und mehr Punkte

Re: VE301Dyn von Schaleco

Mark, da müssen wir etwas anders dran gehen. Erstmal: Hast Du die Elkos denn schon eingelötet? Auch wenn Du die noch nicht "verpackt" hast, mußt Du die bei Messungen einlöten. Verpacken kannst Du später. Das ist eines. Mir ist das jetzt nicht richtig klar, wo Du die 280, 316 und 311 Volt her hast. Sind das die Spannungen, die Du nach und nach am Sekundärwickel, wie beschrieben gemessen hast? Dann könntest Du doch vorsichtig aufatmen. Du schriebst, der Trafo ist nicht original. Daher kann es schon zu Abweichungen kommen. Sollten die besagten Spannungen am Sekundärwickel auftreten, würde ich die Schwankungen auf die nicht immer konstante Netzspannung schieben. Sollten das die Werte sein, stecke die Gleichrichterröhre 1064 rein. Löte dann bitte die Netzelkos ein und schließe die Feldspule 5 Kiloohm vom Lautsprecher an. Übrigens auch den dicken Widerstand, der zwischen Feldspule und Masse hängt. Der soll die Gleichspannung etwas in Grenzen halten. Außer der Gleichrichterröhre noch keine Röhre reintun. Messe jetzt mal die Gleichspannung vor der Feldspule und danach. Das schreibe mal. Aber nicht zu lange machen (nach Messung gleich wieder aus). Ohne Tonröhre ist die Gleichspannung recht hoch. Sie darf die Prüfspannung der Elkos möglichst nicht übersteigen.

07.09.13 19:58
MIRAG 

500 und mehr Punkte

07.09.13 19:58
MIRAG 

500 und mehr Punkte

Re: VE301Dyn von Schaleco

Hallo, ich hab jetzt erstmal alles wieder zusammengepackt. Die Elkos werde ich da mal morgen noch einlöten und dann messen. Die Spannungen habe ich an den verschiedenen "Abgriffen" gemessen. Ich schau mir das morgen nochmal an. Die Netzspannung war eigentlich konstant 234V ~
Kannst du Morgen Nachmittag mal in den Chat kommen, dann könnte ich mit dir "live" schreiben.

Gruß, Mark.

08.09.13 16:39
MIRAG 

500 und mehr Punkte

08.09.13 16:39
MIRAG 

500 und mehr Punkte

Re: VE301Dyn von Schaleco

Hallo.
Ich bin ein wenig Ratlos. Ich messe am Mittelkontakt der Tonröhre sowie an der Anode und an der AF7 Anode 284V. Vor der Feldspule sinds 346,5V und danach 290V. Die Feldspule hat die 5kOhm... Also fällt am RES Gitterwiderstand zu wenig Sannung ab?
Kann das an den zu großen Elkos liegen? Eigentlich nicht, oder?
Gruß...

08.09.13 20:14
roehrenfreak

nicht registriert

08.09.13 20:14
roehrenfreak

nicht registriert

Re: VE301Dyn von Schaleco

Hallo Mark,

die Werte sind plausibel. Nach Gevatter Ohm fließen rund 12mA Anodenstrom, was ok ist. Was meinst Du mit der Aussage:" Also fällt am RES Gitterwiderstand zu wenig Sannung ab?" ?

08.09.13 21:09
MIRAG 

500 und mehr Punkte

08.09.13 21:09
MIRAG 

500 und mehr Punkte

Re: VE301Dyn von Schaleco

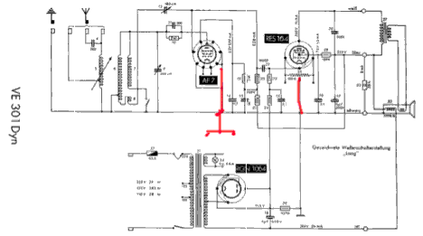
In meinem Schaltplan stehen vor dem 100kOhm Widerstand am Gitter der RES 164 220V und danach am Gitter 75V, aber sieh selbst:


Oder hab ich hier einen kapitalen Denkfehler?

Datei-Anhänge
ve_301_dyn.JPG ve_301_dyn.JPG (376x)

Mime-Type: image/jpeg, 45 kB

08.09.13 21:31
decoder 

0-49 Punkte

08.09.13 21:31
decoder 

0-49 Punkte

Re: VE301Dyn von Schaleco

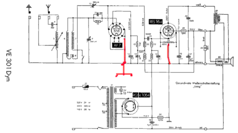
Wenn entweder beide Röhren nicht heizen, oder die Katode der AF7 und die der RES164 (Entbrummer. Mitte) nicht zum Chassis geht, misst man das so. Der vermeintliche Röhrenstrom, ist der 28 Kohm Lastwiderstand der die Erregung (Magnet) verstaerken soll.

decoder

EDIT:

Was Deine Messungen zeigen, fliest weder in der AF7 noch in der RES164 (G2) ein Strom.
Was oben steht, kann das bewirken. Keine Heizung oder beide Kathoden haengen in der Luft.







Zuletzt bearbeitet am 08.09.13 22:36

Datei-Anhänge
VE301Wdyn-001.png VE301Wdyn-001.png (386x)

Mime-Type: image/png, 11 kB

 1 .. 5 6 7 8 9 .. 14
 1 .. 5 6 7 8 9 .. 14
Temperatur-Coeffizienten   VE301Dyn   zusammen   Spannungsfestigkeit   Schirmgitterbeschaltung   Schaleco   Kondensatoren   bearbeitet   Wiedergabe-Frequenzbereiches   Jürgen   Gittervorspannungserzeugung   Nockenscheiben-Impulsgeber   Andreas   natürlich   Gleichrichterröhre   Klicker-Klapper-Technik   Grüße   Antennenkopplungsregler   Kompensationsschaltung   Zuletzt