| Passwort vergessen?
Sie sind nicht angemeldet. |  Anmelden

Sprache auswählen:

Wumpus Gollum Forum von
Wumpus Welt der (alten) Radios
Sie sind nicht angemeldet.
 Anmelden

Schiebespulen Detektor
  •  
 1 2 3 4
 1 2 3 4
08.08.10 08:37
technikfreund 

500 und mehr Punkte

08.08.10 08:37
technikfreund 

500 und mehr Punkte

Re: Schiebespulen Detektor/ Detektor mit Drehkondensator

Hallo Zusammen!

Habe nach den tollen Beiträgen von euch
meine Spulen gestern umgewickelt.

Es sind Zylinderspulen, die nach der "Standart" Detektor
Schaltung gewickelt wurden, d.h. "Klopapierrolle" mit 4cm
Durchmesser mit 100 Wdg. Cu-Lackdraht.

Meine Spule hat jetzt 130 Wdg. auf einem Spulenkörper
mit 2cm Durchmesser, entspricht also 65 Wdg. auf dem
"Standart" Wickelkörper mit 4cm Durchmesser.

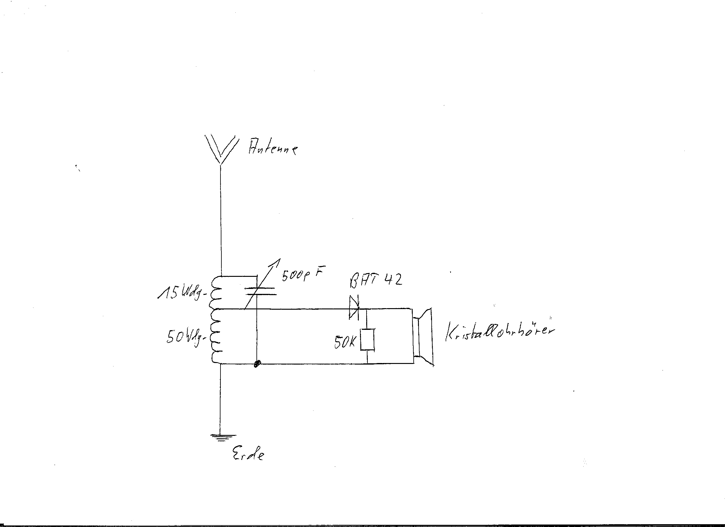
Die Diode ist an eine Anzapfung nach 15 Wdg. an die Spule
angeschlossen. Schaltplan im Anhang.

Zu Empfangen waren gestern 3-5 Sender, auf dem ganzen
Einstellbreich des Drehkondensators.
Ich verwende einen Drehkondenstor mit 2 Plattenpaketen,
von dem eines angeschlossen ist. Er stammt aus einem Röhrenradio,
in dem auch nur ein Paket angeschlossen war.

Abgehört wurden die Sender mit PC-Aktivboxen.
Der Empfang mit dem Kristallohrhörer ging auch, war aber ziemlich leise.

Die Trennschärfe war nicht so gut, es lagen oft 2 Sender direkt Nebeneinander.
Muss wohl noch mal ein wenig mit der Spule experimentieren.

Zudem Überlege ich, ob es sinnvoll ist eine induktive Ankopplung an den
Antennenkreis zu bauen, es wäre auch noch ein Drehkondensator zur Abstimmung
dieses Antennenkreise vorhanden.

Ich finde es echt klasse, das es so viele Menschen gibt, die sich für dieses Thema interessieren
und tolle Ideen dazu haben, Danke!

Grüße Technikfreund.

Datei-Anhänge
Scan0002.jpg Scan0002.jpg (437x)

Mime-Type: image/jpeg, 213 kB

!
!!! Fotos, Grafiken nur über die Upload-Option des Forums, KEINE FREMD-LINKS auf externe Fotos.    

!!! Keine Komplett-Schaltbilder, keine Fotos, keine Grafiken, auf denen Urheberrechte Anderer (auch WEB-Seiten oder Foren) liegen!
Solche Uploads werden wegen der Rechtslage kommentarlos gelöscht!

Keine Fotos, auf denen Personen erkennbar sind, ohne deren schriftliche Zustimmung.

Den Beitrag-Betreff bei Antworten auf Threads nicht verändern!
08.08.10 09:17
wumpus 

Administrator

08.08.10 09:17
wumpus 

Administrator

Re: Schiebespulen Detektor

Hallo Technikfreund,
ich hatte ja schon versucht auf die Wichtigkeit des Treffens des gesamten Mittelwellenbereichs eines Detektors aufmerksam zu machen. Weisst Du denn zwischenzeitlich, ob Dein Detektor das hinbekommt oder hörst Du auch durchschlagende Kurzwellenstationen (insbesonderen am oberen Bandende)? Diese lassen sich dann zumeist kaum abstimmen.

Ich würde auch konsequent auf Kopfhörerempfang umsteigen, der Anschluß eines Verstärkes verfälscht die Ergebnisse, ein schlechter Detektor wird zum brauchbaren hochgekünstelt.

Ist der Detektor richtig aufgebaut und es ist Nacht, MUSS er - sagen wir mal in der Zeit von 22-24 Uhr - in Deutschland (nacheinander - nicht zur selben Zeit) bei einer halbwegs brauchbaren Antenne so um die 10-15 verschiedene Sender mit dem Kopfhörer empfangen.

Wenn Du also nur mit dem Verstärker nachts 2 bis 5 Sender hörst, stimmt mit dem Detektor etwas nicht.

Hast Du zwischenzeitlich mal mit einem Referenzradio festgestellt, wieviel Sender der (mit vielleicht der selben Antenne) gut und laut empfängt? Tauchen diese Sender auch im Detektor und Kopfhörer auf?

Schade, dass Dein neuer Spulenaufbau wieder eher sehr lang, als quadartisch aufgebaut wurde. Beim Detektor kommen viele Einzelschritte zusammen, die erst als Summe guten lauten und selektiven Empfang am Kopfhörer bringen.

Nochmals: Zylinderspulen, eng an eng gewickelt mit ca. 2 cm Durchmesser (insbesondere bei Kupferlackdraht) sind die schlechteste Lösung. Zumeist schafft man es damit - unter Verwendung eines Drehkondensators als Parallelschwingkreis - NICHT, den gesamten Mittelwellenbereich zu erfassen, es fehlen dann u.u. Sender !


Mit freundlichen Grüssen Rainer (Forum-Admin)

Möge uns die analoge Radio-Welle noch lange erhalten bleiben .

Zuletzt bearbeitet am 08.08.10 09:19

08.08.10 11:42
Broesel 

50-99 Punkte

08.08.10 11:42
Broesel 

50-99 Punkte

Re: Schiebespulen Detektor

technikfreund:
Meine Spule hat jetzt 130 Wdg. auf einem Spulenkörper
mit 2cm Durchmesser, entspricht also 65 Wdg. auf dem
"Standart" Wickelkörper mit 4cm Durchmesser.

Hallo,

und nein, da entspricht sich gar nichts. Ich habe mal angenommen, daß CuL-Draht mit 0.4mm Durchmesser verwendet wurde und ideal eng gewickelt wurde. Letzteres entspricht zwar nicht der Realität, ist aber für die Kernaussage egal. Bei Spule 1 - Durchmesser 2cm - ergäbe sich eine Induktivität von 110µH. Bei Spule 2 - Durchmesser 4cm - wären es dagegen schon 152µH. Aber auch in letzterem Fall wäre die Induktivität noch deutlich zu gering. Für einen Drehko mit 500pF Endkapazität braucht die Spule 180µH. Der auf einem der Bilder gezeigte Drehko hat eher um die 330pF Endkapazität, da braucht es dann schon 270µH.

Der dünnere Spulenkörper braucht mehr Wicklungen für die gleiche Induktivität. Dadurch steigt die benötigte Drahtlänge und damit der ohmsche Widerstand des Drahts. Ein höherer ohmscher Widerstand verschlechtert jedoch die Spulengüte und macht damit u.a. die Trenschärfe kaputt. Dazu kommt noch, das Zylinderspulen auch eine Eigenkapazität aufweisen, die mit steigender Windungszahl auch ansteigt. Diese Kapazität liegt dann dem Drehko parallel und verhindert je nach Größe, das das obere Ende des Bandes erreicht werden kann. Das direkte Anschalten von Antenne und Erde bewirkt da übrigens das gleiche - letztlich schaltet man da auch eine (nicht gerade kleine) Kapazität parallel, noch dazu eine ziemlich miserabler Güte so das sich auch Trennschärfe und Lauststärke verringern. Alles in allem also keine allzu gute Idee für einen passiv arbeitenden Empfänger.

Geeignete Spulenkörper gibt es übrigens billig in jedem Baumarkt in der Abteilung für Wasserleitungen. Das sind so graue Plasterohre, gibt es beispielsweise mit gut geeigneten 7.5cm Durchmesser. Das Material ist Polypropylen, trotz der grauen Färbung taugen solche Spulenkörper ganz gut und sind auch klar stabiler als irgendwelche Papprollen.

Schöne Grüße
Brösel

Zuletzt bearbeitet am 08.08.10 11:43

08.08.10 15:37
Pluspol 

500 und mehr Punkte

08.08.10 15:37
Pluspol 

500 und mehr Punkte

Re: Schiebespulen Detektor

Hallo Brösel und alle

Natürlich hast Du recht, daß bei der Spule von Technifreund die Optimalität bzw. Güte zu kurz gekommen ist.
Du erwähnst daß bei kleinerem Durchmesser zwangsläufig mehr Windungen mit höherer Eigenkapazität auftreten, als bei größerem D. mit logischen weniger Windungen. Technikfreund hatte von 4cm auf 2cm gewaechselt.
Da aber beim größeren Durchmesser die Drahtlänge pro Windung die doppelte Länge aufweist, ergeben sich damit auch wieder größere parallel verlaufende Drahtflächen.
Sicher gibt es bei gleicher Induktivität und möglichst geringer Eigenkapazität ein Optimum aus Spulendurchmesser und Windungszahl.
Ein sinnvoler Test ist, den gleichen Draht auf zwei unterschiedliche Spulendurchmesser zu wickeln und deren Induktivitäten mal zu vergleichen. Das werde ich demnächst mal selbst testen, wenn ich endlich meinen bestellten LC-Meter-Bausatz habe.
Ich hätte für den Detektor die selbst herstellbare Spinnenausführung gewählt.
Aber jeder so, wie er meint.

Freundliche Grüße von Dietmar

08.08.10 20:44
Broesel 

50-99 Punkte

08.08.10 20:44
Broesel 

50-99 Punkte

Re: Schiebespulen Detektor

Hallo Pluspol (und natürlich alle anderen auch),

die Spinnenausführung vermeidet natürlich einige Probleme von vornherein. Noch besser kommt man dann nur noch mit einer freitragenden Korbspule weg (was bei HF-Litze allerdings nicht ganz so einfach zu machen ist). Der Einwand bezüglich der parallel laufenden Drähte ist berechtigt, allerdings waren meine großen Zylinderspulen im Vergleich zu den kleinen immer klar besser. Auf die Idee, das mal zu messen bin ich noch gar nicht gekommen.

Welcher LC-Meter-Bausatz ist es denn - ist es der AADE-Bausatz? Den habe ich mir vor gut einem Jahr zugelegt, bin immer noch von dem Teil begeistert.

Schöne Grüße
Brösel

08.08.10 21:49
technikfreund 

500 und mehr Punkte

08.08.10 21:49
technikfreund 

500 und mehr Punkte

Re: Schiebespulen Detektor

Guten Abend an Alle!

Die 2cm Durchmesserspule hatte ich noch
rumliegen, konnte sie aber nur teilweise
umwickeln, weil die Windungen zum Teil
festgeklebt waren.
Bis ich die HF-Litze habe, werde ich noch
ein bisschen mit den Zylinderspulen
rumexperimentieren.
Aus etwas Cu-Lackdraht, den ich heute
noch gefunden hatte, habe ich mir eine
Spule auf einem Spulenkörper mit 5,5cm
Durchmesser gebaut. Für 80Wdg. (Länge
ca. 3,5cm) hat es gereicht, so kommt die
Spule ein bisschen näher an einen quadratischen
Spulenaufbau heran.
Die Diode kann an eine Anzapfung nach 20 Wdg. angelegt werden.

Habe die Schaltung gerade mal ausprobiert und bekomme über den
größten Teil des Abstimmbereichs des Drehkondensators viele Sender rein, leider
zum Teil sehr dicht beieinander.
Werde noch mal ein bisschen mit der Spule experimentieren.

Grüße an alle, Technikfreund.

10.08.10 08:56
Pluspol 

500 und mehr Punkte

10.08.10 08:56
Pluspol 

500 und mehr Punkte

Re: Schiebespulen Detektor

Hallo Brösel und alle

Ich kann die Bezeichnung Deines LC-Meters, bzw. den dafür erwähnten Bausetz nicht genau zuordnen.
Mein anvisierter Bausatz befndet sich seit Tagen in der "Bucht". Ich wollte erst ein fertiges LC-Multimeter beim blauen "C" kaufen. Diese haben neben dem höheren Preis für mich einen etwas zu groben Messbereich der L-Werte unserer Anwendungen.
Ich brauche für mich keine Spulenmessungen mt mehreren Henry. Da ist der interessante Bereich hinter der Kommastelle von mH.
Sicher kann man so ein Gerät auch "umfrisieren", da es ansonsten noch positive Extras hat. Da baue ich mir das eigene "Schätzchen selbst zusammen und habe Anzeigebereiche in ganzzahligen Mikrohenry und Kapazitäten bis max. 10 Mikrofarad. Die größeren C`s kann ich mit der Entladezeit ausreichend "abschätzen. Sollte ich mal wieder Die Kaufwut bekommen, dann kann ich mir trotzdem noch das Fertiggerät holen. Für Spannungen, Ströme und Widerstände habe ich mehrere Messgeräte, mit Analog- und Digitalanzeige, teils mit >10MOhm Innenwiderstand.
Mit bekannter Kapazitäts-Variablität lassen sich damit gut die gewünschten Schwingkreise hintrimmen.
Die Korbspule ist für Empfänger, die nur von der Antennen-HF "leben", die beste Wahl.
Dafür braucht man aber die nötige Wickelvorrichtung ,oder man kauft sie von anderen relativ teuer ein.
Da steckt neben dem Material eine Menge Zeit und Arbeit drin.
So lässt sich neben der geeigneten Antenne mit der "Spinne", Luftdrehko und optimaler Diode ein guter Detektor bauen.
Dann noch viel Spass am Basteln und Experimentieren.

Freundliche Grüße von Dietmar

10.08.10 11:33
Broesel 

50-99 Punkte

10.08.10 11:33
Broesel 

50-99 Punkte

Re: Schiebespulen Detektor

Hallo Pluspol und alle,

da lag ich mit meiner Vermutung daneben. Das von mir gemeinte Gerät wird regulär als Bausatz vertrieben, auch in D. Man hat da sogar den Spaß, noch ein paar Sachen zusammenlöten zu können, allerdings ist's leider nicht umsonst. Die Internetsuche bringt bei Eingabe von 'AADE digitales LC Meter' Infos über das Teil.
So ein LC-Meter macht einige Sachen schon deutlich leichter, möchte es nicht mehr missen.

Schöne Grüße
Brösel

 1 2 3 4
 1 2 3 4
Wumpus-Gollum-Detektorseiten   Kapazitäts-Variablität   Drehkondensator   Induktivität   Verbesserungsvorschläge   technikfreund   Schiebespulen   Schiebespulenempfänger   Mittelwellenbereich   Drehkondensator-Detektor   Schiebespulendetektor   Detektor   Schaltung   Schiebespulen-Detektoren   Schiebespulendetektors   Oberwellen-Einstreuungen   Antenne   kondensator   Schiebespulen-Detektor   Durchmesser