| Passwort vergessen?
Sie sind nicht angemeldet. |  Anmelden

Sprache auswählen:

Wumpus Gollum Forum von
Wumpus Welt der (alten) Radios
Sie sind nicht angemeldet.
 Anmelden

Messung der Kurzwellenfrequenz mit dem Oszi
  •  
 1 2
 1 2
04.03.12 22:52
NorbertWerner 

500 und mehr Punkte

04.03.12 22:52
NorbertWerner 

500 und mehr Punkte

Re: Messung der Kurzwellenfrequenz mit dem Oszi

Hallo Manfred,

ich bin auch auf der Suche nach einem günstigen Frequenzzähler. Man muss abwarten können.
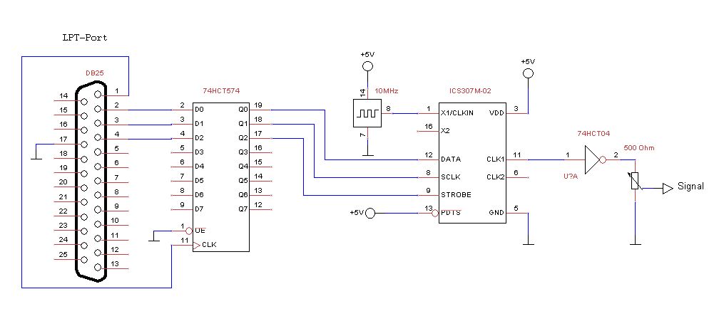
Was den Frequenzgenerator angeht, da habe ich ein interessantes IC (ICS307) gefunden. Man kann mit dem Baustein Frequenzen zwischen 6 und 200MHz generieren (mit einem nachgeschalteten 74HCT393 geht die Frequenz deutlich unter 6MHz). Allerdings gibt der Baustein nur Rechteck-Signale aus und man muss ihn über eine I²C ähnliche Schnittstelle programmieren.
Mein Rechner hat noch einen Printer-Port. Mit ihm kann man das Bauteil leicht programmieren. Ich habe mir hierfür mal eine (sehr provisorische) Routine in Delphi geschrieben.
Meine kleine Schaltung ist immer noch auf meinem Steckbord aufgebaut. Muss sie gelegentlich mal in ein Gehäuse stecken, denn bei den höheren Frequenzen machen sich diese Bords schon bemerkbar.



Gruss
Norbert

Datei-Anhänge
Frequenzgenerator.jpg Frequenzgenerator.jpg (298x)

Mime-Type: image/jpeg, 42 kB

!
!!! Fotos, Grafiken nur über die Upload-Option des Forums, KEINE FREMD-LINKS auf externe Fotos.    

!!! Keine Komplett-Schaltbilder, keine Fotos, keine Grafiken, auf denen Urheberrechte Anderer (auch WEB-Seiten oder Foren) liegen!
Solche Uploads werden wegen der Rechtslage kommentarlos gelöscht!

Keine Fotos, auf denen Personen erkennbar sind, ohne deren schriftliche Zustimmung.

Den Beitrag-Betreff bei Antworten auf Threads nicht verändern!
05.03.12 09:36
joeberesf 

500 und mehr Punkte

05.03.12 09:36
joeberesf 

500 und mehr Punkte

Re: Messung der Kurzwellenfrequenz mit dem Oszi

Hallo Manfred, hallo zusammen,

ich hatte mal in einem Beitrag Frequezmessungen bis in den KW- Bereich durchgeführt. Hierbei ging es um das
Thema preiswerte Oszilloskope. Die meisten Messungen sind mit einem Detektor aufgezeichnet worden.
Wie Klaus schon beschrieben hat, läßt sich die Frequenz schon so ungefähr über die Zeitablenkung, bestimmen.
Im oberen KW und bei UKW braucht man aber richtig gute Tastteiler und natürlich auch entsprechende gute
Oszilloskope. Die Eigenkapazität der Messmittel (pF) verstimmt bei hohen Frequenzen die Kreise. (Martins Hinweis)

Beim Messen von Oszillatoren, Pendelfrequenzen usw. kann die Belastung des Tastteilers dazu führen, dass das Schwingverhalten
komplett aussetzt.

Schau mal unter
http://www.wumpus-gollum-forum.de/forum/...op-24_13_1.html

Da sind ein paar Bilder zu sehen. Interessant ist es allemal sich damit zu beschäftigen.

Gruß

Joe

05.03.12 09:54
Klaus 

500 und mehr Punkte

05.03.12 09:54
Klaus 

500 und mehr Punkte

Re: Messung der Kurzwellenfrequenz mit dem Oszi

joeberesf:
Im oberen KW und bei UKW braucht man aber richtig gute Tastteiler und natürlich auch entsprechende gute
Oszilloskope. Die Eigenkapazität der Messmittel (pF) verstimmt bei hohen Frequenzen die Kreise. (Martins Hinweis)

Beim Messen von Oszillatoren, Pendelfrequenzen usw. kann die Belastung des Tastteilers dazu führen, dass das Schwingverhalten
komplett aussetzt.
Hallo Joe, alle,

mein Einwand zum Tastteiler sollte ausdrücken, dass durch seine Verwendung keine Umrechnung der Frequenz erforderlich ist; bei Amplituden ist der Teiler natürlich entsprechend zu berücksichtigen (1:1, 1:10, 1:100).
Dass durch eine zusätzliche Belastung Frequenzverstimmung oder gar Schwingungsabriss auftreten können, versteht sich von selbst.

Viele Grüße,
Klaus

Zuletzt bearbeitet am 05.03.12 10:00

05.03.12 12:24
joeberesf 

500 und mehr Punkte

05.03.12 12:24
joeberesf 

500 und mehr Punkte

Re: Messung der Kurzwellenfrequenz mit dem Oszi

Hallo Klaus,

Klaus:
Dass durch eine zusätzliche Belastung Frequenzverstimmung oder gar Schwingungsabriss auftreten können, versteht sich von selbst.

bei den Profis ist das eine klare Sache, aber einem Newcomer fehlt hier oftmals noch das Verständnis.
Aber wir wollen nicht streiten..., wichtig ist ja Dein Hinweis, dass die Frequenzbestimmung, mittels Oszi,
funktioniert. Viele der moderneren Digital- Skope haben direkt, in der Curserfunktion, eine Frequenzanzeige integriert.
Auch Steigung, Effektiv- und Scheitelwerte, werden bei Aktivierung der entsprechenden Funktionen, genau angezeigt.

Aber das ist natürlich wieder die leidige Preisfrage und braucht man das überhaupt für sein Hobby.

Gruß

Joe

05.03.12 12:46
Mikesch 

500 und mehr Punkte

05.03.12 12:46
Mikesch 

500 und mehr Punkte

Re: Messung der Kurzwellenfrequenz mit dem Oszi

Hallo zusammen

Also bis ich ein Frequenzmessgerät gesitze werde ich mit dem Oszi arbeiten, messen und rechnen und KW-hören, besonders zu vollen Stunden. Zusammen mit meiner Messerei und Rechnerei mit Oszi ist dies, eine zwar improvisierte aber doch leidlich mit Erfolgen gekrönte Methode. Das bischen Skala an meinem Radio dient zum allergröbsten Vergleich, wenn die Seilschaft nicht total verstellt ist.
Was man noch nicht hat, muss irgendwie anders ersetzt werden.
Vor einem halben Jahr hatte ich auch noch kein Induktivitätmessgerät, das Oszi und der Taschenrechner halfen mir über die Runden.
Später als ich ein Indukt. -Messer hatte, habe ich Vergleichsmessungen mit der Induktion von Spulen angestellt, die ich mit dem Oszi bestimmen konnte, siehe da, mit den Osziwerten lag ich meist nur 5-10% daneben. Oft auch richtig.
Heute habe ich in der Schubert-Literatur einen interessanten Beitrag über Griddip-Meter gefunden. Werde mir Zeit nehmen und diesen Beitrag auf Seite 252 mal durchlesen. In meiner Kiste schauen was vorhanden ist und zu Werke gehen. Wer kennt das Buch von Schubert. Ich habe es irgendwo in Netz gefunden und heruntergeladen. Mir scheint dieses Buch eine Quelle wahrer, grosser Bastlerfreuden zu sein.
Als noch unerfahrener Radio und Röhrenbastler nehme ich mir den Spruch : - Dumm darf man sein, man muss sich nur zu helfen wissen - zu Herzen. Und ich habe ja noch Euch im Forum, es gibt ja bekanntlich keine dummen Fragen.

Gruss Mikesch

Zuletzt bearbeitet am 05.03.12 12:49

 1 2
 1 2
Frequenzverstimmung   Messung   Kurzwellenempfänger   Kurzwellenfrequenzen   Schwingungsabriss   X-Ablenkkoeffizienten   Frequenzmessgerät   Schubert-Literatur   Bildschirmstrichraster   Kurzwellenfrequenz   wumpus-gollum-forum   Induktivitätmessgerät   Frequenz   Kurzwellenreferenzradio   Rückkopplungsempfängern   Digital-Multimeter   Frequenzbestimmung   Rückkopplungsfrequenz   Spektrumanalysatoren   Vergleichsmessungen