| Passwort vergessen?
Sie sind nicht angemeldet. |  Anmelden

Sprache auswählen:

Wumpus Gollum Forum von
Wumpus Welt der (alten) Radios
Sie sind nicht angemeldet.
 Anmelden

Kanadier braucht Hilfe für Philips PM 3230
  •  
 1 2
 1 2
07.10.23 09:12
Donny 

0-49 Punkte

07.10.23 09:12
Donny 

0-49 Punkte

Kanadier braucht Hilfe für Philips PM 3230

Hallo

Mein Name ist Donny, bitte entschuldigen Sie mein schreckliches Deutsch von Google Translate. Ich brauche Hilfe aus dem großen weißen Norden.

Ich lerne Elektronik und habe mein erstes Oszilloskop erworben, ein Philips PM 3230 10 MHz. Es wurde schlecht behandelt und ist schmutzig und kaputt. Ich versuche, das Problem zu beheben, aber ich bin sehr neu in der Elektronikbranche und ein bisschen eine „dunkle Glühbirne“. Dieses Forum ist der einzige Ort, an dem ich Informationen über diese Philips-Oszilloskope dieser Ära finden kann. Ich hoffe, dass ich es mit Ihrer freundlichen Hilfe wieder schön machen kann. Zumindest hat es die originale Messsonde!

Bisher habe ich drei Probleme:

1. Es ist sehr schmutzig und dreckig. Ich habe etwas davon mit warmem Wasser und Seife entfernt, möchte aber die Markierungen auf der Frontplatte nicht beschädigen.

2. Der gesamte Kunststoff bröckelt oder ist verschwunden. Ich hatte kein Glück, Original-Ersatzknöpfe zu finden, und weiß nicht, welche Nachrüstknöpfe passen würden.

3. Eine Spur ist klar, aber die andere ist verschwommen, egal was ich einstelle. Ich gehe davon aus, dass es sich um einen defekten Kondensator oder eine defekte Vakuumröhre handelt, da alle Komponenten original aussehen.

Ich habe im Moment keine guten Bilder davon. Wenn ich nach Hause komme, nehme ich etwas mit. Schauen Sie sich zunächst die Bilder von dem an, das „Debo“ besitzt. Ich habe dieses Forum über Google-Bilder seiner Beiträge gefunden

Nun, das ist alles. Ich hoffe, ich halte mich an die Regeln und werde nicht gebannt

Edited 07.10.23 09:54

Noch gefällt der Beitrag keinem Nutzer.
!
!!! Fotos, Grafiken nur über die Upload-Option des Forums, KEINE FREMD-LINKS auf externe Fotos.    

!!! Keine Komplett-Schaltbilder, keine Fotos, keine Grafiken, auf denen Urheberrechte Anderer (auch WEB-Seiten oder Foren) liegen!
Solche Uploads werden wegen der Rechtslage kommentarlos gelöscht!

Keine Fotos, auf denen Personen erkennbar sind, ohne deren schriftliche Zustimmung.

Den Beitrag-Betreff bei Antworten auf Threads nicht verändern!
07.10.23 12:36
Martin.M 

500 und mehr Punkte

07.10.23 12:36
Martin.M 

500 und mehr Punkte

Re: Kanadier braucht Hilfe für Philips PM 3230

hello Donny,

here you find the manual. https://elektrotanya.com/philips_pm3230_...f/download.html
take a look, click on the correct download, not on the advertisement there.

we look forward to the pictures

greetings
Martin

07.10.23 18:16
Debo 

500 und mehr Punkte

07.10.23 18:16
Debo 

500 und mehr Punkte

Re: Kanadier braucht Hilfe für Philips PM 3230

Hi Donny,

welcome to the forum. What do you mean by plastics lost or breaking down? Some knobs are missing? Knobs are normally very durable.
Problems with broken plastic only with the clips for the printed circuit boards (PCB) inside the scope.
And yes, please send us pics from the scope. Which buttoms do you need?

Regards,

Debo

10.10.23 05:39
Donny 

0-49 Punkte

10.10.23 05:39
Donny 

0-49 Punkte

Re: Kanadier braucht Hilfe für Philips PM 3230

Hello Martin and Debo

Thank you for the manual! This will help me very much.

The plastic cracking is not as bad as I remembered. But still, some front knobs are unusable and I fear more will break. Here is the front that I tried to clean.


Here is a closer shot of the broken knobs and the grime.


The plastic basket for the power cord. I don't have the pieces that cracked off


The best my mobile phone could do to capture the traces. The bottom trace is very crisp and bright. The upper trace will not focus. I haven't tried adjusting any of the potentiometers on the right side above the transformer.


Left side circuitry.


Close up of left side. Is this white residue bad?


Left side tubes glowing.


Right side circuitry.


Right side neons and tubes glowing.

Datei-Anhänge
Screenshot_20231009-195333_Gallery.jpg Screenshot_20231009-195333_Gallery.jpg (198x)

Mime-Type: image/jpeg, 858 kB

Screenshot_20231009-195534_Gallery.jpg Screenshot_20231009-195534_Gallery.jpg (177x)

Mime-Type: image/jpeg, 807 kB

Screenshot_20231009-195448_Gallery.jpg Screenshot_20231009-195448_Gallery.jpg (193x)

Mime-Type: image/jpeg, 671 kB

Screenshot_20231009-195804_Gallery.jpg Screenshot_20231009-195804_Gallery.jpg (220x)

Mime-Type: image/jpeg, 634 kB

Screenshot_20231009-195751_Gallery.jpg Screenshot_20231009-195751_Gallery.jpg (190x)

Mime-Type: image/jpeg, 496 kB

Screenshot_20231009-195612_Gallery.jpg Screenshot_20231009-195612_Gallery.jpg (183x)

Mime-Type: image/jpeg, 796 kB

Screenshot_20231009-195642_Gallery.jpg Screenshot_20231009-195642_Gallery.jpg (191x)

Mime-Type: image/jpeg, 696 kB

Screenshot_20231009-195735_Gallery.jpg Screenshot_20231009-195735_Gallery.jpg (184x)

Mime-Type: image/jpeg, 396 kB

Screenshot_20231009-195658_Gallery.jpg Screenshot_20231009-195658_Gallery.jpg (185x)

Mime-Type: image/jpeg, 700 kB

10.10.23 23:35
Debo 

500 und mehr Punkte

10.10.23 23:35
Debo 

500 und mehr Punkte

Re: Kanadier braucht Hilfe für Philips PM 3230

Hi Donny,

i found some knobs in my stock. But i have no plastic peel for the powercord.



Would you like to have these buttons? For shipping details, please send me a message here on my email account.

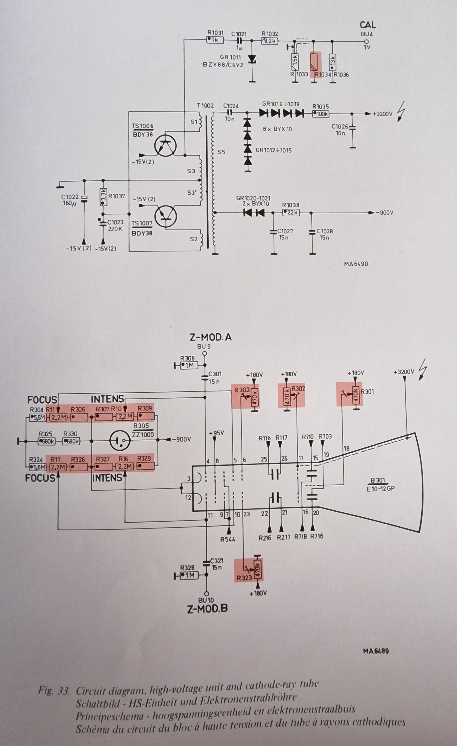
For the other problems, please check in the shematic.





Best regards,

Debo

Zuletzt bearbeitet am 10.10.23 23:46

Datei-Anhänge
Collection of knobs.jpg Collection of knobs.jpg (196x)

Mime-Type: image/jpeg, 281 kB

CRT and high-voltage.jpg CRT and high-voltage.jpg (186x)

Mime-Type: image/jpeg, 478 kB

powersupply.jpg powersupply.jpg (191x)

Mime-Type: image/jpeg, 506 kB

15.10.23 09:23
Donny 

0-49 Punkte

15.10.23 09:23
Donny 

0-49 Punkte

Re: Kanadier braucht Hilfe für Philips PM 3230

Debo:
Hi Donny,

i found some knobs in my stock. But i have no plastic peel for the powercord.

Would you like to have these buttons? For shipping details, please send me a message here on my email account.

For the other problems, please check in the shematic.

Best regards,

Debo

Hi Debo,

You're so generous, thank you! I sent you an e-mail.

I will check the components you highlighted when I can. I'm taking night classes right now, so not much time But I already see a resistor that is burned, inbetween the large blue capacitors and the fuse.

Donny

Edited 15.10.23 09:27

15.10.23 12:30
Debo 

500 und mehr Punkte

15.10.23 12:30
Debo 

500 und mehr Punkte

Re: Kanadier braucht Hilfe für Philips PM 3230

Hi Donny,

i have not highlighted some parts in the shematic. This is already at factory print.

30.11.23 20:51
Debo 

500 und mehr Punkte

30.11.23 20:51
Debo 

500 und mehr Punkte

Re: Kanadier braucht Hilfe für Philips PM 3230

Hi Donny again,

the parts are now on the way! I don't know whether by airplane or even by ship. Yes by ship oh wonder, because there is a transport bottleneck with airplanes in your system at the moment.

Best regards from germany to british-columbia/CA!

Debo

Zuletzt bearbeitet am 30.11.23 20:52

15.12.23 06:58
Donny 

0-49 Punkte

15.12.23 06:58
Donny 

0-49 Punkte

Re: Kanadier braucht Hilfe für Philips PM 3230

Debo:
Hi Donny again,

the parts are now on the way! I don't know whether by airplane or even by ship. Yes by ship oh wonder, because there is a transport bottleneck with airplanes in your system at the moment.

Best regards from germany to british-columbia/CA!

Debo

Hi Debo, I got the knobs! They are in amazing condition, are they new? Thank you so much!

As soon as I get time I will install them and give the whole scope a good cleaning. And maybe if I scratch my head hard enough I will figure out which components to replace, haha When its done I will post pictures, of course!

15.12.23 11:34
Debo 

500 und mehr Punkte

15.12.23 11:34
Debo 

500 und mehr Punkte

Re: Kanadier braucht Hilfe für Philips PM 3230

Hi Donny,

i am very pleased! The PM3230 and 3231 (3231 no longer tubes, only picture tube ) models were very common. Often used in radio and television workshops.
Attached is another picture: It shows a PM3231 with his big brother PM3330.
You can see that the big one is very similar to Tektronix. Type 535 or 545.
Sure, TEK was the state-of-the-art in the 1960s, but too expensive for small repair shops.
Also the small TEK oscilloscopes. For example Type 453 or 310.
So people liked to buy from the active Dutch company. Philips has a long experience in scopes since 1940. But after TEK started with the legendary 7000 series in 1969, it was over with big laboratory scopes on trolleys.
Philips only built portable scopes. But also high up to 400MHz. (PM 3295) Philips later went to Fluke in the 1990s.

best regards,
Debo



Zuletzt bearbeitet am 15.12.23 11:46

Datei-Anhänge
PM3330 im Vergleich mit kleinem Bruder PM 3231.jpg PM3330 im Vergleich mit kleinem Bruder PM 3231.jpg (170x)

Mime-Type: image/jpeg, 499 kB

 1 2
 1 2
Original-Ersatzknöpfe   Philips   state-of-the-art   Regards   advertisement   Nachrüstknöpfe   Informationen   Glühbirne“   braucht   oscilloscopes   bearbeitet   potentiometers   electrolytics   Philips-Oszilloskope   Elektronikbranche   Google-Bilder   Kanadier   british-columbia   schreckliches   entschuldigen