| Passwort vergessen?
Sie sind nicht angemeldet. |  Anmelden

Sprache auswählen:

Wumpus Gollum Forum von
Wumpus Welt der (alten) Radios
Sie sind nicht angemeldet.
 Anmelden

Ich könnte einen Tip zu Heizdrosseln gebrauchen.
  •  
 1 2
 1 2
28.03.20 12:21
APo66 

500 und mehr Punkte

28.03.20 12:21
APo66 

500 und mehr Punkte

Ich könnte einen Tip zu Heizdrosseln gebrauchen.

Hallo zusammen.
Neulich bekam ich ein altes Röhrenradio geschenkt. Ein Braun TS31. Es sieht noch ganz gut aus, und nach einigen wenigen Handgriffen am Netzteil, und dem Netzschalter im Tastenblock, funktioniert das Teil sogar wieder.
Die kritischen Kondensatoren möchte ich nach der Krise noch austauschen.
Des Abends hatte ich das Radio an, und lauschte der Musik, als das Radio plötzlich aus ging und etwas roch.
Tags darauf habe ich mir alles einmal genau angesehen. Das Radio lief wieder.
Das Radio nahm mit Heizung und HV ca. 350 mA auf, was ja der angegebenen Leistung von ca. 80 Watt entspricht.
Was mich etwas wunderte war die Hitze so eines Radios.
Nach durchsicht eines Schaltplanes ( Braun_RC82.pdf ), so nennt sich das verbaute Chassis, fand ich 2 Heizdrosseln als Übeltäter.
Diese Drosseln haben duch Hitze Schaden genommen, und vermutlich einen Schluss zu Chassis geschaltet.
Und nun wären wir bei meiner Frage.
Was Genau machen diese Teile? Ich fand im Netz nicht wirklich etwas informatives darüber.
Und was noch interessanter wäre, was wäre ein brauchbarer Ersatz? Welche Werte muß das Teil haben?
Auf dem Bauteil ist leider nichts mehr zu erkennen.
Ich habe mal 3 Bilder, von dem Bauteil angehangen.

Gruß
Andreas

Die Realität, entspricht nicht meinem Naturell.

Zuletzt bearbeitet am 28.03.20 12:49

Datei-Anhänge
IMG_1.JPG IMG_1.JPG (473x)

Mime-Type: image/jpeg, 512 kB

IMG_2.JPG IMG_2.JPG (400x)

Mime-Type: image/jpeg, 431 kB

IMG_3.JPG IMG_3.JPG (402x)

Mime-Type: image/jpeg, 414 kB

Noch gefällt der Beitrag keinem Nutzer.
!
!!! Fotos, Grafiken nur über die Upload-Option des Forums, KEINE FREMD-LINKS auf externe Fotos.    

!!! Keine Komplett-Schaltbilder, keine Fotos, keine Grafiken, auf denen Urheberrechte Anderer (auch WEB-Seiten oder Foren) liegen!
Solche Uploads werden wegen der Rechtslage kommentarlos gelöscht!

Keine Fotos, auf denen Personen erkennbar sind, ohne deren schriftliche Zustimmung.

Den Beitrag-Betreff bei Antworten auf Threads nicht verändern!
28.03.20 13:33
Roehren-Lutz 

100-249 Punkte

28.03.20 13:33
Roehren-Lutz 

100-249 Punkte

Re: Ich könnte einen Tip zu Heizdrosseln gebrauchen.

Hallo Andreas,

meine unmaßgebliche Meinung ist, dass die Induktionswerte recht unkritisch sind. Da steht die Belastbarkeit eher in den Vordergrund.
So, wie die Spulen aussehen, müsste das Radio ja aber irgendwo einen dicken Schluß haben. Anhand der verbauten Röhren kann ja ja die ungefähre Stromaufnahme im Heizkreis berechnen und dann mal ausmessen, was der tatsächliche Wert ist.

Ich wünsche Dir viel Erfolg!

Viele Grüße
Lutz

28.03.20 15:00
Reflex-Kalle 

500 und mehr Punkte

28.03.20 15:00
Reflex-Kalle 

500 und mehr Punkte

Re: Ich könnte einen Tip zu Heizdrosseln gebrauchen.

Hallo Andreas,

es sind wohl die Drosseln D3 und D4 im Schaltplan gemeint? Drosseln im Heizkreis dienen der Abblockung von HF-Spannungen. D3 muss wenigstens den Heizstrom von der ECH81 und der ECC85 (im Tuner) vertragen können, sowie D4 nur den Heizstrom der EF89. Dass die so heiß geworden sind, deutet auf einen Masseschluss hinter den Drosseln in Richtung zu den Röhren hin. Muss aber nicht sein und bei dem Gerät ganz normal sein, dass die heiß werden (kenne das Chassis nicht).

Gruß

(Reflex-)Kalle

28.03.20 15:24
APo66 

500 und mehr Punkte

28.03.20 15:24
APo66 

500 und mehr Punkte

Re: Ich könnte einen Tip zu Heizdrosseln gebrauchen.

Hallo Ihr,
und danke für die Tips.

Ja genau, die beiden meine ich, sind das.
HF aus dem Heizkreis halten. Klar, jetzt wo du es sagst, was sollen die sonst tun.
Und ja, da wird es auf nen kleinen Teil eines Henrys nicht ankommen.
Ich glaube ich besorg mir Montag einen Draht in der Stärke, und wickel mir die Teile so in der Art nach.
Und die Röhren werde ich mir auch noch mal etwas genauer ansehen.
Na dann hab ich doch schon mal eine Plan.
Mir ist das Radio jetzt schon ans Herz gewachsen. Und ich mag das Design.
Es ist BJ 61. Aber es sieht nicht unbedingt so aus wie früher das Radio vom Opa.
Mit dem Teil schone Musik hören, und die Gedanken abschweifen lassen, das ist schon was schönes.

Gruß
Andreas


Die Realität, entspricht nicht meinem Naturell.

28.03.20 17:06
WalterBar 

500 und mehr Punkte

28.03.20 17:06
WalterBar 

500 und mehr Punkte

Re: Ich könnte einen Tip zu Heizdrosseln gebrauchen.

Hallo zusammen,

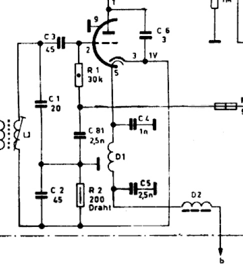
Ich würde dringend raten, C4 und C5 zu prüfen und zu tauschen. C71 liegt parallel zur Heizwicklung des Transformators.
Einen Grund für eine Erwärmung von D4 sehe ich nicht.

.




Gruss
Walter

Zuletzt bearbeitet am 28.03.20 17:17

Datei-Anhänge
Braun_D1_D2.jpg Braun_D1_D2.jpg (374x)

Mime-Type: image/jpeg, 52 kB

Braun_D3_D4.jpg Braun_D3_D4.jpg (385x)

Mime-Type: image/jpeg, 77 kB

28.03.20 17:14
Reflex-Kalle 

500 und mehr Punkte

28.03.20 17:14
Reflex-Kalle 

500 und mehr Punkte

Re: Ich könnte einen Tip zu Heizdrosseln gebrauchen.

Ja, könnte ein Grund für eine überlastete Drossel D3 sein, aber nicht für D4.

Gruß

(Reflex-)Kalle

28.03.20 17:54
APo66 

500 und mehr Punkte

28.03.20 17:54
APo66 

500 und mehr Punkte

Re: Ich könnte einen Tip zu Heizdrosseln gebrauchen.

Hallo Walter
Danke für den Tip, genau das werde ich auch tun.
Ehrlich gesagt bin ich nicht so wirklich bewandert in der Röhrentechnik. Aber so langasm verstehe ich den Aufbau.
Von Pin 5 der ECH81 geht es ja direkt zu den von Dir genannten Kondensatoren der ECC85. Dem UKW Teil.
Nur die ist hier auf dem Chassis mit nem Schirmblech perfekt versteckt. Die hatte ich bei meiner ersten Inspektion nicht auf dem Schirm.
Irgendwie hatte der UKW Teil hier, auch so ein seltsames " Schwingverhalten ".

Ich muß mal sehen was ich noch so an Kondensatoren hier habe.
Aber die haben hier doch wirklich beide Elektronikläden Dicht gemacht.
Na egal, dann kommt das Radio erst einmal auf Halde, bevor ich mir noch mehr kaputt mache.

Gruß
Andreas


Die Realität, entspricht nicht meinem Naturell.

Datei-Anhänge
IMG_5.JPG IMG_5.JPG (394x)

Mime-Type: image/jpeg, 562 kB

IMG_6.JPG IMG_6.JPG (393x)

Mime-Type: image/jpeg, 627 kB

29.03.20 11:55
HB9 

500 und mehr Punkte

29.03.20 11:55
HB9 

500 und mehr Punkte

Re: Ich könnte einen Tip zu Heizdrosseln gebrauchen.

Hallo Andreas,

so wie ich dein Foto interpretiere, gibt es einen kleinen Widerspruch zum Schaltplanauszug. Nach Foto würde ich sagen, dass die Heizspannung vom Trafo zur ersten Drossel geht und von dort zur zweiten, während gemäss Schaltplanauszug die Drosseln nicht in Serie geschaltet sind. Bei Serieschaltung (so wie ich das Foto interpretiere), reicht ein Kurzschluss am Ende, damit beide Drosseln überhitzen. Das kann z.B. ein Kurzschluss in der Röhre sein oder auch eine verbogene Lötfahne am Röhrensockel, die dann bei Bewegung der Röhre einen Kurzschluss verursachen kann. Die Heizleistung vom Trafo reicht dann locker, um den doch recht dünnen Schaltdraht zum Glühen zu bringen. Somit solltest du diesen Pfad genau auf mögliche Kurzschlüsse prüfen. Die Kondensatoren dürften eher nicht die Ursache sein, denn hier müssen mehrere Ampère geflossen sein, und das passiert bei den üblichen Kondensatorfehlern nicht, zumal die Spannung mit 6.3V sehr tief ist. Ansonsten ein schünes Radio, und mit Gegentaktendstufe und zwei ZF-Stufen auch elektrisch ein edles Stück.

Um Folgeschäden zu vermeiden, solltest du unbedingt die Koppelkondensatoren an die Gitter der beiden Endröhren ersetzen, sofern es sich um Papierkondensatoren oder die 'Wima-Bonbons' handelt, denn wenn diese Leckstrom haben, wird über kurz oder lang der Ausgangstrafo oder der Netztrafo wegen Überlastung zerstört, auch die Röhren und der Gleichrichter mögen das gar nicht gerne. Eventuell hast du auch Glück: falls die ockerfarbenen Philips-Folienkondensatoren verbaut sind, musst du da nichts tun, die sind auch heute noch neuwertig.

Gruss HB9

29.03.20 13:38
APo66 

500 und mehr Punkte

29.03.20 13:38
APo66 

500 und mehr Punkte

Re: Ich könnte einen Tip zu Heizdrosseln gebrauchen.

Hallo HB9
Danke für die Info.
Sag mal beherrscht Du Gedankenübertragung? Genau davon wollte ich gerade berichten.
Ich konnte heute morgen wieder nicht von dem Radio lassen.
Also
C4 und C5 sind heile. Die Drosseln D1 und D2 sehen aus wie aus der Fabrik.
Alle anderen Koppelkondensatoren, sind diese älteren Röhren Kondensatoren ( Keramik? ). Ja stimmt nicht ganz, ich habe gerade 3 Papierkondensatoren an den Röhren entdeckt. Sehen noch gut aus, aber ich werde die ersetzen.
Das mit den Spulen D3 und D4 ist mir auch aufgefallen. Laut Plan parallel, aber die sind hintereinander geschaltet.
Meine Frage war nun oder ist, ist das ein Fehler im Gerät? Von der Funktion sollte es ja keinen Unterschied machen.
War es früher bei solchen Geräten üblich, das man da auch mal 5 gerade sei lassen hat, und es jeder Löter anders baute?

Was aber noch viel interessanter ist ist die Tatsache, das die beiden Skalenbirnenn laut Plan, gleich hinter dem Trafo mit 6 Volt versorgt werden sollen. Werden sie aber definitiv nicht.
Die sind elektrisch gesehen an dem Punkt b abgegriffen, wo es in den UKW Teil geht.
Ja und leider sind bei dem Radio die Halter für die Skalenlampen kaputt.
Ich vermute da hat es bei der einen einen Kurzen gegeben.
Ich werd die erst einmal mit Kabelbindern fixieren.

Übrigens weis ich nun auch das in diesem Plan, F nichts mit einer Sicherung zu tun hat, sondern eine Ferrit Perle ist.

Und Jungs, Danke noch mal für Eure Tips, die haben mich echt weiter gebracht.

Gruß
Andreas






Die Realität, entspricht nicht meinem Naturell.

Zuletzt bearbeitet am 29.03.20 13:40

Datei-Anhänge
Skalenlicht kl.JPG Skalenlicht kl.JPG (396x)

Mime-Type: image/jpeg, 434 kB

29.03.20 13:40
APo66 

500 und mehr Punkte

29.03.20 13:40
APo66 

500 und mehr Punkte

Re: Ich könnte einen Tip zu Heizdrosseln gebrauchen.

Ach ist es nicht ein schönes Teil?
Das ist zwar kein so schönes Foto, aber es zeigt den Zustand des Radios ganz gut.

Andreas

Die Realität, entspricht nicht meinem Naturell.

Datei-Anhänge
Braun TS31 kl.JPG Braun TS31 kl.JPG (415x)

Mime-Type: image/jpeg, 828 kB

 1 2
 1 2
Kondensatorfehlern   Gedankenübertragung   Philips-Folienkondensatoren   Heizdrosseln   Schaltplanauszug   könnte   Induktionswerte   Kondensatoren   Koppelkondensatoren   Andreas   Gegentaktendstufe   Rollkondensatoren   Schwingverhalten   Papierkondensatoren   entspricht   gebrauchen   durchschnittlich   Rohrkondensatoren   Elektronikläden   frequenzbestimmenden