| Passwort vergessen?
Sie sind nicht angemeldet. |  Anmelden

Sprache auswählen:

Wumpus Gollum Forum von
Wumpus Welt der (alten) Radios
Sie sind nicht angemeldet.
 Anmelden

Siemens Großsuper 586W AM/FM tot
  •  
 1
 1
18.12.19 22:47
willi199 

100-249 Punkte

18.12.19 22:47
willi199 

100-249 Punkte

Siemens Großsuper 586W AM/FM tot

Hallo Leute,

Bräuchte mal etwas Unterstützung bei der Fehlersuche da ich mich im HF Bereich nicht auskenne.
Also wie ging es los, ich habe das Radio bekommen und es hat auf UKW gespielt.

Nach einiger Zeit krachte es und es war still. Nachdem ich beruflich Stapler repariere, bin ich ja grundsätzlich nicht ängstlich im Umgang mit Messgeräten.
Habe mir als den Schaltplan besorgt und siehe da das Netzteil läuft nicht richtig hoch.
Also C52 und C53 getauscht und Spannung war wieder da.
Danach Röhren eingesetzt, jawohl das lief, aaaber das Poti kratzt und hat über ein drittel des Stellbereiches nahezu keine Lautstärkeänderung.
Also Poti mit Kontakt 60/WL behandelt. Es wollte aber nicht besser werden.
Habe dann noch den Kontaktsatz gereinigt, aber das hat alles nicht geholfen, ich dachte mir ich habe zu viel Kontaktspray eingesetzt und habe alles deshalb noch ausgeblasen im Bereich Poti und Kontaktsatz.

Danach war Empfangstechnisch Funkstille also dachte ich so jetzt ist das Poti hinüber...
Aber siehe da mit einer Audioquelle an TA ließ sich die Lautstärke problemlos regeln sogar nahezu kratzfrei.

So jetzt habe ich die Spannungen mal gemessen, jene die am Schaltplan angegeben sind werden mit geringen Abweichungen erreicht.

Kann es sein dass eine defekte Röhre schuld an dem Dilemma ist, auf keiner Welle kommt etwas und bei MW/KW/LW kommt lediglich ein Knacken jeweils in der Mitte der Skalenstrecke, kann man hier auf etwas schliessen, oder muss ich auch noch die Ströme alle messen.

Leider habe ich nicht die Ersatzröhren herumliegen, sonst hätte ich das mal probiert.

Ich hoffe jetzt steht jemand auf und sagt ganz klar... das hatte ich auch schon...…

die Hoffnung stirbt zuletzt :-)

Jegliche Unterstützung wird dankend angenommen.

lg
roman

Zuletzt bearbeitet am 18.12.19 22:52

Noch gefällt der Beitrag keinem Nutzer.
!
!!! Fotos, Grafiken nur über die Upload-Option des Forums, KEINE FREMD-LINKS auf externe Fotos.    

!!! Keine Komplett-Schaltbilder, keine Fotos, keine Grafiken, auf denen Urheberrechte Anderer (auch WEB-Seiten oder Foren) liegen!
Solche Uploads werden wegen der Rechtslage kommentarlos gelöscht!

Keine Fotos, auf denen Personen erkennbar sind, ohne deren schriftliche Zustimmung.

Den Beitrag-Betreff bei Antworten auf Threads nicht verändern!
19.12.19 09:56
ELEK 

250-499 Punkte

19.12.19 09:56
ELEK 

250-499 Punkte

Re: Siemens Großsuper 586W AM/FM tot

Hallo,

wenn bei einem Radio kein AM-Empfang kommt, gibts natürlich sehr viele Fehlermöglichkeiten, 2 grobe Prüfungen kann man zur Eingrenzung machen, wobei erfahrungsgemäß die Tasten...Wellenumschaltkontakte sehr oft die Ursache für Fehlfunktionen sind, das kann auch nach Reinigung...Kontakstspray noch bestehen.

Sehr wichtig ist die Prüfung auf --> Problemkondensatoren, die können gleich oder nach kurzer Zeit Schwierigkeiten machen, die NF-Endröhre kann zu hochen Strom ziehen oder auch andere Stufen können außer Funktion geraten! Manchmal muß man erstmal einige dieser alten Kondensatoren ersetzen, bevor man an weitere Fehlersuche gehen kann.

Also 2 Hauptprüfungen im Empfangsteil:

- Prüfen ob der ZF-Verstärker funktioniert, also die ZF verstärkt --> Einspeisen der ZF (Generator oder Prüfgerät, z.B. Rechteckgenerator mit 2 Transistoren) in die erste Stufe, dann vortasten, Arbeitspunkte der ZF-Röhren durch Messen der Katodenspannungen prüfen, Anoden und Schirmgitterspannungen müssen da sein (siehe Plan), hast Du ja schon geprüft

- Prüfen ob der AM-Oszillator schwingt, am besten mit MW anfangen, da kann man mit hochohmigem Oszi die Schwingungen nachweisen, möglichst lose ankoppeln, eventuell mit kleiner Koppelspule mit einigen 10 Windungen

Sind beide Voraussetzungen erfüllt, sollte Empfang möglich sein, wenn FM geht (aktuell ?) dürften die ZF-Röhren erstmal o.k. sein, dann würde ich erstmal den AM-Oszillator prüfen (Triode der ECH81).

Wenn FM nicht geht, kann im ZF-Verstärker ein Defekt vorliegen oder durch die bisherigen Aktionen eingetreten sein oder der Umschaltkontakt zwischen AM und FM vorn am ZF-Verstärker hat keinen Kontakt (zB) ! Zuviel Kontaktspray kann auch Funktionen lahmlegen, das geht dann wieder nach Ausblasen...Trocknen (Vorsicht, Brandgefahr mit KONTAKT60, mir ist ein gerät in Brand geraten durch Kontaktfunken..), es ist wie gesagt nicht sicher, daß der Tastensatz danach wieder tut.

Gruß Ingo

19.12.19 16:22
willi199 

100-249 Punkte

19.12.19 16:22
willi199 

100-249 Punkte

Re: Siemens Großsuper 586W AM/FM tot

Hi Ingo,

Vielen Dank für die Rasche Antwort.
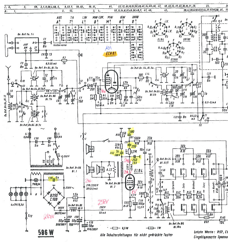
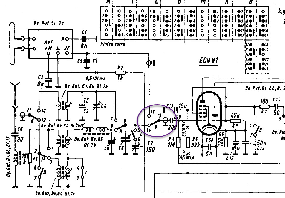
UKW geht tatsächlich auch nicht mehr. Bei den besagten Kontakt meinst Du den im Schaltplan eingekreisten?

Folgende Spannungen habe ich gemessen=>siehe Schaltplan Anhang

Zuletzt bearbeitet am 19.12.19 16:32

Datei-Anhänge
radio.jpg radio.jpg (413x)

Mime-Type: image/jpeg, 173 kB

radio2.jpg radio2.jpg (437x)

Mime-Type: image/jpeg, 207 kB

19.12.19 16:31
ELEK 

250-499 Punkte

19.12.19 16:31
ELEK 

250-499 Punkte

Re: Siemens Großsuper 586W AM/FM tot

...ja genau, aber das ist nur eine Möglichkeit. Viel Erfolg, ich verfolge den Fortgang interessiert ^^

Gruß Ingo

30.12.19 16:22
willi199 

100-249 Punkte

30.12.19 16:22
willi199 

100-249 Punkte

Re: Siemens Großsuper 586W AM/FM tot

Hallo,

Danke für die Infos.
Bei der Signalverfolgung habe ich bemerkt, daß C8 und C2 sehr niederohmig sind (1,3 und 0,6 Ohm) C1 jedoch im Mohm Bereich wie erwartet.

Kann es sein das man hier irgendwo drüber mißt (ECC85 ist Abgesteckt, Gerät abgeschalten), die Kondensatoren sehen eigentlich gut aus?

Auf AHF habe ich zuvor 234V gemessen bei ZF nichts.

lg
Roman

30.12.19 17:01
ELEK 

250-499 Punkte

30.12.19 17:01
ELEK 

250-499 Punkte

Re: Siemens Großsuper 586W AM/FM tot

Hallo,

wurden die Kondensatoren mit einseitig abgelötetem Anschluß geprüft ? Das wär sehr wichtig, da sie in der Schaltung mit Spulen überbrückt sind. Ist zwar trivial, wollte es trotzdem gefragt haben !

Ohm-Widerstände bedeutet rel. "Harter" Kurzschluß, also eindeutig fehlerhafter Kondensator ! Aber nur, wenn der ausgelötet wurde zum Prüfen !! Aber auch gemessene (Parallel-)Widerstände (Isolationswiderstand) im MOhm-bereich sind u.U. zu wenig, auch 500MOhm können zu wenig sein (nicht immer) !! Kondensatoren an Steuergittern mit Anodenspannung auf der anderen Seite müssen mehr als 10 GOhm haben, da sonst die Gleichspannung hochohmig aufs Gitter gekoppelt wird (je nach ev. parallel vorhandenem Gitterwiderstand)... ist ein kompliziertes Thema. Im Zweifelsfall die Problem-Kondensatoren im Bereich 1nF....820nF immer gegen hochwertige Neuware austauschen.

Aber auch Keramikkondensatoren im pF-Bereich können, wenn auch selten, fehlerhaft sein, bei parallelen Spulen in UKW-Tunern ist das eine Fummelei, deshalb sorgfältig auch auf richtige Kapazität prüfen, ich hatte letztens einen Totalausfall eines UKW-Tuners, weil die Anschwinghilfe der Mischstufe (Parallelkreis in Kathodenzuführung) einen Kerko mit 20 statt 27 pF hatte, zugegeben, ist selten sowas.
(LOEWE OPTA MAGNET mit ECC85 im Tuner).

Gruß Ingo

 1
 1
Keramikkondensatoren   Isolationswiderstand   Ohm-Widerstände   Wellenumschaltkontakte   erfahrungsgemäß   Rechteckgenerator   Problemkondensatoren   Kondensatoren   Fehlermöglichkeiten   Empfangstechnisch   Katodenspannungen   Signalverfolgung   ZF-Verstärker   Kathodenzuführung   Voraussetzungen   Gitterwiderstand   Problem-Kondensatoren   Schirmgitterspannungen   Lautstärkeänderung   Unterstützung