| Passwort vergessen?
Sie sind nicht angemeldet. |  Anmelden

Sprache auswählen:

Wumpus Gollum Forum von
Wumpus Welt der (alten) Radios
Sie sind nicht angemeldet.
 Anmelden

Thermodiode
  •  
 1 2 3
 1 2 3
19.01.12 22:39
Wolfgang2 

500 und mehr Punkte

19.01.12 22:39
Wolfgang2 

500 und mehr Punkte

Thermodiode

Hallo zusammen

Ich brauch eure Hilfe um einen Grundig SV85 wieder an's laufen zu bringen. Da ist die Diode hin die auf dem Bild zu sehen ist. Das ist ein Thermoschutz für dei Endstufen. Zur zeit läuft er im Testbetrieb ohne diese Diode. Leider kann ich diese nirgends finden und weiß auch nicht welche Arbeitstemperatur sie hat um sie gegen etwas vergleichbares auszutauschen. Nun lebe ich mit der Hoffnung das einer von euch noch einen alten Katalog oder ähnliches hat in der die Werte verzeichnet sind. Die Bezeichnung auf der Diode ist NT9791

Wolfgang

Zuletzt bearbeitet am 19.01.12 22:41

Datei-Anhänge
DSCI1246.jpg DSCI1246.jpg (359x)

Mime-Type: image/jpeg, 200 kB

DSCI1248.jpg DSCI1248.jpg (376x)

Mime-Type: image/jpeg, 197 kB

DSCI1249.jpg DSCI1249.jpg (381x)

Mime-Type: image/jpeg, 195 kB

Noch gefällt der Beitrag keinem Nutzer.
!
!!! Fotos, Grafiken nur über die Upload-Option des Forums, KEINE FREMD-LINKS auf externe Fotos.    

!!! Keine Komplett-Schaltbilder, keine Fotos, keine Grafiken, auf denen Urheberrechte Anderer (auch WEB-Seiten oder Foren) liegen!
Solche Uploads werden wegen der Rechtslage kommentarlos gelöscht!

Keine Fotos, auf denen Personen erkennbar sind, ohne deren schriftliche Zustimmung.

Den Beitrag-Betreff bei Antworten auf Threads nicht verändern!
20.01.12 00:00
NorbertWerner 

500 und mehr Punkte

20.01.12 00:00
NorbertWerner 

500 und mehr Punkte

Re: Thermodiode

Hallo Wolfgang,

ich hätte hier eine NT9840 und ein paar unbeschriftete Dioden die ich Dir schicken könnte.
Ob sie für Dein Gerät angepasst sind kann ich aber nicht sagen.

Gruss
Norbert

Zuletzt bearbeitet am 20.01.12 00:03

20.01.12 00:21
roehrenfreak

nicht registriert

20.01.12 00:21
roehrenfreak

nicht registriert

Re: Thermodiode

Hallo Wolfgang,

das Teil dürfte ein NTC sein, der die Aufgabe hat, den Ruhestrom der Endstufe temperaturstabil zu halten. Ist ein sehr spezielles Bauteil. Fehlt es denn wirklich in dem Gerät?

Technisch gesehen passiert dies:

> die Endtransistoren werden wärmer --> Kühlblechtemp. steigt
> der NTC fühlt den Temperaturanstieg und verringert seinen Widerstand
> der gesunkene Widerstand reduziert den Basisstrom am Endtransistopärchen, was deren Kollektorstrom nicht weiter steigen lässt.

Damit bleibt der Arbeitspunkt der Endstufe innerhalb bestimter Extremgrenzen stabil.

Freundliche Grüsse,
Jürgen rf

Die Natur als Vorbild hat sich seit Millionen von Jahren bewährt und ist analog - sonst gäbe es schliesslich keine Dämmerung!
http://www.rettet-unsere-radios.de

20.01.12 05:53
Wolfgang2 

500 und mehr Punkte

20.01.12 05:53
Wolfgang2 

500 und mehr Punkte

Re: Thermodiode

Hallo

Der Grundig sollte von einem Fachmann nachgesehen werden. Er hat eine gebrochene Platine nachgelötet und kam dann nicht weiter weil er die Unterlagen benötigte. Der Feund von dem ich ihn bekommen habe hat ihn dann wieder abgeholt weil ihm der Aufwand zu hoch war. Er stand dann längere Zeit bei ihm im Keller und so landete er letztlich bei mir. Beim Einschalten des Grundig tat sich nichts. Er ging an und das war es auch schon, es war kein Lebenszeiche zu hören. Ich hab mit einem Bekannten das Gerät kurz Nachgesehen und wir haben beide keine!!!!!! Platiene gefunden die gebrochen oder beschädigt war. Nach ein paar Minuten fiel uns ein dicker Tropfen Lötzinn an besagter Diode auf. Mir kam da sofort ein Gedanke. Kühlblech Diode Masse konnte eigentlich nur heissen das da die Endstufe geschützt werden sollte. Nachdem ich die Diode ausgelötet hatte hab ich dann noch mal versucht was passiert. Und siehe da es tat sich was. Beim Einschalten war ein knacksen im Kopfhörer und es gab ein leichtes Brummen bei voll geöfnetem Lautstärkeregler. Und nun läuft er seit ein paar Tagen im geöfneten Zustand und macht keinerlei Probleme.
Da ich ihn wieder zusammen bauen möchte such ich nun die Daten der Diode. Das was Jürgen schreibt ist wohl die Haupaufgabe der Diode, die so vermute ich letztlich auch die Endstufe bei Überlastung vor dem Hitzetod schützt. Nach dem Ausbau hab ich die Diode gemessen und hatte vollen Durchgang. Da vom Kühlkörper zur Platiene nun keine Masseverbindung mehr da ist läuft der Grundig ja.

Wolfgang

20.01.12 06:52
nobbyrad58 

500 und mehr Punkte

20.01.12 06:52
nobbyrad58 

500 und mehr Punkte

Re: Thermodiode

Hallo Zusammen!

Ich glaube das Jürgen Recht hat mit dem NTC. Beim googeln fand ich ein PDF der Fa. EPCOS. Dort ist so ein Bauteil, eben diese NTC Bauform im Programm.

MFG Nobby

20.01.12 15:46
Wolfgang2 

500 und mehr Punkte

20.01.12 15:46
Wolfgang2 

500 und mehr Punkte

Re: Thermodiode

Hallo zusammen

Bauformen die ich verwenden kann hab ich auch welche gefunden. Nur mein Problem ist das ich nichts über die Diode weiß die bei mir verbaut ist. Regelt sie wie Jürgen schreibt den arbeitsstrom der Endtransistoren oder schaltet sie nur die Endstufe ab wenn diese zu warm wird? Ich hab null Ahnung weil mir keiner was genaues sagen kann. Die Dioden die Nobby gefunden hat hab ich an anderer Stelle auch gesehen. Nur bei den Arbeitstemperaturen kamen mir leise Zweifel. Die lagen so um die 80-90 Grad. Der kleinste ging wenn ich mich recht entsinne mit einer mit einer Temperatur von 65 bis 90 Grad los. Ich hab mal nach etwa einer stunde Musikhören an's Kühlblech gefühlt. Da war nichts an Wärmeentwicklung zu spüren. Ich weiß echt nicht wo ich noch suchen soll um dieses Ding und seine Werte zu finden

Wolfgang

20.01.12 23:13
NorbertWerner 

500 und mehr Punkte

20.01.12 23:13
NorbertWerner 

500 und mehr Punkte

Re: Thermodiode

Hallo Wolfgang,

ich habe mal meine Dioden getestet. Also, es handelt sich um 15V Zenerdioden. Messe doch mal die Spannung an der Stelle wo die Diode angeschlossen war gegen das Potential der Kühlfläche. Ist sie gleich der Mittenspannung der Enstufentransistoren?
Für mich gibt es hier eigentlich nur zwei Möglichkeiten. Entweder, die Diode stellt die Mittenspannung der Endstufentransistoren ein, oder sie dient zur stabilisierung der Spannung für die Vorstufentransistoren.
Einen NTC schliesse ich aus. Er wird normalerweise zwischen den Basisanschlüssen der Endstufentransistoren verwendet. Wenn man den NTC weglässt, dann wäre wahrscheinlich Deine Endstufe abgeraucht. Ausserdem, ich habe noch nie gehört, dass ein NTC einen Kurzschluss hat.

Gruss
Norbert

21.01.12 12:09
Wolfgang2 

500 und mehr Punkte

21.01.12 12:09
Wolfgang2 

500 und mehr Punkte

Re: Thermodiode

Hallo Norbert

Ich hab mal meine Diode gemessen, die hat 15Ohm. Eine Spannung kann ich da wo sie eingelötet war nicht messen. Mein Digitalmessgerät zeigt mal kurz was an und geht sofort auf Null. Ich hab dann mal die Diode in's Loch gesteckt wo ich sie ausgelötet habe und mit einer Meßstrippe eine Masseverbindung hergestellt. Die Endstufe geht langsam aus bis nichts mehr zu hören ist. Mach ich die Masse weg fährt sie langsam hoch bis auf die Lautstärke die am regler eingestellt ist. Wie ich schon schrieb hab ich den Grundig seit ein paar Tagen ohne die Diode am laufen. Er läuft vollkommen normal. Kann es sein das die Diode wenn sie in ordnung ist keinen Durchgang hat und bei Temperatur langsam einen Wiederstand bekommt bis letztlich die Endstufe um sie zu schützen abschaltet?

Wolfgang

21.01.12 13:22
MB-RADIO 

500 und mehr Punkte

21.01.12 13:22
MB-RADIO 

500 und mehr Punkte

Re: Thermodiode

Hallo Wolfgang,

was Du hier als Thermodiode bezeichnest , ist ein NTC-Widerstand. Kanntst Du testen mit einem Ohmmeter - je höher die Temperatur, um so kleiner der Widerstand. Diese NTCs gehen eigentlich kaum kaputt.Sollte er doch ein Kontaktproblem haben, teste es mit Kälte und laß den langsam warm werden und erhöhe die Temperatur meinetwegen bis 100°C - da darf er nie ganz hochohmig sein. Ich vermute den Fehler in der dazugehörigen Temperaturüberwachungsschaltung. Ohne Schaltung kann man da aber nichts dazu sagen. Da wird Dir nichts anderes übrig bleiben, den Plan von der Leiterplatte abzunehmen.
Alles Andere ist wie Lotto spielen.

Viele Grüße
Bernd

.... und vergessen Sie nicht Ihre Antenne zu erden !

21.01.12 14:02
Holzradio 

500 und mehr Punkte

21.01.12 14:02
Holzradio 

500 und mehr Punkte

Re: Thermodiode

Hallo Wiolfgang,
wenn du das Manual mit Schaltplan suchst, hier wirst du fündig:

http: //elektrotanya.com/grundig_sv85.pdf/download.html
(Leerzeichen hinter http: entfernen)

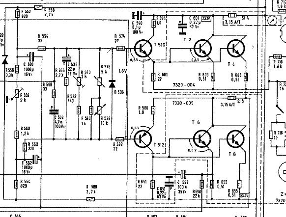
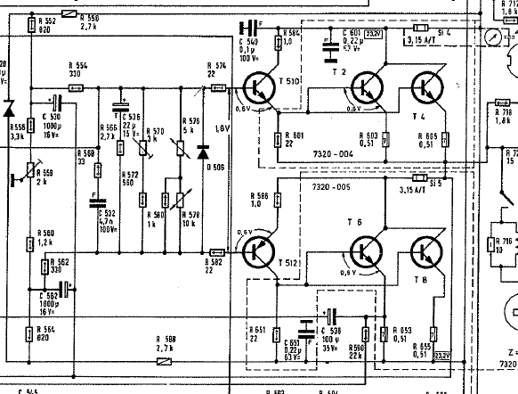
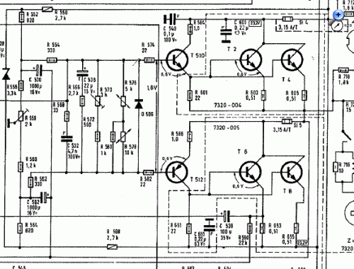
Aus dem Plan geht hevor, dass es mehrere NTCs (nicht Dioden) gibt und dass die Schaltung auch ohne NTCs auf 50mA Ruhestrom abgeglichen werden kann (ohne Sicherung). Allerdings funktioniert dann nicht mehr die Temperaturstabilisierung.

VG Björn

PS:Ich würde ohne funktionierende Temp.-stabilisierung des Arbeitspunktes deutlich weniger als 50mA einstellen um ein Hochlaufen des Ruhestromes zu verhindern. Das geht allerdings zu Lasten des Klirrfaktors (Übernahmeverzerrungen beim Nulldurchgang).



Es strahlen die Sender Bild, Ton und Wort elektromagnetisch an jeden Ort
-Kraftwerk-


Zuletzt bearbeitet am 21.01.12 14:19

Datei-Anhänge
endst-sv85.gif endst-sv85.gif (324x)

Mime-Type: image/gif, 23 kB

 1 2 3
 1 2 3
Arbeitstemperaturen   Temperaturüberwachungsschaltung   Verlustleistung   flußgeschwindigkeit   rettet-unsere-radios   Enstufentransistoren   Temperaturstabilisierung   VV-Betriebsspannung   Endstufe   Vorstufentransistoren   Norbert   Endtransistopärchen   Arbeitstemperatur   Temperaturanstieg   Leistungstransistoren   Endstufentransistoren   Thermodiode   elektromagnetisch   Wolfgang   Übernahmeverzerrungen