| Passwort vergessen?
Sie sind nicht angemeldet. |  Anmelden

Sprache auswählen:

Wumpus Gollum Forum von
Wumpus Welt der (alten) Radios
Sie sind nicht angemeldet.
 Anmelden

Telefunken Concerto9 brummt
  •  
 1 2
 1 2
02.02.10 12:11
makersting 

0-49 Punkte

02.02.10 12:11
makersting 

0-49 Punkte

Telefunken Concerto9 brummt

Hallo,
dies ist mein erster Beitrag in diesem Forum. Ich bin seit etwa 20 Jahren Hobbylektroniker mit passablen Kenntnissen auf vielen Gebieten, außer - leider - den Elektronenröhren. Mir ist klar, dass ich mit hohen Spannungen arbeite; habe an Messgeräte gerade zur Hand ein Multimeter (Digital) und ein altes Russenoszi. Einen Schaltplan zum Radio besitze ich.

Zum Gerät:
Das Röhrenradio brummte sehr stark und der Klang war eher "blechern". Daraufhin habe ich etwas quergelesen, und Folgendes gemacht:
- Tausch des 50 + 50µF Becherelkos gegen zwei Neue
- Außtausch aller "Bitumenbomben" gegen neue axiale Folienkondensatoren
- Tausch der EABC80 gegen 6T8A

Durch Tausch der Kondensatoren wurde der Klang erheblich besser. Das Brummen blieb auch nach Erneuerung der beiden 50µF Elkos.
Ein Tausch der EABC80 brachte eine deutliche Reduzierung der Brummens, aber ganz weg ist es nicht. Insbesondere in der Aufheizphase (nennt man das so?) brummt es stärker, aber das geht dann mit einsetzen des Radioempfanges zurück, aber ein Restbrummen bleibt. Deutlich zu hören wenn die Lautstärke auf Min. steht.

Das Brummen bleibt unabhängig von der Lautstärke - auch im TA Betrieb. (Hier wird es mit dem Aufdrehen irgendwann durch ein Netzbrummen, wie man es auch neueren Verstärkern kennt, übertönt)

Ein Tausch der EL84 gegen eine entsprechende russische Röhre brachte keine Änderung, daher habe ich die alte EL84 im Gerät belassen.

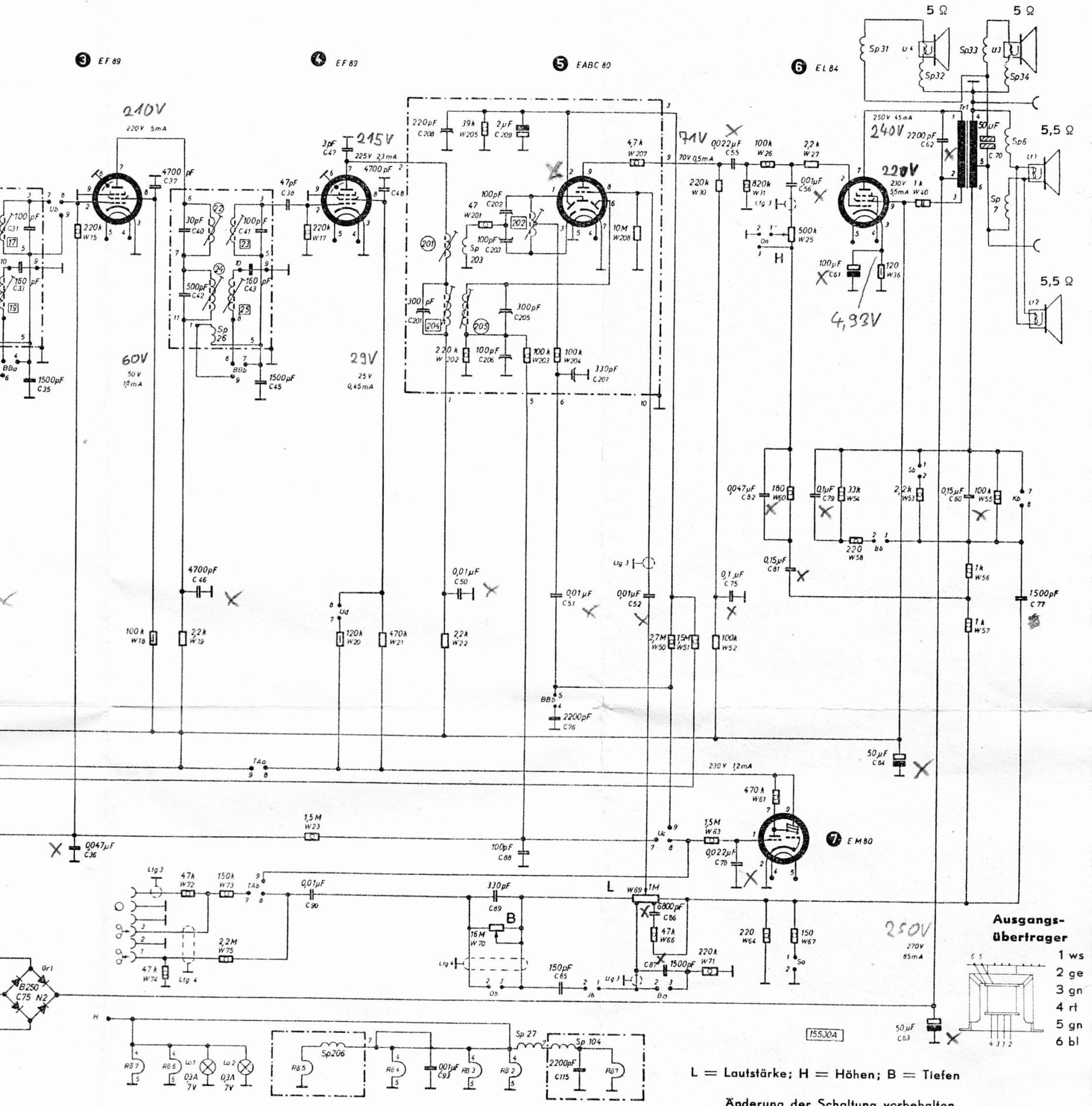
Anbei der rechte Teil des Schaltplans. Angekreutze Bauteile sind erneuert, gemessene Spannungen sind neben die Vorgegebenen geschrieben. Teilweise weichen diese um 10% ab. Ich kann leider nicht beurteilen, inwieweit das problematisch ist. Wundern tun mich va die 250V statt 270V am Siebelko.

Nun ja, woran könnte es liegen? Was wäre noch auszutesten?


Datei-Anhänge
Concerto9 Schaltplan.jpg Concerto9 Schaltplan.jpg (624x)

Mime-Type: image/jpeg, 345 kB

Noch gefällt der Beitrag keinem Nutzer.
!
!!! Fotos, Grafiken nur über die Upload-Option des Forums, KEINE FREMD-LINKS auf externe Fotos.    

!!! Keine Komplett-Schaltbilder, keine Fotos, keine Grafiken, auf denen Urheberrechte Anderer (auch WEB-Seiten oder Foren) liegen!
Solche Uploads werden wegen der Rechtslage kommentarlos gelöscht!

Keine Fotos, auf denen Personen erkennbar sind, ohne deren schriftliche Zustimmung.

Den Beitrag-Betreff bei Antworten auf Threads nicht verändern!
02.02.10 12:21
Klaus 

500 und mehr Punkte

02.02.10 12:21
Klaus 

500 und mehr Punkte

Re: Telefunken Concerto9 brummt

Hallo makersting,

willkommen im Forum.
Aufgrund deiner Fehlerbeschreibung kommt auch noch der Gleichrichter als Fehlerquelle infrage; vllt. solltest du ihn durch eine Si-Brücke probehalber ersetzen. Vergiss dabei bitte nicht den Vorwiderstand, der dann zur korrekten Spannung erforderlich ist. Den Wert kannst du berechnen oder durch Ausprobieren ermitteln. Ohne diesen Widerstand ergeben sich zu hohe Anodenspannungen.

Viele Grüße
Klaus

02.02.10 12:34
makersting 

0-49 Punkte

02.02.10 12:34
makersting 

0-49 Punkte

Re: Telefunken Concerto9 brummt

Ach ja, Selengleichrichter...
Würde das so passen:
230VAC ergeben gleichgerichtet und gesiebt 324V.

Da laut Schaltplan 85mA fließen, müsste gelten:

(324V-270V) / 0,85A = 639Ohm

Ergo: Ein 680 Ohm (Minumum 5W) Vorwiderstand müsste passen - haut das hin?

02.02.10 12:57
Klaus 

500 und mehr Punkte

02.02.10 12:57
Klaus 

500 und mehr Punkte

Re: Telefunken Concerto9 brummt

Hallo,

bezüglich des Ersatzes Se -> Si gibt es hier hilfreiche Infos (Pkt 10):
http://www.oldradioworld.de/hints-reparaturen.htm#10

Die von dir ermittelten Werte beziehen sich auf Leerlaufverhältnisse, folglich sinkt die Spannung bei Belastung und der Widerstand muss kleiner ausfallen.
Wenn du den Wert durch Versuche ermittelst, bei dem die Anodenspannung Sollwert erreicht, liegst du richtig.

Viele Grüße
Klaus

02.02.10 13:29
makersting 

0-49 Punkte

02.02.10 13:29
makersting 

0-49 Punkte

Re: Telefunken Concerto9 brummt

So, Gleichrichter ersetzt - aber leider keine Veränderung.

02.02.10 14:15
puntomane 

500 und mehr Punkte

02.02.10 14:15
puntomane 

500 und mehr Punkte

Re: Telefunken Concerto9 brummt

Hallo
Ist das Rauschen bei FM,AM und TA?. Sind die abgeschirmten Leitungen im hochohmigen NF-Kreis Original und die Lötstellen derer i.O.. Evtl. die Ub.2 besser Sieben d.h.C 64 in der Kapazität vergrößern. Im seltenen Fall liegt ein Windungsschluß im AÜ. vor.
Die durch wechsel des Gleichrichters erhöhte Gleichspannung, durch vergrößern von W 40 ausgleichen.
Viel Erfolg
Gruß
Harry

02.02.10 14:50
makersting 

0-49 Punkte

02.02.10 14:50
makersting 

0-49 Punkte

Re: Telefunken Concerto9 brummt

Das Brummen ist in FM, AM und TA.

Die Vergrößerung von C64 durch Parallelschaltung eines 50µF brachte eine merkliche Verbesserung, die Parallelschaltung eines 100µF Kondensators sogar noch einen Tick mehr.

Die abgeschirmten NF-Leitungen sind alle original belassen. Soweit ich sehen kann, sind alle Masseanschlüsse gut verlötet.

Windungsschluss Übertrager: Denkbar, jedoch macht er äußerlich einen guten Eindruck. Soll heißen, ich kann nicht erkennen, dass er mal übermäßig heiß geworden wäre ist.


Edit: "Rauschen" durch "Brummen" ersetzt.

Zuletzt bearbeitet am 02.02.10 14:52

02.02.10 15:05
puntomane 

500 und mehr Punkte

02.02.10 15:05
puntomane 

500 und mehr Punkte

Re: Telefunken Concerto9 brummt

Hallo
Glückwunsch zum (Teil) Erfolg
Zur weiteren Verbesserung, wie schon beschrieben die Ub.2 besser Sieben, d.h. die gewonnene erhöhte Spannung (an der Anode der EL84 bis 280V) mit einem weiteren Widerstand und Elko hinter dem C64 in die aufgetrennte Leitung einfügen.
Gruß
Harry

02.02.10 15:22
makersting 

0-49 Punkte

02.02.10 15:22
makersting 

0-49 Punkte

Re: Telefunken Concerto9 brummt

Moment, ich komme gerade nicht ganz mit.

Zum Verständnis: Ist Ub2 die Spannung, welche durch den Gleichrichter Gr1 und C63 gewonnen wird?

Was hat dann der C64 damit zu tun - oder sollte es C63 heißen? Und was bedeutet "weiterer Widerstand und Elko"? Das würde die Spannung an der Anode doch mehr senken (aber auch glätten).

Zum Überblick: Bisher habe ich den Selengleichrichter durch einen Si-Typ ersetzt und einen 100Ohm/5W in die Plusleitung vor C63 geschaltet, und erhalte so 265V statt vorher 250V (lt. Schaltplan sollen es 270V sein)


Und ach ja: Die Lautstärke lässt sich nicht ganz bis auf Null runterregeln. Ich nahm bisher an, das sei normal - bekomme aber gerade Zweifel und vielleicht ist diese Info sehr wichtig.


Edit: Spannungswert ergänzt, Info angefügt

Zuletzt bearbeitet am 02.02.10 15:29

02.02.10 15:31
puntomane 

500 und mehr Punkte

02.02.10 15:31
puntomane 

500 und mehr Punkte

Re: Telefunken Concerto9 brummt

Hallo
Mit Ub. 2 meine ich die 2 fach gesiebte Spannung (für alle anderen Röhren, ausser der EL84) nach W40 an C 64, hier die Leitung abklemmen, ca.1K in Reihe und 100µF gegen Masse zwischen Löten.
Viel Erfolg
Harry

 1 2
 1 2
Anodenspannungen   Fehlerbeschreibung   Selengleichrichter   Concerto9   Widerstand   Anodenspannung   Parallelschaltung   Spannungsabfall   Windungsschluss   Elektronenröhren   Spannungsfestigkeit   Handlungsbedarf   Gleichrichter   Folienkondensatoren   Telefunken   Leerlaufverhältnisse   Hobbylektroniker   hints-reparaturen   Masseanschlüsse   Meinungsaustausch