| Passwort vergessen?
Sie sind nicht angemeldet. |  Anmelden

Sprache auswählen:

Wumpus Gollum Forum von
Wumpus Welt der (alten) Radios
Sie sind nicht angemeldet.
 Anmelden

Lautstärkeregler Taschenradio Mikki II
  •  
 1 2
 1 2
19.12.12 17:45
Wolle 

500 und mehr Punkte

19.12.12 17:45
Wolle 

500 und mehr Punkte

Re: Lautstärkeregler Taschenradio Mikki II

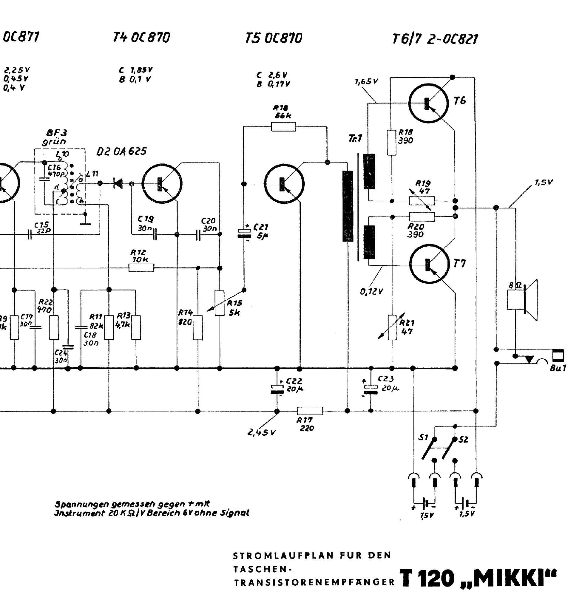
Hallo Freunde.

Zum Taschenempfänger Mikki möchte ich anmerken, daß der Ersatz des Lautstärkereglers problematisch wird. Der Grund liegt in der zweipoligen Ausführung des Ein/ Aus- Schalters. Der Lautsprecher liegt in einer Brückenschaltung. Dabei bildet der Mittelpunkt der Endstufentransistoren einen Zweig, der andere Brückenzweig ist der Mittelpunkt der beiden Zellen. Es müssen also beide Batterien abgeschaltet werden.



Hier ein Schalplanauszug zur Verdeutlichung meiner Aussage, sowie ein Link zu einem früheren Beitrag.

http://www.wumpus-gollum-forum.de/forum/...er-1_131.html#3

Mit vielen Grüßen.
Wolle

Datei-Anhänge
Mikki_nf.png Mikki_nf.png (273x)

Mime-Type: image/x-png, 76 kB

!
!!! Fotos, Grafiken nur über die Upload-Option des Forums, KEINE FREMD-LINKS auf externe Fotos.    

!!! Keine Komplett-Schaltbilder, keine Fotos, keine Grafiken, auf denen Urheberrechte Anderer (auch WEB-Seiten oder Foren) liegen!
Solche Uploads werden wegen der Rechtslage kommentarlos gelöscht!

Keine Fotos, auf denen Personen erkennbar sind, ohne deren schriftliche Zustimmung.

Den Beitrag-Betreff bei Antworten auf Threads nicht verändern!
19.12.12 22:09
joeberesf 

500 und mehr Punkte

19.12.12 22:09
joeberesf 

500 und mehr Punkte

Re: Lautstärkeregler Taschenradio Mikki II

Hallo Wolle, hallo zusammen,

es gibt eine Schaltung, die in einem bekannten Röhrenaudion eingesetzt wird.
Hier besteht ein ähnliches Problem, da Heizung / NF- Verstärker 6V und Anodenspannung 9V
nicht über einen Kontakt abgeschaltet werden können, sorgt der Transistor T1 für die Abschaltung
der Anodenbatterie.

Vielleicht kann man beim Mikki, ja im Ersatzpoti eine ähnliche Schaltung einbauen, ohne das Original
zu verändern. Vielleicht mit einem Germaniumtransistor. Sorry...Nachtrag: Das Problem ist ja erledigt.
Lesen hilft !

Gruß

joe



Zuletzt bearbeitet am 19.12.12 22:14

Datei-Anhänge
Zweipolige Abschaltung mittels Transistor.JPG Zweipolige Abschaltung mittels Transistor.JPG (258x)

Mime-Type: image/jpeg, 16 kB

19.12.12 23:22
regency 

500 und mehr Punkte

19.12.12 23:22
regency 

500 und mehr Punkte

Re: Lautstärkeregler Taschenradio Mikki II

Guten Abend an alle,
die gute Beschreibung von Wolle sagt alles zum Gerät. Die clevere Gegentakt Endstufe funktioniert mit den 2 x 1,5 V Spannungen und mit Germaniumtransitoren wirklich gut.

Wolle:
...daß der Ersatz des Lautstärkereglers problematisch wird. Der Grund liegt in der zweipoligen Ausführung des Ein/ Aus- Schalters.
Der Schalter ist also was besonderes. Am vergrößerten Bild erkennt man den "Nasenkeil" 1 zum Lautsprecher, der mit 2 und 3 (Batterie A Minuspol und Batterie B Pluspol) beim Einschalten verbunden wird. Wenn man so einen Poti mit Schalter isoliert betrachten würde, fällt eine Anwendung dafür zu erkennen nicht leicht. Auf diese Schaltung muss man erstmal kommen!



Könnte es sein, dass es außer für den Mikki sonst kaum verwendet wurde und ist die Gegentaktschaltung ohne Ausgangsübertrager eigene Erfindung von Sternradio/RFT?

Jetzt würde mich ja wirklich mal interessieren, ob sowas in einer Bastelkiste der WGF Teilnehmer schlummert (und nicht aus einem Mikki stammt.)
An Mich47: mit 5k habe ich 5 Kiloohm gemeint.

Schöne Grüße,
Jan

Zuletzt bearbeitet am 19.12.12 23:30

Datei-Anhänge
schaltermikki.jpg schaltermikki.jpg (276x)

Mime-Type: image/jpeg, 12 kB

 1 2
 1 2
Schleifkontakte   wumpus-gollum-forum   Lautstärkeregler   Gegentaktschaltung   zusammenpfriemeln   elektromagnetisch   Taschenradio   Reinigungsmitteln   bearbeitet   Taschenempfänger   Detailaufnahmen   Masseverbindung   Fehlerbeschreibung   Brückenschaltung   Germaniumtransitoren   Lautstärkereglers   Germaniumtransistor   Ausgangsübertrager   Endstufentransistoren   Widerstandsbahn