| Passwort vergessen?
Sie sind nicht angemeldet. |  Anmelden

Sprache auswählen:

Wumpus Gollum Forum von
Wumpus Welt der (alten) Radios
Sie sind nicht angemeldet.
 Anmelden

Graetz Polka
  •  
 1 2 3
 1 2 3
20.01.14 20:31
Martin.M 

500 und mehr Punkte

20.01.14 20:31
Martin.M 

500 und mehr Punkte

Graetz Polka

Graetz Raumklang Vollsuper Polka 813
7 Röhren 6/10 Kreise.

Zustand: 5 (ideales Objekt zum Restaurieren für Fortgeschrittene












nette Grüße
Martin

Datei-Anhänge
graetz-19.jpg graetz-19.jpg (294x)

Mime-Type: image/jpeg, 150 kB

graetz-20.jpg graetz-20.jpg (274x)

Mime-Type: image/jpeg, 119 kB

graetz-21.jpg graetz-21.jpg (277x)

Mime-Type: image/jpeg, 181 kB

graetz-22.jpg graetz-22.jpg (326x)

Mime-Type: image/jpeg, 125 kB

graetz-23.jpg graetz-23.jpg (307x)

Mime-Type: image/jpeg, 130 kB

Noch gefällt der Beitrag keinem Nutzer.
!
!!! Fotos, Grafiken nur über die Upload-Option des Forums, KEINE FREMD-LINKS auf externe Fotos.    

!!! Keine Komplett-Schaltbilder, keine Fotos, keine Grafiken, auf denen Urheberrechte Anderer (auch WEB-Seiten oder Foren) liegen!
Solche Uploads werden wegen der Rechtslage kommentarlos gelöscht!

Keine Fotos, auf denen Personen erkennbar sind, ohne deren schriftliche Zustimmung.

Den Beitrag-Betreff bei Antworten auf Threads nicht verändern!
20.01.14 20:34
Martin.M 

500 und mehr Punkte

20.01.14 20:34
Martin.M 

500 und mehr Punkte

Re: Graetz Polka

so ihr lieben, nun schaun wir mal











nette Grüße
Martin

Datei-Anhänge
graetz-1.jpg graetz-1.jpg (292x)

Mime-Type: image/jpeg, 144 kB

graetz-2.jpg graetz-2.jpg (276x)

Mime-Type: image/jpeg, 108 kB

graetz-3.jpg graetz-3.jpg (313x)

Mime-Type: image/jpeg, 174 kB

graetz-4.jpg graetz-4.jpg (270x)

Mime-Type: image/jpeg, 92 kB

graetz-5.jpg graetz-5.jpg (281x)

Mime-Type: image/jpeg, 81 kB

20.01.14 21:00
Martin.M 

500 und mehr Punkte

20.01.14 21:00
Martin.M 

500 und mehr Punkte

Re: Graetz Polka

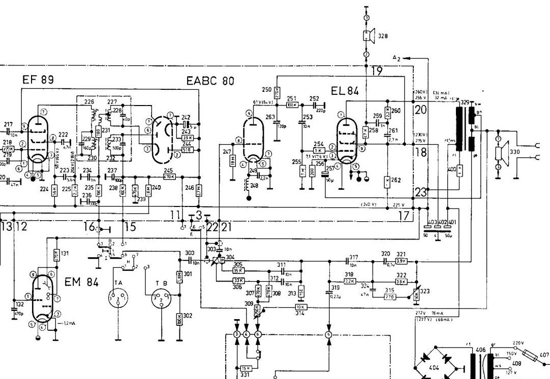
Teil1: Reparatur elektrisch.

1.) Anschaltverbot ! Bei undichten und verformten Kondensatoren und Elkos immer.

2.) Erstellen der Mängelliste,

Siebelko, Kathodenelko der El84, alle verformten Wickel C von Ero (ca 10 Stück),

3.) Röhren prüfen, alle

4.) Innenreinigung, gründlich

5.) Anschalten, schaun und hören wies ihm geht, Versorgung, Kathodenpotential der EL und Regelspannung messen

los gehts

nette Grüße
Martin

Zuletzt bearbeitet am 20.01.14 21:02

20.01.14 22:44
Uli 

500 und mehr Punkte

20.01.14 22:44
Uli 

500 und mehr Punkte

Re: Graetz Polka

Das ist Zustand 5? Im Ernst? Also besser sieht kaum ein Radio aus, das ich bekomme...
Das mit den Kondensatoren erkenne ich auf den Bildern übrigens nicht - nach dem was ich da sehe, hätte ich das Ding formiert und eingeschaltet!

Edit hat nochmal genau hingeschaut - hat der Siebelko abgeblasen? Ist durch den anderen Schmodder nicht so genau zu erkennen aus der Perspektive ;)
Hätt ich trotzdem versucht zu formieren + Einschalttest ;)

Zuletzt bearbeitet am 20.01.14 22:47

21.01.14 06:59
nobbyrad58 

500 und mehr Punkte

21.01.14 06:59
nobbyrad58 

500 und mehr Punkte

Re: Graetz Polka

Hallo Zusammen!

Martin hat Recht. So würde ich auch vorgehen. Wenn die Platine oder der AÜ Schaden nimmt dann ist zwar eine mühsame Reparatur möglich, aber so richtig wird es kaum wieder. Meist ist ein Gegenkopplungsnetzwerk NF seitig vorhanden das mit dem AÜ und dem LS genau "abgestimmt" ist. Ein Ersatz AÜ wird funktionieren, aber es wird eben anders klingen, meist schlechter. So muss dann neu berechnet und getestet werden.
Spezielle Bauteile die heute neu schlecht beschaffbar sind, wie manche Potis müssen auch erhalten werden.

MFG Nobby

21.01.14 10:28
Uli 

500 und mehr Punkte

21.01.14 10:28
Uli 

500 und mehr Punkte

Re: Graetz Polka

Es geht ja nicht um Recht und Unrecht - jeder hat seine Art.
Martin wählt eben den sicheren Weg und ich hätte - wenn der Elko noch funktioniert - es drauf ankommen gelassen. Andererseits hab ich das Radio wie gesagt auch nicht gesehen.
Davon ab - man möge verzeihen - differenziere ich auch. Bei uralten sauteuren Radios wo keine Teile mehr zu bekommen sind, werd ich auch nicht auf Verdacht mal den Stecker in die Dose stecken und den 2 AD1 begeistert beim Schmelzen zuschauen.
Das hält halt jeder so, wie's seine Art ist. Vielleicht muß ich mit meiner nur einmal richtig auf die Nase fallen, dann mach ich's auch anders ;)
Das soll also kein "Besserwisser-Post" von mir sein. Ich lese solche Berichte begeistert mit und schaue mir Sachen ab (ach, SO ist der da herangegangen, das probier ich das nächste Mal auch...). Und dadurch, daß ich schreibe "ICH hätte da..." bekomme ich ja auch Feedback a la "Dir ist aber schon bewusst, daß Du damit XYZ riskierst" und das hat ja auch was positives.
In diesem Sinne: Bitte weitermachen + -schreiben, Martin :)

21.01.14 17:36
Martin.M 

500 und mehr Punkte

21.01.14 17:36
Martin.M 

500 und mehr Punkte

Re: Graetz Polka

hallo alle,

Begründung für die 5.

elektrisch: Der Zustand der Kondensatoren ist ein Desaster, das gleiche wie Teer aber karamelfarben.
Misst man einen durch ist meist die halbe Kapazität weg und die Isolation fehlerhaft.
Der Netzelko ist undicht, ja. Ein Einschalten würde vermutlich die (Graetz-)Brücke vernichten, oder die nicht abgesicherte 230V Wicklung des Trafos.

optisch. Das Gehäuse wurde mit Sprühfarbe + Leim verunstaltet, das wird noch extramühsam den wieder hübschzumachen.

Vielleicht interessant für euch: Das alte Radio befindet sich ja im Wellenkino, d.h. es ist umzingelt von Messgeräten
Da die auchmal was messen möchten gibts im Anschluß an die Reparatur das große Messen.

Ich werd u.a. die ZF wobbeln und einstellen, die Genauigkeit der Skala mittels Mess-Sender und F Zähler prüfen und alle Pegel und Spannungen messen. So eine Aktion ist für die nicht so erfahrenen unter uns sehr interessant wenn sie gut dokumentiert wird.


nette Grüße
Martin

21.01.14 18:49
Andreas_P 

500 und mehr Punkte

21.01.14 18:49
Andreas_P 

500 und mehr Punkte

Re: Graetz Polka

Hallo Leute,

ich kann ja dem Uli da gar kein Recht geben. solch ein Radio steckt man nicht nach irgendwelchen Formierungen in die Steckdose. Uli..... nein, nein! Der Elko hat schon mal den oberen Pin aufgestoßen, d. h. er ist heiß geworden. Im besten Falle glättet er nicht mehr. Das Gerät brummt. Was ich aber nicht verstehe, bei mir haben diese porösen Papierkondensatoren immer eine wesentlich höhere Kapazität als die aufgedruckten. Das Radio wird - falls es überhaupt spielt - dies nur eingeschränkt tun. Also ich würde von vornherein den Elko ersetzen. Die porösen Kondensatoren würde ich auch ohne wenn und aber ausnahmslos rausschmeißen. Dann wird man sich wundern, wie das Gerät schon wieder los legt. So mache ich das grundsätzlich ohne wenn und aber. Man hat sonst ein Gerät, das im Betrieb ständig beobachtet werden muß. Davon abgesehen besteht die Möglichkeit, dass wichtige Bauteile zerstört werden. Warum sollte man das abwarten?

21.01.14 19:05
Klaus 

500 und mehr Punkte

21.01.14 19:05
Klaus 

500 und mehr Punkte

Re: Graetz Polka

Andreas_P:
Was ich aber nicht verstehe, bei mir haben diese porösen Papierkondensatoren immer eine wesentlich höhere Kapazität als die aufgedruckten.
Hallo Andreas,

das ist nur scheinbar so und liegt häufig am verwendeten Messverfahren/-gerät.

Bekanntlich hängen Blindwiderstand und Kapazität zusammen, nämlich Xc=1/2*pi*f*C. Sind nun Xc gemessen und f bekannt, lässt sich durch Umstellen der Formel C ermitteln.

Wenn nun durch schlechten Iso-Widerstand ein geringeres Xc vorgetäuscht wird, so führt das zu einer erhöhten C-Anzeige, quasi zu einem vermeintlichen Kapazitätsanstieg. Da liegt dann aber ein Trugschluss vor, denn eine höhere Kapazität bedingt eine größere Oberfläche und/oder ein besseres Dieelktrikum. Beides blieb aber unverändert.

Andere Messverfahren weisen diesen Fehler nicht auf, z.B. Messbrücken.

Viele Grüße
Klaus

21.01.14 19:25
Martin.M 

500 und mehr Punkte

21.01.14 19:25
Martin.M 

500 und mehr Punkte

Re: Graetz Polka

am Ausgangstrafo sieht man schon Ersatzteile.







Der Netzelko ist so nicht ersetzbar, muß ich zusammenbasteln. 2x50+4



nette Grüße
Martin

Zuletzt bearbeitet am 21.01.14 19:52

Datei-Anhänge
graetz-36.jpg graetz-36.jpg (273x)

Mime-Type: image/jpeg, 135 kB

graetz-37.jpg graetz-37.jpg (276x)

Mime-Type: image/jpeg, 96 kB

813.jpg 813.jpg (264x)

Mime-Type: image/jpeg, 126 kB

 1 2 3
 1 2 3
Klangvorstellungen   Isolationwiderstandes   2-Komponenten-Epoxydharzkleber   Papierkondensatoren   Zweikomponentenkleber   Wahrnehmbarkeitsschwelle   Lautstärkeregelung   Frequenzgangunterschiede   verschlimmbessern   Original-Lautstärke   elektromagnetisch   Änderungsvorschlag   Kathodenpotential   Potiachsen-Durchgang   Gegenkopplungsnetzwerk   Besserwisser-Post   Kapazitätsanstieg   Kohleschicht-Schleifbahn   FM-Modulationsmaterial   Kondensatoren