| Passwort vergessen?
Sie sind nicht angemeldet. |  Anmelden

Sprache auswählen:

Wumpus Gollum Forum von
Wumpus Welt der (alten) Radios
Sie sind nicht angemeldet.
 Anmelden

RFT BG19
  •  
 1 2 3
 1 2 3
28.02.08 22:14
Wolle 

500 und mehr Punkte

28.02.08 22:14
Wolle 

500 und mehr Punkte

Re: RFT BG19

Hallo Wolfgang.

Erst einmal meine Anerkennung für Deine gelungene Umbauarbeit. Bei dem einen Kopf hast Du als Hersteller "RFT805" ausmachen können. Solltest Du auf einen anderen Kopf eine Herstellerbezeichnung finden, würde ich mich freuen, wenn Du diese angeben könntest. Es ist heute fast unmöglich, zu diesen alten Schlüsselnummern noch Angaben zu finden.

Mit vielen Grüßen.
Wolle

!
!!! Fotos, Grafiken nur über die Upload-Option des Forums, KEINE FREMD-LINKS auf externe Fotos.    

!!! Keine Komplett-Schaltbilder, keine Fotos, keine Grafiken, auf denen Urheberrechte Anderer (auch WEB-Seiten oder Foren) liegen!
Solche Uploads werden wegen der Rechtslage kommentarlos gelöscht!

Keine Fotos, auf denen Personen erkennbar sind, ohne deren schriftliche Zustimmung.

Den Beitrag-Betreff bei Antworten auf Threads nicht verändern!
28.02.08 23:08
saarwolf 

100-249 Punkte

28.02.08 23:08
saarwolf 

100-249 Punkte

Re: RFT BG19

Hallo Wolle, hallo capstan,

mit den Köpfen für BG19 und MTG sind noch einige Fragen offen was die Unterschiede anbelangt.
Das BG19 hatte ja ursprünglich keinen HF-Löschkopf. Es wurde aber nachträglich von Zwönitz ein HF-Löschkopf (M9152) angeboten und der funktioniert einwandfrei. Demzufolge muß es sich auch um einen sogenannten "hochomigen" Kopf gehandelt haben. Ein Kollege von mir hat sein BG19-2 von damals heute noch in Betrieb und er hatte den Umbausatz aus Zwönitz damals gekauft und problemlos eingebaut.

Mein Versuch einen Löschkopf der MTG-serie lt. Anleitung anzuschalten brachte ja kein Ergebnis.
Im nachhinein logisch - 3 Ohm und 110 Ohm parallel - kann nicht hinhauen.
Ein "entfremdeter" A/W-Kopf aus einem anderen BG19 als Löschkopf klappte aus Anhieb. Dabei habe ich erst mal nur eine Spule benutzt. Eine Rückfrage bei meinem Kollegen ergab lediglich, dass bei ihm die 2 Spulen durch eine Brücke in Serie geschaltet sind, (Kl.2+4 von links gebrückt) vermutlich um die Leistung etwas zu optimieren. Diese Änderung werde ich demnächst noch ausprobieren. Die bisherige Löschleistung ist bis jetzt jedesfalls zufriedenstellend. Löschleistung anderer Bandsorten werde ich noch prüfen.

Dann bleibt jetzt nur doch die Frage offen ob beim MTG auch der A/W-Kopf "niederohmig" wie der Löschkopf. Dieses kann ich erst klären wenn ich die MTG-Maschine habe. (dauert noch etwas)
Mal bis hier hin.

Viele Grüße
Wolfgang

30.12.08 11:03
capstan 

100-249 Punkte

30.12.08 11:03
capstan 

100-249 Punkte

Re: RFT BG19

Hallo Wolfgang,

lange nichts gehört, was macht Dein Umbau?
Gibt es denn neue Erkenntnisse zu den Köpfen?

Guten Rutsch

Bernd

26.08.09 19:54
capstan 

100-249 Punkte

26.08.09 19:54
capstan 

100-249 Punkte

Re: RFT BG19

Hallo zusammen,

seit eineinhalb Jahren hat sich Wolfgang der saarwolf hier leider nicht mehr gemeldet.
Hat vielleicht einer von Euch noch Verbindung zu ihm?
Ich hätte noch so viel mit ihm zu fachsimpeln und über den erfolgreichen Umbau des BG19 zu schreiben, leider meldet er sich hier nicht mehr.
Sollte einer wissen wie ich mit ihm in Verbindung treten kann, bitte mal melden.

Viele Grüße

Bernd

26.08.09 20:29
MTG20 

500 und mehr Punkte

26.08.09 20:29
MTG20 

500 und mehr Punkte

Re: RFT BG19

Hallo Capstan,

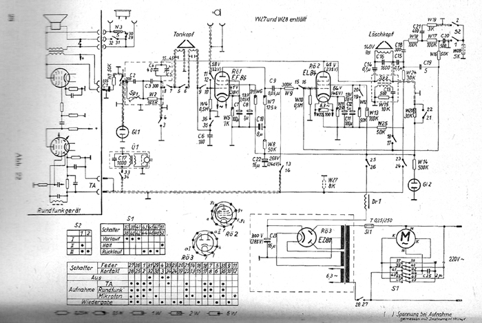
kann ein Fachmann aus dem Schaltplan erkennen welche Daten der Löschkopf haben muss?

Viele Grüsse

MTG20

Datei-Anhänge
SP MTG25, kl.jpg SP MTG25, kl.jpg (417x)

Mime-Type: image/jpeg, 207 kB

26.08.09 20:37
Wolle 

500 und mehr Punkte

26.08.09 20:37
Wolle 

500 und mehr Punkte

Re: RFT BG19

Hallo Bernd.

Saarwolf war am 15. 08 09 das letzte Mal online. Du kannst doch über die forumseigene Mailfunktion Kontakt aufnehmen. In der Rankingliste den Namen suchen und das Profil aufrufen. Denke dabei daran, Deine Adresse als Absender anzugeben.
Es geht noch einfacher, in diesem Thread ist ja ein Beitrag vom Saarwolf enthalten. Damit kannst Du direkt das Profil aufrufen.

Mit vielen Grüßen.
Wolle

Zuletzt bearbeitet am 26.08.09 20:39

26.08.09 21:33
capstan 

100-249 Punkte

26.08.09 21:33
capstan 

100-249 Punkte

Re: RFT BG19

Hallo MTG20,

das ist schwierig, da keinerlei Angaben über Löschfrequenz und Spulendaten des Generators angegeben sind, sonst könnte man es näherungsweise über die Schwingkreisformel errechnen.
Ich würde es emphierisch versuchen zu ermitteln.
Man muß versuchen eine möglichst hohe Löschleistung zu erzielen (P=U x I)
Die Löschgeneratoren aus der Röhrenzeit arbeiteten je nach Röhrenbestückung mit Löschströmen im Bereich um 100...200mA.
Ich würde einen vorhandenen Löschkopf dieser Ära versuchsweise anschließen und den Strom messen.
Die angegebene HF- Spannung von 140V sollte als Kontrollwert für optimale Anpassung dienen und nicht allzuviel abweichen.
Da für eine gute Löschung der Löschstrom relevant ist hat man früher als Löschkontrolle eine kleine Glühlampe (Taschenlampe2...3V/200mA) in Reihe zum Löschkopf geschaltet und etwa auf größte Helligkeit abgeglichen.
Bei einem niederohmigen Kopf kann man versuchen die Schwingkreisspule anzuzapfen, um den besten Anpassungswert zu ermitteln.
Man kann auch versuchsweise eine zusätzliche Wicklung auf den Kern aufbringen bis die Anpassung stimmt.
Es gab auch Löschköpfe mit zwei getrennten Wicklungen, auch hier ist Experimentierspielraum.
Bei Leistungsanpassung sollte die Schwingkreisspuleninduktivität etwa gleich der Löschkopfinduktivität sein.
Mit Frequenzmesser und Induktivitätsmesser lassen sich die Kopf bzw. Spulendaten natürlich besser ermitteln.
Experimentierspielraum bieten auch die Kreis- und Koppelkapazitäten, wobei man die Resonanzbedingen nicht allzuweit verlassen sollte.

Gruß

Bernd

26.08.09 22:14
MTG20 

500 und mehr Punkte

26.08.09 22:14
MTG20 

500 und mehr Punkte

Re: RFT BG19

Hallo capstan,

deine Ausführungen sind lehrreich.

In der BA steht noch:
Eingebauter HF-Löschkopf 43 kHz
HF-Löschstrom 70 mA

Meine Frage stellte ich wegen saarwolf. Ich besitze auch ein BG19-2 mit nachgerüstetem LK. Leider defekt.
Ein 2. hat einen Nachrüst-LK mit Dauermagnet. Es gab auch ein kleines Kunststoffteil mit Dauermagnet, welches auf den Bandspannhebel aufgesteckt wurde. Ein 3. ist die ganz normale Ausführung.
Ich selbst bin als Sammler der Meinung, man sollte die alten Geräte nicht umbauen. Man kann sie auch nicht mehr sinnvoll
benutzen. Nur zur Demonstration.

Vielen Dank und Grüsse

MTG20

Zuletzt bearbeitet am 26.08.09 22:15

 1 2 3
 1 2 3
Schwingbedingungen   Experimentierspielraum   Wolfgang   Zungenfrequenz-Messer   Induktivitätsmesser   freundlichen   HF-Löschkopf   Vormagnetsierungskopf   Scheinwiderstand   Vormagnetisierungskopf   Löschkopfinduktivität   Mögel-Dellinger-Effekt   Schaltungstechnisch   Schwingkreisformel   Schwingkreiskondensators   Herstellerbezeichnung   Schwingkreisspuleninduktivität   Leistungsanpassung   Wicklungswiderstand   Löschkopf