| Passwort vergessen?
Sie sind nicht angemeldet. |  Anmelden

Sprache auswählen:

Wumpus Gollum Forum von
Wumpus Welt der (alten) Radios
Sie sind nicht angemeldet.
 Anmelden

Fernsehschaltung auch für Radio geeignet?
  •  
 1
 1
14.10.12 20:22
nobbyrad58 

500 und mehr Punkte

14.10.12 20:22
nobbyrad58 

500 und mehr Punkte

Fernsehschaltung auch für Radio geeignet?

Hallo an Alle!

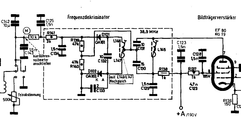
Beim Fachbuchlesen bin ich auf eine Oszillatornachregelschaltung (AFC) für Fernsehempfänger gestoßen. Es sieht wie ein Ratiodetektor aus, nur eben einfacher aufgebaut. Könnte man diese einfachere Schaltung ohne so viele kritische Spulen auch für UKW Radios nehmen? Als Ratiodetektor. Natürlich mit anderen Bauteilwerten. Der Regelspannungausgang ist links, also andersherum wie üblich.



MFG Nobby

Datei-Anhänge
Frequenzdiskriminator.jpg Frequenzdiskriminator.jpg (359x)

Mime-Type: image/jpeg, 68 kB

regency gefällt der Beitrag.
!
!!! Fotos, Grafiken nur über die Upload-Option des Forums, KEINE FREMD-LINKS auf externe Fotos.    

!!! Keine Komplett-Schaltbilder, keine Fotos, keine Grafiken, auf denen Urheberrechte Anderer (auch WEB-Seiten oder Foren) liegen!
Solche Uploads werden wegen der Rechtslage kommentarlos gelöscht!

Keine Fotos, auf denen Personen erkennbar sind, ohne deren schriftliche Zustimmung.

Den Beitrag-Betreff bei Antworten auf Threads nicht verändern!
15.10.12 07:00
wumpus 

Administrator

15.10.12 07:00
wumpus 

Administrator

Re: Fernsehschaltung auch für Radio geeignet?

Hallo Nobby,

im Prinzip braucht man nur vom gemeinsamen Mittelpunkt der Ratiodemodulator-Dioden (über einen Widerstand nach Masse geleitet, die frequenzabhängige Richtspannung abnehmen und zum FM-Empfangsteil zum dortigen Oszillator führen. Eine geeignete Diode wird über einen sehr kleinen Kondensator an den Schwingkreis gelegt.

Bei den meisten Geräten wäre einen entsprechender Eingriff gering. Zumal die NF bei den meisten Geräten über die kleine Zusatzwicklung der Primärseite des Ratiofilters abgenommen wird. Diese Leitung geht dann über einen Impedanzwiderstand nach Masse. Hier liegt dann die benötigte Regelspannung (AFC) an und kann zur Diode im UKW-Teil geführt werden.



Gruß von Haus zu Haus
Rainer (Forumbetreiber)

15.10.12 11:26
roehrenfreak

nicht registriert

15.10.12 11:26
roehrenfreak

nicht registriert

Re: Fernsehschaltung auch für Radio geeignet?

Moin zusammen,

bei der gezeigten Schaltung handelt es sich nicht um einen Ratiodetektor, sondern um einen so genannen "Rieggerkreis" oder Phasendiskriminator. Besser kann man es nicht erklären:

(Quellennachweis: RPB Bd. 24/25a 7.Auflage, 1971, F. Jacobs, Lehrgang Radiotechnik Bd II, Seiten 321 u. 322/Bild 33.4)
Zitat: In Bild 33.4 sehen wir (...) den sogenannten Rieggerkreis, auch Phasendiskriminator (= -absonderer, -abtrenner) genannt. Hier werden beide Kreise auf Zwischenfrequenz abgestimmt, und wenn genau die Resonanzfrequenz ankommt, ist die Phase im Sekundär- gegen den Primärkreis um genau 90° verschoben. Bei Abweichungen von der Grundfrequenz, die ja das Charakteristikum (=hervorstechende Eigenschaft) der Frequenzmodulation sind, ändert sich der Grad dieser Phasendifferenz nach oben und unten entsprechend den primären Abweichungen. Über den Koppelkondensator Ck (Anm.: Entspricht C 131 im Schaltbild oben) wird nun aber zusätzlich in den Sekundärkreis eine zweite Spannung mit der Phasenlage des Primärkreises eingekoppelt. Diese Spannung addiert sich zu den Spannungen in den beiden Spulenhälften. So kommt es, daß in einer Hälfte die Spannung vergrößert, in der anderen verkleinert wird. (...) Bei jeder Abweichung von der Resonanzfrequenz (... - Frequenzmodulation) entstehen am oberen und unteren Ende von L2 (Anm.: Entspricht L146/L147 im Schaltbild oben) verschieden große HF-Spannungen, die durch die Dioden im Gegentakt gleichgerichtet werden und am Ladekondensator (Anm.: Entspricht C 134 im Schaltbild oben) als Niederfrequenz (in Form der Differenz) erscheinen.

(...) Nachteil: Sie (diese Schaltungen) geben auch alle Amplitudenmodulationen (Störungen) wieder (...). Daher hat inzwischen eine Abwandlung des Rieggerkreises, der Verhältnis- oder Ratiodetektor (engl. Aussprache: réescho), der aus Amerika zu uns kam, alle anderen Demodulatoren so gut wie verdrängt. (...) - Zitat Ende.

Aber dies nur als Anregung...

15.10.12 12:59
nobbyrad58 

500 und mehr Punkte

15.10.12 12:59
nobbyrad58 

500 und mehr Punkte

Re: Fernsehschaltung auch für Radio geeignet?

Hallo an Alle!

Jürgen hat mir das gut erklärt, der Riegger-Kreis war mir bekannt, hab ihn aber nicht wiedererkannt. Die AM Unterdrückung kann ja auch anders erfolgen. Bei einem Fernsehgerät ist die ja auch sehr wichtig, der Ratiodetektor hat sich auch wegen der ihm innewohnenden AM Unterdrückung durchgesetzt und man konnte die gleichen Röhren für AM und FM nehmen.
Ganz frühe AM - FM Super waren manchmal bis zum NF Teil getrennt aufgebaut, bei Philips hab ich so etwas gesehen. Die obige Schaltung gehörte zu einem Loewe-Opta Fernseher und diente zur Nachstimmung des Oszillators.

MFG Nobby

Datei-Anhänge
Nachstimm FM Diskriminator.jpg Nachstimm FM Diskriminator.jpg (342x)

Mime-Type: image/jpeg, 21 kB

15.10.12 14:02
wumpus 

Administrator

15.10.12 14:02
wumpus 

Administrator

Re: Fernsehschaltung auch für Radio geeignet?

Hallo zusammen,

meine Anmerkung zum Ratiofilter bezogen sich nicht auf das gezeigte Schaltbild, sondern auf die einfache Art , in einem real existierenden UKW-Empfänger den dort zumeist vorhandenen Ratiodetektor (und falls nicht sowieso schon eine AFC eingebaut ist) zur Erzeugung der Frequenz-Richtspannung zu nutzen. alle benötigen Bauteile sind schon da. Im Grunde braucht nur die Leitung zum UKW-Teil gelegt werden, dort die Diode und der Koppel-C und ein Trennwiderstand angebracht werden, schon regelt die Schaltung die Frequenz auf Maximum.

Mehr zum Ratiodetektor:
http://www.welt-der-alten-radios.de/tech...enzdemodulation



Gruß von Haus zu Haus
Rainer (Forumbetreiber)

 1
 1
Impedanzwiderstand   Ratiodetektor   FM-Empfangsteil   Phasendiskriminator   frequenzabhängige   Amplitudenmodulationen   Forumbetreiber   Ratiodemodulator-Dioden   =hervorstechende   Fernsehempfänger   welt-der-alten-radios   Frequenz-Richtspannung   Zwischenfrequenz   Regelspannungausgang   Frequenzmodulation   Fernsehschaltung   Resonanzfrequenz   Oszillatornachregelschaltung   Charakteristikum   Koppelkondensator