| Passwort vergessen?
Sie sind nicht angemeldet. |  Anmelden

Sprache auswählen:

Wumpus Gollum Forum von
Wumpus Welt der (alten) Radios
Sie sind nicht angemeldet.
 Anmelden

Elektrische Sicherheit, Stromunfälle, Normen
  •  
 1 2 3 4
 1 2 3 4
08.12.14 19:44
HB9 

500 und mehr Punkte

08.12.14 19:44
HB9 

500 und mehr Punkte

Re: Elektrische Sicherheit, Stromunfälle, Normen

Hallo zusammen,

zum Thema Trenntrafo habe ich noch folgende Anmerkungen:

Grundsätzlich ist bei Allstromgeräten immer dann ein Trenntrafo angebracht, wenn entweder die Isolation nicht über alle Zweifel erhaben ist oder wenn man das Gerät umbaut (z.B. Einbau eines Videoeingangs). Die häufigsten Fälle von mangelhafter Isolation sind:
- Chassis ist direkt (ohne Kunststoff-Isolation) in das Holzgehäuse geschraubt (leitet bei Feuchtigkeit oder leitfähigen Lacken)
- Metallteile sind berührbar (z.B. defekte Kunststoff-Abdeckungen oder Bedienelemente)
- Antennen- oder Erdanschlüsse über einen Kondensator (unbedingt durch einen Y-Kondensator ersetzen)
- angekohlte oder verschmutzte Isolatoren und Kriechstrecken

Verwendet man einen Trenntrafo, sollte man folgendes beachten:

Da die Allstromgeräte einen stark verzerrten Strom ziehen, häufig noch Gleichstrom, muss der Trafo grosszügig dimensioniert sein. Als Richtwert soll der Trafo mindestens für den doppelten Strom ausgelegt sein, den das Gerät zieht. Wird der Trafo im Betrieb heiss, ist er zu schwach dimensioniert.

Hat es Platz im Gerät, wird der Trafo in das Gerät eingebaut (geht bei Fernsehern meistens nicht wegen der Magnetfelder). In diesem Fall soll der Trenntrafo über den Geräteschalter abgeschaltet werden, um nicht zur Gefahr zu werden, was je nach Gerät einen Ersatz des Geräteschalters durch einen sicheren Netzschalter erfordert. Alternativ kann auch ein Schalter in die Netzleitung eingeschlauft werden, mit dem dann das Gerät ein- und ausgeschaltet wird.

Muss der Trenntrafo ausserhalb des Geräts bleiben, wird das Netzkabel des Gerätes entweder fix mit dem Trenntrafo verbunden oder dann mit einem "Exoten"-Stecker, der in keine Steckdose passt, auf keinen Fall mit einem normalen Netzstecker, da sonst irgendwann das Gerät ohne Trenntrafo betrieben wird. Auch hier soll der Trenntrafo über einen Schalter vom Netz getrennt werden, der dann als Geräteschalter dient.

Selbstverständlich bleibt die Anodenspannung der Röhrengeräte auch mit einem Trenntrafo gefährlich!

Gruss und viel Spass mit den alten Geräten
HB9

!
!!! Fotos, Grafiken nur über die Upload-Option des Forums, KEINE FREMD-LINKS auf externe Fotos.    

!!! Keine Komplett-Schaltbilder, keine Fotos, keine Grafiken, auf denen Urheberrechte Anderer (auch WEB-Seiten oder Foren) liegen!
Solche Uploads werden wegen der Rechtslage kommentarlos gelöscht!

Keine Fotos, auf denen Personen erkennbar sind, ohne deren schriftliche Zustimmung.

Den Beitrag-Betreff bei Antworten auf Threads nicht verändern!
08.12.14 23:25
NorbertWerner 

500 und mehr Punkte

08.12.14 23:25
NorbertWerner 

500 und mehr Punkte

Re: Elektrische Sicherheit, Stromunfälle, Normen

Hallo HB9,

ich möchte hier noch einen wichtigen Punkt hinzufügen, der mir während der Lehrzeit als Rundfunk und Fernsehtechniker fast das Leben gekostet hätte.
Damals (1974) waren Trenntrafos noch nicht Pflicht, aber in unserer Werkstatt war einer an jedem Arbeitsplatz. Das Problem aber war, dass die Primär- und Sekundärwicklungen übereinander gewickelt waren und mein Trafo einen Windungsschluss zwischen den Wicklungen hatte.

Bei der Reparatur eines Philips Goya kam es dann zu dem Stromunfall. Ich bemerkte eine kalte Lötstelle und wollte das Chassis mit der linken Hand herunterklappen, dabei fiel mir der Lötkolben, den ich mit der rechten Hand hielt, in die Armbeuge. Der Strom floss jetzt von der Linken Hand über das Herz in den rechten Arm, der sich verkrampft hatte. Den Lötkolben spürte ich nicht, aber ich hatte fürchterliche Kopfschmerzen und das Gefühl, als würde mir die Schädeldecke nach oben abgerissen. Ich konnte nicht mehr sprechen und vom Hals abwärts hatte ich keine Kontrolle mehr. Ich konnte nur noch meine Augen bewegen und 'denken'. Ich wusste, ich muss jetzt weg von dem Strom, aber wie? Ich fühlte mich während dieser Zeit wie ein Gelähmter der wegrennen will, aber eben nicht kann. Ich weiss nicht, wie lange ich 'am Strom hing', aber zum Glück hatte es ein Kollege bemerkt. Mit einem Sprung hatte er mich 'weggetreten'.

Aus diesem Grund überprüfe ich meinen jetzigen Trenntrafo des Öfteren, auch wenn ich zusätzlich noch einen FI-Schalter verwende. Denen vertraue ich aber auch nicht mehr.
In der jetzigen Firma, wo ich arbeite, haben wir FI's, aber vor ein paar Jahren mussten sie alle gewechselt werden, da sie durch einen Produktionsfehler nach einiger Zeit nicht mehr mechanisch (Drucktaster) noch elektrisch (Fehlstrom) auslösten.
Wie heisst es doch: Vertrauen ist gut, Kontrolle ist besser. Dieser Spruch ist für mich sehr wichtig geworden.

Gruss
Norbert

Zuletzt bearbeitet am 08.12.14 23:27

08.12.14 23:38
Uli 

500 und mehr Punkte

08.12.14 23:38
Uli 

500 und mehr Punkte

Re: Elektrische Sicherheit, Stromunfälle, Normen

Für FI's hab ich meinen uralt-Duspol - der testet die zuverlässig.
Wenn's geht und Sinn macht arbeite ich gern mit altem Werkzeug - das "taugt" nämlich

Aber Wicklungsschluss im Trenntrafo - darauf muss man mal kommen oO

Zuletzt bearbeitet am 08.12.14 23:39

10.12.14 21:32
HB9 

500 und mehr Punkte

10.12.14 21:32
HB9 

500 und mehr Punkte

Re: Elektrische Sicherheit, Stromunfälle, Normen

Hallo zusammen,

ein defekter Trenntrafo ist natürlich eine mittlere Katastrophe, denn er täuscht eine nicht vorhandene Sicherheit vor, ohne wöre man in diesem Fall wohl vorsichtiger gewesen... Um derartige Unfälle zu vermeiden, sollten folgende Tipps immer beachtet werden:
- Trenntrafo überdimensionieren, er darf auf keinen Fall so heiss werden, dass man ihn nicht mehr anfassen kann!
Falls er trotzdem einmal heiss wird oder Gerüche von sich gibt, gehört er auf den (Sonder-) Müll!
- Ein Trafo muss mindestens Schutzklasse II erfüllen, um als Trenntrafo durchzugehen (steht auf dem Typenschild),
Schutzklasse 1 genügt nicht.
- Nie mehr als ein Gerät am Trenntrafo anschliessen, sonst ist er wirkungslos!

Wer ganz sicher gehen will, verbindet das Chassis zusätzlich noch mit dem Schutzleiter, so gibt es bei einem Isolationsschaden einen Kurzschluss und die Sicherung löst aus, ohne dass gefährliche Spannungen auftreten.

Viel Spass mit den alten Geräten!

HB9

10.12.14 23:48
SmdSchubser 

250-499 Punkte

10.12.14 23:48
SmdSchubser 

250-499 Punkte

Re: Elektrische Sicherheit, Stromunfälle, Normen

Hallo HB9!

Zitieren:
Wer ganz sicher gehen will, verbindet das Chassis zusätzlich noch mit dem Schutzleiter, so gibt es bei einem Isolationsschaden einen Kurzschluss und die Sicherung löst aus, ohne dass gefährliche Spannungen auftreten.

Das ist ein sehr gefährlicher Tip!

Wenn sekundärseitig irgendwas mit Null oder PE verbunden wird, hat das zur Konsequenz, dass bei Berühren eines aktiven Leiters der Strom zwangsläufig durch den Körper fließt!

Sinn des Trenntrafos ist, dass ein einpoliges Berühren NICHT zu einem Körperstrom führt. Dazu muss die Sekundärseite komplett von der Außenwelt isoliert sein, damit sich durch das Berühren kein geschlossener Stromkreis bildet.

Andere Interpretation: das sekundärseitige "Minuspol" weicht nach unten aus, wenn der Finger den "Pluspol" mehr oder weniger hochohmig mit Erdpotential verbindet. Wenn aber der "Minuspol" durch eine Verbindung zu PE auf Erdpotential fixiert wird, bleibt die Berührstelle auf hohem Potential.


Gruß Martin

10.12.14 23:52
Uli 

500 und mehr Punkte

10.12.14 23:52
Uli 

500 und mehr Punkte

Re: Elektrische Sicherheit, Stromunfälle, Normen

HB9:
- Trenntrafo überdimensionieren, er darf auf keinen Fall so heiss werden, dass man ihn nicht mehr anfassen kann!
Falls er trotzdem einmal heiss wird oder Gerüche von sich gibt, gehört er auf den (Sonder-) Müll!

Falsch. Er gehört ins Recycling!

HB9:
- Nie mehr als ein Gerät am Trenntrafo anschliessen, sonst ist er wirkungslos!

Das verstehe ich nicht, wieso ist er dann wirkungslos? Ich war immer der Meinung, dann trennt er eben 2 Geräte vom Netz. Was hab ich jetzt wieder nicht bedacht?

11.12.14 02:42
achim01 

500 und mehr Punkte

11.12.14 02:42
achim01 

500 und mehr Punkte

Re: Elektrische Sicherheit, Stromunfälle, Normen

SmdSchubser:

* Stichwort "Toaster"
Die übliche offene Bauart gehört m.E. verboten. Widerspricht eklatant der Forderung nach Schutz vor direktem Berühren gefährlich aktiver Teile. Für Haushaltsgeräte gibt es aber merkwürdige Ausnahmen, hat mit der Etablierung vor langer Zeit zu tun.

.

Na, das fehlte mir jetzt noch. Ein Toaster in den man kein Toastbrot mehr stecken kann weil über dem Schlitz eine Klappe ist. Millionen Menschen würden gegängelt um einen Vollpfosten zu schützen der mit der Gabel drin rum stochert. So ähnlich wie diese unseleigen Steckdosenleisten mit Kindersicherung die praktisch unbenutzbar sind weil man da den Stecker mit solcher Urgewalt reindrücken muss dass nach dem zehnten Mal die Leiter gebrochen sind, weil man zwangsläufig dabei das Kabel knickt. Oder die "Sicherheitsschalter" bei Elektrowerkzeigen bei denen man einen Schalter gleichzeitig schieben, anheben und drehen muss - was eine Konzentration auf das Werkstück unmöglich macht und so mehr Gefahren heraufbeschwört als man zu verhindern hofft. Zum Glück gibt es dagegen Sekundenkleber.
Die Liste ist endlos. Neuerdings lassen sich Duplicolor Sprühdosen nur noch mit brachialer Gewalt von ihrem Deckel befreien. Ohne massiven Schraubendreher oder Schraubstock geht da gar nichts und danach ist der Deckel hin und hält überhaupt nicht mehr. Unter dem Sprühkopf sitzt dann noch eine weitere Sicherung die erst nach Abmontieren des Sprühkopfes ausgehebelt werden kann. Die Gefahr, sich beim Wiederaufsetzen des Sprühkopfes ins Gesicht zu sprühen ist wesentlich höher als wenn man den ganzen Krampf lassen würde. Ausserdem wirkt dieser Schutz nur vor dem allerersten Sprühen, denn danach hat man ja keinen Deckel mehr.

Man kann es mit der Sicherheit auch übertreiben. Ausserdem ist das eine Spirale ohne Ende. Je sicherer, desto dümmer und unbekümmerter werden sie Leute und so ist regelmäßige Verschärfung der Sicherheitseinrichtungen angesagt. Bis totale Verblödung erreicht ist. Aber vielleicht ist das ja auch gewollt.

Ohne ein ganz klein bisschen Denken und Hirneinschalten geht´s nun mal nicht im Leben. Dazu hat man es ja mitbekommen....

Sorry, das war jetzt etwas O.T., musste aber mal raus.

Gruß,
Achim

11.12.14 04:28
Mani

nicht registriert

11.12.14 04:28
Mani

nicht registriert

Re: Elektrische Sicherheit, Stromunfälle, Normen

Schönen Morgen!

Trenntrafos auf U-I-Kern mit getrennten Spulenkörpern halte ich als zuverlässig...

Wichtig wäre noch die Überschlagsfestigkeit (Gewitter).

FI ? Ist normalerweise auf der Primärseite des Trafos und ein Durchbrennen zwischen getrennten Spulenkernen halte ich für
ziemlich unmöglich in der Weise, daß eine Verbindung zwischen P/S entsteht.

Selbst wenn eine P/S-Verbindung bestehen sollte:

a) dem Techniker passiert nichts, weil er keine Wasser- oder sonst eine Erdverbindung berührt

b) falls schon, bekommt er einige Wellen ab bei 30 mA FI


Edit: Heiß aber nicht, daß die Wellen weniger als 30 mA betragen...

Gruß
Mani

Zuletzt bearbeitet am 11.12.14 17:14

11.12.14 14:15
NorbertWerner 

500 und mehr Punkte

11.12.14 14:15
NorbertWerner 

500 und mehr Punkte

Re: Elektrische Sicherheit, Stromunfälle, Normen

Hallo Uli,

Uli:
Das verstehe ich nicht, wieso ist er dann wirkungslos? Ich war immer der Meinung, dann trennt er eben 2 Geräte vom Netz. Was hab ich jetzt wieder nicht bedacht?

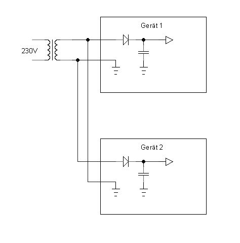
das folgende Beispiel macht es deutlich. Zwischen den beiden 'Masseanschlüssen' besteht ein Potential.




Gruss
Norbert

Datei-Anhänge
Trafo.jpg Trafo.jpg (317x)

Mime-Type: image/jpeg, 11 kB

11.12.14 15:49
Klaus 

500 und mehr Punkte

11.12.14 15:49
Klaus 

500 und mehr Punkte

Re: Elektrische Sicherheit, Stromunfälle, Normen

Hallo Norbert,

von deiner grundsätzlich richtigen Aussage gibt es eine Ausnahme.

Wikipedia schreibt dazu:

Wikipedia:
Werden mehrere Geräte an einen Trenntransformator angeschlossen, so muss zwischen den einzelnen Geräten ein erdfreier örtlicher Potentialausgleich hergestellt werden. Dazu werden die Geräte über eine Potentialausgleichsleitung miteinander verbunden. Die Potentialausgleichsleitung verhindert das Entstehen einer Berührungsspannung, wenn mehrere Geräte einen Körperschluss haben. Anlagen dieser Art dürfen seit dem Erscheinen der neuen VDE 0100 Teil 410 am 1. Juni 2007 nur noch von Elektrofachkräften oder elektrotechnisch unterwiesenen Personen benutzt werden.

Da dieser Fall bei uns Radiobastlern eher bedeutungslos ist, habe ich ihn nur der Vollständigkeit halber aufgeführt.

Viele Grüße
Klaus

 1 2 3 4
 1 2 3 4
Sicherheitsbevormundung   sicherheitvorrichtungen   Schutzleiteranschluss   funktionseingeschränkt   Dauer-Sicherheitshinweise   Betätigungsüberwachung   Investitionsgüterbereich   Stromunfälle   Sicherheitseinrichtungen   Sekundenkleber-Optionen   Sicherheits-Service-Kontrollen   Potentialausgleichsleitung   Trenntrafo   Kindersicherungs-Flaschenverschlüsse   Sicherheitsvorkehrungen   Elektrische   Sicherheit   Kindersicher-Steckdosen   Schuko-Kindersicherungen   Sicherheitsvorschriften