| Passwort vergessen?
Sie sind nicht angemeldet. |  Anmelden

Sprache auswählen:

Wumpus Gollum Forum von
Wumpus Welt der (alten) Radios
Sie sind nicht angemeldet.
 Anmelden

Nordmende 2/614
  •  
 1
 1
21.08.09 08:56
Florianska 

500 und mehr Punkte

21.08.09 08:56
Florianska 

500 und mehr Punkte

Nordmende 2/614

Hallo,
zwecks Überprüfung der Schalter im NF-Teil meines Turandots suche ich den Schaltplanauszug des NF-Teiles vom Plan 2/614 von Nordmende.
Kann mir jemand weiterhelfen?
Mfg
Florianska

Noch gefällt der Beitrag keinem Nutzer.
!
!!! Fotos, Grafiken nur über die Upload-Option des Forums, KEINE FREMD-LINKS auf externe Fotos.    

!!! Keine Komplett-Schaltbilder, keine Fotos, keine Grafiken, auf denen Urheberrechte Anderer (auch WEB-Seiten oder Foren) liegen!
Solche Uploads werden wegen der Rechtslage kommentarlos gelöscht!

Keine Fotos, auf denen Personen erkennbar sind, ohne deren schriftliche Zustimmung.

Den Beitrag-Betreff bei Antworten auf Threads nicht verändern!
21.08.09 09:36
Wolle 

500 und mehr Punkte

21.08.09 09:36
Wolle 

500 und mehr Punkte

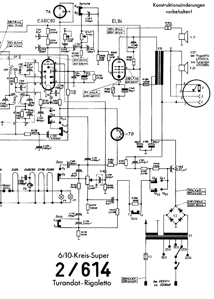
Re: Nordmende 2/614

Hallo Florianska.

Anbei ein Ausschnitt zum Chassis 2614.

Mit vielen Grüßen.
Wolle

Datei-Anhänge
nf_2614_sch.png nf_2614_sch.png (374x)

Mime-Type: image/x-png, 49 kB

 1
 1
Schaltplanauszug   Turandots   Florianska   Schalter   Nordmende   Chassis   weiterhelfen   Ausschnitt   NF-Teiles   NF-Teil   Überprüfung