| Passwort vergessen?
Sie sind nicht angemeldet. |  Anmelden

Sprache auswählen:

Wumpus Gollum Forum von
Wumpus Welt der (alten) Radios
Sie sind nicht angemeldet.
 Anmelden

Gegentakt Audion
  •  
 1 2 3 4 5
 1 2 3 4 5
22.05.10 17:53
Franz 

0-49 Punkte

22.05.10 17:53
Franz 

0-49 Punkte

Re: Gegentakt Audion

Hallo zusammen,
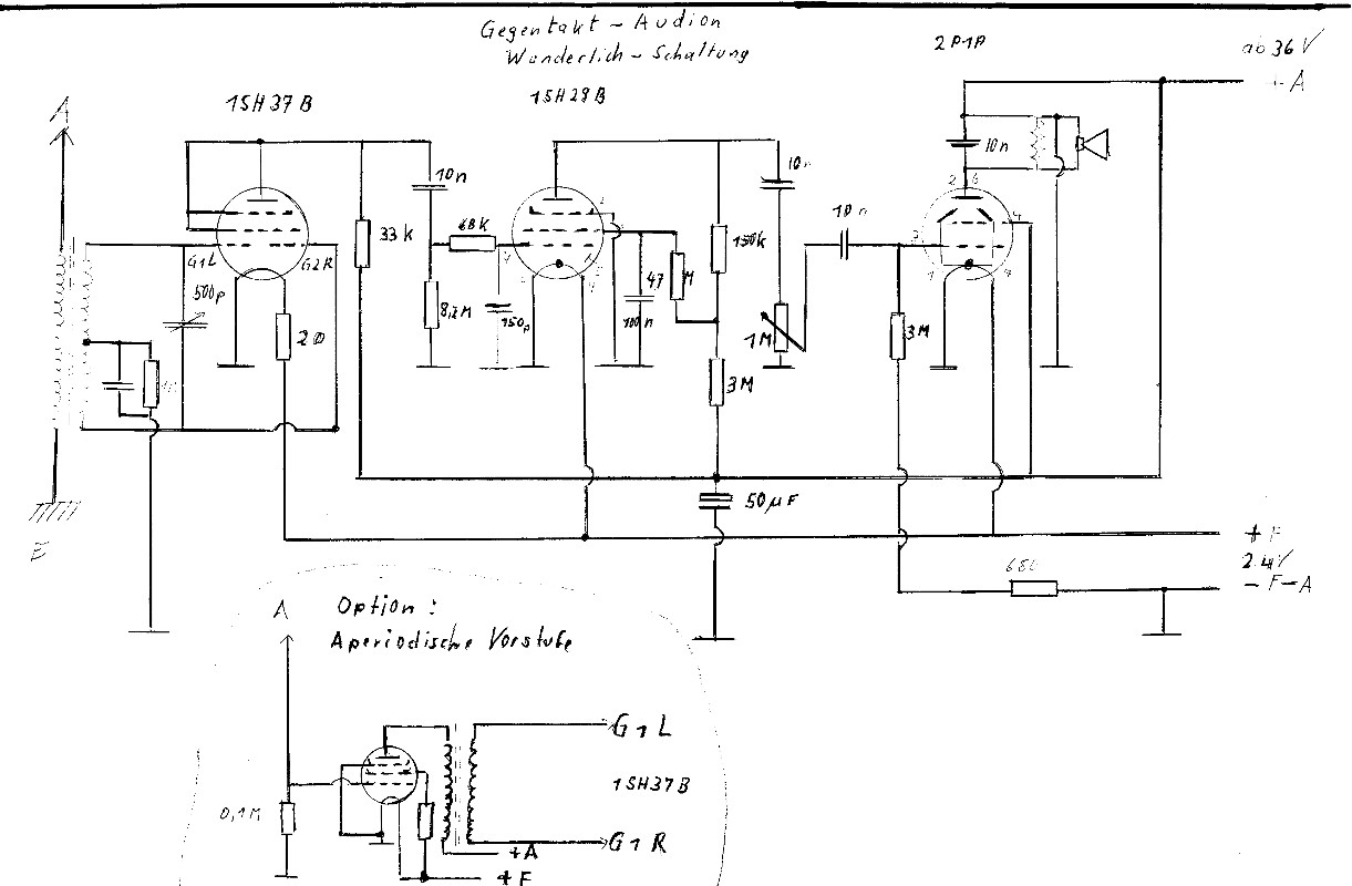
ich habe das Gegentakt Audion nun doch mit neuen besseren Spulen ins Laufen gebracht und empfange in meinem Keller die beiden im Rhein/Main verbliebenen Standard Stationen SWR und AFN. Ich möchte nun die Sache mit einen 2 stufigen NF Verstärker mit einem LS betreiben. Zu diesm Zweck möchte ich die 1SH29B und als Endstufe die 2P1P verwenden. Für die letztere habe ich aber keine für mich lesbare Daten aber das angefügte Prinzip Schaltbild. Dort sind 3 Widerstände eingezeichnet, deren Werte mir unklar sind. Vielleicht könnte mir jemand raten. Bedeuten die die 3,9 bzw 3,0 Meg Ohm und der 680 Ohm ?

Datei-Anhänge
2P1P.jpg 2P1P.jpg (873x)

Mime-Type: image/pjpeg, 115 kB

!
!!! Fotos, Grafiken nur über die Upload-Option des Forums, KEINE FREMD-LINKS auf externe Fotos.    

!!! Keine Komplett-Schaltbilder, keine Fotos, keine Grafiken, auf denen Urheberrechte Anderer (auch WEB-Seiten oder Foren) liegen!
Solche Uploads werden wegen der Rechtslage kommentarlos gelöscht!

Keine Fotos, auf denen Personen erkennbar sind, ohne deren schriftliche Zustimmung.

Den Beitrag-Betreff bei Antworten auf Threads nicht verändern!
22.05.10 17:54
Franz 

0-49 Punkte

22.05.10 17:54
Franz 

0-49 Punkte

Re: Gegentakt Audion

Hallo zusammen, zu früh gedrückt natürlich liebe Grüsse Franz


(Admin: Hallo Franz, Du kannst das auch später nacharbeiten mit "bearbeiten"....)

22.05.10 19:15
Wolle 

500 und mehr Punkte

22.05.10 19:15
Wolle 

500 und mehr Punkte

Re: Gegentakt Audion

Hallo Franz.

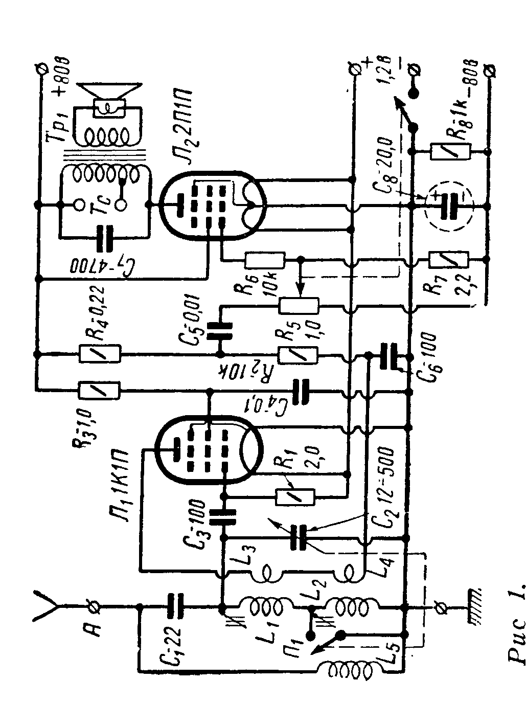
Die Dimensionierung der Widerstände hast Du richtig erkannt. Der Widerstand 680 (Ohm) und 3,0 bzw. 3,9 sind MOhm. Im Anhang noch eine interessante Industrieschaltung aus dem Jahr 1950 mit der Endröhre 2P1P.

Mit vielen Grüßen.
Wolle

Datei-Anhänge
kiew_sch1.png kiew_sch1.png (838x)

Mime-Type: image/x-png, 31 kB

23.05.10 08:43
Franz 

0-49 Punkte

23.05.10 08:43
Franz 

0-49 Punkte

Re: Gegentakt Audion

Danke Wolfgang, interessantes Audion, wenn ich es richtig deute, verwendet es ein Differenzial Drehko, oder was bedeutet das Zeichen zwischen C1 und L1 ?
Liebe Grüsse und prima dass Deine Computerei augenscheinlich wieder funktioniert.
Franz

23.05.10 09:23
Wolle 

500 und mehr Punkte

23.05.10 09:23
Wolle 

500 und mehr Punkte

Re: Gegentakt Audion

Hallo Franz.

Was die im Schaltplan eingetragenen Zeichen bedeuten, weiß ich auch nicht. Der Drehko dürfte konstruktiv dem Drehko des DKE38 entsprechen und die Umschaltung Mittel und Lang zu bewirken.

Einen schönen Pfingstsonntag und liebe Grüße.
Wolfgang

23.05.10 11:44
roehrenfreak

nicht registriert

23.05.10 11:44
roehrenfreak

nicht registriert

Re: Gegentakt Audion

Hallo Franz und Wolle,

zunächst einmal "Frohe Pfingsten"!

Beim Studium des "Kiew"-Schaltplans komme ich zu dem Schluss, dass die "III-mit-Querpfeil-Zeichen" einen Abgleich(-kern) andeuten sollen. Kann natürlich auch vollkommen daneben liegen.

Daran muss man sich auch erst gewöhnen: Alle R-Werte sind in Meg-Ohm angegeben, ausser R6 mit 10Kilo-Ohm und R8 mit 1Kilo-Ohm.

Über den Sinn und den Induktivitätswert von L5 zerbreche ich mir jedoch noch den Kopf. Ist bestimmt ganz trivial - nur ich blick´s einfach nicht.

Freundliche Grüsse,
Jürgen rf

Noli turbare circulos meos (Störe meine KREISE nicht! - Archimedes)

Zuletzt bearbeitet am 23.05.10 11:52

23.05.10 13:35
ingodergute 

Moderator

23.05.10 13:35
ingodergute 

Moderator

Re: Gegentakt Audion

Wolle:
Was die im Schaltplan eingetragenen Zeichen bedeuten, weiß ich auch nicht. Der Drehko dürfte konstruktiv dem Drehko des DKE38 entsprechen und die Umschaltung Mittel und Lang zu bewirken.
Hallo Wolfgang,
da ich davon ausgehe, dass man nicht darauf verzichtet hat, die vollen Kapazitätsvariation für LW und MW zu verwenden, vermute ich mal, dass man die Drehkoachse ziehen und drücken konnte, um den Wellenbereich umzuschalten.

Da es sich um einen rückgekoppeltes Audion handelt, bedeuten die Zeichen an den Spulen L1 und L2 vermutlich, dass die Kopplung zu den Spulen L3 und L4 und damit die Rückkopplung einstellbar waren. L5 könnte im Zusammenhang mit der Antennenkapazität als Tiefpass / Schutz für die Audionröhre dienen, die über 2 Kondensatoren mit der Antenne verbunden ist, oder L5 ist eine breitbandige Empfangsantenne z.B. eine Rahmenantenne im Gerät, die durch die externe Antenne ergänzt werden kann (ist eigentlich die wahrscheinlichere Annahme.


Gruß Ingo.

23.05.10 14:05
Pluspol 

500 und mehr Punkte

23.05.10 14:05
Pluspol 

500 und mehr Punkte

Re: Gegentakt Audion

Hallo alle zusammen

L5 ist die Antennenspule der induktiven Kopplung. Gleichzeitig hat man noch eine kapazitive Kopplung über C1 vorgenommen. Das ist eine reine optionale Variante, die die Grundfunktion der Schaltung nicht in Fage stellt und nicht wesentlich verändert.
Ich glaube auch, daß die Symbole an den Spulen eine mögliche Variation der Kopplung bedeuten. Der Drehkondensator dient gleichzeitig als Bereichsumschalter. Darüber hinaus kann man die Spulen als Luftspulen, oder auch mit mit Ferritkernen ausstatten.
Hiernach richten sich die jeweiligen Windungszahlen, was zusätzlich auch noch von der Art und Größe der verwendeten Spulenkörper abhängt.
Optimal sind hochwertige Luftspulen, wie sie Jürgen mit dem Wickleautomaten herstellt.
Sicher lässt sich diese Schaltung auch in ähnlicher Form mit Kleinspannungsröhren ECC86 oder der 6J1 (EF95) bzw. 6SH1P realisieren, wobei man da die zusätzlich hohe Anodenspannung von 60-80 Volt nicht bräuchte.

Freundliche Grüße von Dietmar

23.05.10 22:37
Wolle 

500 und mehr Punkte

23.05.10 22:37
Wolle 

500 und mehr Punkte

Re: Gegentakt Audion

Hallo zusammen.

Das Gerät ist unter der Modellbezeichnung Riga B912 im Radiomuseum RMorg zu sehen. Hier sind auch einige Detailaufnahmen vom HF- Teil zu sehen. Der Drehko ist ein Luftdrehko mit einem Drehwinkel von 360°. Er ist eine Luxusversion des Quetschers aus dem DKE1938 und übernimmt die Bereichsumschaltung Mittel und Lang.
Als Suchbegriff reicht die Eingabe von "Rigab9" ohne Hersteller aus.

Mit vielen Grüßen.
Wolle

05.08.10 16:17
Franz 

0-49 Punkte

05.08.10 16:17
Franz 

0-49 Punkte

Re: Gegentakt Audion

Hallo zusammen,
entgegen meiner ursprünglichen Absicht, habe ich das Projekt doch nicht beendet. Ich habe die Abstimmung verändert; anstelle der Waben-Spulen eine auf Ferritkern gewickelte Version und einen anderen Drehko verwendet. In meiner Kellerwerkstatt empfange ich jetzt meine zwei " Standart Sationen " ab 36 V Anodenspannung mit LS. Gegenwärtig denke ich noch über eine Aperiodische Vorstufe nach. Antenne ist eine Meßstrippe auf der einen - und die Hausheizung auf der anderen Seite .



Grüsse Franz

Datei-Anhänge
Wunderlicha.jpg Wunderlicha.jpg (844x)

Mime-Type: image/pjpeg, 136 kB

 1 2 3 4 5
 1 2 3 4 5
Schaltungsvarianten   Wunderlich   Stabilisierungsmassnahmen   Schaltung   Gegentaktschaltung   Verstärkungsregelung   Rückkopplungsanzapfung   Spannungsabweichungen   Gegentakt   zusammen   Kleinspannungsröhren   Freundliche   wumpus-gollum-forum   Empfangsverbesserung   Kapazitätsvariation   Schaltungsbroschüren   Spannungsversorgung   DDR-Röhrentaschenbuch   Bereichsumschaltung   III-mit-Querpfeil-Zeichen