| Passwort vergessen?
Sie sind nicht angemeldet. |  Anmelden

Sprache auswählen:

Wumpus Gollum Forum von
Wumpus Welt der (alten) Radios
Sie sind nicht angemeldet.
 Anmelden

Kosmos Radiomann Schaltplan
  •  
 1 2
 1 2
23.04.14 20:18
technikfreund 

500 und mehr Punkte

23.04.14 20:18
technikfreund 

500 und mehr Punkte

Kosmos Radiomann Schaltplan

Hallo Zusammen!

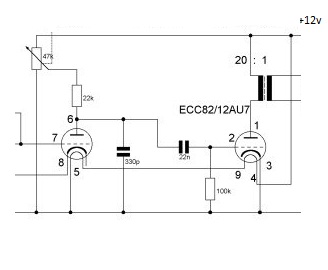
Ich habe eine Frage bzgl. folgendem Schaltplan vom Kosmos Radiomann.

Die Röhre wird mit 12 Volt geheizt, aber wie soll die Heizung angeschlossen werden?

Plus 12 Volt an Stift 4, Masse an Pin 5, eine Brücke zwischen Pin 5 und 9, wäre das richtig?

Anbei der Schaltplan Auschnitt:






Eine weitere Frage wäre bzgl. der MW-Spule, wieviele Windungen und welcher Durchmesser
vom Wickelkörper.


Viele Grüße Technikfreund.

Datei-Anhänge
Radiomann Schaltplanauschnitt.jpg Radiomann Schaltplanauschnitt.jpg (495x)

Mime-Type: image/jpeg, 16 kB

Noch gefällt der Beitrag keinem Nutzer.
!
!!! Fotos, Grafiken nur über die Upload-Option des Forums, KEINE FREMD-LINKS auf externe Fotos.    

!!! Keine Komplett-Schaltbilder, keine Fotos, keine Grafiken, auf denen Urheberrechte Anderer (auch WEB-Seiten oder Foren) liegen!
Solche Uploads werden wegen der Rechtslage kommentarlos gelöscht!

Keine Fotos, auf denen Personen erkennbar sind, ohne deren schriftliche Zustimmung.

Den Beitrag-Betreff bei Antworten auf Threads nicht verändern!
23.04.14 20:51
puntomane 

500 und mehr Punkte

23.04.14 20:51
puntomane 

500 und mehr Punkte

Re: Kosmos Radiomann Schaltplan

Hallo Technikfreund,
in deinem Schaltbild scheint sich ein Fehler eingeschlichen zu haben. Die Heizungspins sind für 12 V Pin 4 und Pin 5, der dann an Masse kommt. Pin 9 bleib frei, würde dieser an Masse kommen, dann verträgt die Heizung nur 6,3 V.

Zuletzt bearbeitet am 23.04.14 20:51

23.04.14 20:53
Toyotabus 

100-249 Punkte

23.04.14 20:53
Toyotabus 

100-249 Punkte

Re: Kosmos Radiomann Schaltplan

technikfreund:
Hallo Zusammen!

Ich habe eine Frage bzgl. folgendem Schaltplan vom Kosmos Radiomann.
Die Röhre wird mit 12 Volt geheizt, aber wie soll die Heizung angeschlossen werden?
Plus 12 Volt an Stift 4, Masse an Pin 5, eine Brücke zwischen Pin 5 und 9, wäre das richtig?
Leider nein, da es sich bei der ECC82 um eine Doppeltroide handelt, also zwei Drioden, die sich eine Röhre teilen...
Ich hab dir die Pinbelegung der ECC82 aus meinem Datenblatt herauskopiert:

Wie du siehst, sind die beiden Heizwicklungen bereits intern in Serie geschalten, d.h. daß du folgende Möglichkeiten hast:
Pin 4 mit 6V, Pin 9 an Masse für Triode 1
Pin 5 mit 6V, Pin 9 an Masse für Triode 2
Also wäre bei einer Heizspannung von 6V logischerweise Pin 9 für die Masse und Pin 4 & 5 mit der Heizspannung zu verbinden (Parallel-Schaltung)
oder aber
Pin 4 mit 12V, Pin 5 an Masse und Pin 9 bleibt frei (Serienschaltung)



technikfreund:
Eine weitere Frage wäre bzgl. der MW-Spule, wieviele Windungen und welcher Durchmesser
vom Wickelkörper.
Da kann ich dir leider nicht weiterhelfen, da ich selbst den Radiomann nie hatte...

LG
Georg

Zuletzt bearbeitet am 23.04.14 20:55

Datei-Anhänge
ecc82 Pinbelegung.jpg ecc82 Pinbelegung.jpg (2780x)

Mime-Type: image/jpeg, 37 kB

23.04.14 20:59
MB-RADIO 

500 und mehr Punkte

23.04.14 20:59
MB-RADIO 

500 und mehr Punkte

Re: Kosmos Radiomann Schaltplan

Hallo Technikfreund,

wenn Du Gockel bemühst findest Du auch die Pinbelegung nebst Innenschaltung.
Da erkennst Du eine Serienschaltung der Heizfäden - Pin 9 ist die Mittelanzapfung - wird bei Dir nicht beschaltet. Nur die zwei äußeren Heizungsanschlüsse 4 und 5 must Du beschalten - an Welchen Du + und - legst ist egal.

Zur Spule: Da mußt Du erstmal wissen welche Bauform Du möchtest und dann würde ich erst mal gucken, was Du für Spulenkörper hast .
Da gibt es auch schöne online-Rechner um dann die Windungszahl zu bestimmen.

Viele Grüße
Bernd

Zuletzt bearbeitet am 23.04.14 21:43

23.04.14 21:11
hal 

500 und mehr Punkte

23.04.14 21:11
hal 

500 und mehr Punkte

Re: Kosmos Radiomann Schaltplan

Hallo Technikfreund
DIE Schaltung ist richtig.
Wie Georg schon schreibt:"Pin 4 mit 12V, Pin 5 an Masse und Pin 9 bleibt frei (Serienschaltung)">innen verbunden.
Gruß Hal

23.04.14 21:12
technikfreund 

500 und mehr Punkte

23.04.14 21:12
technikfreund 

500 und mehr Punkte

Re: Kosmos Radiomann Schaltplan

Hallo Zusammen!

Hier ist der komplette Schaltplan, bitte ganz runterscrollen.

h**p://www.b-kainka.de/kosmos/radiomann.htm


Zur Spule, ich würde gerne eine Zylinderspule wickeln.

Zwei weitere Fragen hätte ich gerne noch, ich habe zwar auch Rainers Infos auf Old Radio World gelesen,
aber man lernt ja nie aus:

1. Muss man immer Rückkopplung und Abstimmkondensator benutzen, um Sender einzustellen. (Müsste dafür nämlich
ein Poti mit einbauen, Trimmer wäre einfacher, der ist aber nicht so leicht zu bedienen)

2. Kann ich die Spannung auch mit zwei in Serie (Reihe) geschalteten 9 Volt Blöcken realisieren?

Viele Grüße Technikfreund.

Zuletzt bearbeitet am 23.04.14 21:18

23.04.14 21:17
puntomane 

500 und mehr Punkte

23.04.14 21:17
puntomane 

500 und mehr Punkte

Re: Kosmos Radiomann Schaltplan

Hallo Technikfreund,
@...Ist da nun ein Fehler drin, oder werden einfach Pin 4 / +12V
und Pin 5 / Masse beschaltet, Pin 9 bleibt frei?

Bingo !!!

23.04.14 21:33
hal 

500 und mehr Punkte

23.04.14 21:33
hal 

500 und mehr Punkte

Re: Kosmos Radiomann Schaltplan

Hallo
Rainer hat viel über die Spule auf:
http://www.welt-der-alten-radios.de/a--g...bauplan-59.html
geschieben.
9v Blöcke sind gut zur Erhöhung der Anodenspannung ABER man kommt nicht mit der Heizung hin...
73 Hal
PS.Hier links hab ich "DEINE"vor Jahren schon mal aufgebaut ...

24.04.14 22:36
technikfreund 

500 und mehr Punkte

24.04.14 22:36
technikfreund 

500 und mehr Punkte

Re: Kosmos Radiomann - Hilfe!!

Hallo Zusammen!

Ich habe heute, nachdem ich gestern mit der ECC 82 einen fliegenden Aufbau gemacht
hatte und auch einige Sender hören konnte, heute das ganze in ein hübsches Kästchen gebaut.

Für die Spannungsversorgung habe ich 1,5 V Batterien in Reihe geschaltet und konnte am Ausgang
12,3 V messen. (Ohne Last)

Dann habe ich den Batteriesatz mit dem Radiomann verbunden und eingeschaltet.

Hierbei glühte es unten in der Röhre hell auf, müsste nach Blickrichtung her Pin 5, die Heizung
gewesen sein.

Habe sofort wieder abgeschaltet und nochmal alles kontrolliert, kann aber keinen Fehler finden.

Gestern funktionierte alles normal, nach ca. 20 Sek. fing die Heizung im oberen Teil der Röhre
an zu glühen, aber nun?

Beim Netzgerät, was 12 Volt liefert das gleiche, ganz kurz eingschaltet, fängt hell unten an zu leuchten.

Anodenspannung und Heizspannung sind beide 12V, was mache ich falsch??

Viele Grüße Technikfreund.

25.04.14 06:46
wumpus 

Administrator

25.04.14 06:46
wumpus 

Administrator

Re: Kosmos Radiomann Schaltplan

Hallo Technikfreund,

Du solltest sicher sein, dass Du nicht statt einer ECC81 / ECC82 / ECC83 eine ECC84 / ECC85 verwendest, denn die beiden zuletzt genannten Röhren sollen NUR mit 6,3 Volt versorgt werden können.

Du erwähntest in einem Telefongespräch, dass Du die Beschriftung nicht komplett lesen kannst. Prüfe bitte, ob Deine ECC-Röhre im Glas eine Verbindung von Pin 9 zu den Heizfäden hat. Ist Pin 9 mit der Schirmung zwischen den beide Systemen verbunden, hast Du KEINE ECC82 und überheizt die (wahrscheinlich) eine ECC84 oder ECC85 HEFTIG. Du kannst auch mit dem Ohm-Meter prüfen, ob es eine Verbindung von Pin 9 mit Punkt 4 oder 5 gibt. Ist das der Fall, hast Du eine ECC81 / ECC82 / ECC83 und alles ist gut.


Diese Doppeltrioden leuchten oben und unten, wo die Kathodenröhrchen aus dem Systemkörper herauskommen mehr oder weniger stark dunkelrot bis hellgelblich. Das ist bei den Röhren etwas unterschiedlich.

Ein helles Leuchten muß also noch nicht ein Hinweis auf Heizung eines 6,3 Volt-Heizfadens an 12,6 Volt sein.





Gruß von Haus zu Haus
Rainer (Forumbetreiber)

 1 2
 1 2
leuchten   Parallel-Schaltung   Allstrom-Serien-Heizkreisen   welt-der-alten-radios   Schaltplan   Start-Aufleuchten   Technikfreund   Röhren-Parallelheizkreisen   Einschaltstrombegrenzung   konstruktionstechnischen   Abstimmkondensator   Leistungsaufnahme   Spannungsversorgung   Herstellerunterschied   Serienschaltung   Einschaltüberlastung   Radiomann   Equivalent-Röhren   Wendeldurchmesser   Heizungsanschlüsse